ЧПУ станок 2500х1500х250.

Фрезерные и гравировальные станки для обработки мягких материалов (дерево, пластики, мягкие металлы).
Аватара пользователя
Romanych
Мастер
Сообщения: 463
Зарегистрирован: 26 авг 2014, 17:34
Репутация: 270
Настоящее имя: Роман
Откуда: Симферополь
Контактная информация:

Re: ЧПУ станок 2500х1500х250.

Сообщение Romanych »

Turchaninov писал(а):
Romanych писал(а):
Turchaninov писал(а):[quote
Вопрос по кнопке E-Stop пока остается открытым.
Мне поначалу показалось, что грибок скоммутирован уже. На моих заводских китайцах он отрубает все питание через пускатель.
Нет! Грибок пока отключен!
Он отрубает питание перед блоками питания? то есть по линии 220В? а как тогда останов программы идет!?
Да, полностью отрубает питание в шкафу, все 3 фазы. Останов программы с сообщением типа "приехали в лимит". Если интересно, завтра сфотографирую потроха и выложу, но, похоже, вы решили задачу уже))[/quote]

Сасибо, я решил задачу пока с силовой частью. Но я сделал разрыв по низковольтной части. То есть между БП и драйверами. А вот на комп - не догоню пока. То есть грубо говоря продублировать любой конечный выключатель (на любой оси) ???
Все, что мы видим вокруг, создано людьми не умнее нас самих. Мы способны изменять вещи, влиять на них и создавать новое.
Steven Paul Jobs
Аватара пользователя
Romanych
Мастер
Сообщения: 463
Зарегистрирован: 26 авг 2014, 17:34
Репутация: 270
Настоящее имя: Роман
Откуда: Симферополь
Контактная информация:

Re: ЧПУ станок 2500х1500х250.

Сообщение Romanych »

Краткий видеоотчет
https://www.youtube.com/watch?v=Sp76l9P9bJQ
Все, что мы видим вокруг, создано людьми не умнее нас самих. Мы способны изменять вещи, влиять на них и создавать новое.
Steven Paul Jobs
Turchaninov
Новичок
Сообщения: 36
Зарегистрирован: 21 янв 2015, 00:05
Репутация: 4
Настоящее имя: Юрий
Контактная информация:

Re: ЧПУ станок 2500х1500х250.

Сообщение Turchaninov »

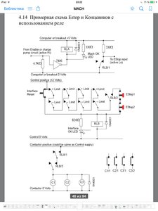
вот из инструкции к матчу. У меня, правда nc studio везде
Вложения
image.jpg (4073 просмотра) <a class='original' href='./download/file.php?id=47452&mode=view' target=_blank>Загрузить оригинал (280.39 КБ)</a>
cool6622
Новичок
Сообщения: 1
Зарегистрирован: 06 апр 2015, 20:13
Репутация: 0
Контактная информация:

Re: ЧПУ станок 2500х1500х250.

Сообщение cool6622 »

здравствуйте, заранее прошу прощения за глупый вопрос, но все же, я сейчас тоже рассматриваю вариант станка( самодельного ) и механика для меня тема понятная ну постольку поскольку), а вот по электронике я чуть чуть ничего не знаю ж) и вы не могли бы отправить на тему или или хотя бы сфотографировать бирки шаговых двигателей, их драйверов и блоков питания, а так же интересно через какой девайс они потом подключаются к компьютеру. заранее благодарен ...
Аватара пользователя
Romanych
Мастер
Сообщения: 463
Зарегистрирован: 26 авг 2014, 17:34
Репутация: 270
Настоящее имя: Роман
Откуда: Симферополь
Контактная информация:

Re: ЧПУ станок 2500х1500х250.

Сообщение Romanych »

cool6622 писал(а):здравствуйте, заранее прошу прощения за глупый вопрос, но все же, я сейчас тоже рассматриваю вариант станка( самодельного ) и механика для меня тема понятная ну постольку поскольку), а вот по электронике я чуть чуть ничего не знаю ж) и вы не могли бы отправить на тему или или хотя бы сфотографировать бирки шаговых двигателей, их драйверов и блоков питания, а так же интересно через какой девайс они потом подключаются к компьютеру. заранее благодарен ...
смотри личку.
Все, что мы видим вокруг, создано людьми не умнее нас самих. Мы способны изменять вещи, влиять на них и создавать новое.
Steven Paul Jobs
Аватара пользователя
Romanych
Мастер
Сообщения: 463
Зарегистрирован: 26 авг 2014, 17:34
Репутация: 270
Настоящее имя: Роман
Откуда: Симферополь
Контактная информация:

Re: ЧПУ станок 2500х1500х250.

Сообщение Romanych »

На сегодня в принципе шкаф окончен. Контроллер температур будет размещен после разработки и сборки. Пока можно работать и так.
Вложения
DSC_3084.JPG (3975 просмотров) <a class='original' href='./download/file.php?id=47594&mode=view' target=_blank>Загрузить оригинал (181.36 КБ)</a>
DSC_3085.JPG (3975 просмотров) <a class='original' href='./download/file.php?id=47595&mode=view' target=_blank>Загрузить оригинал (237.25 КБ)</a>
DSC_3086.JPG (3975 просмотров) <a class='original' href='./download/file.php?id=47596&mode=view' target=_blank>Загрузить оригинал (176.48 КБ)</a>
DSC_3087.JPG (3975 просмотров) <a class='original' href='./download/file.php?id=47597&mode=view' target=_blank>Загрузить оригинал (244.55 КБ)</a>
DSC_3088.JPG (3975 просмотров) <a class='original' href='./download/file.php?id=47598&mode=view' target=_blank>Загрузить оригинал (193.27 КБ)</a>
Все, что мы видим вокруг, создано людьми не умнее нас самих. Мы способны изменять вещи, влиять на них и создавать новое.
Steven Paul Jobs
Аватара пользователя
Romanych
Мастер
Сообщения: 463
Зарегистрирован: 26 авг 2014, 17:34
Репутация: 270
Настоящее имя: Роман
Откуда: Симферополь
Контактная информация:

Re: ЧПУ станок 2500х1500х250.

Сообщение Romanych »

Давно не писал. За это время пришло 2 посылки с фрезами. Граверы и "кукуруза".
Наконец-то получил посылку от Даркстона. Из-за штормов на переправе шла очень долго! Она и держала меня. За сегодня поварил "ноги" станины с раскосами. Осталось поварить перемычки между "ногами".
Вложения
Часть посылки (3819 просмотров) <a class='original' href='./download/file.php?id=49568&mode=view' target=_blank>Загрузить оригинал (48.71 КБ)</a>
Часть посылки
04052015608.jpg (3819 просмотров) <a class='original' href='./download/file.php?id=49569&mode=view' target=_blank>Загрузить оригинал (64.19 КБ)</a>
04052015609.jpg (3819 просмотров) <a class='original' href='./download/file.php?id=49570&mode=view' target=_blank>Загрузить оригинал (101.86 КБ)</a>
04052015610.jpg (3819 просмотров) <a class='original' href='./download/file.php?id=49571&mode=view' target=_blank>Загрузить оригинал (80.47 КБ)</a>
Рама верх ногами (3819 просмотров) <a class='original' href='./download/file.php?id=49572&mode=view' target=_blank>Загрузить оригинал (87.8 КБ)</a>
Рама верх ногами
Все, что мы видим вокруг, создано людьми не умнее нас самих. Мы способны изменять вещи, влиять на них и создавать новое.
Steven Paul Jobs
Аватара пользователя
Romanych
Мастер
Сообщения: 463
Зарегистрирован: 26 авг 2014, 17:34
Репутация: 270
Настоящее имя: Роман
Откуда: Симферополь
Контактная информация:

Re: ЧПУ станок 2500х1500х250.

Сообщение Romanych »

Сегодня продолжил работать со станком.
Вложения
06052015616.jpg (3727 просмотров) <a class='original' href='./download/file.php?id=49766&mode=view' target=_blank>Загрузить оригинал (138.65 КБ)</a>
06052015617.jpg (3727 просмотров) <a class='original' href='./download/file.php?id=49767&mode=view' target=_blank>Загрузить оригинал (149.65 КБ)</a>
06052015618.jpg (3727 просмотров) <a class='original' href='./download/file.php?id=49768&mode=view' target=_blank>Загрузить оригинал (131.68 КБ)</a>
06052015619.jpg (3727 просмотров) <a class='original' href='./download/file.php?id=49769&mode=view' target=_blank>Загрузить оригинал (139.91 КБ)</a>
Все, что мы видим вокруг, создано людьми не умнее нас самих. Мы способны изменять вещи, влиять на них и создавать новое.
Steven Paul Jobs
Аватара пользователя
Romanych
Мастер
Сообщения: 463
Зарегистрирован: 26 авг 2014, 17:34
Репутация: 270
Настоящее имя: Роман
Откуда: Симферополь
Контактная информация:

Re: ЧПУ станок 2500х1500х250.

Сообщение Romanych »

За сегодня в принципе основные мех.комплектующие закрепил. ОСталось датчики, но это будет позже. На днях приступлю к протяжке кабелей.
Вложения
07052015622.jpg (3670 просмотров) <a class='original' href='./download/file.php?id=49845&mode=view' target=_blank>Загрузить оригинал (99.57 КБ)</a>
07052015623.jpg (3670 просмотров) <a class='original' href='./download/file.php?id=49846&mode=view' target=_blank>Загрузить оригинал (67.9 КБ)</a>
07052015624.jpg (3670 просмотров) <a class='original' href='./download/file.php?id=49847&mode=view' target=_blank>Загрузить оригинал (106.1 КБ)</a>
07052015625.jpg (3670 просмотров) <a class='original' href='./download/file.php?id=49848&mode=view' target=_blank>Загрузить оригинал (105.6 КБ)</a>
07052015626.jpg (3670 просмотров) <a class='original' href='./download/file.php?id=49849&mode=view' target=_blank>Загрузить оригинал (132.23 КБ)</a>
Все, что мы видим вокруг, создано людьми не умнее нас самих. Мы способны изменять вещи, влиять на них и создавать новое.
Steven Paul Jobs
Аватара пользователя
Atom42
Мастер
Сообщения: 721
Зарегистрирован: 07 июл 2014, 11:55
Репутация: 286
Настоящее имя: Денис
Откуда: Кемерово
Контактная информация:

Re: ЧПУ станок 2500х1500х250.

Сообщение Atom42 »

Что сказать, здорово получается! Поделись информацией:
Как геометрия, может цифры какие есть?
Чем и как меришь?
Уверен, что не идеальный геометрия, как поправляешь?
Неважно, как быстро Ты идешь, главное- не останавливаться.
Аватара пользователя
Romanych
Мастер
Сообщения: 463
Зарегистрирован: 26 авг 2014, 17:34
Репутация: 270
Настоящее имя: Роман
Откуда: Симферополь
Контактная информация:

Re: ЧПУ станок 2500х1500х250.

Сообщение Romanych »

Atom42 писал(а):Что сказать, здорово получается! Поделись информацией:
Как геометрия, может цифры какие есть?
Чем и как меришь?
Уверен, что не идеальный геометрия, как поправляешь?
Спасибо. Протяну кабеля, пущу и промеряю.
Все, что мы видим вокруг, создано людьми не умнее нас самих. Мы способны изменять вещи, влиять на них и создавать новое.
Steven Paul Jobs
Onebe
Опытный
Сообщения: 100
Зарегистрирован: 02 апр 2015, 14:20
Репутация: 17
Настоящее имя: Александр
Контактная информация:

Re: ЧПУ станок 2500х1500х250.

Сообщение Onebe »

Romanych писал(а):Сегодня продолжил работать со станком.
Диагоналей не хватает поперек стола снизу :thinking:
Аватара пользователя
Romanych
Мастер
Сообщения: 463
Зарегистрирован: 26 авг 2014, 17:34
Репутация: 270
Настоящее имя: Роман
Откуда: Симферополь
Контактная информация:

Re: ЧПУ станок 2500х1500х250.

Сообщение Romanych »

На днях получил фрезы. Также продолжил работы по станку. Сегодня закрепил датчики по Y и Z. По Х надо в пластинах фрезеровать пазы под регулировку.
Вложения
DSC_3898.JPG (3446 просмотров) <a class='original' href='./download/file.php?id=50140&mode=view' target=_blank>Загрузить оригинал (153.41 КБ)</a>
DSC_3899.JPG (3446 просмотров) <a class='original' href='./download/file.php?id=50141&mode=view' target=_blank>Загрузить оригинал (155.7 КБ)</a>
DSC_3900.JPG (3446 просмотров) <a class='original' href='./download/file.php?id=50142&mode=view' target=_blank>Загрузить оригинал (170.96 КБ)</a>
DSC_3901.JPG (3446 просмотров) <a class='original' href='./download/file.php?id=50143&mode=view' target=_blank>Загрузить оригинал (226.65 КБ)</a>
DSC_3902.JPG (3446 просмотров) <a class='original' href='./download/file.php?id=50144&mode=view' target=_blank>Загрузить оригинал (204.99 КБ)</a>
DSC_3903.JPG (3446 просмотров) <a class='original' href='./download/file.php?id=50145&mode=view' target=_blank>Загрузить оригинал (226.53 КБ)</a>
Все, что мы видим вокруг, создано людьми не умнее нас самих. Мы способны изменять вещи, влиять на них и создавать новое.
Steven Paul Jobs
Аватара пользователя
Romanych
Мастер
Сообщения: 463
Зарегистрирован: 26 авг 2014, 17:34
Репутация: 270
Настоящее имя: Роман
Откуда: Симферополь
Контактная информация:

Re: ЧПУ станок 2500х1500х250.

Сообщение Romanych »

Небольшое видео по пуску
https://www.youtube.com/watch?v=XDYpskghFI4
Все, что мы видим вокруг, создано людьми не умнее нас самих. Мы способны изменять вещи, влиять на них и создавать новое.
Steven Paul Jobs
engenegr
Опытный
Сообщения: 189
Зарегистрирован: 24 июн 2013, 04:39
Репутация: 41
Настоящее имя: Александр
Откуда: Красноярск
Контактная информация:

Re: ЧПУ станок 2500х1500х250.

Сообщение engenegr »

Все хорошо, только места соединения алюминия и стали нужно чем нибудь покрасить, желательно масляной краской, иначе будет гальванопара. А это не очень хорошо.
Аватара пользователя
ukr-sasha
Мастер
Сообщения: 3401
Зарегистрирован: 21 мар 2011, 07:47
Репутация: 2181
Настоящее имя: Украинец Александр Григорьевич
Откуда: Киев, Украина
Контактная информация:

Re: ЧПУ станок 2500х1500х250.

Сообщение ukr-sasha »

Romanych писал(а):Небольшое видео по пуску
Под открытым небом станку не поплохеет?
Аватара пользователя
Romanych
Мастер
Сообщения: 463
Зарегистрирован: 26 авг 2014, 17:34
Репутация: 270
Настоящее имя: Роман
Откуда: Симферополь
Контактная информация:

Re: ЧПУ станок 2500х1500х250.

Сообщение Romanych »

ukr-sasha писал(а):
Romanych писал(а):Небольшое видео по пуску
Под открытым небом станку не поплохеет?
На ночь накрывается... Пока размещать не особо есть где... В поисках решения этой проблемы...
Все, что мы видим вокруг, создано людьми не умнее нас самих. Мы способны изменять вещи, влиять на них и создавать новое.
Steven Paul Jobs
Аватара пользователя
Predator
Мастер
Сообщения: 9583
Зарегистрирован: 18 июл 2013, 18:26
Репутация: 2531
Контактная информация:

Re: ЧПУ станок 2500х1500х250.

Сообщение Predator »

Romanych писал(а):В поисках решения этой проблемы...
Дык ты ж писал
Romanych писал(а):Есть гараж - но там машина стоит. Гараж не мой, и машина не моя. Надо машину спихнуть и можно там пытаться.
:hehehe:
Аватара пользователя
Romanych
Мастер
Сообщения: 463
Зарегистрирован: 26 авг 2014, 17:34
Репутация: 270
Настоящее имя: Роман
Откуда: Симферополь
Контактная информация:

Re: ЧПУ станок 2500х1500х250.

Сообщение Romanych »

Predator писал(а):
Romanych писал(а):В поисках решения этой проблемы...
Дык ты ж писал
Romanych писал(а):Есть гараж - но там машина стоит. Гараж не мой, и машина не моя. Надо машину спихнуть и можно там пытаться.
:hehehe:
Так, молодой человек, не путайте меня... :-)
Все, что мы видим вокруг, создано людьми не умнее нас самих. Мы способны изменять вещи, влиять на них и создавать новое.
Steven Paul Jobs
Аватара пользователя
Romanych
Мастер
Сообщения: 463
Зарегистрирован: 26 авг 2014, 17:34
Репутация: 270
Настоящее имя: Роман
Откуда: Симферополь
Контактная информация:

Re: ЧПУ станок 2500х1500х250.

Сообщение Romanych »

Сегодня закрепил датчики по оси X. Осталось сделать систему охлаждения шпинделя и вперед.
Все, что мы видим вокруг, создано людьми не умнее нас самих. Мы способны изменять вещи, влиять на них и создавать новое.
Steven Paul Jobs
Ответить

Вернуться в «Фрезерные станки по дереву и пластикам, гравировальные станки, роутеры»