StepMaster ver 2.5
-
anahron
- Новичок
- Сообщения: 11
- Зарегистрирован: 30 май 2017, 17:08
- Репутация: 0
- Контактная информация:
Re: StepMaster ver 2.5
Здравствуйте! Подскажите как правильно подключить сигнал ошибки к е-стопу
- michael-yurov
- Почётный участник

- Сообщения: 11731
- Зарегистрирован: 26 июл 2012, 00:10
- Репутация: 4703
- Настоящее имя: Михаил Львович
- Откуда: Новоуральск
- Контактная информация:
Re: StepMaster ver 2.5
Так:anahron писал(а):Здравствуйте! Подскажите как правильно подключить сигнал ошибки к е-стопу
-
anahron
- Новичок
- Сообщения: 11
- Зарегистрирован: 30 май 2017, 17:08
- Репутация: 0
- Контактная информация:
Re: StepMaster ver 2.5
Все оказалось проще чем я ожидал, спасибо!
- shalek
- Почётный участник

- Сообщения: 3023
- Зарегистрирован: 25 авг 2014, 10:40
- Репутация: 2583
- Настоящее имя: Александр
- Откуда: РБ Бобруйск
- Контактная информация:
Re: StepMaster ver 2.5
Сегодня накопал интересную особенность Stepmaster + синяя Ncstudio
Суть в чем:
Собираю электронику для "Бобра"
Мишин фильтр последней версии в наличии и 100% рабочий. Прикупил плату студии на CMD компонентах такую Собираю все на стенде из этих компонентов кроме частотника. Ncstudio запускаю, настраиваю - все едет как надо. Датчики дома работают.
Пытаюсь переключиться на Mach3 сталкиваюсь с тем, что не переключается. Светодиод студии просто в полнакала начинает светиться, а верхний мачевский не загорается.
Выключаю все. Выдергиваю из платы Ncstudio шлейф и Mach3 нормально работает. Вставляю и перестает запускаться. А студия работает. Как будто приоритет имеет.
Также во время этих манипуляций по каким-то странным стечением обстоятельств сбрасывается BIOS матери. Приходится заново настраивать и сохранять.
Заменил синюю плату Ncstudio на красную и чудо: Все переключается и (тьфу три раза) BIOS пока на месте. Что бы это значило?
Суть в чем:
Собираю электронику для "Бобра"
Мишин фильтр последней версии в наличии и 100% рабочий. Прикупил плату студии на CMD компонентах такую Собираю все на стенде из этих компонентов кроме частотника. Ncstudio запускаю, настраиваю - все едет как надо. Датчики дома работают.
Пытаюсь переключиться на Mach3 сталкиваюсь с тем, что не переключается. Светодиод студии просто в полнакала начинает светиться, а верхний мачевский не загорается.
Выключаю все. Выдергиваю из платы Ncstudio шлейф и Mach3 нормально работает. Вставляю и перестает запускаться. А студия работает. Как будто приоритет имеет.
Также во время этих манипуляций по каким-то странным стечением обстоятельств сбрасывается BIOS матери. Приходится заново настраивать и сохранять.
Заменил синюю плату Ncstudio на красную и чудо: Все переключается и (тьфу три раза) BIOS пока на месте. Что бы это значило?
Если ты не можешь решить проблему, значит это не твоя проблема!
Мой канал на YouTube: YouTube
ЧПУ "Бобр" 600x500 мм
shalek64@gmail.com
Мой канал на YouTube: YouTube
ЧПУ "Бобр" 600x500 мм
shalek64@gmail.com
- michael-yurov
- Почётный участник

- Сообщения: 11731
- Зарегистрирован: 26 июл 2012, 00:10
- Репутация: 4703
- Настоящее имя: Михаил Львович
- Откуда: Новоуральск
- Контактная информация:
Re: StepMaster ver 2.5
Как именно?shalek писал(а): Пытаюсь переключиться на Mach3
Достаешь джампер, или кабель?
Кабель можно выдергивать без отключения питания.
Если при отключенном джампере светится в пол накала - какой-то косяк на плате, наверное.
- shalek
- Почётный участник

- Сообщения: 3023
- Зарегистрирован: 25 авг 2014, 10:40
- Репутация: 2583
- Настоящее имя: Александр
- Откуда: РБ Бобруйск
- Контактная информация:
Re: StepMaster ver 2.5
Достаю джампер. Но пока кабель с Ncstudio не выдернешь на Mach не переключиться.michael-yurov писал(а):Как именно?shalek писал(а): Пытаюсь переключиться на Mach3
Достаешь джампер, или кабель?
Кабель можно выдергивать без отключения питания.
Если при отключенном джампере светится в пол накала - какой-то косяк на плате, наверное.
Если бы косяк был , то с красной платой не работало бы.
Может плата студии неудачная. Но ведь работает сама по себе.
Если ты не можешь решить проблему, значит это не твоя проблема!
Мой канал на YouTube: YouTube
ЧПУ "Бобр" 600x500 мм
shalek64@gmail.com
Мой канал на YouTube: YouTube
ЧПУ "Бобр" 600x500 мм
shalek64@gmail.com
- michael-yurov
- Почётный участник

- Сообщения: 11731
- Зарегистрирован: 26 июл 2012, 00:10
- Репутация: 4703
- Настоящее имя: Михаил Львович
- Откуда: Новоуральск
- Контактная информация:
Re: StepMaster ver 2.5
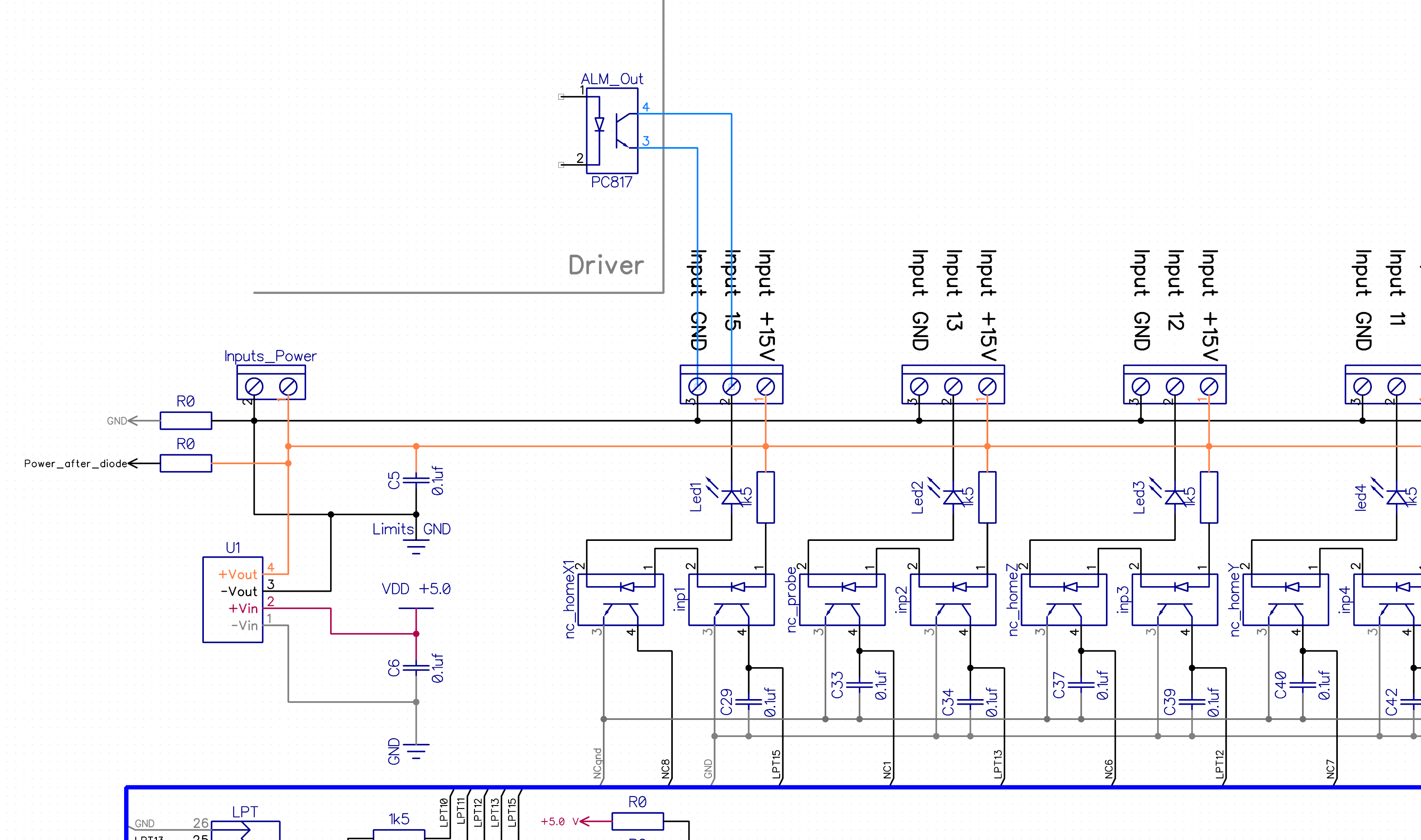
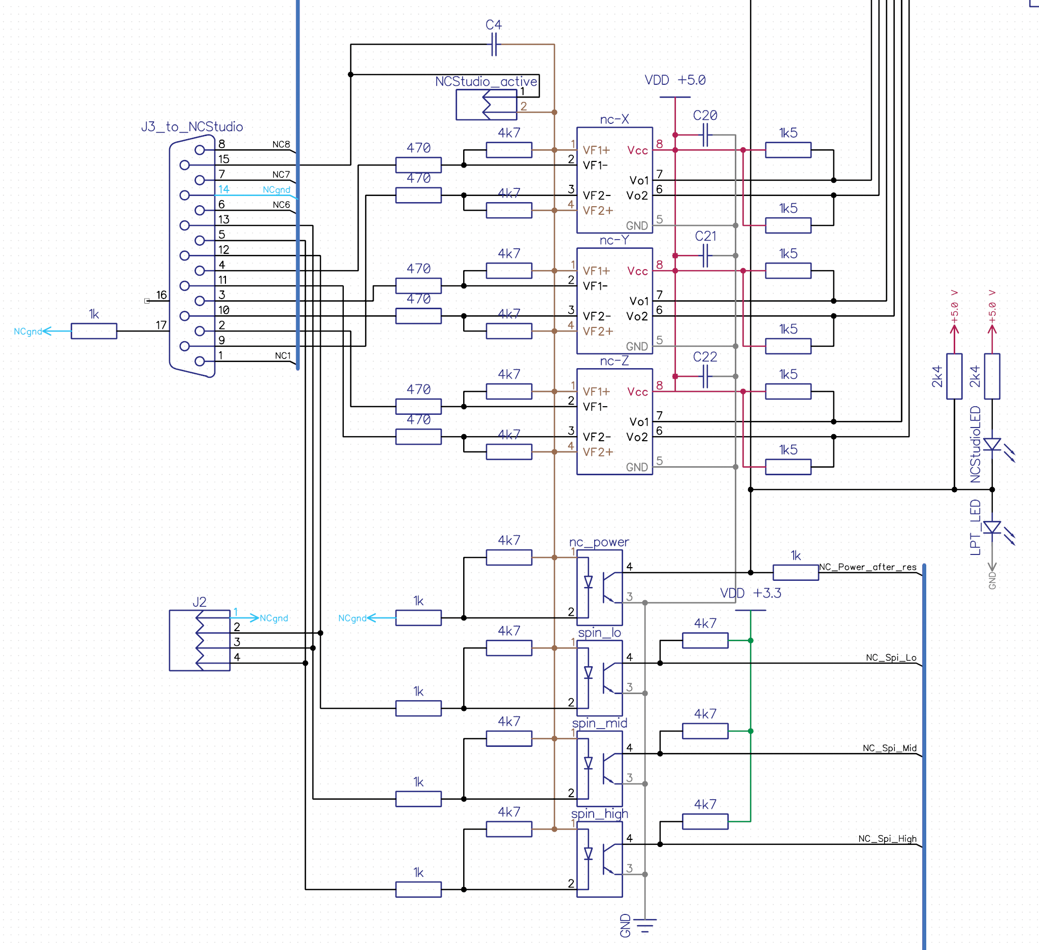
Есть подозрение, что у этой платы выходы не открытый коллектор, а нормальные TTL.
Из за этого оптопара (nc_power) отвечающая за активацию NCStudio берет +5 В питание от входов и открывается.
Из за этого оптопара (nc_power) отвечающая за активацию NCStudio берет +5 В питание от входов и открывается.
- shalek
- Почётный участник

- Сообщения: 3023
- Зарегистрирован: 25 авг 2014, 10:40
- Репутация: 2583
- Настоящее имя: Александр
- Откуда: РБ Бобруйск
- Контактная информация:
Re: StepMaster ver 2.5
Болезнь неизлечима?michael-yurov писал(а):Есть подозрение, что у этой платы выходы не открытый коллектор, а нормальные TTL.
Из за этого оптопара (nc_power) отвечающая за активацию NCStudio берет +5 В питание от входов и открывается.
Закажу еще плату студии. Теперь с обычными компонентами, не CMD.
Если ты не можешь решить проблему, значит это не твоя проблема!
Мой канал на YouTube: YouTube
ЧПУ "Бобр" 600x500 мм
shalek64@gmail.com
Мой канал на YouTube: YouTube
ЧПУ "Бобр" 600x500 мм
shalek64@gmail.com
- michael-yurov
- Почётный участник

- Сообщения: 11731
- Зарегистрирован: 26 июл 2012, 00:10
- Репутация: 4703
- Настоящее имя: Михаил Львович
- Откуда: Новоуральск
- Контактная информация:
Re: StepMaster ver 2.5
Излечима, без особых сложностей. Можно уменьшить резистор 4,7 кОм около этой оптопары, а можно убрать все 4,7 кОм с входных линий на этой схеме.shalek писал(а):Болезнь неизлечима?
Но нужно сначала определиться с диагнозом.
Но все же сфоткай эту SMD плату, и скажи, как называются микросхемы на входе (вероятно, 74 серии).
- shalek
- Почётный участник

- Сообщения: 3023
- Зарегистрирован: 25 авг 2014, 10:40
- Репутация: 2583
- Настоящее имя: Александр
- Откуда: РБ Бобруйск
- Контактная информация:
Re: StepMaster ver 2.5
Вот она
Если ты не можешь решить проблему, значит это не твоя проблема!
Мой канал на YouTube: YouTube
ЧПУ "Бобр" 600x500 мм
shalek64@gmail.com
Мой канал на YouTube: YouTube
ЧПУ "Бобр" 600x500 мм
shalek64@gmail.com
- michael-yurov
- Почётный участник

- Сообщения: 11731
- Зарегистрирован: 26 июл 2012, 00:10
- Репутация: 4703
- Настоящее имя: Михаил Львович
- Откуда: Новоуральск
- Контактная информация:
Re: StepMaster ver 2.5
Да, тут 74LS245 - у нее выходы не открытый коллектор, а обычные TTL, что само по себе хорошо.
Но вот я не учел...
Пока еще все варианты не обдумал, но, полагаю, будет нормальным решением убрать 6 резисторов на 4,7 кОм рядом с оптопарами HCPL2630.
Но вот я не учел...
Пока еще все варианты не обдумал, но, полагаю, будет нормальным решением убрать 6 резисторов на 4,7 кОм рядом с оптопарами HCPL2630.
- michael-yurov
- Почётный участник

- Сообщения: 11731
- Зарегистрирован: 26 июл 2012, 00:10
- Репутация: 4703
- Настоящее имя: Михаил Львович
- Откуда: Новоуральск
- Контактная информация:
Re: StepMaster ver 2.5
На всякий случай сообщаю:
с 26.06 по 14.07 буду в отпуске, и продать, отправить платы не будет возможности.
- Константин23
- Мастер
- Сообщения: 483
- Зарегистрирован: 06 апр 2015, 16:52
- Репутация: 62
- Настоящее имя: Константин
- Откуда: Krasnodar
- Контактная информация:
Re: StepMaster ver 2.5
+1
оплачу 20-22-го(может раньше)
оплачу 20-22-го(может раньше)
Есть много, друг Горацио, такого, что и не снилось нашим мудрецам....
В.Шекспир ™ "Гамлет", д. 1, сц. 5
В.Шекспир ™ "Гамлет", д. 1, сц. 5
- zman88
- Кандидат
- Сообщения: 47
- Зарегистрирован: 01 дек 2015, 10:04
- Репутация: 1
- Настоящее имя: Георгий
- Контактная информация:
Re: StepMaster ver 2.5
Цена больше не актуальна?michael-yurov писал(а):На всякий случай сообщаю:
с 26.06 по 14.07 буду в отпуске, и продать, отправить платы не будет возможности.
- michael-yurov
- Почётный участник

- Сообщения: 11731
- Зарегистрирован: 26 июл 2012, 00:10
- Репутация: 4703
- Настоящее имя: Михаил Львович
- Откуда: Новоуральск
- Контактная информация:
Re: StepMaster ver 2.5
Пока еще актуальна.
Продам, отправлю, но, к сожалению, готовых плат мало, а возможности в ближайшие дни изготовить не будет (изменились обстоятельства).
Продам, отправлю, но, к сожалению, готовых плат мало, а возможности в ближайшие дни изготовить не будет (изменились обстоятельства).
- zman88
- Кандидат
- Сообщения: 47
- Зарегистрирован: 01 дек 2015, 10:04
- Репутация: 1
- Настоящее имя: Георгий
- Контактная информация:
Re: StepMaster ver 2.5
Михаил, посоветуйте пожалуйста драйвера для таких двигателей как из этой темы http://www.cnc-club.ru/forum/viewtopic. ... ead#unread , блок питания 36в.
- michael-yurov
- Почётный участник

- Сообщения: 11731
- Зарегистрирован: 26 июл 2012, 00:10
- Репутация: 4703
- Настоящее имя: Михаил Львович
- Откуда: Новоуральск
- Контактная информация:
Re: StepMaster ver 2.5
Так если с напряжением уже определился - тут уже как бы и советовать то нечего.
На моторах написано, что их рабочий ток 2,9 А.
Т.е. драйверы должны способны обеспечить пиковый ток в корень из двух раз больше, т.е. 4,1 А.
Ну, можно еще некоторый запас взять.
Собственно, и по напряжению хорошо бы иметь некоторый запас.
У китайцев наиболее распространена клон леадшайновской модели M542 (50 В, 4,2 А - как раз столько и нужно).
Лично мне нравятся цифровые драйверы Leadshine DM серии.
На моторах написано, что их рабочий ток 2,9 А.
Т.е. драйверы должны способны обеспечить пиковый ток в корень из двух раз больше, т.е. 4,1 А.
Ну, можно еще некоторый запас взять.
Собственно, и по напряжению хорошо бы иметь некоторый запас.
У китайцев наиболее распространена клон леадшайновской модели M542 (50 В, 4,2 А - как раз столько и нужно).
Лично мне нравятся цифровые драйверы Leadshine DM серии.
- Константин23
- Мастер
- Сообщения: 483
- Зарегистрирован: 06 апр 2015, 16:52
- Репутация: 62
- Настоящее имя: Константин
- Откуда: Krasnodar
- Контактная информация:
Re: StepMaster ver 2.5
Получил.Дошло за 4 дня !
Удачного отдыха!
Удачного отдыха!
Есть много, друг Горацио, такого, что и не снилось нашим мудрецам....
В.Шекспир ™ "Гамлет", д. 1, сц. 5
В.Шекспир ™ "Гамлет", д. 1, сц. 5
- zman88
- Кандидат
- Сообщения: 47
- Зарегистрирован: 01 дек 2015, 10:04
- Репутация: 1
- Настоящее имя: Георгий
- Контактная информация:
Re: StepMaster ver 2.5
Мне тоже пришла, качество на высоте.
Может кто подскажет с такой http://www.dns-shop.ru/product/b1ef18ce ... finalize=1 (не реклама) платой работать будет?
Может кто подскажет с такой http://www.dns-shop.ru/product/b1ef18ce ... finalize=1 (не реклама) платой работать будет?
- Raben
- Опытный
- Сообщения: 130
- Зарегистрирован: 12 дек 2016, 15:46
- Репутация: 55
- Настоящее имя: Роман
- Откуда: Камчатка
- Контактная информация:
Re: StepMaster ver 2.5
Работать будет, вопрос в надёжности. Мне по опыту использования подобных контроллеров (торговое оборудование), ориенты очень не понравились. Глючные и ненадёжные. Из всех что пользовался, больше всего понравились ST-Lab, но они раза в два-три дороже ориентов и подобных.
Хотя насчёт определённо заработает, я немного поторопился. Самой-то железке безразлично должно быть на какой порт её цепляют, главное что бы команды правильные шли. А вот у программ некоторых могут быть проблемы с такими LPT контроллерами. Дело в том, что "как исторически сложилось", обычно LPT порт у ПК один и некоторые программы или впадают в ступор, когда видят порт отличный от первого или в упор не хотят видеть не первый LPT. А данный контроллер может определится как LPT2. Как себя поведёт программа которую вы будите использовать не знаю. По этому лучше если порт будет определён как первый, проверте в диспетчере устройств, сред портов, у Вас не отображается LPT? Он может быть даже если на материнской плате не распаян. Если есть, то его скорее всего можно отключить в биосе. Тогда внешний контроллер должен определиться как первый.
Хотя насчёт определённо заработает, я немного поторопился. Самой-то железке безразлично должно быть на какой порт её цепляют, главное что бы команды правильные шли. А вот у программ некоторых могут быть проблемы с такими LPT контроллерами. Дело в том, что "как исторически сложилось", обычно LPT порт у ПК один и некоторые программы или впадают в ступор, когда видят порт отличный от первого или в упор не хотят видеть не первый LPT. А данный контроллер может определится как LPT2. Как себя поведёт программа которую вы будите использовать не знаю. По этому лучше если порт будет определён как первый, проверте в диспетчере устройств, сред портов, у Вас не отображается LPT? Он может быть даже если на материнской плате не распаян. Если есть, то его скорее всего можно отключить в биосе. Тогда внешний контроллер должен определиться как первый.