Подключение драйверов к контроллеру
- maga_ges
- Кандидат
- Сообщения: 95
- Зарегистрирован: 02 июн 2017, 02:01
- Репутация: 20
- Настоящее имя: Магомед
- Контактная информация:
Re: Подключение драйверов к контроллеру
Я так уже подключал, ничего не работало. У меня контроллер выдает минусовой сигнал (логический 0) как я понял проследив дорожки на плате. В исходном режиме на клеммах дип и степ дежурит +5В, там стоят подтягивающие резисторы к плюсу.
-
JakcSun
- Новичок
- Сообщения: 13
- Зарегистрирован: 05 сен 2017, 14:09
- Репутация: 0
- Настоящее имя: Евгений
- Контактная информация:
Re: Подключение драйверов к контроллеру
Здравствуйте. Подскажите, может кто знает, как запустить драйвер на плате, если драйверу нужен сигнал enable, а на плате его нет?
-
Rolkis
- Кандидат
- Сообщения: 46
- Зарегистрирован: 10 апр 2018, 06:44
- Репутация: 0
- Настоящее имя: Rolandas
- Контактная информация:
Re: Подключение драйверов к контроллеру
Здравствуйте.
купил набор :
4 PCS Nema 23 Stepper Motor single shaft with 435oz-in holding torque.4.2A
4 PCS Stepper Driver DM542A replacing M542.
2 PCS Power Supply-----350W,36VDC,9.7A.
1 PCS DB25 Breakout Board & 1 Cable for free offering.
MACH3 я запускаю под Win XP 32bit
Я попытался подключиться всеми возможными способами ,но двигатель стоит и не вращается.
Tвердо стоит,попробовал подключить один драйвер и один движок.
Как добиться вращения ШД?
подключaл по схеме: {и не только по этой}
блок питания 5v для меня от адаптера
купил набор :
4 PCS Nema 23 Stepper Motor single shaft with 435oz-in holding torque.4.2A
4 PCS Stepper Driver DM542A replacing M542.
2 PCS Power Supply-----350W,36VDC,9.7A.
1 PCS DB25 Breakout Board & 1 Cable for free offering.
MACH3 я запускаю под Win XP 32bit
Я попытался подключиться всеми возможными способами ,но двигатель стоит и не вращается.
Tвердо стоит,попробовал подключить один драйвер и один движок.
Как добиться вращения ШД?
подключaл по схеме: {и не только по этой}
блок питания 5v для меня от адаптера
- шпиндель
- Мастер
- Сообщения: 1811
- Зарегистрирован: 23 янв 2016, 17:57
- Репутация: 901
- Настоящее имя: Дмитрий
- Откуда: Бологое
- Контактная информация:
Re: Подключение драйверов к контроллеру
проверь адрес параллельного порта и сравни как он прописан в Маче3Rolkis писал(а):Как добиться вращения ШД?
- Taganrog
- Мастер
- Сообщения: 1238
- Зарегистрирован: 15 апр 2015, 16:32
- Репутация: 284
- Настоящее имя: Евгений
- Откуда: Брянск
- Контактная информация:
Re: Подключение драйверов к контроллеру
Раз твердо стоит значит драйвер стал на удержание. Все нормально. А с чего он должен вращаться ? Вы на вход его импульсы чем подаете ? С помощью чего пытались управлять драйверами ?Rolkis писал(а):,но двигатель стоит и не вращается.
Tвердо стоит,
-
Rolkis
- Кандидат
- Сообщения: 46
- Зарегистрирован: 10 апр 2018, 06:44
- Репутация: 0
- Настоящее имя: Rolandas
- Контактная информация:
Re: Подключение драйверов к контроллеру
шпиндель писал(а):проверь адрес параллельного порта и сравни как он прописан в Маче3Rolkis писал(а):Как добиться вращения ШД?
-
Rolkis
- Кандидат
- Сообщения: 46
- Зарегистрирован: 10 апр 2018, 06:44
- Репутация: 0
- Настоящее имя: Rolandas
- Контактная информация:
Re: Подключение драйверов к контроллеру
Я попробовал c MACH 3 с помощью клавиатуры, числа движутся в программе,индикаторы горят в зеленом цвете но двигатели не поворачиваютсяTaganrog писал(а):Раз твердо стоит значит драйвер стал на удержание. Все нормально. А с чего он должен вращаться ? Вы на вход его импульсы чем подаете ? С помощью чего пытались управлять драйверами ?Rolkis писал(а):,но двигатель стоит и не вращается.
Tвердо стоит,
- шпиндель
- Мастер
- Сообщения: 1811
- Зарегистрирован: 23 янв 2016, 17:57
- Репутация: 901
- Настоящее имя: Дмитрий
- Откуда: Бологое
- Контактная информация:
Re: Подключение драйверов к контроллеру
мач всегда прописывает 378 ...теперь проверь этот адрес в диспетчере устройств компа...и поставь мой файл настройки мача3, у меня такой же набор движков и драйверов как у тебя..
- Вложения
-
- Mill777.rar
- (12.82 КБ) 254 скачивания
-
Rolkis
- Кандидат
- Сообщения: 46
- Зарегистрирован: 10 апр 2018, 06:44
- Репутация: 0
- Настоящее имя: Rolandas
- Контактная информация:
Re: Подключение драйверов к контроллеру
Ок.Завтра если найду время-обезательно попробую.Спасибо.
А ничего что у меня плазма?Файл подойдет?
А ничего что у меня плазма?Файл подойдет?
- шпиндель
- Мастер
- Сообщения: 1811
- Зарегистрирован: 23 янв 2016, 17:57
- Репутация: 901
- Настоящее имя: Дмитрий
- Откуда: Бологое
- Контактная информация:
Re: Подключение драйверов к контроллеру
попробуй этот пока, что б понять причину отсутствия движения..и у плазмы вроде тож 3 оси 
- Taganrog
- Мастер
- Сообщения: 1238
- Зарегистрирован: 15 апр 2015, 16:32
- Репутация: 284
- Настоящее имя: Евгений
- Откуда: Брянск
- Контактная информация:
Re: Подключение драйверов к контроллеру
Проверь соответствие номеров выходов step в программе mach3 с номерами на твоей плате опторазвязки.Rolkis писал(а): числа движутся в программе,индикаторы горят в зеленом цвете но двигатели не поворачиваются
-
Rolkis
- Кандидат
- Сообщения: 46
- Зарегистрирован: 10 апр 2018, 06:44
- Репутация: 0
- Настоящее имя: Rolandas
- Контактная информация:
Re: Подключение драйверов к контроллеру
Скачал файл,поставил на D:Mach3 .Выбрал Мill777.Тоже самое.Нет движенияшпиндель писал(а):попробуй этот пока, что б понять причину отсутствия движения..и у плазмы вроде тож 3 оси
В ваших настройках ports I pins -port adress-0×3bc .Выложу все в фотках
P.S.мотор грееться -я так понял что так и должно быть.
Enbl - не подключал потому что тогда загорается красный диод на драйвере.
- шпиндель
- Мастер
- Сообщения: 1811
- Зарегистрирован: 23 янв 2016, 17:57
- Репутация: 901
- Настоящее имя: Дмитрий
- Откуда: Бологое
- Контактная информация:
Re: Подключение драйверов к контроллеру
у меня другой адрес порта...пропиши порт своего компа
-
Rolkis
- Кандидат
- Сообщения: 46
- Зарегистрирован: 10 апр 2018, 06:44
- Репутация: 0
- Настоящее имя: Rolandas
- Контактная информация:
Re: Подключение драйверов к контроллеру
Делал и так -прописал порт как и в моем PC-то же самое.Может быть у меня что-то неправильно подключено или в настройках что не так.
- шпиндель
- Мастер
- Сообщения: 1811
- Зарегистрирован: 23 янв 2016, 17:57
- Репутация: 901
- Настоящее имя: Дмитрий
- Откуда: Бологое
- Контактная информация:
Re: Подключение драйверов к контроллеру
у меня нет этих проводов в подключении...убери их и попробуй
-
Enot_1
- Мастер
- Сообщения: 1359
- Зарегистрирован: 28 апр 2015, 00:12
- Репутация: 242
- Настоящее имя: Arkadiy
- Откуда: Краснодар
- Контактная информация:
Re: Подключение драйверов к контроллеру
Порт в маче 0x378.Rolkis писал(а):прописал порт как и в моем PC-то же самое
Ena- по идее должен быть подключён.
- Taganrog
- Мастер
- Сообщения: 1238
- Зарегистрирован: 15 апр 2015, 16:32
- Репутация: 284
- Настоящее имя: Евгений
- Откуда: Брянск
- Контактная информация:
Re: Подключение драйверов к контроллеру
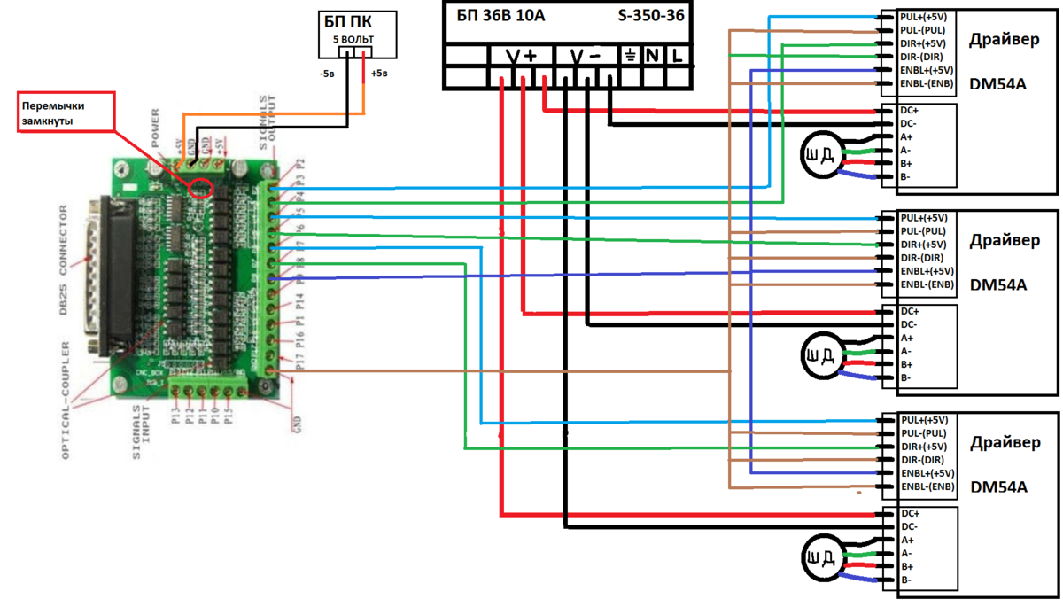
Enable наоборот когда подключен и сигнал присудствует - ОТКЛЮЧАЕТСЯ драйвер. Если его убрать -должен работать. А вот второй провод отключать не советовал бы!
Дравер подключается (управление) минимум 3 проводами: общий (с перемычной на стороне драйвера), Step, Dir.
п.с.
Есть вероятность что ваша плата управления будет работать с общим ПЛЮСОМ а не общим минусом (если выходная часть с ОК). можете попробовать:
+Step и +Dir на стороне драйвера замкнуть и соеденить на +5в платы развязки.
-Step и -Dir соответственно на сигналы шага и направления на плате.
Дравер подключается (управление) минимум 3 проводами: общий (с перемычной на стороне драйвера), Step, Dir.
п.с.
Есть вероятность что ваша плата управления будет работать с общим ПЛЮСОМ а не общим минусом (если выходная часть с ОК). можете попробовать:
+Step и +Dir на стороне драйвера замкнуть и соеденить на +5в платы развязки.
-Step и -Dir соответственно на сигналы шага и направления на плате.
-
Enot_1
- Мастер
- Сообщения: 1359
- Зарегистрирован: 28 апр 2015, 00:12
- Репутация: 242
- Настоящее имя: Arkadiy
- Откуда: Краснодар
- Контактная информация:
Re: Подключение драйверов к контроллеру
У Вас на драйвер идёт три провода. Этот способ подключения описан чуть выше, в постскриптуме поста.шпиндель писал(а):вот как у меня соединено ...
-
Rolkis
- Кандидат
- Сообщения: 46
- Зарегистрирован: 10 апр 2018, 06:44
- Репутация: 0
- Настоящее имя: Rolandas
- Контактная информация:
Re: Подключение драйверов к контроллеру
Ок.Будет время испробую все Ваши заметки.И отпишусь.Спс.