Выходит так.pankinoa писал(а):корпус - это общая земля станка, компа, БП и т.д?shalek писал(а):GND ком. платы соединена с корпусом
Подключение драйверов к контроллеру
- shalek
- Почётный участник

- Сообщения: 3023
- Зарегистрирован: 25 авг 2014, 10:40
- Репутация: 2583
- Настоящее имя: Александр
- Откуда: РБ Бобруйск
- Контактная информация:
Re: Подключение драйверов к контроллеру
Если ты не можешь решить проблему, значит это не твоя проблема!
Мой канал на YouTube: YouTube
ЧПУ "Бобр" 600x500 мм
shalek64@gmail.com
Мой канал на YouTube: YouTube
ЧПУ "Бобр" 600x500 мм
shalek64@gmail.com
Re: Подключение драйверов к контроллеру
Добрый день. Прошу не бить а подсказать как проверить работу платы развязки Breakout Board db 25 -1205?
При монтаже электроники, решил проверить подключения питания на плату и перепутал полярность, сразу выключил попробовал пальцами микросхемы HC14AG PHXCO2 сильно нагрелись, но ни запаха ничего не было.Собрал схему включил везде горят зелёные диоды моторы стали в удержание, пытался управлять моторами от компа, глухо. Выключаю питание 5в никаких изменений.
Подскажите как проверить плату развязки или эти микросхемы. Не хочется верить что они гавкнули:( Можно ли их перепаять?
С уважением ко всем!
При монтаже электроники, решил проверить подключения питания на плату и перепутал полярность, сразу выключил попробовал пальцами микросхемы HC14AG PHXCO2 сильно нагрелись, но ни запаха ничего не было.Собрал схему включил везде горят зелёные диоды моторы стали в удержание, пытался управлять моторами от компа, глухо. Выключаю питание 5в никаких изменений.
Подскажите как проверить плату развязки или эти микросхемы. Не хочется верить что они гавкнули:( Можно ли их перепаять?
С уважением ко всем!
- raddd
- Почётный участник

- Сообщения: 1564
- Зарегистрирован: 10 фев 2015, 08:50
- Репутация: 540
- Настоящее имя: Alexey Rodionov
- Откуда: Беларусь Минский р-н
- Контактная информация:
Re: Подключение драйверов к контроллеру
Своего стабилизатора на ней я так понялтне? Работает от 5 вольт? Если так. микрухи под замену.. стоят копейки перепаяет любой ремонтник телефонов..
||||||||||||
||||||||||||
||||||||||||
Re: Подключение драйверов к контроллеру
Всё так, но я хочу убедиться что полетели микросхемы. Проверял тестером (без подключения драйверов) Везде напряжение как на входе 5,4в.(питание от БП компа) Подключаю драйверы напряжение кажет 2,4в Подключил массу к Enable при выключением блоке развязки моторы становятся в удержание, включаю питание крутятся свободно.
Re: Подключение драйверов к контроллеру
Всем доброго дня. Проблема с драйвером DM860A. Собрал электронику к набору на три оси с движками нема 34. При прогоне осей две оси работают нормально а третья движется только в одну сторону. Переставил драйвера на другие оси, этот же драйвер на другой оси так же вращает движок в одну сторону. Что проверить в драйвере на работоспособность?
С уважением.
С уважением.
Re: Подключение драйверов к контроллеру
Спасибо всем, что не ответили:(
Видно к чужим попал:((
Видно к чужим попал:((
- michael-yurov
- Почётный участник

- Сообщения: 11731
- Зарегистрирован: 26 июл 2012, 00:10
- Репутация: 4703
- Настоящее имя: Михаил Львович
- Откуда: Новоуральск
- Контактная информация:
Re: Подключение драйверов к контроллеру
Оптопару сигнала Direction.stenga писал(а):Всем доброго дня. Проблема с драйвером DM860A. Собрал электронику к набору на три оси с движками нема 34. При прогоне осей две оси работают нормально а третья движется только в одну сторону. Переставил драйвера на другие оси, этот же драйвер на другой оси так же вращает движок в одну сторону. Что проверить в драйвере на работоспособность?
С уважением.
Re: Подключение драйверов к контроллеру
Спасибо michael-yurov Был перерыв из-за болезни:( снова вернулся к станку. Проверил всё и оптопару, пришёл к выводу что всё рабочее. Но вот с платой развязки DB25 -1205 непонятки:( Подключил к портуЛПТ больше ничего не подключал, включил ПК и загорелся светодиод питания, проверил напряжение везде и на всех пинах 4.1в. Запустил Мач индикатор потух а напряжение везде установилось 1.27в. По идеи такого не может быть. Может пробой где:( Схемы нет, куда тыкать не знаю. Прошу совета. С уважением.
- Nil$
- Кандидат
- Сообщения: 97
- Зарегистрирован: 30 авг 2015, 13:10
- Репутация: 13
- Настоящее имя: Макс
- Контактная информация:
Re: Подключение драйверов к контроллеру
Вот как у меня сделано
- Nil$
- Кандидат
- Сообщения: 97
- Зарегистрирован: 30 авг 2015, 13:10
- Репутация: 13
- Настоящее имя: Макс
- Контактная информация:
Re: Подключение драйверов к контроллеру
Расщитые на пучек провода с контактов p1 и gnd уходят на драйверы на контакты enbl+ И enbl-
На контроллер приходит 5 вольт с внешнего блока питания на контакты +5v и gnd на отдельный разьем (фото номер 1 разьем снизу)
На контроллер приходит 5 вольт с внешнего блока питания на контакты +5v и gnd на отдельный разьем (фото номер 1 разьем снизу)
Re: Подключение драйверов к контроллеру
Привет всем. Сегодня пробовал собрать все вместе и случайно когда все подключил, последние 2 проводка осталось подключить как раз от +5v подключал к блоку питания ПК и тыкнул плюсовой на желтый где +12 минус не подключен был. Искрануло
и погас светодиод на опторазвязке. Вот думаю она сгорела или нет. Т.к. проверить то никак не мог и с рабочей а сейчас вообще никакой уверенности нет. Неужели никак нельзя проверить с 1 драйвером и по какой то простой схеме подключения 
Кстати забыл MACH3 я запускаю под Win 7 32bit
Сегодня подключил все. Светодиод заработал все как обычно.
Вот https://cloud.mail.ru/public/4syV/5MaZZtVrC подсоеденино все. Мотор заблокировался. Но с МАЧА мотор не крутиться.
Вот видео подключения. https://cloud.mail.ru/public/MSVf/CH7Es6LRy
Помогите что я делаю не так. Мотор так и не двинулся за все время. Только фиксируется при включении питания +36в
Кстати забыл MACH3 я запускаю под Win 7 32bit
Сегодня подключил все. Светодиод заработал все как обычно.
Вот https://cloud.mail.ru/public/4syV/5MaZZtVrC подсоеденино все. Мотор заблокировался. Но с МАЧА мотор не крутиться.
Вот видео подключения. https://cloud.mail.ru/public/MSVf/CH7Es6LRy
Помогите что я делаю не так. Мотор так и не двинулся за все время. Только фиксируется при включении питания +36в
- Nil$
- Кандидат
- Сообщения: 97
- Зарегистрирован: 30 авг 2015, 13:10
- Репутация: 13
- Настоящее имя: Макс
- Контактная информация:
Re: Подключение драйверов к контроллеру
Если не работает, отсоедини все провода и подключи как у меня. Это точно рабочий вариант.
Должно все заработать.
И проверь настройки масн3.
Когда я первый раз подключал, тоже думал что контроллер не работает.
Это твоя фота с облака для наглядности.
Должно все заработать.
И проверь настройки масн3.
Когда я первый раз подключал, тоже думал что контроллер не работает.
Это твоя фота с облака для наглядности.
Re: Подключение драйверов к контроллеру
А нет схемки понятной твоего рабочего варианта?
Я вроде уже все перепробовал
Вот настройки. Моего Матча. Вроде все как у всех. Порт LPT имеет адрес 0х378 пробовал через PCI Lpt он был LPT2 адрес 0хDC00
https://cloud.mail.ru/public/MRC8/wkZDSprSR
Я вроде уже все перепробовал
Вот настройки. Моего Матча. Вроде все как у всех. Порт LPT имеет адрес 0х378 пробовал через PCI Lpt он был LPT2 адрес 0хDC00
https://cloud.mail.ru/public/MRC8/wkZDSprSR
- SEPT
- Кандидат
- Сообщения: 67
- Зарегистрирован: 05 янв 2015, 02:50
- Репутация: 2
- Настоящее имя: Александр
- Контактная информация:
Re: Подключение драйверов к контроллеру
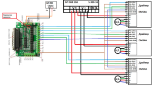
Жевали, жевали, куча схем и картинок, ничё не понятно.
Вот эта схема окончательная?
Почему с БП компа -5В идет на GND?
Вот эта схема окончательная?
Почему с БП компа -5В идет на GND?
- SEPT
- Кандидат
- Сообщения: 67
- Зарегистрирован: 05 янв 2015, 02:50
- Репутация: 2
- Настоящее имя: Александр
- Контактная информация:
Re: Подключение драйверов к контроллеру
Разобрался, по схеме выше подружил DB25-1205 и DQ542MA.
- Nil$
- Кандидат
- Сообщения: 97
- Зарегистрирован: 30 авг 2015, 13:10
- Репутация: 13
- Настоящее имя: Макс
- Контактная информация:
Re: Подключение драйверов к контроллеру
Какие движки у тебя?SEPT писал(а):Разобрался, по схеме выше подружил DB25-1205 и DQ542MA.
Какие настройки моторов поставил?
Re: Подключение драйверов к контроллеру
стоп кнопку подключали?SEPT писал(а):Разобрался, по схеме выше подружил DB25-1205 и DQ542MA.
и порт LPT PCI?
- SEPT
- Кандидат
- Сообщения: 67
- Зарегистрирован: 05 янв 2015, 02:50
- Репутация: 2
- Настоящее имя: Александр
- Контактная информация:
Re: Подключение драйверов к контроллеру
Нет, кнопку еще даже не заказывал.KREml писал(а):стоп кнопку подключали?
и порт LPT PCI?
Порт LPT интегрированный в мамку.
- SEPT
- Кандидат
- Сообщения: 67
- Зарегистрирован: 05 янв 2015, 02:50
- Репутация: 2
- Настоящее имя: Александр
- Контактная информация:
Re: Подключение драйверов к контроллеру
Движки 57BYGH627 + драйвера DQ542MA + БП 350Вт 36В.Nil$ писал(а): Какие движки у тебя?
Какие настройки моторов поставил?
http://ru.aliexpress.com/item/3PCS-Nema ... wVersion=1
Сегодня просто попробовал подключить один драйвер и один движок.
На драйвере поставил полушаг 3200 и пиковый ток 3.76А(средний 2.69А), SW4=OFF, в МАЧе прописал 640 Steps per (у кого-то подсмотрел на форуме).
Задача на сегодня была просто правильно подключить и добиться вращения ШД.
- SEPT
- Кандидат
- Сообщения: 67
- Зарегистрирован: 05 янв 2015, 02:50
- Репутация: 2
- Настоящее имя: Александр
- Контактная информация:
Re: Подключение драйверов к контроллеру
Какие провода использовать для сигналов от контроллера к драйверу?
Сечение, экран нужен на таком коротком расстоянии?
Сечение, экран нужен на таком коротком расстоянии?