ЧПУ пульты
-
adif
- Кандидат
- Сообщения: 69
- Зарегистрирован: 02 дек 2010, 09:55
- Репутация: 18
- Контактная информация:
Re: ЧПУ пульты
А вот на такой проект кто нибудь попадал? USB HID Interface card for Linux EMC and Mach 3 http://martzis.wippiesblog.com/martzis- ... -and-mach/
Inputs:
64 digital inputs (LS TTL)
4 analog inputs (0-5V)
4 encoder inputs (1x or 2x)
Можно сделать пульт на USB и как к линуксу подключить рассказывается.
Inputs:
64 digital inputs (LS TTL)
4 analog inputs (0-5V)
4 encoder inputs (1x or 2x)
Можно сделать пульт на USB и как к линуксу подключить рассказывается.
Мой блог http://adif-studio.blogspot.com/
- Nick
- Мастер
- Сообщения: 22776
- Зарегистрирован: 23 ноя 2009, 16:45
- Репутация: 1735
- Заслуга: Developer
- Откуда: Gatchina, Saint-Petersburg distr., Russia
- Контактная информация:
Re: ЧПУ пульты
Насколько я понимаю в EMC2 все будет из userspace?
Вообще компоненты userspace можно легко подключать по любому интерфейсу. В том числе например Arduino через USB (Arduino Linux CNC - советы начинающим #1). Плохо то, что на эти пины не повесить никакие компоненты связанные с движением...
Вообще компоненты userspace можно легко подключать по любому интерфейсу. В том числе например Arduino через USB (Arduino Linux CNC - советы начинающим #1). Плохо то, что на эти пины не повесить никакие компоненты связанные с движением...
-
adif
- Кандидат
- Сообщения: 69
- Зарегистрирован: 02 дек 2010, 09:55
- Репутация: 18
- Контактная информация:
Re: ЧПУ пульты
В смысле связанные с движением? Вот здесь показано как уже пульт подключен через этот USB HID Interface card for Linux EMC http://www.cnc-tekniikka.com/CNC-forum1 ... 94#msg3794 В чем минуса такого решения?Nick писал(а):Плохо то, что на эти пины не повесить никакие компоненты связанные с движением...
Мой блог http://adif-studio.blogspot.com/
-
zilk
- Опытный
- Сообщения: 139
- Зарегистрирован: 07 янв 2012, 19:05
- Репутация: 1
- Откуда: Украина, Харьков
- Контактная информация:
Re: ЧПУ пульты
Здравствуйте, коллеги!
Хотел бы услышать ваше мнение об оптимальной конфигурации пульта - какой она должна быть? Т.е. какие кнопки, переключатели и пр. MPG должны быть размещены на его панели для максимальной функциональности и удобства, возможности производить какие-либо действия без участия клавиатуры и мышы?
Я, например, планирую сделать пульт в виде коробочки, висящей на вращающейся конструкции в виде изогнутой трубы, чтобы иметь возможность перемещать его в любое место рабочей зоны - на фрезере 6Б75ВФ1 такая есть в наличии изначально. На пульте предусмотрены следующие органы управления:
- кнопка E-Stop
- кнопка ON/OFF
- 2 кнопки RUN/STEP и PAUSE/RESUME
- кнопка FLOOD ON/OFF
- кнопка управления шпинделем FWD/REV/STOP
- MPG
- переключатель режимов AXIS 0, 1, 2, 3, 4, OFF, FEED OVERRIDE, SPINDLE OVERRIDE
- переключатель масштаба 1, 0.1, 0.01, 0.001 мм.
На данный момент эта конфигурация отлажена и работает без сбоев. Вопрос состоит в следующем - нужно ли все вышеперечисленное на пульте или было бы неплохо туда еще чего-нибудь добавить для полного счастья? У меня фантазия закончилась...
Спасибо!
Хотел бы услышать ваше мнение об оптимальной конфигурации пульта - какой она должна быть? Т.е. какие кнопки, переключатели и пр. MPG должны быть размещены на его панели для максимальной функциональности и удобства, возможности производить какие-либо действия без участия клавиатуры и мышы?
Я, например, планирую сделать пульт в виде коробочки, висящей на вращающейся конструкции в виде изогнутой трубы, чтобы иметь возможность перемещать его в любое место рабочей зоны - на фрезере 6Б75ВФ1 такая есть в наличии изначально. На пульте предусмотрены следующие органы управления:
- кнопка E-Stop
- кнопка ON/OFF
- 2 кнопки RUN/STEP и PAUSE/RESUME
- кнопка FLOOD ON/OFF
- кнопка управления шпинделем FWD/REV/STOP
- MPG
- переключатель режимов AXIS 0, 1, 2, 3, 4, OFF, FEED OVERRIDE, SPINDLE OVERRIDE
- переключатель масштаба 1, 0.1, 0.01, 0.001 мм.
На данный момент эта конфигурация отлажена и работает без сбоев. Вопрос состоит в следующем - нужно ли все вышеперечисленное на пульте или было бы неплохо туда еще чего-нибудь добавить для полного счастья? У меня фантазия закончилась...
Спасибо!
-
vladimir74
- Почётный участник

- Сообщения: 544
- Зарегистрирован: 25 май 2011, 14:14
- Репутация: 19
- Откуда: Магнитогорск
- Контактная информация:
Re: ЧПУ пульты
может быть мр3 плеер?
кнопки HOME нет, мне кажется с пульта удобно будет.
кнопки HOME нет, мне кажется с пульта удобно будет.
- Nick
- Мастер
- Сообщения: 22776
- Зарегистрирован: 23 ноя 2009, 16:45
- Репутация: 1735
- Заслуга: Developer
- Откуда: Gatchina, Saint-Petersburg distr., Russia
- Контактная информация:
Re: ЧПУ пульты
вот строка загрузки компонента: loadusr -W hal_input usb-0000:00:1f.4-1/input0 usb-0000:00:1f.4-1/input1adif писал(а):В смысле связанные с движением? Вот здесь показано как уже пульт подключен через этот USB HID Interface card for Linux EMC http://www.cnc-tekniikka.com/CNC-forum1 ... 94#msg3794
Для устройств ввода не критичных к задержкам он пойдет (хотя энкодер мпг может взглюкнуть). Т.е. для пульта пойдет, но например энкодер оси через него не стоит подключать. Или вывод на пины двигателей или драйверов тоже не стоит.
- Тима
- Почётный участник

- Сообщения: 3162
- Зарегистрирован: 01 мар 2012, 20:47
- Репутация: 1089
- Настоящее имя: Тимур
- Откуда: КБР
- Контактная информация:
Re: ЧПУ пульты
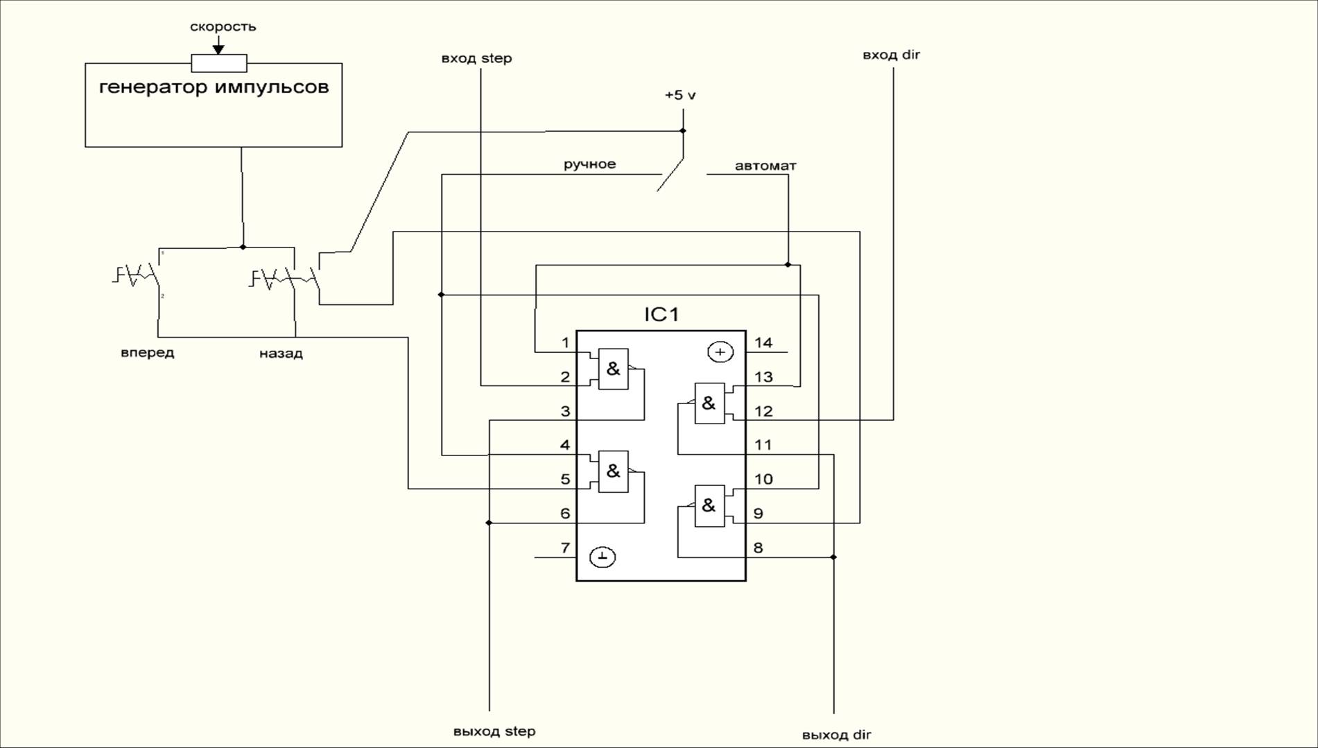
Набросал небольшую схемку пульта на ттл-логике, который должен работать и без компа. Блок будет иметь два разъема под LPT(вход-выход) и питание 5 вольт! Выход с порта компа подключается к блоку, а выход блока к контроллеру. на блоке управления имеется(будет иметься) переключатель с ручного в автомат На каждый канал идет одна микросхема к155ли1.
Прошу посмотреть схемку, и сказать имеет ли это"чудо" право на жизнь?
Прошу посмотреть схемку, и сказать имеет ли это"чудо" право на жизнь?
Дорогу осилит идущий!
Я все пойму, Вы только дайте денег!!!
Я все пойму, Вы только дайте денег!!!
-
aftaev
- Зачётный участник

- Сообщения: 34042
- Зарегистрирован: 04 апр 2010, 19:22
- Репутация: 6194
- Откуда: Казахстан.
- Контактная информация:
Re: ЧПУ пульты
Нужно ось медленно разгонять. Вставил подстроечником среднюю скорость и нажал вперед ось резко дерниться и проустит шаги. Если портал с 2мя двигами может перекосить.
Дилетанту сложные вещи кажутся очень простыми, и только профессионал понимает насколько сложна самая простая вещь
Кто хочет - ищет возможности, кто не хочет - ищет оправдание.
Найди работу по душе и тебе не придется работать.
Кто хочет - ищет возможности, кто не хочет - ищет оправдание.
Найди работу по душе и тебе не придется работать.
- Тима
- Почётный участник

- Сообщения: 3162
- Зарегистрирован: 01 мар 2012, 20:47
- Репутация: 1089
- Настоящее имя: Тимур
- Откуда: КБР
- Контактная информация:
Re: ЧПУ пульты
Понятно! А есть выход из данной ситуации, в плане доработки данной схемы?
Дорогу осилит идущий!
Я все пойму, Вы только дайте денег!!!
Я все пойму, Вы только дайте денег!!!
- Lexxa
- Мастер
- Сообщения: 2703
- Зарегистрирован: 16 дек 2011, 16:48
- Репутация: 319
- Настоящее имя: Алексей
- Откуда: ryazan
- Контактная информация:
Re: ЧПУ пульты
Помнится мне удобная штука была в headenhain. ТАм были два резистора переменных - первый для плавного регулирования подачи независимо от режима. Т.е. масштаб подачи. А второй - скорость вращения шпинделя. При наладке мегаудобно, особенно подачу крутить.zilk писал(а):Здравствуйте, коллеги!![]()
Хотел бы услышать ваше мнение об оптимальной конфигурации пульта - какой она должна быть? Т.е. какие кнопки, переключатели и пр. MPG должны быть размещены на его панели для максимальной функциональности и удобства, возможности производить какие-либо действия без участия клавиатуры и мышы?
Я, например, планирую сделать пульт в виде коробочки, висящей на вращающейся конструкции в виде изогнутой трубы, чтобы иметь возможность перемещать его в любое место рабочей зоны - на фрезере 6Б75ВФ1 такая есть в наличии изначально. На пульте предусмотрены следующие органы управления:
- кнопка E-Stop
- кнопка ON/OFF
- 2 кнопки RUN/STEP и PAUSE/RESUME
- кнопка FLOOD ON/OFF
- кнопка управления шпинделем FWD/REV/STOP
- MPG
- переключатель режимов AXIS 0, 1, 2, 3, 4, OFF, FEED OVERRIDE, SPINDLE OVERRIDE
- переключатель масштаба 1, 0.1, 0.01, 0.001 мм.
На данный момент эта конфигурация отлажена и работает без сбоев. Вопрос состоит в следующем - нужно ли все вышеперечисленное на пульте или было бы неплохо туда еще чего-нибудь добавить для полного счастья? У меня фантазия закончилась...![]()
Спасибо!
- Nick
- Мастер
- Сообщения: 22776
- Зарегистрирован: 23 ноя 2009, 16:45
- Репутация: 1735
- Заслуга: Developer
- Откуда: Gatchina, Saint-Petersburg distr., Russia
- Контактная информация:
Re: ЧПУ пульты
Надо в такой пульт все параметры станка зашивать (скорость+ускорение по осям (микрошаг)) + за координатами следить, чтобы за пределы не выбежать. И сами пределы обрабатывать.
Ей богу проще к EMC2 джойстик прикрутить и им управлять. Тогда и за пределы не убежишь и проблем со скоростью и ускорениями не будет, и много чего еще
.
Ей богу проще к EMC2 джойстик прикрутить и им управлять. Тогда и за пределы не убежишь и проблем со скоростью и ускорениями не будет, и много чего еще
- Тима
- Почётный участник

- Сообщения: 3162
- Зарегистрирован: 01 мар 2012, 20:47
- Репутация: 1089
- Настоящее имя: Тимур
- Откуда: КБР
- Контактная информация:
Re: ЧПУ пульты
Понял!
З.Ы. Это меня просто немного штормит на новые идеи, пока еще неопытный, "зеленый"
З.Ы. Это меня просто немного штормит на новые идеи, пока еще неопытный, "зеленый"
Дорогу осилит идущий!
Я все пойму, Вы только дайте денег!!!
Я все пойму, Вы только дайте денег!!!
-
aftaev
- Зачётный участник

- Сообщения: 34042
- Зарегистрирован: 04 апр 2010, 19:22
- Репутация: 6194
- Откуда: Казахстан.
- Контактная информация:
Re: ЧПУ пульты
Ручной MPG не есть удобный впультах,заменил бы его на джойстик.
Касаельно твоей идеи: пульты чаще всего применяются для подгонки инструмента к нужно точке. Подогнали, потом оси сбрасваем в нули. Когда подгоняем пультом что там в координатах показываем мало интерено. Так что товоя идея вполне воплотима.Тима писал(а):З.Ы. Это меня просто немного штормит на новые идеи, пока еще неопытный, "зеленый"
Дилетанту сложные вещи кажутся очень простыми, и только профессионал понимает насколько сложна самая простая вещь
Кто хочет - ищет возможности, кто не хочет - ищет оправдание.
Найди работу по душе и тебе не придется работать.
Кто хочет - ищет возможности, кто не хочет - ищет оправдание.
Найди работу по душе и тебе не придется работать.
- Nick
- Мастер
- Сообщения: 22776
- Зарегистрирован: 23 ноя 2009, 16:45
- Репутация: 1735
- Заслуга: Developer
- Откуда: Gatchina, Saint-Petersburg distr., Russia
- Контактная информация:
Re: ЧПУ пульты
Да, но при этом все равно не хотелось бы уехать за пределы осей в любом случае.aftaev писал(а):что там в координатах показываем мало интерено
А если случайно зажмешь кнопку и станок поедет спрыгивать с рельсов?
-
aftaev
- Зачётный участник

- Сообщения: 34042
- Зарегистрирован: 04 апр 2010, 19:22
- Репутация: 6194
- Откуда: Казахстан.
- Контактная информация:
Re: ЧПУ пульты
Нет у меня датчиков ХОМЕ и Лимитов и портал с рельс еще не спрыгивалNick писал(а):Да, но при этом все равно не хотелось бы уехать за пределы осей в любом случае.
Ну а потом что тако MPG? Это ручной генератор имульсов. Импульсы квадратичные генерируются в зависимости от скорости вращения. И его без проблем подключают к Мач/ЕМС.
А если взять генератор как Тима нарисовал и поставить потонциометр(джойстик). Чем сильнее отклоняем тем шустрее импульсы. И все это подключаем как MPG А если все это сделать на контроллере каком нибудь то можно сделать много наворотов. Например выбираем шаг перемещения 0,01мм 0,1мм 1мм 10мм(дергаем джойстик ось шагает) или постоянный переезд(чем сильнее джойстик отклоняем тем шустрее).
И пульт этот заводится как обычный пульт с MPG
В этом случае ускорение,слежение за лимитами и тд ложится на Мач/ЕМС
Дилетанту сложные вещи кажутся очень простыми, и только профессионал понимает насколько сложна самая простая вещь
Кто хочет - ищет возможности, кто не хочет - ищет оправдание.
Найди работу по душе и тебе не придется работать.
Кто хочет - ищет возможности, кто не хочет - ищет оправдание.
Найди работу по душе и тебе не придется работать.
- Тима
- Почётный участник

- Сообщения: 3162
- Зарегистрирован: 01 мар 2012, 20:47
- Репутация: 1089
- Настоящее имя: Тимур
- Откуда: КБР
- Контактная информация:
Re: ЧПУ пульты
Ну, если идея имеет право на существование, я планировал добавить в схему остановку по концевикам.Nick писал(а):Да, но при этом все равно не хотелось бы уехать за пределы осей в любом случае.
Надо попробовать!aftaev писал(а):поставить потонциометр(джойстик). Чем сильнее отклоняем тем шустрее импульсы. И все это подключаем как MPG
Если не найду, можно попробовать самому сварганить!
Дорогу осилит идущий!
Я все пойму, Вы только дайте денег!!!
Я все пойму, Вы только дайте денег!!!
- Nick
- Мастер
- Сообщения: 22776
- Зарегистрирован: 23 ноя 2009, 16:45
- Репутация: 1735
- Заслуга: Developer
- Откуда: Gatchina, Saint-Petersburg distr., Russia
- Контактная информация:
Re: ЧПУ пульты
К linuxcnc можно подключить любой джойстик, даже без мпг, хоть от Dandy 
- Тима
- Почётный участник

- Сообщения: 3162
- Зарегистрирован: 01 мар 2012, 20:47
- Репутация: 1089
- Настоящее имя: Тимур
- Откуда: КБР
- Контактная информация:
Re: ЧПУ пульты
Ну, тут сама идея была в том, чтоб можно было управлять станком без компа!Nick писал(а):К linuxcnc можно подключить любой джойстик, даже без мпг, хоть от Dandy
А где про это можно почитать?Nick писал(а):подключить любой джойстик..... хоть от Dandy
Дорогу осилит идущий!
Я все пойму, Вы только дайте денег!!!
Я все пойму, Вы только дайте денег!!!
- Nick
- Мастер
- Сообщения: 22776
- Зарегистрирован: 23 ноя 2009, 16:45
- Репутация: 1735
- Заслуга: Developer
- Откуда: Gatchina, Saint-Petersburg distr., Russia
- Контактная информация:
Re: ЧПУ пульты
Вот например: EMC2 и Joystick #2Тима писал(а):А где про это можно почитать?
Правда до ума я так и не довел конфиг, попробовал, что работает и на этом забросил
