Можешь ошибку по подробнее показать?
вот собственно под спойлером
Можешь ошибку по подробнее показать?


При посылке команды "S0" на выводе будет в любом случае 0 вольт, и при команде "S1000" 5 вольт, в результате чего это не отличается от того отдельного вывода, т.к. при этих значения шим-а вроде нет.ozzy_sv писал(а):понял, на днях обновлюсь
еще один вопрос, в grbl 1.1 для версии на меге 328 убрали пин включения шпинделя (Spindle Enable D12) , и добавили шим выход скорости для шпинделя / лазера

Это было сделано еще в версии 0.9 когда добавили PWM. На Atmege328 тупо пинов не хватает чтобы все задействовать, но по моему через config.h можно вместо Spindle Derection задействовать Spindle Enable. Там много что можно поменять и при желании разобраться будет не очень сложно.ozzy_sv писал(а):еще один вопрос, в grbl 1.1 для версии на меге 328 убрали пин включения шпинделя (Spindle Enable D12) , и добавили шим выход скорости для шпинделя / лазера
т.е. получается включение / выключение шпинделя теперь производится вручную ?
з.ы. а вот на версии стм32 как раз этот выход есть (Spindle Enable - PB0)
Имей ввиду драйвера именно с сайта Intel а не те которые винда автоматом ставит.ozzy_sv писал(а):понял, на днях обновлюсь
При S0 точно будет 0 в. а вот при S1000 честно говоря не помню, посмотри осцилографом.selenur писал(а):При посылке команды "S0" на выводе будет в любом случае 0 вольт, и при команде "S1000" 5 вольт, в результате чего это не отличается от того отдельного вывода, т.к. при этих значения шим-а вроде нет.

В 0.8 версии точно было...staltech писал(а):S1000 честно говоря не помню, посмотри осцилографом.

Об этом лучше почитать на гитхабе, в ответах самого автора. Одновременная поддержка как Atmega так и STM32 задача геморойная. На одну может времени не хватать.ozzy_sv писал(а):ну тогда я автора grbl не понимаю, почему не перейти на более продвинутую платформу, тот же стм, раз возможности/ресурсы меги 328 исчерпаны
популярность от этого не пострадает , так как на grbl завязано достаточно много софта
отпугивает то что нет единого стандарта и получается можно выкрутить такое что через полгода/год при обновлении п.о. и не вспомниш как
все, буду эксперементировать

Рад бы, но здесь мне помочь не чем. Я не сторонник фрезерования плат и никогда этого даже не пробовал делать. Попробуй к Сергею Selenur обратиться.63ru писал(а):staltech подскажи как твою плату для фрезерования подготовить, пробую как у ребят в темеh
попытаюсь еще, вариантов много в нете.. спасибо..staltech писал(а):Рад бы, но здесь мне помочь не чем. Я не сторонник фрезерования плат и никогда этого даже не пробовал делать. Попробуй к Сергею Selenur обратиться..63ru писал(а):staltech подскажи как твою плату для фрезерования подготовить, пробую как у ребят в темеh
жду с нетерпением схемы )) 4 ось ? PWM-> 0..10 В ?Компонент платки на STM32F103C8T6 для Diptrace сделал могу скинуть. Сегодня может накидаю схему контроллера с его использованием.

Я имею ввиду не стмку, а плату целиком.ozzy_sv писал(а):прикрепил архив с нужной стмкой
63ru писал(а):жду с нетерпением схемы )) 4 ось ?
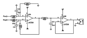
Есть простые решения на полевиках, но у меня нет их в наличии чтобы проверить. Пока не решил как лучше реализовать этот преобразователь.63ru писал(а):PWM-> 0..10 В ?
по прошивке помню, был разговор.. немного ковырялся.. возникли вопросы..staltech писал(а):
Я не буду заниматься с прошивкой под STM32 (уже писал об этом), думал ты сам хочешь попробовать.Есть простые решения на полевиках, но у меня нет их в наличии чтобы проверить. Пока не решил как лучше реализовать этот преобразователь.63ru писал(а):PWM-> 0..10 В ?
Если есть какие предложения по преобразователю PWM-> 0..10 В выкладывайте...

Там еще и минимума на сколько помню не будет, нужно операционник rail to rail ставить. Или двухполярное питание, то есть твоя схема.UAVpilot писал(а):Проверенная и надёжная схема.
В схеме от 63ru низкоомная нагрузка например в 10-20к (обычное значение для частотников) будет занижать максимум и ухудшать линейность.

От этого будет зависеть разводка платы. По этому я пока просто сделаю предварительные наброски схемы и платы. А там видно будет.63ru писал(а):по прошивке помню, был разговор.. немного ковырялся.. возникли вопросы..
