Попытка совместной разработки GRBL контроллера

Контроллеры, драйверы, датчики, управляющие устройства.
ozzy_sv
Кандидат
Сообщения: 59
Зарегистрирован: 24 дек 2016, 22:54
Репутация: 9
Контактная информация:

Re: Попытка совместной разработки GRBL контроллера

Сообщение ozzy_sv »

Можешь ошибку по подробнее показать?

вот собственно под спойлером
Аватара пользователя
staltech
Почётный участник
Почётный участник
Сообщения: 544
Зарегистрирован: 01 июл 2016, 22:50
Репутация: 155
Настоящее имя: Сергей
Откуда: Пензенская обл., г. Никольск
Контактная информация:

Re: Попытка совместной разработки GRBL контроллера

Сообщение staltech »

Ошибка связана с поддержкой OpenGL, попробуй установить свежие драйвера с сайта Intel для проца. Судя по ошибке проц интеловский со встроенной графикой.
ozzy_sv
Кандидат
Сообщения: 59
Зарегистрирован: 24 дек 2016, 22:54
Репутация: 9
Контактная информация:

Re: Попытка совместной разработки GRBL контроллера

Сообщение ozzy_sv »

понял, на днях обновлюсь

еще один вопрос, в grbl 1.1 для версии на меге 328 убрали пин включения шпинделя (Spindle Enable D12) , и добавили шим выход скорости для шпинделя / лазера

т.е. получается включение / выключение шпинделя теперь производится вручную ?

з.ы. а вот на версии стм32 как раз этот выход есть (Spindle Enable - PB0) :cheesy:
Аватара пользователя
selenur
Почётный участник
Почётный участник
Сообщения: 4605
Зарегистрирован: 21 авг 2013, 19:44
Репутация: 1622
Настоящее имя: Сергей
Откуда: Новый Уренгой
Контактная информация:

Re: Попытка совместной разработки GRBL контроллера

Сообщение selenur »

ozzy_sv писал(а):понял, на днях обновлюсь

еще один вопрос, в grbl 1.1 для версии на меге 328 убрали пин включения шпинделя (Spindle Enable D12) , и добавили шим выход скорости для шпинделя / лазера
При посылке команды "S0" на выводе будет в любом случае 0 вольт, и при команде "S1000" 5 вольт, в результате чего это не отличается от того отдельного вывода, т.к. при этих значения шим-а вроде нет.
Мой сайт: http://selenur.ru
Исходники моих программ: https://github.com/selenur
Instagram https://www.instagram.com/zheigurov/
Аватара пользователя
staltech
Почётный участник
Почётный участник
Сообщения: 544
Зарегистрирован: 01 июл 2016, 22:50
Репутация: 155
Настоящее имя: Сергей
Откуда: Пензенская обл., г. Никольск
Контактная информация:

Re: Попытка совместной разработки GRBL контроллера

Сообщение staltech »

ozzy_sv писал(а):еще один вопрос, в grbl 1.1 для версии на меге 328 убрали пин включения шпинделя (Spindle Enable D12) , и добавили шим выход скорости для шпинделя / лазера

т.е. получается включение / выключение шпинделя теперь производится вручную ?

з.ы. а вот на версии стм32 как раз этот выход есть (Spindle Enable - PB0)
Это было сделано еще в версии 0.9 когда добавили PWM. На Atmege328 тупо пинов не хватает чтобы все задействовать, но по моему через config.h можно вместо Spindle Derection задействовать Spindle Enable. Там много что можно поменять и при желании разобраться будет не очень сложно.
ozzy_sv писал(а):понял, на днях обновлюсь
Имей ввиду драйвера именно с сайта Intel а не те которые винда автоматом ставит. ;)
selenur писал(а):При посылке команды "S0" на выводе будет в любом случае 0 вольт, и при команде "S1000" 5 вольт, в результате чего это не отличается от того отдельного вывода, т.к. при этих значения шим-а вроде нет.
При S0 точно будет 0 в. а вот при S1000 честно говоря не помню, посмотри осцилографом.
Аватара пользователя
selenur
Почётный участник
Почётный участник
Сообщения: 4605
Зарегистрирован: 21 авг 2013, 19:44
Репутация: 1622
Настоящее имя: Сергей
Откуда: Новый Уренгой
Контактная информация:

Re: Попытка совместной разработки GRBL контроллера

Сообщение selenur »

staltech писал(а):S1000 честно говоря не помню, посмотри осцилографом.
В 0.8 версии точно было...
Ну на крайняк можно кондер подключить, он погасит ШИМ, и будет ровный сигнал.
Мой сайт: http://selenur.ru
Исходники моих программ: https://github.com/selenur
Instagram https://www.instagram.com/zheigurov/
ozzy_sv
Кандидат
Сообщения: 59
Зарегистрирован: 24 дек 2016, 22:54
Репутация: 9
Контактная информация:

Re: Попытка совместной разработки GRBL контроллера

Сообщение ozzy_sv »

ну тогда я автора grbl не понимаю, почему не перейти на более продвинутую платформу, тот же стм, раз возможности/ресурсы меги 328 исчерпаны
популярность от этого не пострадает , так как на grbl завязано достаточно много софта

отпугивает то что нет единого стандарта и получается можно выкрутить такое что через полгода/год при обновлении п.о. и не вспомниш как :thinking:

все, буду эксперементировать
Аватара пользователя
staltech
Почётный участник
Почётный участник
Сообщения: 544
Зарегистрирован: 01 июл 2016, 22:50
Репутация: 155
Настоящее имя: Сергей
Откуда: Пензенская обл., г. Никольск
Контактная информация:

Re: Попытка совместной разработки GRBL контроллера

Сообщение staltech »

ozzy_sv писал(а):ну тогда я автора grbl не понимаю, почему не перейти на более продвинутую платформу, тот же стм, раз возможности/ресурсы меги 328 исчерпаны
популярность от этого не пострадает , так как на grbl завязано достаточно много софта

отпугивает то что нет единого стандарта и получается можно выкрутить такое что через полгода/год при обновлении п.о. и не вспомниш как

все, буду эксперементировать
Об этом лучше почитать на гитхабе, в ответах самого автора. Одновременная поддержка как Atmega так и STM32 задача геморойная. На одну может времени не хватать.
Пока сам не попробуешь не узнаешь. ;)

Да имей ввиду драйвера под проц именно с сайта Intel, а не те которые винда подсовывает.
63ru
Новичок
Сообщения: 24
Зарегистрирован: 25 дек 2016, 21:01
Репутация: 1
Настоящее имя: Валерий
Контактная информация:

Re: Попытка совместной разработки GRBL контроллера

Сообщение 63ru »

staltech подскажи как твою плату для фрезерования подготовить, пробую как у ребят в темеhttp://www.cnc-club.ru/forum/viewtopic.php?f=28&t=10468
не выходит...
artcam2012
diptrace 3
....
вот так выглядит импорт в арткаме:
Вложения
artplata328.gif (3345 просмотров) <a class='original' href='./download/file.php?id=99477&mode=view' target=_blank>Загрузить оригинал (161.17 КБ)</a>
Аватара пользователя
staltech
Почётный участник
Почётный участник
Сообщения: 544
Зарегистрирован: 01 июл 2016, 22:50
Репутация: 155
Настоящее имя: Сергей
Откуда: Пензенская обл., г. Никольск
Контактная информация:

Re: Попытка совместной разработки GRBL контроллера

Сообщение staltech »

63ru писал(а):staltech подскажи как твою плату для фрезерования подготовить, пробую как у ребят в темеh
Рад бы, но здесь мне помочь не чем. Я не сторонник фрезерования плат и никогда этого даже не пробовал делать. Попробуй к Сергею Selenur обратиться.
Компонент платки на STM32F103C8T6 для Diptrace сделал могу скинуть. Сегодня может накидаю схему контроллера с его использованием.
ozzy_sv
Кандидат
Сообщения: 59
Зарегистрирован: 24 дек 2016, 22:54
Репутация: 9
Контактная информация:

Re: Попытка совместной разработки GRBL контроллера

Сообщение ozzy_sv »

прикрепил архив с нужной стмкой
stm32.zip
diptrace lib
(20.9 КБ) 423 скачивания
Вложения
zzz.png (3335 просмотров) <a class='original' href='./download/file.php?id=99478&mode=view' target=_blank>Загрузить оригинал (245.05 КБ)</a>
63ru
Новичок
Сообщения: 24
Зарегистрирован: 25 дек 2016, 21:01
Репутация: 1
Настоящее имя: Валерий
Контактная информация:

Re: Попытка совместной разработки GRBL контроллера

Сообщение 63ru »

staltech писал(а):
63ru писал(а):staltech подскажи как твою плату для фрезерования подготовить, пробую как у ребят в темеh
Рад бы, но здесь мне помочь не чем. Я не сторонник фрезерования плат и никогда этого даже не пробовал делать. Попробуй к Сергею Selenur обратиться..
попытаюсь еще, вариантов много в нете.. спасибо..
Компонент платки на STM32F103C8T6 для Diptrace сделал могу скинуть. Сегодня может накидаю схему контроллера с его использованием.
жду с нетерпением схемы )) 4 ось ? PWM-> 0..10 В ?

да и компонент пригодится думаю..
Аватара пользователя
staltech
Почётный участник
Почётный участник
Сообщения: 544
Зарегистрирован: 01 июл 2016, 22:50
Репутация: 155
Настоящее имя: Сергей
Откуда: Пензенская обл., г. Никольск
Контактная информация:

Re: Попытка совместной разработки GRBL контроллера

Сообщение staltech »

ozzy_sv писал(а):прикрепил архив с нужной стмкой
Я имею ввиду не стмку, а плату целиком. ;)
https://ru.aliexpress.com/item/Free-Shi ... 0.0.6ENH02
63ru писал(а):жду с нетерпением схемы )) 4 ось ?

Я не буду заниматься с прошивкой под STM32 (уже писал об этом), думал ты сам хочешь попробовать.
63ru писал(а):PWM-> 0..10 В ?
Есть простые решения на полевиках, но у меня нет их в наличии чтобы проверить. Пока не решил как лучше реализовать этот преобразователь.
Если есть какие предложения по преобразователю PWM-> 0..10 В выкладывайте...
63ru
Новичок
Сообщения: 24
Зарегистрирован: 25 дек 2016, 21:01
Репутация: 1
Настоящее имя: Валерий
Контактная информация:

Re: Попытка совместной разработки GRBL контроллера

Сообщение 63ru »

staltech писал(а):
Я не буду заниматься с прошивкой под STM32 (уже писал об этом), думал ты сам хочешь попробовать.
63ru писал(а):PWM-> 0..10 В ?
Есть простые решения на полевиках, но у меня нет их в наличии чтобы проверить. Пока не решил как лучше реализовать этот преобразователь.
Если есть какие предложения по преобразователю PWM-> 0..10 В выкладывайте...
по прошивке помню, был разговор.. немного ковырялся.. возникли вопросы..
сейчас пока отложил это.. разбираюсь с обработкой графики для граверовки.
по поводу PWM как то вот так:
Вложения
pwm.jpg
pwm.jpg (9.84 КБ) 3319 просмотров
Аватара пользователя
Serg
Мастер
Сообщения: 21923
Зарегистрирован: 17 апр 2012, 14:58
Репутация: 5183
Заслуга: c781c134843e0c1a3de9
Настоящее имя: Сергей
Откуда: Москва
Контактная информация:

Re: Попытка совместной разработки GRBL контроллера

Сообщение Serg »

yapsc-pwm.png (3317 просмотров) <a class='original' href='./download/file.php?id=99482&mode=view' target=_blank>Загрузить оригинал (13.27 КБ)</a>
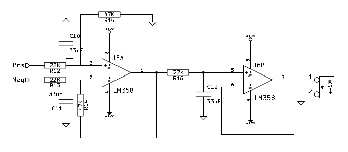
Проверенная и надёжная схема.

В схеме от 63ru низкоомная нагрузка например в 10-20к (обычное значение для частотников) будет занижать максимум и ухудшать линейность.
Я не Христос, рыбу не раздаю, но могу научить, как сделать удочку...
ozzy_sv
Кандидат
Сообщения: 59
Зарегистрирован: 24 дек 2016, 22:54
Репутация: 9
Контактная информация:

Re: Попытка совместной разработки GRBL контроллера

Сообщение ozzy_sv »

резистор в обратной связи оу можно сделать подстроечным, чтобы от уровня питания регулировать максимальное напряжение
Аватара пользователя
staltech
Почётный участник
Почётный участник
Сообщения: 544
Зарегистрирован: 01 июл 2016, 22:50
Репутация: 155
Настоящее имя: Сергей
Откуда: Пензенская обл., г. Никольск
Контактная информация:

Re: Попытка совместной разработки GRBL контроллера

Сообщение staltech »

UAVpilot писал(а):Проверенная и надёжная схема.
В схеме от 63ru низкоомная нагрузка например в 10-20к (обычное значение для частотников) будет занижать максимум и ухудшать линейность.
Там еще и минимума на сколько помню не будет, нужно операционник rail to rail ставить. Или двухполярное питание, то есть твоя схема.
Вот я теперь и задумался, а стоит ли это все на плату контроллера пихать. :wik: Может пусть каждый по своему делает...
Аватара пользователя
staltech
Почётный участник
Почётный участник
Сообщения: 544
Зарегистрирован: 01 июл 2016, 22:50
Репутация: 155
Настоящее имя: Сергей
Откуда: Пензенская обл., г. Никольск
Контактная информация:

Re: Попытка совместной разработки GRBL контроллера

Сообщение staltech »

63ru писал(а):по прошивке помню, был разговор.. немного ковырялся.. возникли вопросы..
От этого будет зависеть разводка платы. По этому я пока просто сделаю предварительные наброски схемы и платы. А там видно будет.
По возможности помогу с корректировкой прошивки. Только имей ввиду если автор GRBL будет выпускать новые версии или делать исправления, то актуальности форка в какой то степени не добиться. То есть эта версия будет сама по себе. ;)
Аватара пользователя
staltech
Почётный участник
Почётный участник
Сообщения: 544
Зарегистрирован: 01 июл 2016, 22:50
Репутация: 155
Настоящее имя: Сергей
Откуда: Пензенская обл., г. Никольск
Контактная информация:

Re: Попытка совместной разработки GRBL контроллера

Сообщение staltech »

Файлы по проекту для STM32F103C8T6 (компонент платки Forarduino для DipTrace и часть схемы.)
Вложения
FORARDUINO.ZIP
(58.92 КБ) 450 скачиваний
ozzy_sv
Кандидат
Сообщения: 59
Зарегистрирован: 24 дек 2016, 22:54
Репутация: 9
Контактная информация:

Re: Попытка совместной разработки GRBL контроллера

Сообщение ozzy_sv »

я извиняюсь за то, что опять лезу в товарный ряд свои рылом ;)

читал тему https://github.com/gnea/grbl/issues/67 автор вроде как хочет перевести grbl на новую платформу и составить конкуренцию linuxcnc (из того написанного что я понял)
но почему то прицепился к камню SAMD21 (atmel), хотя ему предлагали cortex m4 и тот же stm32f103 , который дешевле в раза три за SAMD21 .. но автор стоит на своем..
так вот к чему я это , пор тировать самому или использовать готовый порт для текущей версии то можно но в дальнейшем поддержки не видать как своих ушей, может стоит подождать автора ? ну или использовать atmega2560 что скажите господа ?


staltech , candle после обновления драйвера видеокарты с сайта интела заработала , спасибо еще раз
Ответить

Вернуться в «Электроника»