Обычно концевики делают двухуровневыми. Первый уровень заводится в ЧПУ и/или в сервоусилитель, при наезде на него (например из-за ошибки опреатора) логика ЧПУ/сервы позволяет съехать с него в противоположную сторонону. Второй уровень включается в цепь аварийного отключения (например аналогично кнопке E-STOP), наезд на такой концевик считается серьёзной аварией "железа" и съезд с него и продолжение работы "своими силами" невозможен, только с помощью специального человека, который выяснит причину наезда, устранит её и, как правило с помощью специального ключика, осуществит съезд с такого концевика.SVP писал(а):Я так и не понял, как по твоему мнению должны с концевиков съезжать обесточенные сервы...
Шкаф портальника на сервах. Нужен совет.
- Serg
- Мастер
- Сообщения: 21923
- Зарегистрирован: 17 апр 2012, 14:58
- Репутация: 5183
- Заслуга: c781c134843e0c1a3de9
- Настоящее имя: Сергей
- Откуда: Москва
- Контактная информация:
Re: Шкаф портальника на сервах. Нужен совет.
Я не Христос, рыбу не раздаю, но могу научить, как сделать удочку...
- Hanter
- Мастер
- Сообщения: 5414
- Зарегистрирован: 27 янв 2012, 14:52
- Репутация: 4338
- Настоящее имя: Алексей
- Откуда: Питер
- Контактная информация:
Re: Шкаф портальника на сервах. Нужен совет.
а можно поинтересоваться на каком современном оборудовании так сделано ?? чисто в целях самообразования.. а то ниразу не встречал...
срабатывание концевика подключенного к сервопаку не блокирует (если специально не выставлено) движение в противоположном направлении..
на всем доступном оборудовании, со стойками фанук, сименс, мицу для схода с концевика существует отдельная кнопка.
выглядит это так - доехали до концевика. станок встал. загорелся красный индикатор на стойке огней и сообщение на экране. все движения заблокировались.
нажали кнопку, сдвинули станок с концевика, отпустили кнопку - сообщение пропало, индикатор погас.. все спокойно ездит...
никаких дополнительных концевиков нету. если надо - сниму видео... почему и куда должен ехать станок после срабатывания лимита - для меня загадка..
почему должен не сработать механический лимит, особенно учитывая что они все нормально-замкнутые - тоже непонятно....
срабатывание концевика подключенного к сервопаку не блокирует (если специально не выставлено) движение в противоположном направлении..
на всем доступном оборудовании, со стойками фанук, сименс, мицу для схода с концевика существует отдельная кнопка.
выглядит это так - доехали до концевика. станок встал. загорелся красный индикатор на стойке огней и сообщение на экране. все движения заблокировались.
нажали кнопку, сдвинули станок с концевика, отпустили кнопку - сообщение пропало, индикатор погас.. все спокойно ездит...
никаких дополнительных концевиков нету. если надо - сниму видео... почему и куда должен ехать станок после срабатывания лимита - для меня загадка..
почему должен не сработать механический лимит, особенно учитывая что они все нормально-замкнутые - тоже непонятно....
Опыт - это когда на смену вопросам: "Что? Где? Когда? Как? Почему?" Приходит единственный вопрос: "Нахрена?"
==========================================
фрезерная и токарная обработка на станках с чпу.
Резка, гибка, сварка и порошковая окраса.
==========================================
фрезерная и токарная обработка на станках с чпу.
Резка, гибка, сварка и порошковая окраса.
- ScrewDriver
- Мастер
- Сообщения: 1942
- Зарегистрирован: 06 сен 2016, 01:44
- Репутация: 498
- Настоящее имя: Василий
- Откуда: Москва
- Контактная информация:
Re: Шкаф портальника на сервах. Нужен совет.
про современное не скажу, но подобное встречал лет 15 назад на каких-то советских (а может и не советских, кто их разберет) станках.Hanter писал(а):современном
Именно когда два комплекта концевиков - одни из них аварийные и съезд с них был возможен только с помощью такой-то матери.
Деталей уже не помню от слова совсем.
Промышленная автоматика, ПЛК, приводы, SCADA системы
Мой Ютуб канал.
Мой Ютуб канал.
-
Nikomas
- Мастер
- Сообщения: 721
- Зарегистрирован: 07 янв 2012, 14:31
- Репутация: 64
- Откуда: Беларусь
- Контактная информация:
Re: Шкаф портальника на сервах. Нужен совет.
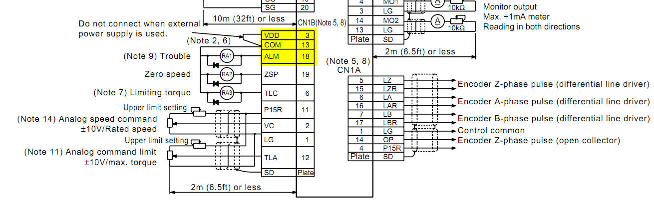
Ерунда какая-то происходит. Никак не могу разорвать цепь ошибки усилка (вых. 13, 18 - CN1B)...
- Hanter
- Мастер
- Сообщения: 5414
- Зарегистрирован: 27 янв 2012, 14:52
- Репутация: 4338
- Настоящее имя: Алексей
- Откуда: Питер
- Контактная информация:
Re: Шкаф портальника на сервах. Нужен совет.
во! на советских, с древними аналоговыми драйверами - таки да!! я потому и указал про современное оборудование что на моей памяти эта тема с кучей концевиков сгинула давным давно. даже более менее современные (ну 90-ых, 2000-ых годов) аналоговые усилители понимают сработку лимитов в разных направлениях...
Опыт - это когда на смену вопросам: "Что? Где? Когда? Как? Почему?" Приходит единственный вопрос: "Нахрена?"
==========================================
фрезерная и токарная обработка на станках с чпу.
Резка, гибка, сварка и порошковая окраса.
==========================================
фрезерная и токарная обработка на станках с чпу.
Резка, гибка, сварка и порошковая окраса.
-
SVP
- Мастер
- Сообщения: 6140
- Зарегистрирован: 19 дек 2012, 15:49
- Репутация: 884
- Откуда: Москва
- Контактная информация:
Re: Шкаф портальника на сервах. Нужен совет.
Обычно туда еще и питание надо не забыть подать...Nikomas писал(а): Никак не могу разорвать цепь ошибки усилка (вых. 13, 18 - CN1B)...
(не туда конкретно, а куда-то в пак, чтобы работала эта часть)
-
Nikomas
- Мастер
- Сообщения: 721
- Зарегистрирован: 07 янв 2012, 14:31
- Репутация: 64
- Откуда: Беларусь
- Контактная информация:
Re: Шкаф портальника на сервах. Нужен совет.
Питание подается на внутренний блок питания. Без этого слаботочка работать не будет. Конечно я его подал.SVP писал(а):Обычно туда еще и питание надо не забыть подать...
- ScrewDriver
- Мастер
- Сообщения: 1942
- Зарегистрирован: 06 сен 2016, 01:44
- Репутация: 498
- Настоящее имя: Василий
- Откуда: Москва
- Контактная информация:
Re: Шкаф портальника на сервах. Нужен совет.
а плюс на аларм завел?Nikomas писал(а):Конечно я его подал.
В описании сказано, что выдача 1-ки на алармом - это нормальное состояние. Как только будет ноль - значит авария.
Последний раз редактировалось ScrewDriver 31 янв 2017, 16:31, всего редактировалось 1 раз.
Промышленная автоматика, ПЛК, приводы, SCADA системы
Мой Ютуб канал.
Мой Ютуб канал.
-
Nikomas
- Мастер
- Сообщения: 721
- Зарегистрирован: 07 янв 2012, 14:31
- Репутация: 64
- Откуда: Беларусь
- Контактная информация:
Re: Шкаф портальника на сервах. Нужен совет.
Сделал именно так: Я так понимаю что аварию разорвет только бОльшее количество рассогласования импульсов, а не разрыв EMG, напримерScrewDriver писал(а):а плюс на аларм завел?
Последний раз редактировалось Nikomas 31 янв 2017, 16:29, всего редактировалось 1 раз.
- ScrewDriver
- Мастер
- Сообщения: 1942
- Зарегистрирован: 06 сен 2016, 01:44
- Репутация: 498
- Настоящее имя: Василий
- Откуда: Москва
- Контактная информация:
Re: Шкаф портальника на сервах. Нужен совет.
погоди, это ж картинка для цифрового выхода, а не входа.Nikomas писал(а):Сделал именно так:
плюс подавать никуда не надо.... что-то я запутил....
ты чем-то хочешь управлять с сервы, выходом аларм?
Промышленная автоматика, ПЛК, приводы, SCADA системы
Мой Ютуб канал.
Мой Ютуб канал.
-
Nikomas
- Мастер
- Сообщения: 721
- Зарегистрирован: 07 янв 2012, 14:31
- Репутация: 64
- Откуда: Беларусь
- Контактная информация:
Re: Шкаф портальника на сервах. Нужен совет.
да, я хочу чтобы ошибка ALM на любом из усилков вкл. EMG на других усилках.ScrewDriver писал(а):ты чем-то хочешь управлять с сервы, выходом аларм?
- ScrewDriver
- Мастер
- Сообщения: 1942
- Зарегистрирован: 06 сен 2016, 01:44
- Репутация: 498
- Настоящее имя: Василий
- Откуда: Москва
- Контактная информация:
Re: Шкаф портальника на сервах. Нужен совет.
я бы поставил на каждую серву по релюшке на выходы ALM, а дальше уже контактами реле подавал на входы серв.Nikomas писал(а):да, я хочу чтобы ошибка ALM на любом из усилков вкл. EMG на других усилках.
только смотри, чтобы ток катушки реле не превысил 40мА. и диодики не забыть.
аварию вызвать... попробуй провод энкодера отцепить совсем.
Промышленная автоматика, ПЛК, приводы, SCADA системы
Мой Ютуб канал.
Мой Ютуб канал.
-
Nikomas
- Мастер
- Сообщения: 721
- Зарегистрирован: 07 янв 2012, 14:31
- Репутация: 64
- Откуда: Беларусь
- Контактная информация:
Re: Шкаф портальника на сервах. Нужен совет.
Странно, но так сработало. Получается сигнал ALM рвется не на всех ошибках.ScrewDriver писал(а):аварию вызвать... попробуй провод энкодера отцепить совсем.
- ScrewDriver
- Мастер
- Сообщения: 1942
- Зарегистрирован: 06 сен 2016, 01:44
- Репутация: 498
- Настоящее имя: Василий
- Откуда: Москва
- Контактная информация:
Re: Шкаф портальника на сервах. Нужен совет.
Как это?Nikomas писал(а):Получается сигнал ALM рвется не на всех ошибках.
Промышленная автоматика, ПЛК, приводы, SCADA системы
Мой Ютуб канал.
Мой Ютуб канал.
-
Nikomas
- Мастер
- Сообщения: 721
- Зарегистрирован: 07 янв 2012, 14:31
- Репутация: 64
- Откуда: Беларусь
- Контактная информация:
Re: Шкаф портальника на сервах. Нужен совет.
А вот так. При вкл. EMG (разрыве конт. 15) на усилке появляется ошибка A E6. И эта ошибка не рвет ALM. Абсурд, но оно так и есть.ScrewDriver писал(а):Как это?
- ScrewDriver
- Мастер
- Сообщения: 1942
- Зарегистрирован: 06 сен 2016, 01:44
- Репутация: 498
- Настоящее имя: Василий
- Откуда: Москва
- Контактная информация:
Re: Шкаф портальника на сервах. Нужен совет.
ну это же внешняя ошибка, а не ошибка привода.Nikomas писал(а):А вот так. При вкл. EMG (разрыве конт. 15) на усилке появляется ошибка A E6. И эта ошибка не рвет ALM. Абсурд, но оно так и есть.
Выложил бы мануал - там где-то должно быть описание сработки выхода ALM в зависимости от ситуации.
Скорей всего и настроить можно при внешнем событии, чтоб срабатывало.
Промышленная автоматика, ПЛК, приводы, SCADA системы
Мой Ютуб канал.
Мой Ютуб канал.
-
Nikomas
- Мастер
- Сообщения: 721
- Зарегистрирован: 07 янв 2012, 14:31
- Репутация: 64
- Откуда: Беларусь
- Контактная информация:
Re: Шкаф портальника на сервах. Нужен совет.
https://www.artisantg.com/info/ATGofgao.pdfScrewDriver писал(а):Выложил бы мануал
-
Nikomas
- Мастер
- Сообщения: 721
- Зарегистрирован: 07 янв 2012, 14:31
- Репутация: 64
- Откуда: Беларусь
- Контактная информация:
Re: Шкаф портальника на сервах. Нужен совет.
Пользователь Merkwurdigliebe подсказал, что оказывается EMG это не ошибка, а всего лишь предупреждение (Warning).

© МицубишиА на предупреждения мы не реагируем
Последний раз редактировалось Nikomas 31 янв 2017, 17:27, всего редактировалось 1 раз.
- ScrewDriver
- Мастер
- Сообщения: 1942
- Зарегистрирован: 06 сен 2016, 01:44
- Репутация: 498
- Настоящее имя: Василий
- Откуда: Москва
- Контактная информация:
Re: Шкаф портальника на сервах. Нужен совет.
Ну я же говорил. АЕ6 это не авария, а предупреждение. UPD, о уже и без меня подсказали.Nikomas писал(а):на усилке появляется ошибка A E6
Советую прочитать мануал целиком - он не такой большой, многое станет понятно.
Промышленная автоматика, ПЛК, приводы, SCADA системы
Мой Ютуб канал.
Мой Ютуб канал.
-
Олег.
- Опытный
- Сообщения: 131
- Зарегистрирован: 20 ноя 2014, 19:18
- Репутация: 14
- Контактная информация:
Re: Шкаф портальника на сервах. Нужен совет.
Может почитать инструкцию на серву, наверняка какому либо входу можно назначить значение "Внешняя авария", и возможно есть даже выбор в других настройках реакцию на этот вход, обесточить движок, или тормозить с максимально возможной скоростью.
Рвать питание на драйвере во время движения....только если деньги девать некуда, в этот момент вероятность "сдохнуть" у драйвера очень высокая.
Не замечали, что у не старых инверторов и серваков, появились специальные входа с низким временем реакции, в соответствии с импортными гостами?
Не хотите убить оборудование, ставьте или спец. контроллер безопасности,
https://industrial.omron.ru/ru/products ... ety-system
Или простого малыша от Омрона или Дельты, и реализуйте на нём нужную именно вам последовательность аварийной остановки, так чтобы и не сломать ничего, и не убить, никого. Выйдет дешевле и надёжнее, чем логика на реле.
Рвать питание на драйвере во время движения....только если деньги девать некуда, в этот момент вероятность "сдохнуть" у драйвера очень высокая.
Не замечали, что у не старых инверторов и серваков, появились специальные входа с низким временем реакции, в соответствии с импортными гостами?
Не хотите убить оборудование, ставьте или спец. контроллер безопасности,
https://industrial.omron.ru/ru/products ... ety-system
Или простого малыша от Омрона или Дельты, и реализуйте на нём нужную именно вам последовательность аварийной остановки, так чтобы и не сломать ничего, и не убить, никого. Выйдет дешевле и надёжнее, чем логика на реле.