Пропал сигнал DIR, сломался драйвер?

Контроллеры, драйверы, датчики, управляющие устройства.
Аватара пользователя
AndyBig
Мастер
Сообщения: 3971
Зарегистрирован: 07 мар 2014, 04:01
Репутация: 1121
Откуда: юг России
Контактная информация:

Re: Пропал сигнал DIR, сломался драйвер?

Сообщение AndyBig »

Cross писал(а):проблема может крыться в некачественных кондерах, которые на холоде теряют емкость, замерзают, высыхают
Фигня какая-то :) Я еще могу понять когда кондер стоит в какой-то частотозадающей цепи, например. Тогда небольшое изменение его параметров может критично отразиться на работе прибора, но в цепи сигнала постоянного тока? Не, 100% не оно :)
Cross писал(а):Микротрещина на двух драйверах?
Непропай - запросто. Как пример - какие-то SMD-резисторы до монтажа хранились долго в неправильных условиях, что ухудшило смачиваемость припоем их контактов. Вроде запаяли и все работает, но при достаточной деформации платы (от температуры или встряски) оторвались от припоя. Причем визуально это не обнаружить, только прозвонкой, да и то без гарантии.
Еще бывает, что на некачественно изготовленных платах "рвется" металлизация переходных отверстий. Точнее металлизация отверстия отрывается от кольца фольги на одной из сторон платы. Но это бывает реже, чем отрыв контакта детали от припоя.
Нужно отслеживать пропадающий сигнал последовательно от самого входа до микросхемы драйвера или проца, искать где он пропадает.
Cross писал(а):Но говорят еще и проц может так глючить
Тоже один шанс из сотни тысяч.
Аватара пользователя
Cross
Опытный
Сообщения: 166
Зарегистрирован: 21 июл 2015, 18:29
Репутация: 4
Настоящее имя: Артем
Контактная информация:

Re: Пропал сигнал DIR, сломался драйвер?

Сообщение Cross »

sertix писал(а):Что моторы, что драйверы с логотипом слоника - это недоделки во всех отношениях! Эту фирму желательно обходить стороной...
В курсе, но так получилось... Покупал не я, и теперь расхлебывать...
Аватара пользователя
Cross
Опытный
Сообщения: 166
Зарегистрирован: 21 июл 2015, 18:29
Репутация: 4
Настоящее имя: Артем
Контактная информация:

Re: Пропал сигнал DIR, сломался драйвер?

Сообщение Cross »

Mamont писал(а):Кондеры маловероятно, платы то новые. У проблем один и тот же знаменатель.
Не проходят сигналы, то дир (в одну сторону), то степ (не крутится, но на удержание становится), то енабле ....
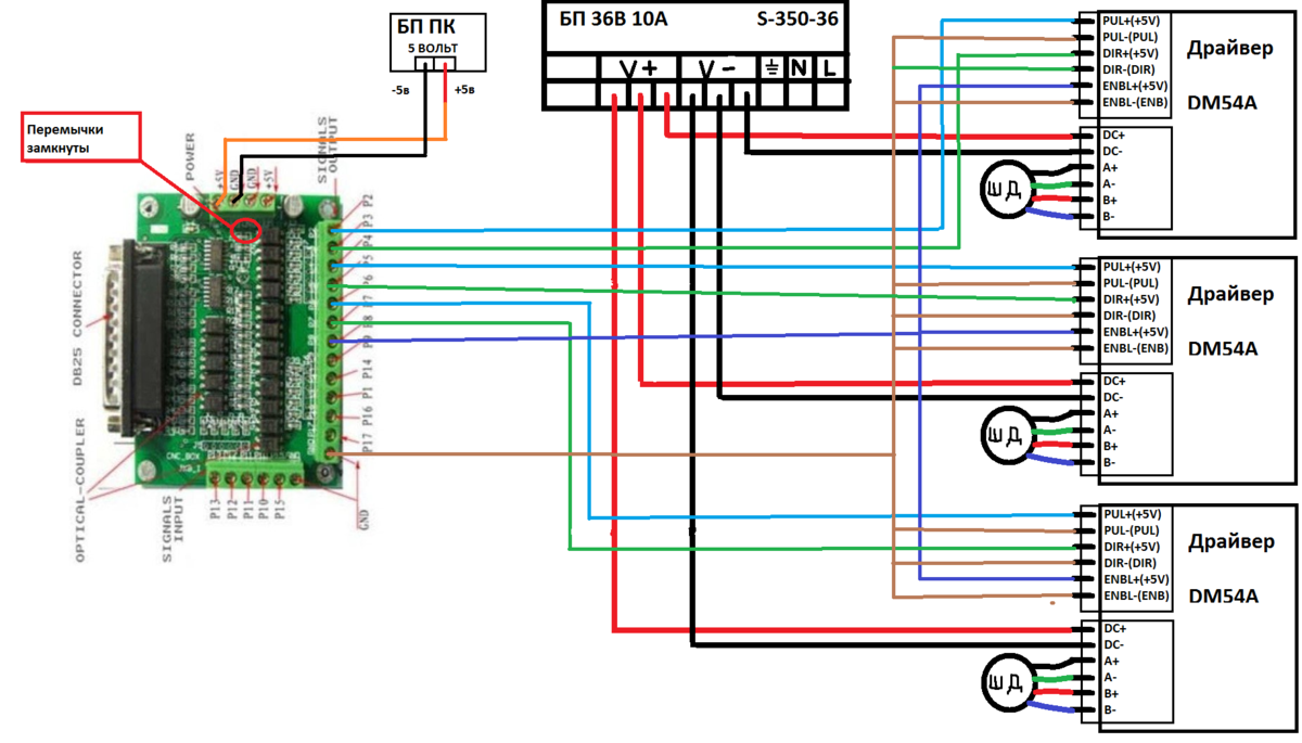
Накидай схему как подключал драйвера, питание, контролер
Когда на место плохого драйвера ставишь другой, все работает нормально. Он может вообще не подавать признаков жизни.

Вчера вот: КРУТИЛСЯ В ОДНУ СТОРОНУ, С РЫВКАМИ И ЗАЕДАНИЯМИ, после того, как я его вынес на холод специально. Подключал правильно, как все ибо оба других драйвера работают.
Аватара пользователя
Cross
Опытный
Сообщения: 166
Зарегистрирован: 21 июл 2015, 18:29
Репутация: 4
Настоящее имя: Артем
Контактная информация:

Re: Пропал сигнал DIR, сломался драйвер?

Сообщение Cross »

AndyBig писал(а):Нужно отслеживать пропадающий сигнал последовательно от самого входа до микросхемы драйвера или проца, искать где он пропадает.
А для этого мультиметра хватит? Чем отслеживать?
sidor094
Мастер
Сообщения: 826
Зарегистрирован: 20 фев 2014, 09:13
Репутация: 81
Настоящее имя: Сергей
Откуда: Москва
Контактная информация:

Re: Пропал сигнал DIR, сломался драйвер?

Сообщение sidor094 »

Померьте всё таки уровень сигнала дир. Может он слишком низкий и драйверы срабатывают на грани.
Аватара пользователя
Mamont
Мастер
Сообщения: 2005
Зарегистрирован: 10 дек 2015, 12:21
Репутация: 391
Настоящее имя: Виталий
Откуда: РБ Минск
Контактная информация:

Re: Пропал сигнал DIR, сломался драйвер?

Сообщение Mamont »

С непропаем SMD элементов встречался двух типов:
У микросхемы не пропаяна нога. Зубочисткой или спичкой проведи поперек ряду ног. Нога которая сдвинется очевидно неприпаяна. Металлической иголкой лучше не водить, она мягкий припой может размазать и закоротить им соседние ноги
СМД резистов-конденсатор припаян только на одну сторону. Банально когда паяешь в ручную, пинцетом ставишь и паяешь одну сторону, пинцет убрал и потом другую. Для ускорения работы можно ряд элементов поставить, пропаять одну сторону, а потом уже другую. В этом случае есть вероятность забыть пропаять чтото. Элемент лежит на площадке, контакт вроде есть. Но нестабильный. Проверку работоспособности после монтажа проходит, но в очень скором времени работа нарушается.

Как бы я искал в подобном случае? сначала визуально под хорошим источником света, потом подключить и мягкой деревянной палочкой постукивать, проминать, шевелить разъемы(которые припаяны к плате)
Аватара пользователя
AndyBig
Мастер
Сообщения: 3971
Зарегистрирован: 07 мар 2014, 04:01
Репутация: 1121
Откуда: юг России
Контактная информация:

Re: Пропал сигнал DIR, сломался драйвер?

Сообщение AndyBig »

Cross писал(а):А для этого мультиметра хватит? Чем отслеживать?
Хватит, конечно. Им и отслеживать :) Измерять относительно массы (минуса). Встали на вход DIR в драйвер, покрутили ось в одну сторону - DIR = 5 вольт, покрутили в другую сторону - DIR = 0 вольт. Все нормально. И пошли так проверять DIR по всему пути его следования внутри драйвера.
Mamont писал(а):С непропаем SMD элементов встречался двух типов:
У микросхемы не пропаяна нога. ...
СМД резистов-конденсатор припаян только на одну сторону. Банально когда паяешь в ручную
Еще бывает у SMD-компонентов:
- припаяли, вроде припой как-то растекся по контактной поверхности SMD, но при небольшой деформации (например, изгибе платы) припой отрывается от контактной стенки компонента. Это бывает когда контактная поверхность сильно окислена, так что припой цепляется за нее не по всей площади, а только в нескольких точках. Такая же беда бывает и с площадками на платах - вроде припаялось, но приложи сравнительно немного усилия и припой просто отрывается от площадки. Не даром к условиям хранения и плат и компонентов предъявляются довольно жесткие требования.
- тоже припаяли, все хорошо, но при деформации от компонента отрывается припой вместе с контактным слоем. Бывает от перегрева, от низкого качества компонентов или при значительных усилиях деформации.
Оба случая визуально обнаружить практически невозможно, только промерами или простукиванием/шевелением.
Аватара пользователя
Cross
Опытный
Сообщения: 166
Зарегистрирован: 21 июл 2015, 18:29
Репутация: 4
Настоящее имя: Артем
Контактная информация:

Re: Пропал сигнал DIR, сломался драйвер?

Сообщение Cross »

Сегодня провел небольшой тест: Температура -3. Включам систему. Мотор не крутится не вправо не влево. Один человек постоянно жмет кнопку перемещения оси на клаве. Снимаем перчатку и прикладываем палец (с температурой 36.6) к оптопаре. Кнопка перемещения оси нажата все время. По мере прогрева оптопары сначала двигатель начинает пищать, потом двигаться мелкими рывками или с заедениями, после того как прогреваешь оптопару примерно пять минут, все работает как положено, вращается в обе стороны, работает ровно... Такая хрень. Оптопары купил новые, перепаяли. Ниче не поменялось, симптомы теже. Не знаю, покупать два драйвера, потратив минимум 8к., или просто прогревать их перед работой феном минут пять, а потом они сами греться начнут. В гараже так-то +12 +16, когда растопишь...

Оптопары фирмы Sharp РС817. Попробую поискать аналоги и еще раз перепаять...
Аватара пользователя
MX_Master
Мастер
Сообщения: 7490
Зарегистрирован: 27 июн 2015, 19:45
Репутация: 3113
Настоящее имя: Михаил
Откуда: Алматы
Контактная информация:

Re: Пропал сигнал DIR, сломался драйвер?

Сообщение MX_Master »

При таких перепадах у вас скоро и другие устройства соберутся в путь-дорогу. Если -3 это воздух, то температура металла в приборах и прочих конструкциях может быть заметно ниже. На всех недорогих устройствах всегда написано нечто вроде "от +5 до ...". При резких прогревах везде на металле будет оседать конденсат и в какой-то момент уедет в путь что-нибудь ещё. Так что, если технику не жалко, продолжайте. А если жалко, держите постоянно хотя б +10.
Аватара пользователя
AndyBig
Мастер
Сообщения: 3971
Зарегистрирован: 07 мар 2014, 04:01
Репутация: 1121
Откуда: юг России
Контактная информация:

Re: Пропал сигнал DIR, сломался драйвер?

Сообщение AndyBig »

MX_Master писал(а):При таких перепадах у вас скоро и другие устройства соберутся в путь-дорогу.
Если только какая-нить механика, особо чувствительная к тепловым расширениям :)
MX_Master писал(а):Если -3 это воздух, то температура металла в приборах и прочих конструкциях может быть заметно ниже.
За счет чего это? Кто их дополнительно охлаждает? :)
MX_Master писал(а):При резких прогревах везде на металле будет оседать конденсат
Я так подозреваю, что резко прогреть гараж весьма затруднительно :) А по мере неспешного прогрева воздуха и все остальное будет прогреваться вместе с ним :)
Аватара пользователя
Mamont
Мастер
Сообщения: 2005
Зарегистрирован: 10 дек 2015, 12:21
Репутация: 391
Настоящее имя: Виталий
Откуда: РБ Минск
Контактная информация:

Re: Пропал сигнал DIR, сломался драйвер?

Сообщение Mamont »

Оптопара реагирует на тепло. Свежеперепаянная тоже реагирует на тепло/холод.
вывод - она работает в граничных режимах. надо увеличить ток светодиода и(или) увеличить резистор поддтяжки выхода

ну и :
Mamont писал(а):Накидай схему как подключал драйвера, питание, контролер
Аватара пользователя
Cross
Опытный
Сообщения: 166
Зарегистрирован: 21 июл 2015, 18:29
Репутация: 4
Настоящее имя: Артем
Контактная информация:

Re: Пропал сигнал DIR, сломался драйвер?

Сообщение Cross »

Mamont писал(а):Оптопара реагирует на тепло. Свежеперепаянная тоже реагирует на тепло/холод.
вывод - она работает в граничных режимах. надо увеличить ток светодиода и(или) увеличить резистор поддтяжки выхода

ну и :
Mamont писал(а):Накидай схему как подключал драйвера, питание, контролер
Вложения
image.png (1330 просмотров) <a class='original' href='./download/file.php?id=97561&mode=view' target=_blank>Загрузить оригинал (315.01 КБ)</a>
Аватара пользователя
Cross
Опытный
Сообщения: 166
Зарегистрирован: 21 июл 2015, 18:29
Репутация: 4
Настоящее имя: Артем
Контактная информация:

Re: Пропал сигнал DIR, сломался драйвер?

Сообщение Cross »

ВНИМАНИЕ!!!!

ОДИН ДРАЙВЕР ИЗ ТРЕХ РАБОТАЕТ НОРМАЛЬНО ПРИ ЛЮБОЙ ТЕМПЕРАТУРЕ!!!!!

НА ЛЮБЫХ ОСЯХ!!!!!!!

Рабочая температура драйвера от -10 до +45
Аватара пользователя
Mamont
Мастер
Сообщения: 2005
Зарегистрирован: 10 дек 2015, 12:21
Репутация: 391
Настоящее имя: Виталий
Откуда: РБ Минск
Контактная информация:

Re: Пропал сигнал DIR, сломался драйвер?

Сообщение Mamont »

Cross писал(а): ОДИН ДРАЙВЕР ИЗ ТРЕХ РАБОТАЕТ НОРМАЛЬНО ПРИ ЛЮБОЙ ТЕМПЕРАТУРЕ!!!!!
НА ЛЮБЫХ ОСЯХ!!!!!!!
и до него очередь дойдет

1. оптопару перепаивал с платы комутатора (зелененькая) или в драйверах?
2. +5в откуда брали?
3 померяй напряжение от gnd до точек Р14-17 (что идет на +dirы ) при вращении в одну и в другую стороны
4. попробуй возвратный сигнал (коричневый провод) черед обычный диод включить. катод диода к винтовой клемме, анод к драйверам
Аватара пользователя
PKM
Почётный участник
Почётный участник
Сообщения: 4263
Зарегистрирован: 31 мар 2011, 18:11
Репутация: 705
Настоящее имя: Андрей
Откуда: Украина
Контактная информация:

Re: Пропал сигнал DIR, сломался драйвер?

Сообщение PKM »

Возможно ли, что схемотехника неверная? Например, номинал токоограничивающего резистора завышен, из-за чего нестабильно срабатывает оптопара.
Аватара пользователя
Cross
Опытный
Сообщения: 166
Зарегистрирован: 21 июл 2015, 18:29
Репутация: 4
Настоящее имя: Артем
Контактная информация:

Re: Пропал сигнал DIR, сломался драйвер?

Сообщение Cross »

Mamont писал(а):2. +5в откуда брали?
С компа
Аватара пользователя
Cross
Опытный
Сообщения: 166
Зарегистрирован: 21 июл 2015, 18:29
Репутация: 4
Настоящее имя: Артем
Контактная информация:

Re: Пропал сигнал DIR, сломался драйвер?

Сообщение Cross »

Mamont писал(а):1. оптопару перепаивал с платы комутатора (зелененькая) или в драйверах?
В драйвере
Аватара пользователя
Cross
Опытный
Сообщения: 166
Зарегистрирован: 21 июл 2015, 18:29
Репутация: 4
Настоящее имя: Артем
Контактная информация:

Re: Пропал сигнал DIR, сломался драйвер?

Сообщение Cross »

Пальцем нагревал ту, что со стрелочкой, перепаивал обе...
Вложения
IMG_2070.JPG (1295 просмотров) <a class='original' href='./download/file.php?id=97565&mode=view' target=_blank>Загрузить оригинал (1.51 МБ)</a>
Аватара пользователя
Mamont
Мастер
Сообщения: 2005
Зарегистрирован: 10 дек 2015, 12:21
Репутация: 391
Настоящее имя: Виталий
Откуда: РБ Минск
Контактная информация:

Re: Пропал сигнал DIR, сломался драйвер?

Сообщение Mamont »

ну чо, меряй напряжение на входе оптопары, канал дир - это ноги 1 и 2
и выходное напряние - ноги 5 и 7. а также питание оптопары на 5-8

желательно фото драйвера глянуть более качественое, без засветки вспышки и с читаемыми номиналами
Аватара пользователя
Cross
Опытный
Сообщения: 166
Зарегистрирован: 21 июл 2015, 18:29
Репутация: 4
Настоящее имя: Артем
Контактная информация:

Re: Пропал сигнал DIR, сломался драйвер?

Сообщение Cross »

Mamont писал(а):ну чо, меряй напряжение на входе оптопары, канал дир - это ноги 1 и 2
и выходное напряние - ноги 5 и 7. а также питание оптопары на 5-8

желательно фото драйвера глянуть более качественое, без засветки вспышки и с читаемыми номиналами
Ноги это имеется ввиду выходы на контроллере? Сигналы с контроллера на драйвер у меня по витой паре приходят.
Вложения
IMG_2071.JPG (1279 просмотров) <a class='original' href='./download/file.php?id=97580&mode=view' target=_blank>Загрузить оригинал (1.49 МБ)</a>
IMG_2072.JPG (1279 просмотров) <a class='original' href='./download/file.php?id=97581&mode=view' target=_blank>Загрузить оригинал (1.73 МБ)</a>
IMG_2073.JPG (1279 просмотров) <a class='original' href='./download/file.php?id=97582&mode=view' target=_blank>Загрузить оригинал (1.58 МБ)</a>
IMG_2074.JPG (1279 просмотров) <a class='original' href='./download/file.php?id=97583&mode=view' target=_blank>Загрузить оригинал (1.76 МБ)</a>
IMG_2075.JPG (1279 просмотров) <a class='original' href='./download/file.php?id=97584&mode=view' target=_blank>Загрузить оригинал (1.68 МБ)</a>
IMG_2076.JPG (1279 просмотров) <a class='original' href='./download/file.php?id=97585&mode=view' target=_blank>Загрузить оригинал (1.59 МБ)</a>
Ответить

Вернуться в «Электроника»