Помогите разобраться, контроллер DDLMV1
-
olegprom19
- Опытный
- Сообщения: 117
- Зарегистрирован: 05 июн 2017, 18:28
- Репутация: 7
- Настоящее имя: Олег
- Контактная информация:
Re: Помогите разобраться, контроллер DDLMV1
Пришел клон контроллера NVEM Ethernet Card, на 6 осей
внешне выглядит прилично
по разводке 1 в 1
не хватает надписей на плате
плата синяя вместо зеленой
внешне выглядит прилично
по разводке 1 в 1
не хватает надписей на плате
плата синяя вместо зеленой
-
olegprom19
- Опытный
- Сообщения: 117
- Зарегистрирован: 05 июн 2017, 18:28
- Репутация: 7
- Настоящее имя: Олег
- Контактная информация:
Re: Помогите разобраться, контроллер DDLMV1
Смутил сначала "залипон" между 21 и 22 ногой процессора
хотел его убрать, давай ковырять
но потом увидел на "оригинале" что он тоже есть
и в доке посмотрел что это за ноги
хотел его убрать, давай ковырять
но потом увидел на "оригинале" что он тоже есть
и в доке посмотрел что это за ноги
-
olegprom19
- Опытный
- Сообщения: 117
- Зарегистрирован: 05 июн 2017, 18:28
- Репутация: 7
- Настоящее имя: Олег
- Контактная информация:
Re: Помогите разобраться, контроллер DDLMV1
Имеется шум, предположительно от дросселя DC-DC преобразователя
несильный, со снятой крышкой слышно на 15-20см
с надетой крышкой слышно если вплотную ухо поднести
на плате два DC-DC преобразователя:
входной на XL2596S, преобразующий входное 12-32В в 5В (хотя по даташиту Minimum Drop Out 1.5V; Wide 4.5V to 40V Input Voltage Range) можно запитать от 7,5В (0.78В на "входном" диоде)
второй HDN3-5S12A1 для питания входов
несильный, со снятой крышкой слышно на 15-20см
с надетой крышкой слышно если вплотную ухо поднести
на плате два DC-DC преобразователя:
входной на XL2596S, преобразующий входное 12-32В в 5В (хотя по даташиту Minimum Drop Out 1.5V; Wide 4.5V to 40V Input Voltage Range) можно запитать от 7,5В (0.78В на "входном" диоде)
второй HDN3-5S12A1 для питания входов
-
olegprom19
- Опытный
- Сообщения: 117
- Зарегистрирован: 05 июн 2017, 18:28
- Репутация: 7
- Настоящее имя: Олег
- Контактная информация:
Re: Помогите разобраться, контроллер DDLMV1
Подключил к роутеру, на компьютере win10 (64-bit)
роутер контроллер NVEM не видит (через браузер захожу в настройки роутера) хотел посмотреть IP-адрес
MACH контроллер NVEM видит нормально, Estop срабатывает при замыкании
роутер контроллер NVEM не видит (через браузер захожу в настройки роутера) хотел посмотреть IP-адрес
MACH контроллер NVEM видит нормально, Estop срабатывает при замыкании
-
olegprom19
- Опытный
- Сообщения: 117
- Зарегистрирован: 05 июн 2017, 18:28
- Репутация: 7
- Настоящее имя: Олег
- Контактная информация:
Re: Помогите разобраться, контроллер DDLMV1
Прошивка контроллера stm32f207
думаю что контроллеры на 3,4,5,6 осей ограничены только прошивкой, т.к. схемотехника у них одинаковая
т.е. можно брать 3 осевой контроллер за 80$ и перешивать его в 6-осевой за 160$
думаю что контроллеры на 3,4,5,6 осей ограничены только прошивкой, т.к. схемотехника у них одинаковая
т.е. можно брать 3 осевой контроллер за 80$ и перешивать его в 6-осевой за 160$
- Вложения
-
- stm32f207.rar
- (3.73 КБ) 588 скачиваний
-
olegprom19
- Опытный
- Сообщения: 117
- Зарегистрирован: 05 июн 2017, 18:28
- Репутация: 7
- Настоящее имя: Олег
- Контактная информация:
Re: Помогите разобраться, контроллер DDLMV1
чем дизасемблировать файлик прошивки stm32f207?
с АРМами делов пока не имел особо
могу восстановить схему контроллера если интересно
с АРМами делов пока не имел особо
могу восстановить схему контроллера если интересно
- selenur
- Почётный участник

- Сообщения: 4605
- Зарегистрирован: 21 авг 2013, 19:44
- Репутация: 1622
- Настоящее имя: Сергей
- Откуда: Новый Уренгой
- Контактная информация:
Re: Помогите разобраться, контроллер DDLMV1
Ты уверен что хочешь этим заниматься?
Реверс инжинеринг прошивки выглядит примерно так-же как в этих статьях:
https://habrahabr.ru/post/255135/
https://habrahabr.ru/post/255153/
Реверс инжинеринг прошивки выглядит примерно так-же как в этих статьях:
https://habrahabr.ru/post/255135/
https://habrahabr.ru/post/255153/
Мой сайт: http://selenur.ru
Исходники моих программ: https://github.com/selenur
Instagram https://www.instagram.com/zheigurov/
Исходники моих программ: https://github.com/selenur
Instagram https://www.instagram.com/zheigurov/
-
olegprom19
- Опытный
- Сообщения: 117
- Зарегистрирован: 05 июн 2017, 18:28
- Репутация: 7
- Настоящее имя: Олег
- Контактная информация:
Re: Помогите разобраться, контроллер DDLMV1
https://www.youtube.com/watch?v=JFIW39EnLdY
подключение планшета к контроллеру
подключение планшета к контроллеру
-
olegprom19
- Опытный
- Сообщения: 117
- Зарегистрирован: 05 июн 2017, 18:28
- Репутация: 7
- Настоящее имя: Олег
- Контактная информация:
Re: Помогите разобраться, контроллер DDLMV1
нетselenur писал(а):Ты уверен что хочешь этим заниматься?
прикидываю какой геморselenur писал(а):Реверс инжинеринг прошивки выглядит примерно так-же как в этих статьях:
да и зачем
-
olegprom19
- Опытный
- Сообщения: 117
- Зарегистрирован: 05 июн 2017, 18:28
- Репутация: 7
- Настоящее имя: Олег
- Контактная информация:
Re: Помогите разобраться, контроллер DDLMV1
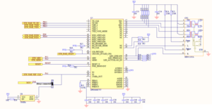
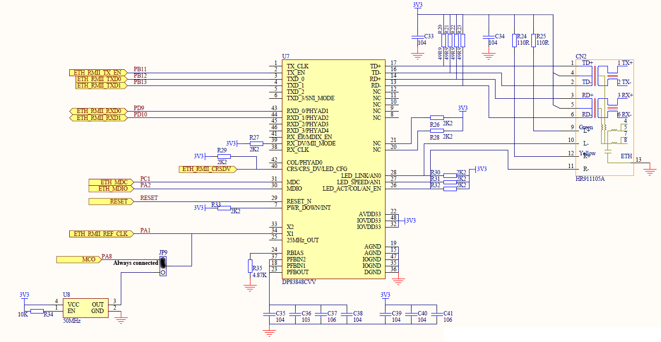
восстановил схему NVEM Ethernet Card
схему Ethernet подключения разрисовывать не стал, она очень похожа на схему ниже (за исключением обозначений элементов и портов МК)
разъем для прошивки P3 находится внизу платы (прошивается программатором ST-Link V2 за 2$)
схему Ethernet подключения разрисовывать не стал, она очень похожа на схему ниже (за исключением обозначений элементов и портов МК)
разъем для прошивки P3 находится внизу платы (прошивается программатором ST-Link V2 за 2$)
-
olegprom19
- Опытный
- Сообщения: 117
- Зарегистрирован: 05 июн 2017, 18:28
- Репутация: 7
- Настоящее имя: Олег
- Контактная информация:
Re: Помогите разобраться, контроллер DDLMV1
подключил логический анализатор на осьХ импульсы идут при ручном перемещении (MDI)
смущает какая-то неравномерность (пачки 5шт по три -одна две шт и так далее)
скоростя задрал для интереса
и частота вроде как плавает...
Если "поиграться скоростями и ускорением и имп/мм то частота меняется
смущает какая-то неравномерность (пачки 5шт по три -одна две шт и так далее)
скоростя задрал для интереса
и частота вроде как плавает...
Если "поиграться скоростями и ускорением и имп/мм то частота меняется
Последний раз редактировалось olegprom19 21 авг 2017, 09:09, всего редактировалось 1 раз.
-
olegprom19
- Опытный
- Сообщения: 117
- Зарегистрирован: 05 июн 2017, 18:28
- Репутация: 7
- Настоящее имя: Олег
- Контактная информация:
Re: Помогите разобраться, контроллер DDLMV1
Выходные сигналы можно было не завязывать на 12вольтовую "землю"
можно было сделать отдельную "землю" для выходов
или для каждого выхода сделать свои выходы "коллектор" "эмиттер"
можно было сделать отдельную "землю" для выходов
или для каждого выхода сделать свои выходы "коллектор" "эмиттер"
-
olegprom19
- Опытный
- Сообщения: 117
- Зарегистрирован: 05 июн 2017, 18:28
- Репутация: 7
- Настоящее имя: Олег
- Контактная информация:
Re: Помогите разобраться, контроллер DDLMV1
ШД после включение через несколько минут начинают свистеть, драйвера [мат на форуме запрещен!]? (TB6600)
думал поначалу блок питания или драйвер свистит, нет сам движок
микрошаг 1/16
думал поначалу блок питания или драйвер свистит, нет сам движок
микрошаг 1/16
- Taganrog
- Мастер
- Сообщения: 1238
- Зарегистрирован: 15 апр 2015, 16:32
- Репутация: 284
- Настоящее имя: Евгений
- Откуда: Брянск
- Контактная информация:
Re: Помогите разобраться, контроллер DDLMV1
Да, драйвера. (точнее пищит то двигатель но виноват драйвер) Подороже драйвера не только не пищат при простое на тех же движках, но и крутят двигатель значительно тише.
-
olegprom19
- Опытный
- Сообщения: 117
- Зарегистрирован: 05 июн 2017, 18:28
- Репутация: 7
- Настоящее имя: Олег
- Контактная информация:
Re: Помогите разобраться, контроллер DDLMV1
Попробую на драйверах м542.
Эти tb6600 и были заменены на м542. И после замены стали тише.
Вопрос.
при удержании двигателя (когда на STEP) импульсов нету
на выходе драйвера все равно идет частота?
Эти tb6600 и были заменены на м542. И после замены стали тише.
Вопрос.
при удержании двигателя (когда на STEP) импульсов нету
на выходе драйвера все равно идет частота?
-
olegprom19
- Опытный
- Сообщения: 117
- Зарегистрирован: 05 июн 2017, 18:28
- Репутация: 7
- Настоящее имя: Олег
- Контактная информация:
Re: Помогите разобраться, контроллер DDLMV1
как проверить оси В и С?
в ручном режиме (MPG MODE) только 4 оси их покрутил - работают
нашел ответ: командами в окне с100 В100 и т.д. 5-я и 6-я работаю
осцилограмма на выходе оптрона драйвера (время выкл 6N137 0,5мкс) заявленные 10мбит вряд ли вытянет макс 1мбит, хотя в данном случае и не нужно
26кГц на STEP
выше двиг клинит
в ручном режиме (MPG MODE) только 4 оси их покрутил - работают
нашел ответ: командами в окне с100 В100 и т.д. 5-я и 6-я работаю
осцилограмма на выходе оптрона драйвера (время выкл 6N137 0,5мкс) заявленные 10мбит вряд ли вытянет макс 1мбит, хотя в данном случае и не нужно
26кГц на STEP
выше двиг клинит
-
olegprom19
- Опытный
- Сообщения: 117
- Зарегистрирован: 05 июн 2017, 18:28
- Репутация: 7
- Настоящее имя: Олег
- Контактная информация:
Re: Помогите разобраться, контроллер DDLMV1
При подключении контроллера к роутеру он получает от DHCP IPшник
далее общается по ТСР. порт контроллера 49152 порт мача 1888
далее общается по ТСР. порт контроллера 49152 порт мача 1888
- Taganrog
- Мастер
- Сообщения: 1238
- Зарегистрирован: 15 апр 2015, 16:32
- Репутация: 284
- Настоящее имя: Евгений
- Откуда: Брянск
- Контактная информация:
Re: Помогите разобраться, контроллер DDLMV1
Это зачем ? При отсутствие импульсов step на входе, на выходе просто удержание тока в обмотках. Многие драйвера умеют снижать ток при простое. Чтоб уменьшить нагрев.olegprom19 писал(а): выходе драйвера все равно идет частота?
-
olegprom19
- Опытный
- Сообщения: 117
- Зарегистрирован: 05 июн 2017, 18:28
- Репутация: 7
- Настоящее имя: Олег
- Контактная информация:
Re: Помогите разобраться, контроллер DDLMV1
Т.е. какой ток был на момент останова. Такой и остаётся. Ну или кратно снижается (50%).
Допустим (на момент останова) через фазу А ток 100% через фазу В 20%.
Так и остается?
Ну или кратно снижается... 50% и 10%
Допустим (на момент останова) через фазу А ток 100% через фазу В 20%.
Так и остается?
Ну или кратно снижается... 50% и 10%
- Taganrog
- Мастер
- Сообщения: 1238
- Зарегистрирован: 15 апр 2015, 16:32
- Репутация: 284
- Настоящее имя: Евгений
- Откуда: Брянск
- Контактная информация:
Re: Помогите разобраться, контроллер DDLMV1
Да. поэтому шаговики греются даже когда не вращаются. Это их особенность. Потому на оси Z ненужен (в легких станках) никакой тормоз. Двигатель всегда в режиме удержания если не вращается. У него то и вращение по сути просто ступенчатое изменения угла удержания .olegprom19 писал(а):Т.е. какой ток был на момент останова. Такой и остаётся. Ну или кратно снижается (50%).