Уже с разрезом. Резьба на шпинделе М80*3.gerka писал(а):сама резьбы в планшайбе без разреза же...
Токарный китаец с Алиэкспресс
-
john1987887
- Мастер
- Сообщения: 3296
- Зарегистрирован: 08 сен 2013, 17:26
- Репутация: 1802
- Контактная информация:
Re: Токарный китаец с Алиэкспресс
Brother TC - 229 http://www.cnc-club.ru/forum/viewtopic. ... 46&t=15250
Brother TC - 225 viewtopic.php?f=146&t=31044
7045 http://www.cnc-club.ru/forum/viewtopic.php?t=6965
токарный http://www.cnc-club.ru/forum/viewtopic. ... 48&t=14096
Brother TC - 225 viewtopic.php?f=146&t=31044
7045 http://www.cnc-club.ru/forum/viewtopic.php?t=6965
токарный http://www.cnc-club.ru/forum/viewtopic. ... 48&t=14096
-
john1987887
- Мастер
- Сообщения: 3296
- Зарегистрирован: 08 сен 2013, 17:26
- Репутация: 1802
- Контактная информация:
Re: Токарный китаец с Алиэкспресс
Начал собирать станок в кучу, попутно доделывая мелкую работу. Нарезал из прутка полиуретана отбойников на ШВП. По Х отбойники с обеих сторон, по Z только со стороны опоры. Еще распечатал кронштейн для трубы на винт по Z. Приближается запуск и настройка сервоприводов, как-то страшновато. Надеюсь форум не бросит меня с ними наедине.
Brother TC - 229 http://www.cnc-club.ru/forum/viewtopic. ... 46&t=15250
Brother TC - 225 viewtopic.php?f=146&t=31044
7045 http://www.cnc-club.ru/forum/viewtopic.php?t=6965
токарный http://www.cnc-club.ru/forum/viewtopic. ... 48&t=14096
Brother TC - 225 viewtopic.php?f=146&t=31044
7045 http://www.cnc-club.ru/forum/viewtopic.php?t=6965
токарный http://www.cnc-club.ru/forum/viewtopic. ... 48&t=14096
-
SVP
- Мастер
- Сообщения: 6140
- Зарегистрирован: 19 дек 2012, 15:49
- Репутация: 884
- Откуда: Москва
- Контактная информация:
Re: Токарный китаец с Алиэкспресс
Концевики сразу подключи... аварийные... в сервопаки те которые. Потом можешь убрать.john1987887 писал(а):Приближается запуск и настройка сервоприводов, как-то страшновато.
Я когда 1й раз включил, и нажал + по X ось сделала ВЖЖЖЖЖ-БАЦ, т.е. доехала до краю остановившись на концевике аварийно.
Выяснилось, что + с - для оси перепутан... надо сказать БАЦ при этом довольно фееричный получается...
Не стоял бы концевик, онаб с разгону влетела в край... и по-моему отбойники тут помоглиб слабо.
Кнопку я нажать не успел, в руках держал, похоже получилось 3000 оборотов.... довольно быстро.
Свои 200-300мм хода оно всё мгновенно пролетело, моргнуть не успел.
- Nonstopich
- Мастер
- Сообщения: 1016
- Зарегистрирован: 02 авг 2015, 19:46
- Репутация: 284
- Настоящее имя: Александр Абдулаев
- Откуда: Москва, ФО Крым - Феодосия
- Контактная информация:
Re: Токарный китаец с Алиэкспресс
john1987887 писал(а): Надеюсь форум не бросит меня с ними наедине.
нисы (С) Великая китайская мудрость 
Чехлы для телефонов с вышивкой: https://www.instagram.com/lumberry.brand/
-
john1987887
- Мастер
- Сообщения: 3296
- Зарегистрирован: 08 сен 2013, 17:26
- Репутация: 1802
- Контактная информация:
Re: Токарный китаец с Алиэкспресс
Концевики обязательно поставлю, только я думал их сразу в мозги заводить. А крутить все равно в начале буду не подцепляя серву к винту.
Brother TC - 229 http://www.cnc-club.ru/forum/viewtopic. ... 46&t=15250
Brother TC - 225 viewtopic.php?f=146&t=31044
7045 http://www.cnc-club.ru/forum/viewtopic.php?t=6965
токарный http://www.cnc-club.ru/forum/viewtopic. ... 48&t=14096
Brother TC - 225 viewtopic.php?f=146&t=31044
7045 http://www.cnc-club.ru/forum/viewtopic.php?t=6965
токарный http://www.cnc-club.ru/forum/viewtopic. ... 48&t=14096
- Serg
- Мастер
- Сообщения: 21923
- Зарегистрирован: 17 апр 2012, 14:58
- Репутация: 5183
- Заслуга: c781c134843e0c1a3de9
- Настоящее имя: Сергей
- Откуда: Москва
- Контактная информация:
Re: Токарный китаец с Алиэкспресс
Концевики не погасят набранную скорость. 
Надёжней будет при первом пуске муфты/ремни отсоединить.
Надёжней будет при первом пуске муфты/ремни отсоединить.
Я не Христос, рыбу не раздаю, но могу научить, как сделать удочку...
- Hanter
- Мастер
- Сообщения: 5414
- Зарегистрирован: 27 янв 2012, 14:52
- Репутация: 4338
- Настоящее имя: Алексей
- Откуда: Питер
- Контактная информация:
Re: Токарный китаец с Алиэкспресс
хорошь очковать, врубай давайjohn1987887 писал(а):Надеюсь форум не бросит меня с ними наедине.
мануалы вроде так и советуют. при первом включении отсоединить нагрузку от двигателя. и только потом, убедившись что привод нормально работает и управляется - подключить его к механике.UAVpilot писал(а):Надёжней будет при первом пуске муфты/ремни отсоединить.
зы: я бы вообще проверил для начала их на столе. что рулятся, адекватно реагируют, останавливаются тогда когда нада а не по вырубанию общего рубильника..
Опыт - это когда на смену вопросам: "Что? Где? Когда? Как? Почему?" Приходит единственный вопрос: "Нахрена?"
==========================================
фрезерная и токарная обработка на станках с чпу.
Резка, гибка, сварка и порошковая окраса.
==========================================
фрезерная и токарная обработка на станках с чпу.
Резка, гибка, сварка и порошковая окраса.
-
john1987887
- Мастер
- Сообщения: 3296
- Зарегистрирован: 08 сен 2013, 17:26
- Репутация: 1802
- Контактная информация:
Re: Токарный китаец с Алиэкспресс
Собрал смазку и сделал резиновую портянку на ось Z.
Brother TC - 229 http://www.cnc-club.ru/forum/viewtopic. ... 46&t=15250
Brother TC - 225 viewtopic.php?f=146&t=31044
7045 http://www.cnc-club.ru/forum/viewtopic.php?t=6965
токарный http://www.cnc-club.ru/forum/viewtopic. ... 48&t=14096
Brother TC - 225 viewtopic.php?f=146&t=31044
7045 http://www.cnc-club.ru/forum/viewtopic.php?t=6965
токарный http://www.cnc-club.ru/forum/viewtopic. ... 48&t=14096
-
john1987887
- Мастер
- Сообщения: 3296
- Зарегистрирован: 08 сен 2013, 17:26
- Репутация: 1802
- Контактная информация:
Re: Токарный китаец с Алиэкспресс
Напечатал кожух защиты по Х. Изнутри проклеил стекломатом на эпоксидку, т.к. на такой большой площади его легко можно разломать даже руками. Установил концевики.
Brother TC - 229 http://www.cnc-club.ru/forum/viewtopic. ... 46&t=15250
Brother TC - 225 viewtopic.php?f=146&t=31044
7045 http://www.cnc-club.ru/forum/viewtopic.php?t=6965
токарный http://www.cnc-club.ru/forum/viewtopic. ... 48&t=14096
Brother TC - 225 viewtopic.php?f=146&t=31044
7045 http://www.cnc-club.ru/forum/viewtopic.php?t=6965
токарный http://www.cnc-club.ru/forum/viewtopic. ... 48&t=14096
-
john1987887
- Мастер
- Сообщения: 3296
- Зарегистрирован: 08 сен 2013, 17:26
- Репутация: 1802
- Контактная информация:
Re: Токарный китаец с Алиэкспресс
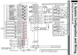
Ну вот и пришла цеплять проводки к сервам. На осях у меня Panasonic Minas A5E. Это сервы с управлением только по позиции с помощью степ/дир. Скачал мануал и нашел в нем пример подключения. Картинку прилагаю.
Есть пара вопросов. Зачем мне, как пользователю, знать, что происходит в драйвере сразу после входа сигнала в него, зачем мне на примере подключения рисуют со стороны драйвера всякие оптопары, сопротивления и прочее? Обвел красным.
Как цеплять проводки степ/дир? можно напрямую от мозга в драйвер? Или нужно городить огород как Хантеру с диф сигналом? И куда цеплять энейбл?
Есть пара вопросов. Зачем мне, как пользователю, знать, что происходит в драйвере сразу после входа сигнала в него, зачем мне на примере подключения рисуют со стороны драйвера всякие оптопары, сопротивления и прочее? Обвел красным.
Как цеплять проводки степ/дир? можно напрямую от мозга в драйвер? Или нужно городить огород как Хантеру с диф сигналом? И куда цеплять энейбл?
Brother TC - 229 http://www.cnc-club.ru/forum/viewtopic. ... 46&t=15250
Brother TC - 225 viewtopic.php?f=146&t=31044
7045 http://www.cnc-club.ru/forum/viewtopic.php?t=6965
токарный http://www.cnc-club.ru/forum/viewtopic. ... 48&t=14096
Brother TC - 225 viewtopic.php?f=146&t=31044
7045 http://www.cnc-club.ru/forum/viewtopic.php?t=6965
токарный http://www.cnc-club.ru/forum/viewtopic. ... 48&t=14096
-
Duhas
- Мастер
- Сообщения: 1961
- Зарегистрирован: 10 окт 2015, 23:25
- Репутация: 285
- Настоящее имя: Андрей
- Откуда: Красноярск
- Контактная информация:
Re: Токарный китаец с Алиэкспресс
enable = servo on
по тому как цеплять - вероятно как хантеру, чпу какое?
по тому как цеплять - вероятно как хантеру, чпу какое?
- Hanter
- Мастер
- Сообщения: 5414
- Зарегистрирован: 27 янв 2012, 14:52
- Репутация: 4338
- Настоящее имя: Алексей
- Откуда: Питер
- Контактная информация:
Re: Токарный китаец с Алиэкспресс
Тебе в принципе пофигу и знать не нада. я так понимаю это важно тем кто шарит в электронике и разрабатывает какие то свои управляющие схемы/цепи/устройства. им важно понимать что там и как..john1987887 писал(а): Зачем мне, как пользователю, знать, что происходит в драйвере сразу после входа сигнала в него, зачем мне на примере подключения рисуют со стороны драйвера всякие оптопары, сопротивления и прочее? Обвел красным.
Как цеплять проводки степ/дир? можно напрямую от мозга в драйвер? Или нужно городить огород как Хантеру с диф сигналом? И куда цеплять энейбл?
на входе у тебя тоже нарисован линейный драйвер. снизу - левее красного. энейбл подавать на SRV-ON вход.
Опыт - это когда на смену вопросам: "Что? Где? Когда? Как? Почему?" Приходит единственный вопрос: "Нахрена?"
==========================================
фрезерная и токарная обработка на станках с чпу.
Резка, гибка, сварка и порошковая окраса.
==========================================
фрезерная и токарная обработка на станках с чпу.
Резка, гибка, сварка и порошковая окраса.
-
aftaev
- Зачётный участник

- Сообщения: 34042
- Зарегистрирован: 04 апр 2010, 19:22
- Репутация: 6194
- Откуда: Казахстан.
- Контактная информация:
Re: Токарный китаец с Алиэкспресс
Удобно и понятно как проходит сигнал в серве и какой можно подавать. Имея таку схематику особо лезть в мануалы не нужно. Если на выходе скажем оптопары, то релюшку на них не повесишь напрямую, а если транзистор и уже с диодом то можно подключать релюшку без гасящего диода, но его там нет. По входам: видно что стоит логика, а не оптопара - значит вход высокоскоростной. На схеме не видно, но на треугольнике должен быть кружок, тогда вход инвертирован, а другой нет = диф. сигнал.john1987887 писал(а):Зачем мне, как пользователю, знать, что происходит в драйвере сразу после входа сигнала в него, зачем мне на примере подключения рисуют со стороны драйвера всякие оптопары, сопротивления и прочее?
Дилетанту сложные вещи кажутся очень простыми, и только профессионал понимает насколько сложна самая простая вещь
Кто хочет - ищет возможности, кто не хочет - ищет оправдание.
Найди работу по душе и тебе не придется работать.
Кто хочет - ищет возможности, кто не хочет - ищет оправдание.
Найди работу по душе и тебе не придется работать.
-
john1987887
- Мастер
- Сообщения: 3296
- Зарегистрирован: 08 сен 2013, 17:26
- Репутация: 1802
- Контактная информация:
Re: Токарный китаец с Алиэкспресс
Замечательно.Hanter писал(а):на входе у тебя тоже нарисован линейный драйвер.
Однако в мануале нет ни слова про микруху линейного драйвера как у тебя. У тебя-то четко написано использовать такую-то микруху...
И в бумажках на стойку написано просто такой-то проводок на такой-то вход драйвера Minas A5.
Еще момент. Вверху справа тоже есть степ/дир вход, только еще подписано "in case of open collector". Это что за фигня?
Brother TC - 229 http://www.cnc-club.ru/forum/viewtopic. ... 46&t=15250
Brother TC - 225 viewtopic.php?f=146&t=31044
7045 http://www.cnc-club.ru/forum/viewtopic.php?t=6965
токарный http://www.cnc-club.ru/forum/viewtopic. ... 48&t=14096
Brother TC - 225 viewtopic.php?f=146&t=31044
7045 http://www.cnc-club.ru/forum/viewtopic.php?t=6965
токарный http://www.cnc-club.ru/forum/viewtopic. ... 48&t=14096
-
john1987887
- Мастер
- Сообщения: 3296
- Зарегистрирован: 08 сен 2013, 17:26
- Репутация: 1802
- Контактная информация:
Re: Токарный китаец с Алиэкспресс
Китайцы к стойке приложили бумажку с подключением наиболее популярных драйверов. Среди них есть мои панасоник.
Brother TC - 229 http://www.cnc-club.ru/forum/viewtopic. ... 46&t=15250
Brother TC - 225 viewtopic.php?f=146&t=31044
7045 http://www.cnc-club.ru/forum/viewtopic.php?t=6965
токарный http://www.cnc-club.ru/forum/viewtopic. ... 48&t=14096
Brother TC - 225 viewtopic.php?f=146&t=31044
7045 http://www.cnc-club.ru/forum/viewtopic.php?t=6965
токарный http://www.cnc-club.ru/forum/viewtopic. ... 48&t=14096
-
aftaev
- Зачётный участник

- Сообщения: 34042
- Зарегистрирован: 04 апр 2010, 19:22
- Репутация: 6194
- Откуда: Казахстан.
- Контактная информация:
Re: Токарный китаец с Алиэкспресс
Это не лишний драйв. У сервы два входа: один опторазвязан(оптопары и медленный), а другой скоростной и идет "прямо в моск сервы" и пропускает до 4Mpps импульсов.Hanter писал(а):на входе у тебя тоже нарисован линейный драйвер.
Для чего все это надо: у сервы энкодер под 1млн импульсов, 3000 об/мин. Если нужно использовать серву на максимальном разрешении энкодера, и оборотах то тормозной вход на оптопарах просто не пропустит таку частоту, тогда подключаемся напрямую(скоростной вход) минуя оптопар. Но скоростной вход не оптоизолирован, и можно сжечь серву если что то пыхнет в ЧПУ(что мало вероятно).
Дилетанту сложные вещи кажутся очень простыми, и только профессионал понимает насколько сложна самая простая вещь
Кто хочет - ищет возможности, кто не хочет - ищет оправдание.
Найди работу по душе и тебе не придется работать.
Кто хочет - ищет возможности, кто не хочет - ищет оправдание.
Найди работу по душе и тебе не придется работать.
-
aftaev
- Зачётный участник

- Сообщения: 34042
- Зарегистрирован: 04 апр 2010, 19:22
- Репутация: 6194
- Откуда: Казахстан.
- Контактная информация:
Re: Токарный китаец с Алиэкспресс
john1987887 писал(а):Однако в мануале нет ни слова про микруху линейного драйвера как у тебя.
Она есть в ЧПУ. Если ЧПУ выдает диф. сигнал (линейный драйвер) то дополнительно ставить ее не нужно.john1987887 писал(а):У тебя-то четко написано использовать такую-то микруху...
На бумажке написано что ЧПУ нужно подключать к высокоскоростному входу.john1987887 писал(а):И в бумажках на стойку написано просто такой-то проводок на такой-то вход драйвера Minas A5.
Подключать к открытому коллектору, потому как там оптопары на входе.john1987887 писал(а):Еще момент. Вверху справа тоже есть степ/дир вход, только еще подписано "in case of open collector". Это что за фигня?
Дилетанту сложные вещи кажутся очень простыми, и только профессионал понимает насколько сложна самая простая вещь
Кто хочет - ищет возможности, кто не хочет - ищет оправдание.
Найди работу по душе и тебе не придется работать.
Кто хочет - ищет возможности, кто не хочет - ищет оправдание.
Найди работу по душе и тебе не придется работать.
-
john1987887
- Мастер
- Сообщения: 3296
- Зарегистрирован: 08 сен 2013, 17:26
- Репутация: 1802
- Контактная информация:
Re: Токарный китаец с Алиэкспресс
Ну вот, уже что-то!
Получается, сначала цепляем движок к драйверу, заводим силу на драйвер, цепляем комп с прогой для настройки и настраиваем примерно серву с драйвером, чтоб все ожидаемо крутилось. Потом цепляем серву к оси токарника и настраиваем ПИД под железо руками или используем автонастройку. Так?
Получается, сначала цепляем движок к драйверу, заводим силу на драйвер, цепляем комп с прогой для настройки и настраиваем примерно серву с драйвером, чтоб все ожидаемо крутилось. Потом цепляем серву к оси токарника и настраиваем ПИД под железо руками или используем автонастройку. Так?
Brother TC - 229 http://www.cnc-club.ru/forum/viewtopic. ... 46&t=15250
Brother TC - 225 viewtopic.php?f=146&t=31044
7045 http://www.cnc-club.ru/forum/viewtopic.php?t=6965
токарный http://www.cnc-club.ru/forum/viewtopic. ... 48&t=14096
Brother TC - 225 viewtopic.php?f=146&t=31044
7045 http://www.cnc-club.ru/forum/viewtopic.php?t=6965
токарный http://www.cnc-club.ru/forum/viewtopic. ... 48&t=14096
-
aftaev
- Зачётный участник

- Сообщения: 34042
- Зарегистрирован: 04 апр 2010, 19:22
- Репутация: 6194
- Откуда: Казахстан.
- Контактная информация:
Re: Токарный китаец с Алиэкспресс
Да.john1987887 писал(а):Получается, сначала цепляем движок к драйверу, заводим силу на драйвер, цепляем комп с прогой для настройки и настраиваем примерно серву с драйвером, чтоб все ожидаемо крутилось.
Аха.john1987887 писал(а):Потом цепляем серву к оси токарника и настраиваем ПИД под железо руками или используем автонастройку. Так?
Если у сервы сигналы POT NOT будут подключены к концевикам, то при настройке если серва поедет дальше серва вырубится, иначе можно что нибудь сделать хрусь
Дилетанту сложные вещи кажутся очень простыми, и только профессионал понимает насколько сложна самая простая вещь
Кто хочет - ищет возможности, кто не хочет - ищет оправдание.
Найди работу по душе и тебе не придется работать.
Кто хочет - ищет возможности, кто не хочет - ищет оправдание.
Найди работу по душе и тебе не придется работать.
-
john1987887
- Мастер
- Сообщения: 3296
- Зарегистрирован: 08 сен 2013, 17:26
- Репутация: 1802
- Контактная информация:
Re: Токарный китаец с Алиэкспресс
а где нужно настраивать количество оборотов вала сервы на 1 единицу перемещения? Просто это можно сделать электронной редукцией как в драйвере, так и в стойке. Если настраивать в стойке, то какое значение установить в драйвере?
Brother TC - 229 http://www.cnc-club.ru/forum/viewtopic. ... 46&t=15250
Brother TC - 225 viewtopic.php?f=146&t=31044
7045 http://www.cnc-club.ru/forum/viewtopic.php?t=6965
токарный http://www.cnc-club.ru/forum/viewtopic. ... 48&t=14096
Brother TC - 225 viewtopic.php?f=146&t=31044
7045 http://www.cnc-club.ru/forum/viewtopic.php?t=6965
токарный http://www.cnc-club.ru/forum/viewtopic. ... 48&t=14096