Токарный китаец с Алиэкспресс

Токарные станки с ЧПУ.
john1987887
Мастер
Сообщения: 3296
Зарегистрирован: 08 сен 2013, 17:26
Репутация: 1802
Контактная информация:

Re: Токарный китаец с Алиэкспресс

Сообщение john1987887 »

gerka писал(а):сама резьбы в планшайбе без разреза же...
Уже с разрезом. Резьба на шпинделе М80*3.
john1987887
Мастер
Сообщения: 3296
Зарегистрирован: 08 сен 2013, 17:26
Репутация: 1802
Контактная информация:

Re: Токарный китаец с Алиэкспресс

Сообщение john1987887 »

Начал собирать станок в кучу, попутно доделывая мелкую работу. Нарезал из прутка полиуретана отбойников на ШВП. По Х отбойники с обеих сторон, по Z только со стороны опоры. Еще распечатал кронштейн для трубы на винт по Z. Приближается запуск и настройка сервоприводов, как-то страшновато. Надеюсь форум не бросит меня с ними наедине.
Вложения
IMG_20171012_105803.jpg (4958 просмотров) <a class='original' href='./download/file.php?id=122018&mode=view' target=_blank>Загрузить оригинал (293.24 КБ)</a>
IMG_20171012_105811.jpg (4958 просмотров) <a class='original' href='./download/file.php?id=122019&mode=view' target=_blank>Загрузить оригинал (290.41 КБ)</a>
IMG_20171012_150754.jpg (4958 просмотров) <a class='original' href='./download/file.php?id=122020&mode=view' target=_blank>Загрузить оригинал (294.26 КБ)</a>
IMG_20171012_150816.jpg (4958 просмотров) <a class='original' href='./download/file.php?id=122021&mode=view' target=_blank>Загрузить оригинал (334.26 КБ)</a>
SVP
Мастер
Сообщения: 6140
Зарегистрирован: 19 дек 2012, 15:49
Репутация: 884
Откуда: Москва
Контактная информация:

Re: Токарный китаец с Алиэкспресс

Сообщение SVP »

john1987887 писал(а):Приближается запуск и настройка сервоприводов, как-то страшновато.
Концевики сразу подключи... аварийные... в сервопаки те которые. Потом можешь убрать.
Я когда 1й раз включил, и нажал + по X ось сделала ВЖЖЖЖЖ-БАЦ, т.е. доехала до краю остановившись на концевике аварийно.
Выяснилось, что + с - для оси перепутан... надо сказать БАЦ при этом довольно фееричный получается...
Не стоял бы концевик, онаб с разгону влетела в край... и по-моему отбойники тут помоглиб слабо.

Кнопку я нажать не успел, в руках держал, похоже получилось 3000 оборотов.... довольно быстро.
Свои 200-300мм хода оно всё мгновенно пролетело, моргнуть не успел.
Аватара пользователя
Nonstopich
Мастер
Сообщения: 1016
Зарегистрирован: 02 авг 2015, 19:46
Репутация: 284
Настоящее имя: Александр Абдулаев
Откуда: Москва, ФО Крым - Феодосия
Контактная информация:

Re: Токарный китаец с Алиэкспресс

Сообщение Nonstopich »

john1987887 писал(а): Надеюсь форум не бросит меня с ними наедине.
нисы (С) Великая китайская мудрость :D
Чехлы для телефонов с вышивкой: https://www.instagram.com/lumberry.brand/
john1987887
Мастер
Сообщения: 3296
Зарегистрирован: 08 сен 2013, 17:26
Репутация: 1802
Контактная информация:

Re: Токарный китаец с Алиэкспресс

Сообщение john1987887 »

Концевики обязательно поставлю, только я думал их сразу в мозги заводить. А крутить все равно в начале буду не подцепляя серву к винту.
Аватара пользователя
Serg
Мастер
Сообщения: 21923
Зарегистрирован: 17 апр 2012, 14:58
Репутация: 5183
Заслуга: c781c134843e0c1a3de9
Настоящее имя: Сергей
Откуда: Москва
Контактная информация:

Re: Токарный китаец с Алиэкспресс

Сообщение Serg »

Концевики не погасят набранную скорость. :)
Надёжней будет при первом пуске муфты/ремни отсоединить.
Я не Христос, рыбу не раздаю, но могу научить, как сделать удочку...
Аватара пользователя
Hanter
Мастер
Сообщения: 5414
Зарегистрирован: 27 янв 2012, 14:52
Репутация: 4338
Настоящее имя: Алексей
Откуда: Питер
Контактная информация:

Re: Токарный китаец с Алиэкспресс

Сообщение Hanter »

john1987887 писал(а):Надеюсь форум не бросит меня с ними наедине.
хорошь очковать, врубай давай :)
UAVpilot писал(а):Надёжней будет при первом пуске муфты/ремни отсоединить.
мануалы вроде так и советуют. при первом включении отсоединить нагрузку от двигателя. и только потом, убедившись что привод нормально работает и управляется - подключить его к механике.

зы: я бы вообще проверил для начала их на столе. что рулятся, адекватно реагируют, останавливаются тогда когда нада а не по вырубанию общего рубильника.. :)
Опыт - это когда на смену вопросам: "Что? Где? Когда? Как? Почему?" Приходит единственный вопрос: "Нахрена?"
==========================================
фрезерная и токарная обработка на станках с чпу.
Резка, гибка, сварка и порошковая окраса.
john1987887
Мастер
Сообщения: 3296
Зарегистрирован: 08 сен 2013, 17:26
Репутация: 1802
Контактная информация:

Re: Токарный китаец с Алиэкспресс

Сообщение john1987887 »

Собрал смазку и сделал резиновую портянку на ось Z.
Вложения
IMG_20171013_173723.jpg (4730 просмотров) <a class='original' href='./download/file.php?id=122202&mode=view' target=_blank>Загрузить оригинал (318.17 КБ)</a>
IMG_20171013_173730.jpg (4730 просмотров) <a class='original' href='./download/file.php?id=122203&mode=view' target=_blank>Загрузить оригинал (349 КБ)</a>
IMG_20171015_153320.jpg (4730 просмотров) <a class='original' href='./download/file.php?id=122204&mode=view' target=_blank>Загрузить оригинал (338.69 КБ)</a>
john1987887
Мастер
Сообщения: 3296
Зарегистрирован: 08 сен 2013, 17:26
Репутация: 1802
Контактная информация:

Re: Токарный китаец с Алиэкспресс

Сообщение john1987887 »

Напечатал кожух защиты по Х. Изнутри проклеил стекломатом на эпоксидку, т.к. на такой большой площади его легко можно разломать даже руками. Установил концевики.
Вложения
IMG_20171016_124908.jpg (4616 просмотров) <a class='original' href='./download/file.php?id=122255&mode=view' target=_blank>Загрузить оригинал (310.4 КБ)</a>
IMG_20171016_124914.jpg (4616 просмотров) <a class='original' href='./download/file.php?id=122256&mode=view' target=_blank>Загрузить оригинал (251.78 КБ)</a>
IMG_20171016_125241.jpg (4616 просмотров) <a class='original' href='./download/file.php?id=122257&mode=view' target=_blank>Загрузить оригинал (305.75 КБ)</a>
IMG_20171016_125249.jpg (4616 просмотров) <a class='original' href='./download/file.php?id=122258&mode=view' target=_blank>Загрузить оригинал (283.83 КБ)</a>
IMG_20171016_140837.jpg (4616 просмотров) <a class='original' href='./download/file.php?id=122259&mode=view' target=_blank>Загрузить оригинал (314.35 КБ)</a>
IMG_20171016_140844.jpg (4616 просмотров) <a class='original' href='./download/file.php?id=122260&mode=view' target=_blank>Загрузить оригинал (292.95 КБ)</a>
john1987887
Мастер
Сообщения: 3296
Зарегистрирован: 08 сен 2013, 17:26
Репутация: 1802
Контактная информация:

Re: Токарный китаец с Алиэкспресс

Сообщение john1987887 »

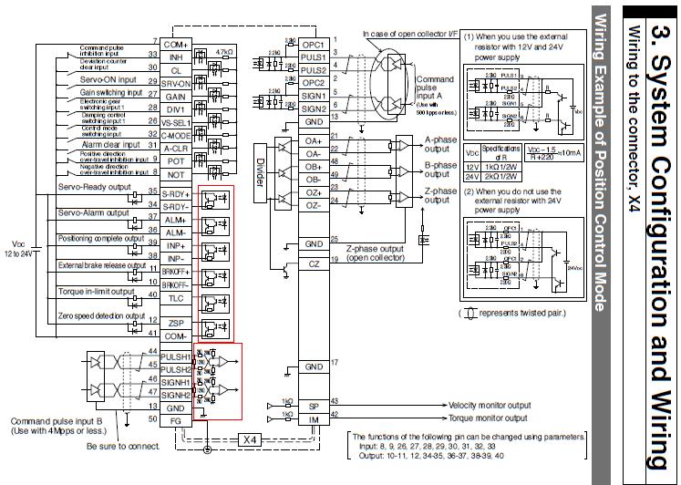
Ну вот и пришла цеплять проводки к сервам. На осях у меня Panasonic Minas A5E. Это сервы с управлением только по позиции с помощью степ/дир. Скачал мануал и нашел в нем пример подключения. Картинку прилагаю.

Есть пара вопросов. Зачем мне, как пользователю, знать, что происходит в драйвере сразу после входа сигнала в него, зачем мне на примере подключения рисуют со стороны драйвера всякие оптопары, сопротивления и прочее? Обвел красным.

Как цеплять проводки степ/дир? можно напрямую от мозга в драйвер? Или нужно городить огород как Хантеру с диф сигналом? И куда цеплять энейбл?
Вложения
Подключение драйвера.JPG (4547 просмотров) <a class='original' href='./download/file.php?id=122290&mode=view' target=_blank>Загрузить оригинал (99.88 КБ)</a>
Duhas
Мастер
Сообщения: 1961
Зарегистрирован: 10 окт 2015, 23:25
Репутация: 285
Настоящее имя: Андрей
Откуда: Красноярск
Контактная информация:

Re: Токарный китаец с Алиэкспресс

Сообщение Duhas »

enable = servo on

по тому как цеплять - вероятно как хантеру, чпу какое?
Аватара пользователя
Hanter
Мастер
Сообщения: 5414
Зарегистрирован: 27 янв 2012, 14:52
Репутация: 4338
Настоящее имя: Алексей
Откуда: Питер
Контактная информация:

Re: Токарный китаец с Алиэкспресс

Сообщение Hanter »

john1987887 писал(а): Зачем мне, как пользователю, знать, что происходит в драйвере сразу после входа сигнала в него, зачем мне на примере подключения рисуют со стороны драйвера всякие оптопары, сопротивления и прочее? Обвел красным.
Как цеплять проводки степ/дир? можно напрямую от мозга в драйвер? Или нужно городить огород как Хантеру с диф сигналом? И куда цеплять энейбл?
Тебе в принципе пофигу и знать не нада. я так понимаю это важно тем кто шарит в электронике и разрабатывает какие то свои управляющие схемы/цепи/устройства. им важно понимать что там и как..
на входе у тебя тоже нарисован линейный драйвер. снизу - левее красного. энейбл подавать на SRV-ON вход.
Опыт - это когда на смену вопросам: "Что? Где? Когда? Как? Почему?" Приходит единственный вопрос: "Нахрена?"
==========================================
фрезерная и токарная обработка на станках с чпу.
Резка, гибка, сварка и порошковая окраса.
aftaev
Зачётный участник
Зачётный участник
Сообщения: 34042
Зарегистрирован: 04 апр 2010, 19:22
Репутация: 6194
Откуда: Казахстан.
Контактная информация:

Re: Токарный китаец с Алиэкспресс

Сообщение aftaev »

john1987887 писал(а):Зачем мне, как пользователю, знать, что происходит в драйвере сразу после входа сигнала в него, зачем мне на примере подключения рисуют со стороны драйвера всякие оптопары, сопротивления и прочее?
Удобно и понятно как проходит сигнал в серве и какой можно подавать. Имея таку схематику особо лезть в мануалы не нужно. Если на выходе скажем оптопары, то релюшку на них не повесишь напрямую, а если транзистор и уже с диодом то можно подключать релюшку без гасящего диода, но его там нет. По входам: видно что стоит логика, а не оптопара - значит вход высокоскоростной. На схеме не видно, но на треугольнике должен быть кружок, тогда вход инвертирован, а другой нет = диф. сигнал.
Дилетанту сложные вещи кажутся очень простыми, и только профессионал понимает насколько сложна самая простая вещь
Кто хочет - ищет возможности, кто не хочет - ищет оправдание.
Найди работу по душе и тебе не придется работать.
john1987887
Мастер
Сообщения: 3296
Зарегистрирован: 08 сен 2013, 17:26
Репутация: 1802
Контактная информация:

Re: Токарный китаец с Алиэкспресс

Сообщение john1987887 »

Hanter писал(а):на входе у тебя тоже нарисован линейный драйвер.
Замечательно. :(

Однако в мануале нет ни слова про микруху линейного драйвера как у тебя. У тебя-то четко написано использовать такую-то микруху...

И в бумажках на стойку написано просто такой-то проводок на такой-то вход драйвера Minas A5.
Еще момент. Вверху справа тоже есть степ/дир вход, только еще подписано "in case of open collector". Это что за фигня?
john1987887
Мастер
Сообщения: 3296
Зарегистрирован: 08 сен 2013, 17:26
Репутация: 1802
Контактная информация:

Re: Токарный китаец с Алиэкспресс

Сообщение john1987887 »

Китайцы к стойке приложили бумажку с подключением наиболее популярных драйверов. Среди них есть мои панасоник.
Вложения
подключение к стойке.jpg (4504 просмотра) <a class='original' href='./download/file.php?id=122292&mode=view' target=_blank>Загрузить оригинал (937.14 КБ)</a>
aftaev
Зачётный участник
Зачётный участник
Сообщения: 34042
Зарегистрирован: 04 апр 2010, 19:22
Репутация: 6194
Откуда: Казахстан.
Контактная информация:

Re: Токарный китаец с Алиэкспресс

Сообщение aftaev »

Hanter писал(а):на входе у тебя тоже нарисован линейный драйвер.
Это не лишний драйв. У сервы два входа: один опторазвязан(оптопары и медленный), а другой скоростной и идет "прямо в моск сервы" и пропускает до 4Mpps импульсов.
Для чего все это надо: у сервы энкодер под 1млн импульсов, 3000 об/мин. Если нужно использовать серву на максимальном разрешении энкодера, и оборотах то тормозной вход на оптопарах просто не пропустит таку частоту, тогда подключаемся напрямую(скоростной вход) минуя оптопар. Но скоростной вход не оптоизолирован, и можно сжечь серву если что то пыхнет в ЧПУ(что мало вероятно).
Дилетанту сложные вещи кажутся очень простыми, и только профессионал понимает насколько сложна самая простая вещь
Кто хочет - ищет возможности, кто не хочет - ищет оправдание.
Найди работу по душе и тебе не придется работать.
aftaev
Зачётный участник
Зачётный участник
Сообщения: 34042
Зарегистрирован: 04 апр 2010, 19:22
Репутация: 6194
Откуда: Казахстан.
Контактная информация:

Re: Токарный китаец с Алиэкспресс

Сообщение aftaev »

john1987887 писал(а):Однако в мануале нет ни слова про микруху линейного драйвера как у тебя.
john1987887 писал(а):У тебя-то четко написано использовать такую-то микруху...
Она есть в ЧПУ. Если ЧПУ выдает диф. сигнал (линейный драйвер) то дополнительно ставить ее не нужно.
john1987887 писал(а):И в бумажках на стойку написано просто такой-то проводок на такой-то вход драйвера Minas A5.
На бумажке написано что ЧПУ нужно подключать к высокоскоростному входу.
john1987887 писал(а):Еще момент. Вверху справа тоже есть степ/дир вход, только еще подписано "in case of open collector". Это что за фигня?
Подключать к открытому коллектору, потому как там оптопары на входе.
Дилетанту сложные вещи кажутся очень простыми, и только профессионал понимает насколько сложна самая простая вещь
Кто хочет - ищет возможности, кто не хочет - ищет оправдание.
Найди работу по душе и тебе не придется работать.
john1987887
Мастер
Сообщения: 3296
Зарегистрирован: 08 сен 2013, 17:26
Репутация: 1802
Контактная информация:

Re: Токарный китаец с Алиэкспресс

Сообщение john1987887 »

Ну вот, уже что-то!

Получается, сначала цепляем движок к драйверу, заводим силу на драйвер, цепляем комп с прогой для настройки и настраиваем примерно серву с драйвером, чтоб все ожидаемо крутилось. Потом цепляем серву к оси токарника и настраиваем ПИД под железо руками или используем автонастройку. Так?
aftaev
Зачётный участник
Зачётный участник
Сообщения: 34042
Зарегистрирован: 04 апр 2010, 19:22
Репутация: 6194
Откуда: Казахстан.
Контактная информация:

Re: Токарный китаец с Алиэкспресс

Сообщение aftaev »

john1987887 писал(а):Получается, сначала цепляем движок к драйверу, заводим силу на драйвер, цепляем комп с прогой для настройки и настраиваем примерно серву с драйвером, чтоб все ожидаемо крутилось.
Да.
john1987887 писал(а):Потом цепляем серву к оси токарника и настраиваем ПИД под железо руками или используем автонастройку. Так?
Аха.
Если у сервы сигналы POT NOT будут подключены к концевикам, то при настройке если серва поедет дальше серва вырубится, иначе можно что нибудь сделать хрусь :)
Дилетанту сложные вещи кажутся очень простыми, и только профессионал понимает насколько сложна самая простая вещь
Кто хочет - ищет возможности, кто не хочет - ищет оправдание.
Найди работу по душе и тебе не придется работать.
john1987887
Мастер
Сообщения: 3296
Зарегистрирован: 08 сен 2013, 17:26
Репутация: 1802
Контактная информация:

Re: Токарный китаец с Алиэкспресс

Сообщение john1987887 »

а где нужно настраивать количество оборотов вала сервы на 1 единицу перемещения? Просто это можно сделать электронной редукцией как в драйвере, так и в стойке. Если настраивать в стойке, то какое значение установить в драйвере?
Ответить

Вернуться в «Токарные станки»