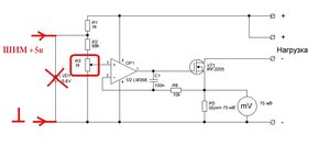
На входе стабилизатора сколько V должно быть?Rafiq писал(а):Легко. Из схемы с операционником выкидываешь стабилитрон, а туда, куда подсодинялся его катод, подаешь ШИМ с амплитудой +5 В. Подстроечник выставляешь так, чтобы при самом большом возможном коэффициенте заполнения средний ток был равен номинальному току через диод.
Мощный лазерный диод
-
aftaev
- Зачётный участник

- Сообщения: 34042
- Зарегистрирован: 04 апр 2010, 19:22
- Репутация: 6194
- Откуда: Казахстан.
- Контактная информация:
Re: Мощный лазерный диод
Дилетанту сложные вещи кажутся очень простыми, и только профессионал понимает насколько сложна самая простая вещь
Кто хочет - ищет возможности, кто не хочет - ищет оправдание.
Найди работу по душе и тебе не придется работать.
Кто хочет - ищет возможности, кто не хочет - ищет оправдание.
Найди работу по душе и тебе не придется работать.
- Тима
- Почётный участник

- Сообщения: 3162
- Зарегистрирован: 01 мар 2012, 20:47
- Репутация: 1089
- Настоящее имя: Тимур
- Откуда: КБР
- Контактная информация:
Re: Мощный лазерный диод
Утверждают что 40w...
http://www.ebay.com/itm/Coherent-HP-Ind ... 5aeb03a0d1
http://www.ebay.com/itm/Coherent-HP-Ind ... 5aeb03a0d1
Дорогу осилит идущий!
Я все пойму, Вы только дайте денег!!!
Я все пойму, Вы только дайте денег!!!
- Rafiq
- Мастер
- Сообщения: 1053
- Зарегистрирован: 28 сен 2012, 18:11
- Репутация: 6
- Откуда: Tatarstan Respublikası, Yar Çallı şəhəre
- Контактная информация:
Re: Мощный лазерный диод
Именно так.aftaev писал(а): На входе стабилизатора сколько V должно быть?
Стабилитрон был на 5.6 В, строго говоря и ШИМ должен быть 5.6 В амплитудой, но эти 0.6 В разницы компенсируются подстроечником R3 при регулировке. А можно и не компенсировать, просто ток будет немного меньше.
Короче говоря, амплитудное значение напряжения ШИМ выступает в качестве напряжения стабилизации бывшего в оригинальной схеме стабилитрона.
Последний раз редактировалось Rafiq 02 ноя 2012, 20:45, всего редактировалось 3 раза.
- Rafiq
- Мастер
- Сообщения: 1053
- Зарегистрирован: 28 сен 2012, 18:11
- Репутация: 6
- Откуда: Tatarstan Respublikası, Yar Çallı şəhəre
- Контактная информация:
Re: Мощный лазерный диод
Цена вполне доступна. Установка получается проще, чем с CO2 трубкой. Ресурс должен быть выше, чем у трубки. Только вот оргстекло резать пожалуй не получится (оно прозрачно для 808 нм или нет?)Тима писал(а):Утверждают что 40w...
http://www.ebay.com/itm/Coherent-HP-Ind ... 5aeb03a0d1
-
aftaev
- Зачётный участник

- Сообщения: 34042
- Зарегистрирован: 04 апр 2010, 19:22
- Репутация: 6194
- Откуда: Казахстан.
- Контактная информация:
Re: Мощный лазерный диод
пока добрый решил купить http://www.ebay.com/itm/390490944138?ss ... 1497.l2649Rafiq писал(а):Цена вполне доступна. Установка получается проще, чем с CO2 трубкой.
Rafiq, теперь нужна схема на 50А
Дилетанту сложные вещи кажутся очень простыми, и только профессионал понимает насколько сложна самая простая вещь
Кто хочет - ищет возможности, кто не хочет - ищет оправдание.
Найди работу по душе и тебе не придется работать.
Кто хочет - ищет возможности, кто не хочет - ищет оправдание.
Найди работу по душе и тебе не придется работать.
-
aftaev
- Зачётный участник

- Сообщения: 34042
- Зарегистрирован: 04 апр 2010, 19:22
- Репутация: 6194
- Откуда: Казахстан.
- Контактная информация:
Re: Мощный лазерный диод
Попробовал прозрачные пластики и красный пластик вообще не беретRafiq писал(а):Только вот оргстекло резать пожалуй не получится (оно прозрачно для 808 нм или нет?)
Дилетанту сложные вещи кажутся очень простыми, и только профессионал понимает насколько сложна самая простая вещь
Кто хочет - ищет возможности, кто не хочет - ищет оправдание.
Найди работу по душе и тебе не придется работать.
Кто хочет - ищет возможности, кто не хочет - ищет оправдание.
Найди работу по душе и тебе не придется работать.
- Rafiq
- Мастер
- Сообщения: 1053
- Зарегистрирован: 28 сен 2012, 18:11
- Репутация: 6
- Откуда: Tatarstan Respublikası, Yar Çallı şəhəre
- Контактная информация:
Re: Мощный лазерный диод
Жаль. Довольно сильно ограничивает сферу применения.aftaev писал(а):Попробовал прозрачные пластики и красный пластик вообще не берет
- Rafiq
- Мастер
- Сообщения: 1053
- Зарегистрирован: 28 сен 2012, 18:11
- Репутация: 6
- Откуда: Tatarstan Respublikası, Yar Çallı şəhəre
- Контактная информация:
Re: Мощный лазерный диод
Все точно так же, операционник, обвязка остается той же самой, только транзистор мощнее и токоизмерительный резистор пересчитать (сопротивление будет меньше, рассеиваемая мощность, скорее всего, побольше). Ну и разумеется, БП должен выдавать 50 А без проблемaftaev писал(а):Rafiq, теперь нужна схема на 50А
Могут возникнуть проблемы с подбором транзистора, да и блока питания тоже.
- Serg
- Мастер
- Сообщения: 21923
- Зарегистрирован: 17 апр 2012, 14:58
- Репутация: 5183
- Заслуга: c781c134843e0c1a3de9
- Настоящее имя: Сергей
- Откуда: Москва
- Контактная информация:
Re: Мощный лазерный диод
Так и должно быть: без нагрузки БП выдаёт на выход полное напряжение, при подключении диода срабатывает ограничение по току и БП отключает нагрузку (предполагаю), но в его выходных конденсаторах остаётся некоторое количество электричества.Rafiq писал(а):А ток допустимый для простого светодиода выставлен? Если да, то странно... но по видимому так. Если нет - конечно - дать простому маломощному светодиоду 9А - будет ПЫХ.aftaev писал(а):почти 14в выдает, а лазеру нужно около 2в. Включаю БП в розетку и подключаю к нему светодиод тот моргнет погорит пару сек и сдыхает видать БП быстро напругу не сбрасывает
Линейную схему на ШИМ не надо переделывать - оно не будет правильно работать. Объяснять долго, если интересно, то смоделируйте в симуляторе и потыкайте осцилом в разные точки.
Прозрачное оргстекло и прочие белые пластики лучше всего должен резать фиолетовый лазер, длина волны 400-420 нм.
Я не Христос, рыбу не раздаю, но могу научить, как сделать удочку...
- Serg
- Мастер
- Сообщения: 21923
- Зарегистрирован: 17 апр 2012, 14:58
- Репутация: 5183
- Заслуга: c781c134843e0c1a3de9
- Настоящее имя: Сергей
- Откуда: Москва
- Контактная информация:
Re: Мощный лазерный диод
У Mean Well есть серия БП, умеющих работать паралельно с себе подобными на общую нагрузку, только скорее всего хирургическое вмешательство для переделки на стабилизацию тока будет несколько посложнее.Rafiq писал(а):Все точно так же, операционник, обвязка остается той же самой, только транзистор мощнее и токоизмерительный резистор пересчитать (сопротивление будет меньше, рассеиваемая мощность, скорее всего, побольше). Ну и разумеется, БП должен выдавать 50 А без проблемaftaev писал(а):Rafiq, теперь нужна схема на 50А
Могут возникнуть проблемы с подбором транзистора, да и блока питания тоже.
Я не Христос, рыбу не раздаю, но могу научить, как сделать удочку...
- Rafiq
- Мастер
- Сообщения: 1053
- Зарегистрирован: 28 сен 2012, 18:11
- Репутация: 6
- Откуда: Tatarstan Respublikası, Yar Çallı şəhəre
- Контактная информация:
Re: Мощный лазерный диод
А вкратце? По крайней мере на схеме я препятствий к этому не увидел. Полагается конечно, что операционник и транзистор не будут ограничивать быстродействие.UAVpilot писал(а):Объяснять долго
Последний раз редактировалось Rafiq 02 ноя 2012, 23:20, всего редактировалось 1 раз.
- Rafiq
- Мастер
- Сообщения: 1053
- Зарегистрирован: 28 сен 2012, 18:11
- Репутация: 6
- Откуда: Tatarstan Respublikası, Yar Çallı şəhəre
- Контактная информация:
Re: Мощный лазерный диод
Может, для 50 А проще и дешевле действительно, сварочный инвертор взять?UAVpilot писал(а): У Mean Well есть серия БП, умеющих работать паралельно с себе подобными на общую нагрузку, только скорее всего хирургическое вмешательство для переделки на стабилизацию тока будет несколько посложнее.
- Serg
- Мастер
- Сообщения: 21923
- Зарегистрирован: 17 апр 2012, 14:58
- Репутация: 5183
- Заслуга: c781c134843e0c1a3de9
- Настоящее имя: Сергей
- Откуда: Москва
- Контактная информация:
Re: Мощный лазерный диод
Схема управления полевиком для этого не подходит - оно не будет на килогерцах работать, да и сам транзистор будет работать не в ключевом, а в линейном режиме, т.е. греться будет так-же.Rafiq писал(а):А вкратце? По крайней мере на схеме я препятствий к этому не увидел. Полагается конечно, что операционник и транзистор не будут ограничивать быстродействие.UAVpilot писал(а):Объяснять долго
Я не Христос, рыбу не раздаю, но могу научить, как сделать удочку...
-
aftaev
- Зачётный участник

- Сообщения: 34042
- Зарегистрирован: 04 апр 2010, 19:22
- Репутация: 6194
- Откуда: Казахстан.
- Контактная информация:
Re: Мощный лазерный диод
Когда звонил в Москву кто продает станки с лазерами IPG сразу сказали пластики резать прозрачные не будут их лазеры заточены под метал, если нужно резать пластики нужно брать СО2Rafiq писал(а):Жаль. Довольно сильно ограничивает сферу применения.
Ну или такой http://www.ebay.com/itm/IPG-Photonics-Y ... 19d52dc528
Тож к сварочнику склоняюсьRafiq писал(а):Может, для 50 А проще и дешевле действительно, сварочный инвертор взять?
Дилетанту сложные вещи кажутся очень простыми, и только профессионал понимает насколько сложна самая простая вещь
Кто хочет - ищет возможности, кто не хочет - ищет оправдание.
Найди работу по душе и тебе не придется работать.
Кто хочет - ищет возможности, кто не хочет - ищет оправдание.
Найди работу по душе и тебе не придется работать.
-
aftaev
- Зачётный участник

- Сообщения: 34042
- Зарегистрирован: 04 апр 2010, 19:22
- Репутация: 6194
- Откуда: Казахстан.
- Контактная информация:
Re: Мощный лазерный диод
Попробовал лазер сфокусировать через линзу 25мм от головы СО2. Как не крутил линзу, фокусное расстояние результата нет. Лазер словно проходит через линзу как бы ее и нет 
Дилетанту сложные вещи кажутся очень простыми, и только профессионал понимает насколько сложна самая простая вещь
Кто хочет - ищет возможности, кто не хочет - ищет оправдание.
Найди работу по душе и тебе не придется работать.
Кто хочет - ищет возможности, кто не хочет - ищет оправдание.
Найди работу по душе и тебе не придется работать.
-
aftaev
- Зачётный участник

- Сообщения: 34042
- Зарегистрирован: 04 апр 2010, 19:22
- Репутация: 6194
- Откуда: Казахстан.
- Контактная информация:
Re: Мощный лазерный диод
Кто то с дуба рухнул:
LASER FIBER >870cm BURN CNC REPRAP LASER FIBER 3D PRINTER CUTTER
Price:US $799.00
http://www.ebay.com/itm/LASER-FIBER-870 ... 4602592578
LASER FIBER >870cm BURN CNC REPRAP LASER FIBER 3D PRINTER CUTTER
http://www.ebay.com/itm/LASER-FIBER-870 ... 4602592578
Дилетанту сложные вещи кажутся очень простыми, и только профессионал понимает насколько сложна самая простая вещь
Кто хочет - ищет возможности, кто не хочет - ищет оправдание.
Найди работу по душе и тебе не придется работать.
Кто хочет - ищет возможности, кто не хочет - ищет оправдание.
Найди работу по душе и тебе не придется работать.
- Serg
- Мастер
- Сообщения: 21923
- Зарегистрирован: 17 апр 2012, 14:58
- Репутация: 5183
- Заслуга: c781c134843e0c1a3de9
- Настоящее имя: Сергей
- Откуда: Москва
- Контактная информация:
Re: Мощный лазерный диод
Надо думать! Для 1070nm небось и фанера будет прозрачной, потому и 600W.aftaev писал(а):Когда звонил в Москву кто продает станки с лазерами IPG сразу сказали пластики резать прозрачные не будут их лазеры заточены под метал, если нужно резать пластики нужно брать СО2Rafiq писал(а):Жаль. Довольно сильно ограничивает сферу применения.
Ну или такой http://www.ebay.com/itm/IPG-Photonics-Y ... 19d52dc528![]()
Все пластики (можно даже сказать про все полимеры) слабо прозрачны для ультрафиолета, даже прозрачные для видимого света. Именно поэтому все они на солнечном свете мутнеют и портятся.
Но УФ лазер пока ещё малореален для промышленного применения, поэтому ближайшее, что есть - это фиолетовый лазер. Одноваттным фиолетовым лазером получается гравировать прозрачные оргстекло и поликарбонат, я пробовал.
Последний раз редактировалось Serg 02 ноя 2012, 23:52, всего редактировалось 1 раз.
Я не Христос, рыбу не раздаю, но могу научить, как сделать удочку...
- Serg
- Мастер
- Сообщения: 21923
- Зарегистрирован: 17 апр 2012, 14:58
- Репутация: 5183
- Заслуга: c781c134843e0c1a3de9
- Настоящее имя: Сергей
- Откуда: Москва
- Контактная информация:
Re: Мощный лазерный диод
Длины волн слишком сильно отличаются.aftaev писал(а):Попробовал лазер сфокусировать через линзу 25мм от головы СО2. Как не крутил линзу, фокусное расстояние результата нет. Лазер словно проходит через линзу как бы ее и нет
Я не Христос, рыбу не раздаю, но могу научить, как сделать удочку...
-
aftaev
- Зачётный участник

- Сообщения: 34042
- Зарегистрирован: 04 апр 2010, 19:22
- Репутация: 6194
- Откуда: Казахстан.
- Контактная информация:
Re: Мощный лазерный диод
Cпутал трубка СО2 длина 10600nm и 1070nm у диодаUAVpilot писал(а):Надо думать! Для 1070nm небось и фанера будет прозрачной, потому и 600W.
Дилетанту сложные вещи кажутся очень простыми, и только профессионал понимает насколько сложна самая простая вещь
Кто хочет - ищет возможности, кто не хочет - ищет оправдание.
Найди работу по душе и тебе не придется работать.
Кто хочет - ищет возможности, кто не хочет - ищет оправдание.
Найди работу по душе и тебе не придется работать.
- Serg
- Мастер
- Сообщения: 21923
- Зарегистрирован: 17 апр 2012, 14:58
- Репутация: 5183
- Заслуга: c781c134843e0c1a3de9
- Настоящее имя: Сергей
- Откуда: Москва
- Контактная информация:
Re: Мощный лазерный диод
Да ладно! 10600nm - это уже средневолновое ИК, для него дерево, пластики, бетон полностью прозрачны. 
у диода небось 800nm - коротковолновое ИК (насколько можно по цвету в ролике судить).
у диода небось 800nm - коротковолновое ИК (насколько можно по цвету в ролике судить).
Я не Христос, рыбу не раздаю, но могу научить, как сделать удочку...