3D Принтер. От чертежей до работающего принтера.
- AKlion
- Почётный участник

- Сообщения: 735
- Зарегистрирован: 27 фев 2013, 02:56
- Репутация: 106
- Настоящее имя: Андрей Крюков
- Откуда: Тольятти
- Контактная информация:
Re: 3D Принтер. От чертежей до работающего принтера.
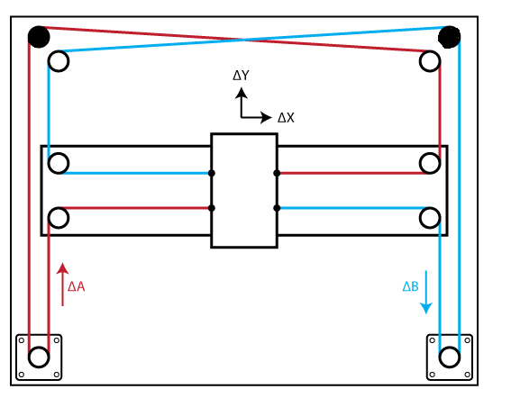
На самом деле кинематика изменена, для того чтобы ремни не пришлось разводить сильно по высоте в месте перехлёста. Они не просто пересекаются а ещё и поворачиваются. Именно это сделало возможным сделать компактную схему на широких ремнях.
Подключение моторов можно найти методом тыка, как я и сделал, ушло на это всего пара минут. Мне было проще перекинуть пару разъёмов чем включать реверсы в прошивке.
Подключение моторов можно найти методом тыка, как я и сделал, ушло на это всего пара минут. Мне было проще перекинуть пару разъёмов чем включать реверсы в прошивке.
Жить нужно так, чтобы было стыдно рассказать, но приятно вспомнить... Будте счастливы, при малейшей возможности!
- solo
- Мастер
- Сообщения: 1374
- Зарегистрирован: 20 окт 2011, 18:39
- Репутация: 272
- Настоящее имя: Юрий Соловьев
- Откуда: Украина Харьков
- Контактная информация:
Re: 3D Принтер. От чертежей до работающего принтера.
О точноAKlion писал(а):Они не просто пересекаются а ещё и поворачиваются.
А насколько широкий ремень используется у вас
- AKlion
- Почётный участник

- Сообщения: 735
- Зарегистрирован: 27 фев 2013, 02:56
- Репутация: 106
- Настоящее имя: Андрей Крюков
- Откуда: Тольятти
- Контактная информация:
Re: 3D Принтер. От чертежей до работающего принтера.
Ремень 9 мм, юолее узкого просто не хватит по жосткости. Можно не пробовать даже.
Жить нужно так, чтобы было стыдно рассказать, но приятно вспомнить... Будте счастливы, при малейшей возможности!
- AKlion
- Почётный участник

- Сообщения: 735
- Зарегистрирован: 27 фев 2013, 02:56
- Репутация: 106
- Настоящее имя: Андрей Крюков
- Откуда: Тольятти
- Контактная информация:
Re: 3D Принтер. От чертежей до работающего принтера.
Ну вот у меня ещё одна победа, после небольшой доводки принтер стал работать очень тихо, не громче чем сидипривод в компе. А он у меня из тихой сери. И это на полной скорости печати.
Жить нужно так, чтобы было стыдно рассказать, но приятно вспомнить... Будте счастливы, при малейшей возможности!
-
nik1
- Мастер
- Сообщения: 8408
- Зарегистрирован: 02 окт 2012, 07:37
- Репутация: 3629
- Откуда: Красногорск
- Контактная информация:
Re: 3D Принтер. От чертежей до работающего принтера.
За счет чего ? Настройка контроллера движения или драйверов? Или чего еще?
А то меня посещали шальные мысли ставить сервы,
после просмотра видео
А то меня посещали шальные мысли ставить сервы,
после просмотра видео
-
gendos
- Мастер
- Сообщения: 1117
- Зарегистрирован: 06 июл 2011, 15:26
- Репутация: 81
- Настоящее имя: Геннадий
- Откуда: Ростов-на-дону
- Контактная информация:
Re: 3D Принтер. От чертежей до работающего принтера.
Сделал лазер на кинематике CoreXY+LinuxCNC , тоже было желание не разводить ремни по высоте в месте перехлеста,AKlion писал(а):На самом деле кинематика изменена, для того чтобы ремни не пришлось разводить сильно по высоте в месте перехлёста. Они не просто пересекаются а ещё и поворачиваются. Именно это сделало возможным сделать компактную схему на широких ремнях.
но не хватило тяму придумать узел разворота ремней.Если не секрет ,поделитесь идеей.
Так как хочу сделать новую механику с учетом всех улучшений. И еще, может есть какая идея по поводу уменьшения
вибрации ремней(может для этого сервы лучше подойдут)
- solo
- Мастер
- Сообщения: 1374
- Зарегистрирован: 20 окт 2011, 18:39
- Репутация: 272
- Настоящее имя: Юрий Соловьев
- Откуда: Украина Харьков
- Контактная информация:
Re: 3D Принтер. От чертежей до работающего принтера.
Я бы наверное просто, тупо, на черных роликах перевернул ремень на 180 градусов вдоль лини движения, так чтобы ремень по ролику проходил наружной стороной ремня
- AKlion
- Почётный участник

- Сообщения: 735
- Зарегистрирован: 27 фев 2013, 02:56
- Репутация: 106
- Настоящее имя: Андрей Крюков
- Откуда: Тольятти
- Контактная информация:
Re: 3D Принтер. От чертежей до работающего принтера.
И так по порядку, вот схема ремней, разнести пришлось только на 1.5мм с каждой стороны по высоте. Это видно в едравинге который я виложыл. Вот ремни с роликами и головкой.
Шумность принтера удалось снизить настройками. Просто нужно было правильно подобрать настройки. Ещё нужно перепечатать крепление двигателя вертикального привода чтобы подложить под него резину.
Вчера долго думал и пришел к выводу, чертежи можно будет получить заказав комплект пластиковых деталей для принтера, так же передам список всех мест где и что заказывал. Все детали отпечатаю с уже внесёнными поправками. За более подробными вопросами в личку.
Хочу ли я что то поменять в принтере, нет, кроме резиновых прокладок под 1 из моторов ничего переделывать не буду, всё идеально работает!
Шумность принтера удалось снизить настройками. Просто нужно было правильно подобрать настройки. Ещё нужно перепечатать крепление двигателя вертикального привода чтобы подложить под него резину.
Вчера долго думал и пришел к выводу, чертежи можно будет получить заказав комплект пластиковых деталей для принтера, так же передам список всех мест где и что заказывал. Все детали отпечатаю с уже внесёнными поправками. За более подробными вопросами в личку.
Хочу ли я что то поменять в принтере, нет, кроме резиновых прокладок под 1 из моторов ничего переделывать не буду, всё идеально работает!
Жить нужно так, чтобы было стыдно рассказать, но приятно вспомнить... Будте счастливы, при малейшей возможности!
- AKlion
- Почётный участник

- Сообщения: 735
- Зарегистрирован: 27 фев 2013, 02:56
- Репутация: 106
- Настоящее имя: Андрей Крюков
- Откуда: Тольятти
- Контактная информация:
Re: 3D Принтер. От чертежей до работающего принтера.
Печатаю сиськи
кто успеет тот и увидит сам процесс http://flycamstudio.ru/3d-pechat-iz-plastika/
Кстати вчера отпечатал мерные кубики, на 30 мм ошибка в 3 сотки, я сам был удивлён.
Кстати вчера отпечатал мерные кубики, на 30 мм ошибка в 3 сотки, я сам был удивлён.
Жить нужно так, чтобы было стыдно рассказать, но приятно вспомнить... Будте счастливы, при малейшей возможности!
- AKlion
- Почётный участник

- Сообщения: 735
- Зарегистрирован: 27 фев 2013, 02:56
- Репутация: 106
- Настоящее имя: Андрей Крюков
- Откуда: Тольятти
- Контактная информация:
Re: 3D Принтер. От чертежей до работающего принтера.
И под конец снимок экрана с онлайн трансляции.
Жить нужно так, чтобы было стыдно рассказать, но приятно вспомнить... Будте счастливы, при малейшей возможности!
- NightV
- Почётный участник

- Сообщения: 6610
- Зарегистрирован: 30 дек 2011, 09:14
- Репутация: 2279
- Настоящее имя: Владимир Айрапетян
- Откуда: Israel
- Контактная информация:
Re: 3D Принтер. От чертежей до работающего принтера.
да забудь ты уже про сиськи
он них до тебя 90% форума и не подозревало

он них до тебя 90% форума и не подозревало
Всё просто! если знаешь КАК!
- AKlion
- Почётный участник

- Сообщения: 735
- Зарегистрирован: 27 фев 2013, 02:56
- Репутация: 106
- Настоящее имя: Андрей Крюков
- Откуда: Тольятти
- Контактная информация:
Re: 3D Принтер. От чертежей до работающего принтера.
Я раскрыл многим глаза

Жить нужно так, чтобы было стыдно рассказать, но приятно вспомнить... Будте счастливы, при малейшей возможности!
- NightV
- Почётный участник

- Сообщения: 6610
- Зарегистрирован: 30 дек 2011, 09:14
- Репутация: 2279
- Настоящее имя: Владимир Айрапетян
- Откуда: Israel
- Контактная информация:
Re: 3D Принтер. От чертежей до работающего принтера.
Всё просто! если знаешь КАК!
- AKlion
- Почётный участник

- Сообщения: 735
- Зарегистрирован: 27 фев 2013, 02:56
- Репутация: 106
- Настоящее имя: Андрей Крюков
- Откуда: Тольятти
- Контактная информация:
Re: 3D Принтер. От чертежей до работающего принтера.
Закончу принтер займусь фрезером. Остались мелочи эстетического характера. Вот сейчас печатаю панель для органов управления.
Жить нужно так, чтобы было стыдно рассказать, но приятно вспомнить... Будте счастливы, при малейшей возможности!
- AKlion
- Почётный участник

- Сообщения: 735
- Зарегистрирован: 27 фев 2013, 02:56
- Репутация: 106
- Настоящее имя: Андрей Крюков
- Откуда: Тольятти
- Контактная информация:
Re: 3D Принтер. От чертежей до работающего принтера.
Печатаю резьбу. Простите за качество, снимал временной вебкой.
https://www.youtube.com/watch?v=ZDtJ_32K0f0
https://www.youtube.com/watch?v=ZDtJ_32K0f0
Жить нужно так, чтобы было стыдно рассказать, но приятно вспомнить... Будте счастливы, при малейшей возможности!
- michael-yurov
- Почётный участник

- Сообщения: 11730
- Зарегистрирован: 26 июл 2012, 00:10
- Репутация: 4703
- Настоящее имя: Михаил Львович
- Откуда: Новоуральск
- Контактная информация:
Re: 3D Принтер. От чертежей до работающего принтера.
А что это за деталь? Куда она?
- AKlion
- Почётный участник

- Сообщения: 735
- Зарегистрирован: 27 фев 2013, 02:56
- Репутация: 106
- Настоящее имя: Андрей Крюков
- Откуда: Тольятти
- Контактная информация:
Re: 3D Принтер. От чертежей до работающего принтера.
Ось для катушки. Мелочь всякую делаю.
Жить нужно так, чтобы было стыдно рассказать, но приятно вспомнить... Будте счастливы, при малейшей возможности!
- AKlion
- Почётный участник

- Сообщения: 735
- Зарегистрирован: 27 фев 2013, 02:56
- Репутация: 106
- Настоящее имя: Андрей Крюков
- Откуда: Тольятти
- Контактная информация:
Re: 3D Принтер. От чертежей до работающего принтера.
Приехали ко мне сегодня винтовые пары SFU1204. Гайки на шариках совсем без люфтов. И закралась у меня крамольная мысль. может можно совсем избавится от вертикальных направляющих на линейных подшипниках, ведь боковых нагрузок стол не несёт никаких, да и вертикальная очень маленькая. Может я конечно где-то неправ но такая крамольная мысль закралась.
От третьей задней направляющей точно можно избавится, как я думаю.
От третьей задней направляющей точно можно избавится, как я думаю.
Жить нужно так, чтобы было стыдно рассказать, но приятно вспомнить... Будте счастливы, при малейшей возможности!
-
aftaev
- Зачётный участник

- Сообщения: 34042
- Зарегистрирован: 04 апр 2010, 19:22
- Репутация: 6194
- Откуда: Казахстан.
- Контактная информация:
Re: 3D Принтер. От чертежей до работающего принтера.
на гайке белые пыльники открути и посмотри как будет без люфтов.AKlion писал(а): Гайки на шариках совсем без люфтов.
а ты винт покрути и посмотри как его колбасит.AKlion писал(а): может можно совсем избавится от вертикальных направляющих на линейных подшипниках, ведь боковых нагрузок стол не несёт никаких, да и вертикальная очень маленькая.
Дилетанту сложные вещи кажутся очень простыми, и только профессионал понимает насколько сложна самая простая вещь
Кто хочет - ищет возможности, кто не хочет - ищет оправдание.
Найди работу по душе и тебе не придется работать.
Кто хочет - ищет возможности, кто не хочет - ищет оправдание.
Найди работу по душе и тебе не придется работать.
- AKlion
- Почётный участник

- Сообщения: 735
- Зарегистрирован: 27 фев 2013, 02:56
- Репутация: 106
- Настоящее имя: Андрей Крюков
- Откуда: Тольятти
- Контактная информация:
Re: 3D Принтер. От чертежей до работающего принтера.
Я бы не сказал что люфт там значительный, померил всего пару тройку соток.
Жить нужно так, чтобы было стыдно рассказать, но приятно вспомнить... Будте счастливы, при малейшей возможности!