Сравнение бюджетных систем управления ЧПУ
- michael-yurov
- Почётный участник

- Сообщения: 11731
- Зарегистрирован: 26 июл 2012, 00:10
- Репутация: 4703
- Настоящее имя: Михаил Львович
- Откуда: Новоуральск
- Контактная информация:
Re: Сравнение бюджетных систем управления ЧПУ
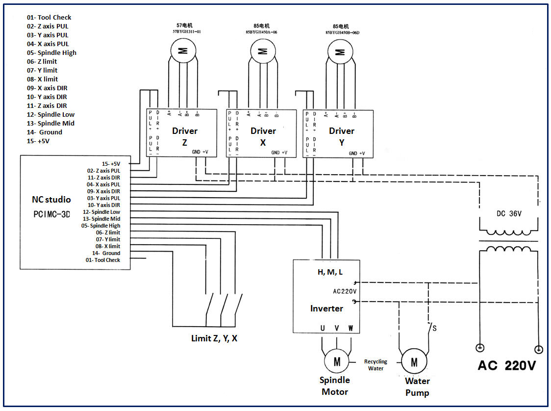
NCStudio PCI-3D
-
vmarkiv
- Мастер
- Сообщения: 516
- Зарегистрирован: 21 янв 2012, 00:23
- Репутация: 32
- Откуда: Ивано-Франковск
- Контактная информация:
Re: Сравнение бюджетных систем управления ЧПУ
Схему самой платы ,электрическую принципиальную , с прошивками ...
- michael-yurov
- Почётный участник

- Сообщения: 11731
- Зарегистрирован: 26 июл 2012, 00:10
- Репутация: 4703
- Настоящее имя: Михаил Львович
- Откуда: Новоуральск
- Контактная информация:
Re: Сравнение бюджетных систем управления ЧПУ
Берешь плату, да копируешь, и схему и прошивки.vmarkiv писал(а):Схему самой платы ,электрическую принципиальную , с прошивками ...
Плата двусторонняя. Стоит все это дело копейки, так что проблем не вижу, кроме юридических.
-
vmarkiv
- Мастер
- Сообщения: 516
- Зарегистрирован: 21 янв 2012, 00:23
- Репутация: 32
- Откуда: Ивано-Франковск
- Контактная информация:
Re: Сравнение бюджетных систем управления ЧПУ
А открытый проэкт ?
-
Impartial
- Мастер
- Сообщения: 953
- Зарегистрирован: 23 фев 2011, 01:50
- Репутация: 36
- Контактная информация:
Re: Сравнение бюджетных систем управления ЧПУ
Судя по фоткам платы там ничего не программируется.
-
Yur_ra
- Опытный
- Сообщения: 161
- Зарегистрирован: 04 мар 2013, 16:09
- Репутация: 8
- Контактная информация:
Re: Сравнение бюджетных систем управления ЧПУ
Да ну, какие ужасы рассказываетеmichael-yurov писал(а):Оптопара то стоит, а гальванической развязки нет.Yur_ra писал(а):Поправлю развязка по z=0 есть . Вот картинка
Чтобы использовать этот датчик придется подать +5 В на шпиндель (соответственно - на корпус станка), а если корпус станка заземлен, и компьютер заземлен, а у компьютера 0 питания соединен с корпусом и землей, то что произойдет?
+5 Вольт от блока питания компьютера будут замкнуты на массу и на заземление. Или я что-то не понимаю? Можно, конечно, наоборот сделать - подать через резистор на пластину датчика +5 В, а шпиндель, как был, так и останется заземленным, и все будет работать,
Если, конечно, пользователь сообразит, как инвертировать вход датчика касания.
датчик по z=0 срабатывает от простого соединения на ноль. Полярность сигнала от датчиков баз и z=0 в самой NCstudio выставляется и прекрасно работает.
Не знаете как? Научу!
Полной развязки согласен, нет, но главное сами сигналы развязаны, потому риск спалить карточку практически отсутствует.
Ломается всё, даже то что в принципе никогда не ломается... А я чиню.
- michael-yurov
- Почётный участник

- Сообщения: 11731
- Зарегистрирован: 26 июл 2012, 00:10
- Репутация: 4703
- Настоящее имя: Михаил Львович
- Откуда: Новоуральск
- Контактная информация:
Re: Сравнение бюджетных систем управления ЧПУ
Это не проверял. Сделал честную полноценную развязку.Yur_ra писал(а):датчик по z=0 срабатывает от простого соединения на ноль.
Знаю как, и побольше многих знаю. Например, знаете, как увидеть графики скоростей по осям во время работы станка?Yur_ra писал(а):Не знаете как? Научу!
-
Yur_ra
- Опытный
- Сообщения: 161
- Зарегистрирован: 04 мар 2013, 16:09
- Репутация: 8
- Контактная информация:
Re: Сравнение бюджетных систем управления ЧПУ
когда впервые копался и изучал NCstudio методом тыка, так пару раз выводил этот график, сразу и не понял чего это, потом дошло.
любят китайцы всякие комбинации из трёх букв (клавиш)
любят китайцы всякие комбинации из трёх букв (клавиш)
Ломается всё, даже то что в принципе никогда не ломается... А я чиню.
-
caha200762
- Новичок
- Сообщения: 39
- Зарегистрирован: 10 мар 2012, 09:31
- Репутация: 0
- Откуда: Г. Новосибирск
- Контактная информация:
-
asutpka
- Мастер
- Сообщения: 294
- Зарегистрирован: 17 апр 2013, 14:27
- Репутация: 78
- Контактная информация:
Re: Сравнение бюджетных систем управления ЧПУ
EMC2
Собрал стенд - ПК P4-630-3000Ghz mboard ASUS P5GD1VM 2*512Mb скорость на шине 800MHz видео интегрировано +девственная установка EMC2-V2.5 в составе образа с офсайта +плохой драйвер шагового двигателя + плохой импульсный блок питания с напряжением 12v + хороший мотор . Задаю УП arcspiral.ngc и гоняю на режимах близких к срыву вращения двигателя. Именно при сочетании плохого выявляются некоторые нюансы без инструментального контроля, исключительно на слух и тактильно.
тестировал на разных GUI
1 mocca -- наблюдается регулярная нестабильность генерации импульсов в момент смены числовых указателей позиции в окне GUI. На звук 4-8 раз в секунду.
2 tkemc -- наблюдается регулярная нестабильность генерации импульсов в момент смены числовых указателей позиции в окне GUI. На звук 3 раз в секунду.
3 keystick -- без нареканий, но есть нюанс. Если повторно попытаться вызвать справку - вылетает с ошибкой.
4 axis -- наблюдаются мелкие хаотичные едва уловимые нестабильности генерации импульсов. очевидной причины не уловил.
Во всех случаях на стабильность генерации импульсов влияет любые движения мышью, открытие закрытие окон, программ и тд.
Собрал стенд - ПК P4-630-3000Ghz mboard ASUS P5GD1VM 2*512Mb скорость на шине 800MHz видео интегрировано +девственная установка EMC2-V2.5 в составе образа с офсайта +плохой драйвер шагового двигателя + плохой импульсный блок питания с напряжением 12v + хороший мотор . Задаю УП arcspiral.ngc и гоняю на режимах близких к срыву вращения двигателя. Именно при сочетании плохого выявляются некоторые нюансы без инструментального контроля, исключительно на слух и тактильно.
тестировал на разных GUI
1 mocca -- наблюдается регулярная нестабильность генерации импульсов в момент смены числовых указателей позиции в окне GUI. На звук 4-8 раз в секунду.
2 tkemc -- наблюдается регулярная нестабильность генерации импульсов в момент смены числовых указателей позиции в окне GUI. На звук 3 раз в секунду.
3 keystick -- без нареканий, но есть нюанс. Если повторно попытаться вызвать справку - вылетает с ошибкой.
4 axis -- наблюдаются мелкие хаотичные едва уловимые нестабильности генерации импульсов. очевидной причины не уловил.
Во всех случаях на стабильность генерации импульсов влияет любые движения мышью, открытие закрытие окон, программ и тд.
- Serg
- Мастер
- Сообщения: 21923
- Зарегистрирован: 17 апр 2012, 14:58
- Репутация: 5183
- Заслуга: c781c134843e0c1a3de9
- Настоящее имя: Сергей
- Откуда: Москва
- Контактная информация:
Re: Сравнение бюджетных систем управления ЧПУ
Без данных latency-test эта информация не имеет смысла.
Я не Христос, рыбу не раздаю, но могу научить, как сделать удочку...
-
Moonglow
- Опытный
- Сообщения: 117
- Зарегистрирован: 16 окт 2013, 09:24
- Репутация: 108
- Откуда: Москва
- Контактная информация:
Re: Сравнение бюджетных систем управления ЧПУ
Решил провести тестирование PlanetCNC с живыми контроллерами:
Версии ПО:
Управляющие: 2.10.1308.601 БЕТА
Микропрограмма МК2: 2013-07-13
Микропрограмма МК1: 2013-03-31
Настройки осей:
200 шагов на мм
Ускорение X: 25, макс. скорость 6000
Ускорение Y: 25, макс. скорость 6000
Ускорение Z: 250, макс. скорость 6000
Начальные координаты: X84.0290 Y-122.5850 Z0
Время измерял программой-секундомером на мобильном телефоне.
Остальные настройки программы не менялись и были оставлены по умолчанию.
Результат:
PlanetCNC МК2
Результат для arc.tap
Предсказанное время: 00:39 , реально ~02:44
Результат для line.tap
Предсказанное время: 00:35 , реально ~02:36
С отключенным Lookahead ( angle = 180 ):
Результат для arc.tap
Предсказанное время: 00:39 , реально ~03:22
Результат для line.tap
Предсказанное время: 00:35 , реально ~06:56
PlanetCNC МК1
Результат для arc.tap
Предсказанное время: 00:39 , реально ~02:45
Результат для line.tap
Предсказанное время: 00:35 , реально ~02:37
Во всех случаях была настройка 200 шагов на единицу перемещения. Как видно результат почти идентичен... 200 шагов это скажем настройки при 4мм шаге винта и микрошаге 1/4 ... если взять более реальную ситуацию например мой станок где шаг винта: 4мм ,микрошаг 1/16 ,соответственно 800 шагов на мм, результат для простой МК1 следующий:
Результат для arc.tap
Предсказанное время: 00:39 , реально ~03:02
Результат для line.tap
Предсказанное время: 00:35 , реально ~02:49
Версии ПО:
Управляющие: 2.10.1308.601 БЕТА
Микропрограмма МК2: 2013-07-13
Микропрограмма МК1: 2013-03-31
Настройки осей:
200 шагов на мм
Ускорение X: 25, макс. скорость 6000
Ускорение Y: 25, макс. скорость 6000
Ускорение Z: 250, макс. скорость 6000
Начальные координаты: X84.0290 Y-122.5850 Z0
Время измерял программой-секундомером на мобильном телефоне.
Остальные настройки программы не менялись и были оставлены по умолчанию.
Результат:
PlanetCNC МК2
Результат для arc.tap
Предсказанное время: 00:39 , реально ~02:44
Результат для line.tap
Предсказанное время: 00:35 , реально ~02:36
С отключенным Lookahead ( angle = 180 ):
Результат для arc.tap
Предсказанное время: 00:39 , реально ~03:22
Результат для line.tap
Предсказанное время: 00:35 , реально ~06:56
PlanetCNC МК1
Результат для arc.tap
Предсказанное время: 00:39 , реально ~02:45
Результат для line.tap
Предсказанное время: 00:35 , реально ~02:37
Во всех случаях была настройка 200 шагов на единицу перемещения. Как видно результат почти идентичен... 200 шагов это скажем настройки при 4мм шаге винта и микрошаге 1/4 ... если взять более реальную ситуацию например мой станок где шаг винта: 4мм ,микрошаг 1/16 ,соответственно 800 шагов на мм, результат для простой МК1 следующий:
Результат для arc.tap
Предсказанное время: 00:39 , реально ~03:02
Результат для line.tap
Предсказанное время: 00:35 , реально ~02:49
Последний раз редактировалось Moonglow 17 окт 2013, 11:10, всего редактировалось 1 раз.
- ukr-sasha
- Мастер
- Сообщения: 3401
- Зарегистрирован: 21 мар 2011, 07:47
- Репутация: 2181
- Настоящее имя: Украинец Александр Григорьевич
- Откуда: Киев, Украина
- Контактная информация:
Re: Сравнение бюджетных систем управления ЧПУ
Т.е. алгоритм улучшен уже?
Почему такая большая разница в предсказанном времени и реальном?
Почему такая большая разница в предсказанном времени и реальном?
-
Moonglow
- Опытный
- Сообщения: 117
- Зарегистрирован: 16 окт 2013, 09:24
- Репутация: 108
- Откуда: Москва
- Контактная информация:
Re: Сравнение бюджетных систем управления ЧПУ
Да, но опять таки не совсем понял использовался ли живой контроллер в первых тестах или это была симуляция.... В этом году было проделано много работы по Лукахеду и общим стратегиям ускорения.ukr-sasha писал(а):Т.е. алгоритм улучшен уже?
ПО поводу живого времени и предсказан... то есть всегда настройка TimeFactror
Видео прогона arch.tap, MK2
http://www.youtube.com/watch?v=iiW9s6LfW_c
- michael-yurov
- Почётный участник

- Сообщения: 11731
- Зарегистрирован: 26 июл 2012, 00:10
- Репутация: 4703
- Настоящее имя: Михаил Львович
- Откуда: Новоуральск
- Контактная информация:
Re: Сравнение бюджетных систем управления ЧПУ
Там симуляцию без контроллера не сделать, вроде бы.Moonglow писал(а):но опять таки не совсем понял использовался ли живой контроллер в первых тестах или это была симуляция....
То что я написал - лишь были мои предположения времени обработки, если задать пороговый угол близким к 180°.
-
Moonglow
- Опытный
- Сообщения: 117
- Зарегистрирован: 16 окт 2013, 09:24
- Репутация: 108
- Откуда: Москва
- Контактная информация:
Re: Сравнение бюджетных систем управления ЧПУ
Можно и без контроллера через View->Simulate. Но за информацию спасибо посмотрю более внимательно на тестовые УП и их выполнение.michael-yurov писал(а):Там симуляцию без контроллера не сделать, вроде бы.
- michael-yurov
- Почётный участник

- Сообщения: 11731
- Зарегистрирован: 26 июл 2012, 00:10
- Репутация: 4703
- Настоящее имя: Михаил Львович
- Откуда: Новоуральск
- Контактная информация:
Re: Сравнение бюджетных систем управления ЧПУ
Это просто движение по траектории с постоянной скоростью с бесконечно высокими ускорениями и без остановок в углах.Moonglow писал(а):Можно и без контроллера через View->Simulate.
-
Moonglow
- Опытный
- Сообщения: 117
- Зарегистрирован: 16 окт 2013, 09:24
- Репутация: 108
- Откуда: Москва
- Контактная информация:
Re: Сравнение бюджетных систем управления ЧПУ
Да, конечно, я уже говорил, что это не связано с живым контроллером... поэтому и предположил что цифры в статье были взяты из неё...michael-yurov писал(а):Это просто движение по траектории с постоянной скоростью с бесконечно высокими ускорениями и без остановок в углах.Moonglow писал(а):Можно и без контроллера через View->Simulate.
Re: Сравнение бюджетных систем управления ЧПУ
Надо бы вкладывать реальные тесты, а то получается одни домыслы.michael-yurov писал(а):То что я написал - лишь были мои предположения времени обработки, если задать пороговый угол близким к 180°.
Если выставить все параметры под постоянную скорость, то на реальном МК2 получается, вот так,
угол 20 градусов, где то 50 секунд
http://youtu.be/zqYaJg7zi5c
угол 160 градусов, где то 2.25 минут
http://youtu.be/z2b74uSB17U
Сферический ватник в вакууме.
- michael-yurov
- Почётный участник

- Сообщения: 11731
- Зарегистрирован: 26 июл 2012, 00:10
- Репутация: 4703
- Настоящее имя: Михаил Львович
- Откуда: Новоуральск
- Контактная информация:
Re: Сравнение бюджетных систем управления ЧПУ
Вот я не знаю, что можно ответить на тему этого PlanetCNC.
Baha, какой смысл от этих тестов если программа кардинально нарушает условия тестирования?
Вот, например тем про эту программу: http://cnc.userforum.ru/viewtopic.php?id=2913
по словам пользователя, даже Mach3 работает намного лучше, чем этот контроллер:
Baha, какой смысл от этих тестов если программа кардинально нарушает условия тестирования?
Вот, например тем про эту программу: http://cnc.userforum.ru/viewtopic.php?id=2913
по словам пользователя, даже Mach3 работает намного лучше, чем этот контроллер:
Всем привет, сегодня с утра решил взять ПК вместо ноута и поставил плату LPT вместо USB,потом подтянул ремни на редукторах, убрал все люфты, выбрал нормальные шаги для работы и решил попробовать вырезать вчерашний g-koд ( который резал вчера на USB и на ноутбуке) и тут свершилось чудо)))тестил зедку на 7тыс и 500ускорении и все гуд никаких рывков ни какой вибрации, вообщем все потестил все шикарно, включил g-код на 5тыс подача и 5тыс резка, побежал станок шо дурной (пробовал больше и больше тянет, никаких клеваний и вибраций, вырезал вот изделие...