автореверс коллекторного двигателя

Общие вопросы станкостроения и организиции труда.
a321
Мастер
Сообщения: 644
Зарегистрирован: 03 дек 2016, 00:30
Репутация: 74
Контактная информация:

автореверс коллекторного двигателя

Сообщение a321 »

Коллеги, хочется организовать автореверс коллекторному двигателю, бывшему шпинделю. Как всегда - дешево и сердито. Подскажите пожалуйста, кто имел опыт и наводками поделитесь пожалуйста.
Cvazist
Мастер
Сообщения: 1155
Зарегистрирован: 16 окт 2017, 16:07
Репутация: 97
Контактная информация:

Re: автореверс коллекторного двигателя

Сообщение Cvazist »

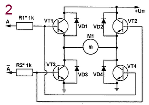
revers dvigatel2.png (28818 просмотров) <a class='original' href='./download/file.php?id=213400&mode=view' target=_blank>Загрузить оригинал (17.56 КБ)</a>
Транзисторы можно заменить реле.
Аватара пользователя
xvovanx
Мастер
Сообщения: 3776
Зарегистрирован: 25 фев 2016, 12:27
Репутация: 920
Настоящее имя: Владимир
Откуда: Latvia
Контактная информация:

Re: автореверс коллекторного двигателя

Сообщение xvovanx »

a321 писал(а): наводками поделитесь пожалуйста
на двух реле с перекидными контактами
a321
Мастер
Сообщения: 644
Зарегистрирован: 03 дек 2016, 00:30
Репутация: 74
Контактная информация:

Re: автореверс коллекторного двигателя

Сообщение a321 »

а что-нибудь готовое с Али? Надо, чтобы минуту-другую в одну сторону, минуту в другую. И еще и с паузой на торможение - а то ведь сгорит.
Куда вводить поисковый запрос на Али я знаю. Но вот как они такю штуковину называют - даже не могу себе представить. Если у них зубья фрезы являются флейтами, а плашки - штампами HSS, то я угадать не могу. Мне надо галтовочный барабан крутить.
Аватара пользователя
Alexandr Borisjuk
Опытный
Сообщения: 105
Зарегистрирован: 01 июл 2017, 10:12
Репутация: 17
Настоящее имя: Александр Борисюк
Откуда: Минск
Контактная информация:

Re: автореверс коллекторного двигателя

Сообщение Alexandr Borisjuk »

a321 писал(а): Если у них зубья фрезы являются флейтами, а плашки - штампами HSS, то я угадать не могу.
Так, а что там гадать? Обычный переключатель для электрической занавески автоматической двери.
https://aliexpress.ru/item/100500568116 ... 4666N3VSF3
Только подумать, как 2 концевика приделать.
Аватара пользователя
Alexandr Borisjuk
Опытный
Сообщения: 105
Зарегистрирован: 01 июл 2017, 10:12
Репутация: 17
Настоящее имя: Александр Борисюк
Откуда: Минск
Контактная информация:

Re: автореверс коллекторного двигателя

Сообщение Alexandr Borisjuk »

А вот это, похоже, с реле времени:
https://aliexpress.ru/item/100500547730 ... 4e1caIsSH2
a321
Мастер
Сообщения: 644
Зарегистрирован: 03 дек 2016, 00:30
Репутация: 74
Контактная информация:

Re: автореверс коллекторного двигателя

Сообщение a321 »

Alexandr Borisjuk писал(а): А вот это, похоже, с реле времени:
Хорошая попытка, спасибо. Вчера сам искал,таких не видел. Но у меня моторчик такого рода, ему надо больше 24В. -
https://aliexpress.ru/item/1005006664588530.html

Поиск по теме
dc 100v flip-flop
Automation Cycle Delay Timer Control
пока ничего не дал. Вижу цены от 96 и вольтаж до 36в.
Евжений
Мастер
Сообщения: 1168
Зарегистрирован: 05 апр 2016, 20:18
Репутация: 136
Настоящее имя: Жэзэрэл
Откуда: Там, сям.
Контактная информация:

Re: автореверс коллекторного двигателя

Сообщение Евжений »

Снимок экрана 2025-02-05 013341.png (28739 просмотров) <a class='original' href='./download/file.php?id=213406&mode=view' target=_blank>Загрузить оригинал (159.17 КБ)</a>
вон оно чё
ВК https://vk.com/id353124059
О Боже, дай мне .... пендель!
nevkon
Почётный участник
Почётный участник
Сообщения: 2477
Зарегистрирован: 17 июл 2015, 10:25
Репутация: 310
Настоящее имя: Константин
Откуда: Балаково (Саратовская обл.)
Контактная информация:

Re: автореверс коллекторного двигателя

Сообщение nevkon »

Так по ссылкам реле управляет двигателем, там где написано Power supply может быть по сути любое напряжение. Конечно есть некоторые проблемы у релюшек с нестандартными напряжениями (стандартно - до 220В переменки или 30В постоянки), но не критичные. При желании можно взять другие реле подходящие и включить в цепь управления вместо штатных. То что указано "до 24В" это напряжение питания самого блока управления.
Но это именно привод двери, вместо концевиков можно как раз применить кнопки направления движения. На барабане предусмотреть флажок который в конце оборота будет нажимать кнопку противоположного хода.
a321
Мастер
Сообщения: 644
Зарегистрирован: 03 дек 2016, 00:30
Репутация: 74
Контактная информация:

Re: автореверс коллекторного двигателя

Сообщение a321 »

https://aliexpress.ru/item/1005005477306055.html - я уже думал на ось барабана насадить малую шестерню, на второй вал большую, допустим, 1 к 5, к большой шестерне - рычаг. И тут вилы - рычаг переключает. Если переключатель моментальный, то происходит удар - переполюсовка произошла, а крутится еще в обратную сторону по инерции. Если переключатель с люфтом, не путать с гистерезисом, то с учетом редкуции 1\5 до переключения просто не доезжает. И при организации такой механики ничего электронного не надо - костыль на редукторе и обычный электрическиый выключатель-переключатель.
Помнится со студенческо-голодных времен советская стиральная машина Малютка, не путать с продаваемыми сегодня. Не помню, она циклично реверсировалась или нет? Впрочем, это, про Малютку, уже не важно.
Аватара пользователя
Alexandr Borisjuk
Опытный
Сообщения: 105
Зарегистрирован: 01 июл 2017, 10:12
Репутация: 17
Настоящее имя: Александр Борисюк
Откуда: Минск
Контактная информация:

Re: автореверс коллекторного двигателя

Сообщение Alexandr Borisjuk »

a321
Мастер
Сообщения: 644
Зарегистрирован: 03 дек 2016, 00:30
Репутация: 74
Контактная информация:

Re: автореверс коллекторного двигателя

Сообщение a321 »

За наводку, конечно, спасибо, но я скорее удавлюсь, чем столько заплачу. Это больше стоимости всех деталей станка.
a321
Мастер
Сообщения: 644
Зарегистрирован: 03 дек 2016, 00:30
Репутация: 74
Контактная информация:

Re: автореверс коллекторного двигателя

Сообщение a321 »

Решил сколхозить так, и будет это механо-электрический программируемый автореверс из простого тумблера (98р с доставкой на Али https://aliexpress.ru/item/32997352828.html) на три положения и веревочки-резинки. Инерционность барабана обеспечивает некоротое вращение после прекращения питания - его надо на глазок прикинуть при ручном отключении. На ось барабана надеваем что-то типа катушки с ребордой, на нее цепляем условную по возможности тяжелую и гибкую ленту, веревочку, нить (или на нить на ролике цепляем утяжелитель), второй конец - к резинке (от трусов, старых, советских, годится лучше, чем от современных широких), та к - рычагу тумблера.

Нить наматывается на катушку и намотавшись начинает тянуть резинку, та - рычаг, он переключает. Программирование осуществляется регулировкой длины резинки-веревки.
a321
Мастер
Сообщения: 644
Зарегистрирован: 03 дек 2016, 00:30
Репутация: 74
Контактная информация:

Re: автореверс коллекторного двигателя

Сообщение a321 »

Будучи отдаленным потомком Архимеда всплытие части лучших идей отмечаю в ванной в душе (каламбручик). Вчера заполировал идею автореверса - механо-электрический программируемый с автоматическим сцеплением-переключателем, не препятствующим легкосъемности галтовочного барабана. Сделаю - покажу. Но не быстро сделаю - деловой оперативной потребности пока не возникло.
Аватара пользователя
xvovanx
Мастер
Сообщения: 3776
Зарегистрирован: 25 фев 2016, 12:27
Репутация: 920
Настоящее имя: Владимир
Откуда: Latvia
Контактная информация:

Re: автореверс коллекторного двигателя

Сообщение xvovanx »

a321 писал(а): Но не быстро сделаю
Наверное не так просто найти сейчас
a321 писал(а): ...резинку от трусов, старых, советских...
:hehehe:
Аватара пользователя
Alexandr Borisjuk
Опытный
Сообщения: 105
Зарегистрирован: 01 июл 2017, 10:12
Репутация: 17
Настоящее имя: Александр Борисюк
Откуда: Минск
Контактная информация:

Re: автореверс коллекторного двигателя

Сообщение Alexandr Borisjuk »

xvovanx писал(а): Наверное не так просто найти сейчас
Просыпаюсь в семь часов,
Нет резинки от трусов.
Вот она, вот она -
На тумблере намотана.
a321
Мастер
Сообщения: 644
Зарегистрирован: 03 дек 2016, 00:30
Репутация: 74
Контактная информация:

Re: автореверс коллекторного двигателя

Сообщение a321 »

После Ваших жалоб не дефицитность резинок проект изменен - обойдемся простым шнурочком. А то ведь весь форукм как скинется, так бесштанная команда и выйдет на поле. А покамест сделаю коллекцию часов, не бреге.
a321
Мастер
Сообщения: 644
Зарегистрирован: 03 дек 2016, 00:30
Репутация: 74
Контактная информация:

Re: автореверс коллекторного двигателя

Сообщение a321 »

Колхоз имени меня.
Сделано. Резинка от трусов не потребовалась. Главная сложнсть была в подборе нахлобучки на тумблер, чтобы вмеру упругая. Пришлось сверлить и подрезать силиконовый стержень для пистолета. Диаметр ручки тубмлера был ок. 3мм, а современные стержни от шариковых ручек деградировали до наружнго диаметра 2.8мм.

Потребовался подшипник, обрезок алюминевой трубы вн диаметр 8 нар 10 - как основа для наматываня нитки, два уголка, два самореза, паяльник, провода, изолента. Нитка, кстати, доставила трудностей - требуется прочная, в итоге в дело пошла леска.
Вложения
ji2ugbt21.jpg (25080 просмотров) <a class='original' href='./download/file.php?id=213651&mode=view' target=_blank>Загрузить оригинал (90.63 КБ)</a>
ji2ugbt22.jpg (25080 просмотров) <a class='original' href='./download/file.php?id=213652&mode=view' target=_blank>Загрузить оригинал (81 КБ)</a>
Ответить

Вернуться в «Общие вопросы»