CNC1310 фрезер по металлу (126x88x38)

Тяжелые фрезерные станки по металлу.
drykov
Кандидат
Сообщения: 58
Зарегистрирован: 03 мар 2019, 01:59
Репутация: 13
Настоящее имя: Дмитрий
Откуда: Тверь
Контактная информация:

Re: CNC1310 фрезер по металлу (126x88x38)

Сообщение drykov »

Недавно заказывал на пробу и сегодня получил обсуждавшиеся пару страниц назад зажимы м6. Пришли не каленые и не шлифованные.
sinkacnc
Мастер
Сообщения: 488
Зарегистрирован: 11 июл 2023, 10:35
Репутация: 38
Настоящее имя: Alexey
Контактная информация:

Re: CNC1310 фрезер по металлу (126x88x38)

Сообщение sinkacnc »

Да:) так и есть. Для этого станочка достаточны
igor_kovchegin
Мастер
Сообщения: 250
Зарегистрирован: 19 дек 2019, 14:28
Репутация: 9
Настоящее имя: Игорь
Контактная информация:

Re: CNC1310 фрезер по металлу (126x88x38)

Сообщение igor_kovchegin »

drykov писал(а): Пришли не каленые и не шлифованные.
Хм.. У меня не знаю, каленые они или нет, но стальным шилом они не царапаются, то есть метал какой-то твердый используется. А по шлифовке не очень понятно.. Зачем им быть шлифованными?.. Это же вроде никаким образом на точность не влияет..
sinkacnc
Мастер
Сообщения: 488
Зарегистрирован: 11 июл 2023, 10:35
Репутация: 38
Настоящее имя: Alexey
Контактная информация:

Re: CNC1310 фрезер по металлу (126x88x38)

Сообщение sinkacnc »

igor_kovchegin писал(а): Зачем им быть шлифованными?
меня разочаровало что трущиеся поверхности были не шлифованные, но, как оказалось, на работу это не сильно влияет. свою функцию они выполняют на ура
13Dmitriy
Мастер
Сообщения: 258
Зарегистрирован: 16 авг 2020, 14:13
Репутация: 13
Контактная информация:

Re: CNC1310 фрезер по металлу (126x88x38)

Сообщение 13Dmitriy »

Курдль, встречный вопрос. У тебя шпиндель winward с родным контроллером и ты даже по шим им управлял. А развязку на него ты какую ни будь делал от платы управления OrangePI? Шпиндель c контроллером представляет из себя вообще другое устройство со своим БП, которое может быть воткнуто и в другую розетку, вот на него уже как-то просится какая ни будь развязка. Я пока обороты отвёрткой регулирую, но мне может в любой момент это надоесть ), вот и думаю туда что-то схимичить. Сейчас простой пуск шпинделя on-off у меня реализован через релюшку, что и является развязкой, а с шим такое уже не прокатит ).
Аватара пользователя
Курдль
Мастер
Сообщения: 2174
Зарегистрирован: 20 мар 2018, 16:55
Репутация: 282
Настоящее имя: Курдль Энтеропийский
Откуда: Msk
Контактная информация:

Re: CNC1310 фрезер по металлу (126x88x38)

Сообщение Курдль »

13Dmitriy писал(а): вот на него уже как-то просится какая ни будь развязка
Просится, ибо это большая, страшная и шумная железяка, которая может и покалечить :D
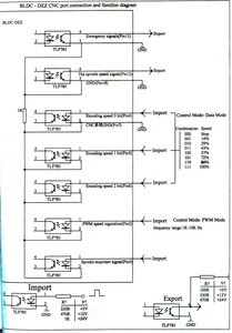
Однако если рассмотреть его мануал...
BLDC_DZZ_In_Out_Connection1.JPG (2309 просмотров) <a class='original' href='./download/file.php?id=213261&mode=view' target=_blank>Загрузить оригинал (266.13 КБ)</a>
Мой сайт: https://cnc-hobby.ru
13Dmitriy
Мастер
Сообщения: 258
Зарегистрирован: 16 авг 2020, 14:13
Репутация: 13
Контактная информация:

Re: CNC1310 фрезер по металлу (126x88x38)

Сообщение 13Dmitriy »

Курдль писал(а): Просится, ибо это большая, страшная и шумная железяка, которая может и покалечить
Она не столько большая и шумная, сколько дорогая, поэтому если и покалечит, то мою психику )).
Мануал интересный ), получается, что управление железякой простым логическим уровнем не возможно, поскольку приведёт к выходу её из строя. Подача на вход логического уровня 5в без токоограничивающего резистора 220 Ом, должно привести к выходу из строя оптрона, хотя реально этого не происходит, я проверял )). Я почему-то успел привыкнуть, что в устройствах входное сопротивление принято делать большим, а выходное маленьким, что бы не пришлось их согласовывать, а тут у меня разрыв шаблона произошёл )))
Аватара пользователя
Курдль
Мастер
Сообщения: 2174
Зарегистрирован: 20 мар 2018, 16:55
Репутация: 282
Настоящее имя: Курдль Энтеропийский
Откуда: Msk
Контактная информация:

Re: CNC1310 фрезер по металлу (126x88x38)

Сообщение Курдль »

13Dmitriy писал(а): Подача на вход логического уровня 5в без токоограничивающего резистора 220 Ом, должно привести к выходу из строя оптрона, хотя реально этого не происходит, я проверял ))
Да вроде как есть там токоограничивающие резисторы. Я когда подключал этот канал, даже разбирал контроллер.
Справа оптроны и обвязка.
photo_2022-01-29_12-13-17.jpg (2226 просмотров) <a class='original' href='./download/file.php?id=213267&mode=view' target=_blank>Загрузить оригинал (265.43 КБ)</a>
Мой сайт: https://cnc-hobby.ru
Аватара пользователя
Курдль
Мастер
Сообщения: 2174
Зарегистрирован: 20 мар 2018, 16:55
Репутация: 282
Настоящее имя: Курдль Энтеропийский
Откуда: Msk
Контактная информация:

Re: CNC1310 фрезер по металлу (126x88x38)

Сообщение Курдль »

13Dmitriy писал(а): Я пока обороты отвёрткой регулирую
Мне вот эта фраза покоя не дает. Почему ты обороты отверткой регулируешь, а не хотя бы крутилкой :D
Мой сайт: https://cnc-hobby.ru
13Dmitriy
Мастер
Сообщения: 258
Зарегистрирован: 16 авг 2020, 14:13
Репутация: 13
Контактная информация:

Re: CNC1310 фрезер по металлу (126x88x38)

Сообщение 13Dmitriy »

Курдль писал(а): Мне вот эта фраза покоя не дает. Почему ты обороты отверткой регулируешь, а не хотя бы крутилкой
Я крайне редко меняю обороты, в 99% случаев они на максимуме, потому что фрезерую в основном из Д16Т тонкой (3,17мм) однопёрой фрезой. Всё что мягче дюрали, обычно 3Д принтер делает. Крутилка это ещё одна сопля на проводочках будет висеть, надёжности не добавляет ). Потом по шим сделаю.
Аватара пользователя
Курдль
Мастер
Сообщения: 2174
Зарегистрирован: 20 мар 2018, 16:55
Репутация: 282
Настоящее имя: Курдль Энтеропийский
Откуда: Msk
Контактная информация:

Re: CNC1310 фрезер по металлу (126x88x38)

Сообщение Курдль »

13Dmitriy писал(а): Потом по шим сделаю.
Т.е. пока что ты регулируешь обороты юстировочным потенциометром рядом с индикатором?
Курдль писал(а): Да вроде как есть там токоограничивающие резисторы.
Я снова разобрал контроллер и замерил сопротивление между контактом "PWM" разъема "CNC" и входом оптрона.
Оно равняется 2.2 КОм!
Я ведь вставлял дополнительный шунтирующий резистор, чтобы обеспечить нормальное включение от сигнала 5В.
Но забыл, что там установлено. Я не понимаю, каким напряжением вообще должен управляться этот контроллер.
На входе стоят оптроны TLP785GB. Рекомендуемый входной ток = 16 - 25 mA. У оптрона, конечно, ключевой параметр CTR (коэфф. передачи по току), который у этого оптрона = 100 - 600.
Но я припаяю еще один резистор в цепь "PWM" наряду со "START".
Мой сайт: https://cnc-hobby.ru
13Dmitriy
Мастер
Сообщения: 258
Зарегистрирован: 16 авг 2020, 14:13
Репутация: 13
Контактная информация:

Re: CNC1310 фрезер по металлу (126x88x38)

Сообщение 13Dmitriy »

Курдль писал(а): Т.е. пока что ты регулируешь обороты юстировочным потенциометром рядом с индикатором?
Да
Курдль писал(а): Я снова разобрал контроллер и замерил сопротивление между контактом "PWM" разъема "CNC" и входом оптрона.
Оно равняется 2.2 КОм!
Я свой пока не разбирал, возможно придётся. Странно, судя по схеме там 220 Ом должно быть для пяти вольт.
Курдль писал(а): Я не понимаю, каким напряжением вообще должен управляться этот контроллер.
Я его только включаю внешним сигналом. +5В подаю на соответствующий вход под винт на клеммнике и шпиндель запускается. Никаких резисторов не добавлял.
Курдль писал(а): Но я припаяю еще один резистор в цепь "PWM" наряду со "START".
Я 220 Ом всё же поставлю, это максимум 23 мА в худшем случае. Ну а если 2.2кОм там уже есть, то плюс 10% хуже не сделают.
Аватара пользователя
Курдль
Мастер
Сообщения: 2174
Зарегистрирован: 20 мар 2018, 16:55
Репутация: 282
Настоящее имя: Курдль Энтеропийский
Откуда: Msk
Контактная информация:

Re: CNC1310 фрезер по металлу (126x88x38)

Сообщение Курдль »

13Dmitriy писал(а): Я его только включаю внешним сигналом. +5В подаю на соответствующий вход под винт на клеммнике и шпиндель запускается.
Его же 5В или внешние?
Если внешние, то это неправильно! Скорее всего на этих клеммах нет развязки собственного источника контроллера от внешнего.
И если снаружи будет какой бросок - беды не миновать.
К контроллеру же прилагался кабель к разъему CNC. Вот им и управляй.
Мой сайт: https://cnc-hobby.ru
13Dmitriy
Мастер
Сообщения: 258
Зарегистрирован: 16 авг 2020, 14:13
Репутация: 13
Контактная информация:

Re: CNC1310 фрезер по металлу (126x88x38)

Сообщение 13Dmitriy »

Курдль писал(а): Его же 5В или внешние?
Его же. Внешние включают релюху, а она уже подаёт его же 5в, а может и на землю управляющий контакт замыкает, точно не помню, давно делал, но то что внешняя напруга туда не попадает, это точно. Так у меня развязка реализована, я же не знал, что там оптроны стоят.
Курдль писал(а): К контроллеру же прилагался кабель к разъему CNC. Вот им и управляй.
У меня его нет, мне без кабеля прислали.
Последний раз редактировалось 13Dmitriy 03 фев 2025, 10:25, всего редактировалось 1 раз.
nevkon
Почётный участник
Почётный участник
Сообщения: 2477
Зарегистрирован: 17 июл 2015, 10:25
Репутация: 310
Настоящее имя: Константин
Откуда: Балаково (Саратовская обл.)
Контактная информация:

Re: CNC1310 фрезер по металлу (126x88x38)

Сообщение nevkon »

Курдль писал(а): Я не понимаю, каким напряжением вообще должен управляться этот контроллер.
Если судить по номиналу резистора, то пром. вариант - 24В.
Аватара пользователя
Курдль
Мастер
Сообщения: 2174
Зарегистрирован: 20 мар 2018, 16:55
Репутация: 282
Настоящее имя: Курдль Энтеропийский
Откуда: Msk
Контактная информация:

Re: CNC1310 фрезер по металлу (126x88x38)

Сообщение Курдль »

13Dmitriy писал(а): Так у меня развязка реализована, я же не знал, что там оптроны стоят.
Если ты пользуешься контактами клеммной рейки (на картинке справа) то я не знаю, есть ли там развязка. Может быть и нет. Схема, которую я ранее публиковал, относится к контактам разъема "CNC".
13Dmitriy писал(а): У меня его нет, мне без кабеля прислали.
Купи здесь (14 пин).
НО! Если ты не используешь этот разъем, то снимается мой недоумённый вопрос: "Почему тебе удается управлять сигналом 5В, а мне - нет?".
Так используешь, или нет?
Мой сайт: https://cnc-hobby.ru
13Dmitriy
Мастер
Сообщения: 258
Зарегистрирован: 16 авг 2020, 14:13
Репутация: 13
Контактная информация:

Re: CNC1310 фрезер по металлу (126x88x38)

Сообщение 13Dmitriy »

Курдль писал(а): Так используешь, или нет?
Разъём нет, только клеммную колодку.
13Dmitriy
Мастер
Сообщения: 258
Зарегистрирован: 16 авг 2020, 14:13
Репутация: 13
Контактная информация:

Re: CNC1310 фрезер по металлу (126x88x38)

Сообщение 13Dmitriy »

nevkon писал(а): Если судить по номиналу резистора, то пром. вариант - 24В.
при 2.2 кОм и 24В, ток будет 10мА, это маловато для открытия оптрона, у него по паспорту 16мА минимум. А вот 36В уже будет в самый раз, это как раз напряжение питания шпинделя.
Аватара пользователя
Курдль
Мастер
Сообщения: 2174
Зарегистрирован: 20 мар 2018, 16:55
Репутация: 282
Настоящее имя: Курдль Энтеропийский
Откуда: Msk
Контактная информация:

Re: CNC1310 фрезер по металлу (126x88x38)

Сообщение Курдль »

13Dmitriy писал(а): Разъём нет, только клеммную колодку.
13Dmitriy писал(а): при 2.2 кОм и 24В, ток будет 10мА, это маловато для открытия оптрона, у него по паспорту 16мА минимум.
Нет у оптрона минимума входного тока. Есть CTR (коэфф. передачи по току). Если выходной ток предполагается очень низким, то и входной тем более.
Ага. Понятно. Тогда предупреждаю, что этот контроллер пятью вольтами не управляется! Я вспомнил свои мытарства: мне пришлось закоротить ограничивающие резисторы в самодельной плате управления, но это все равно не принесло результата. Пришлось лезть в контроллер.
Мой сайт: https://cnc-hobby.ru
13Dmitriy
Мастер
Сообщения: 258
Зарегистрирован: 16 авг 2020, 14:13
Репутация: 13
Контактная информация:

Re: CNC1310 фрезер по металлу (126x88x38)

Сообщение 13Dmitriy »

[/quote]
Курдль писал(а): Тогда предупреждаю, что этот контроллер пятью вольтами не управляется!
А если поставить токоограничивающий резистор перед оптроном не 2.2 кОм, а 220 Ом, как в документации?
Ответить

Вернуться в «Фрезерные станки по металлам»