Про сервы Yaskawa
-
aftaev
- Зачётный участник

- Сообщения: 34042
- Зарегистрирован: 04 апр 2010, 19:22
- Репутация: 6194
- Откуда: Казахстан.
- Контактная информация:
Re: Про сервы Yaskawa
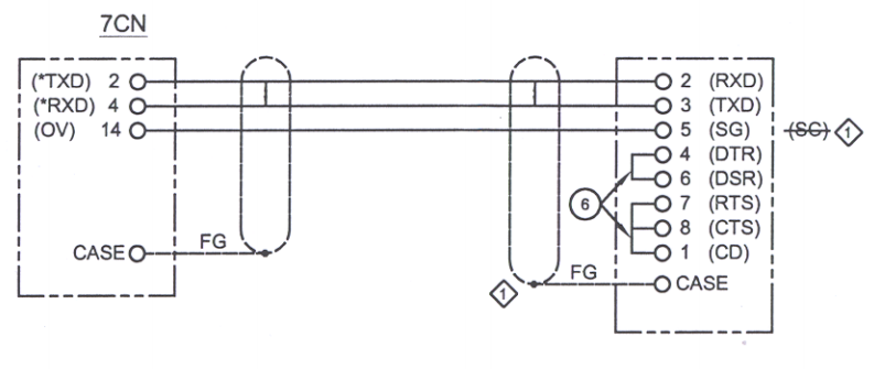
У меня подключены на стороне компа:
2,3,5
7+8 замкнуты между собой
экран на корпус разъема
2,3,5
7+8 замкнуты между собой
экран на корпус разъема
Дилетанту сложные вещи кажутся очень простыми, и только профессионал понимает насколько сложна самая простая вещь
Кто хочет - ищет возможности, кто не хочет - ищет оправдание.
Найди работу по душе и тебе не придется работать.
Кто хочет - ищет возможности, кто не хочет - ищет оправдание.
Найди работу по душе и тебе не придется работать.
- PKM
- Почётный участник

- Сообщения: 4263
- Зарегистрирован: 31 мар 2011, 18:11
- Репутация: 705
- Настоящее имя: Андрей
- Откуда: Украина
- Контактная информация:
Re: Про сервы Yaskawa
Вот картинка, у них 1,7,8 замкнуты и 4,6 тоже.
Соединить-то несложно, но нужно оно или нет? 
-
aftaev
- Зачётный участник

- Сообщения: 34042
- Зарегистрирован: 04 апр 2010, 19:22
- Репутация: 6194
- Откуда: Казахстан.
- Контактная информация:
Re: Про сервы Yaskawa
Как написал работает на разных типах серв Yaskawa DR2, Yaskawa SGDH и др...PKM писал(а):Соединить-то несложно, но нужно оно или нет?
Дилетанту сложные вещи кажутся очень простыми, и только профессионал понимает насколько сложна самая простая вещь
Кто хочет - ищет возможности, кто не хочет - ищет оправдание.
Найди работу по душе и тебе не придется работать.
Кто хочет - ищет возможности, кто не хочет - ищет оправдание.
Найди работу по душе и тебе не придется работать.
- Serg
- Мастер
- Сообщения: 21923
- Зарегистрирован: 17 апр 2012, 14:58
- Репутация: 5183
- Заслуга: c781c134843e0c1a3de9
- Настоящее имя: Сергей
- Откуда: Москва
- Контактная информация:
Re: Про сервы Yaskawa
Полагаю необязательно. Сомнительно, что яскавские программеры требуют железного управления потоком (flow control), а "железные инженеры" вот так ненавязчиво посылают их нах. 
Тут правда есть ещё венда со своим интеллектом, поэтому наверно придётся и в виндовых параметрах порта отключить контроль потока. Ну или таки замкнуть как предлагают.
Тут правда есть ещё венда со своим интеллектом, поэтому наверно придётся и в виндовых параметрах порта отключить контроль потока. Ну или таки замкнуть как предлагают.
Я не Христос, рыбу не раздаю, но могу научить, как сделать удочку...
- Сергей Саныч
- Мастер
- Сообщения: 9116
- Зарегистрирован: 30 май 2012, 14:20
- Репутация: 2858
- Откуда: Тюмень
- Контактная информация:
Re: Про сервы Yaskawa
Это стандартные перемычки, чтобы коммуникационная программа работала, независимо от того, какое включено управлением потоком и включено ли вообще. Лучше поставить - во всяком случае не повредит.PKM писал(а):Соединить-то несложно, но нужно оно или нет?
Чудес не бывает. Бывают фокусы.
-
aftaev
- Зачётный участник

- Сообщения: 34042
- Зарегистрирован: 04 апр 2010, 19:22
- Репутация: 6194
- Откуда: Казахстан.
- Контактная информация:
Re: Про сервы Yaskawa
Если посмотреть манаулы на разные сервы, где стоят перемычки, а где нет. А работают сервы с одной программой по СОМ 
Дилетанту сложные вещи кажутся очень простыми, и только профессионал понимает насколько сложна самая простая вещь
Кто хочет - ищет возможности, кто не хочет - ищет оправдание.
Найди работу по душе и тебе не придется работать.
Кто хочет - ищет возможности, кто не хочет - ищет оправдание.
Найди работу по душе и тебе не придется работать.
- PKM
- Почётный участник

- Сообщения: 4263
- Зарегистрирован: 31 мар 2011, 18:11
- Репутация: 705
- Настоящее имя: Андрей
- Откуда: Украина
- Контактная информация:
Re: Про сервы Yaskawa
Совсем забыл отписаться - работает на 3 проводках без всяких перемычек.
-
aftaev
- Зачётный участник

- Сообщения: 34042
- Зарегистрирован: 04 апр 2010, 19:22
- Репутация: 6194
- Откуда: Казахстан.
- Контактная информация:
Re: Про сервы Yaskawa
и фото серв показатьPKM писал(а):Совсем забыл отписаться -
Дилетанту сложные вещи кажутся очень простыми, и только профессионал понимает насколько сложна самая простая вещь
Кто хочет - ищет возможности, кто не хочет - ищет оправдание.
Найди работу по душе и тебе не придется работать.
Кто хочет - ищет возможности, кто не хочет - ищет оправдание.
Найди работу по душе и тебе не придется работать.
- PKM
- Почётный участник

- Сообщения: 4263
- Зарегистрирован: 31 мар 2011, 18:11
- Репутация: 705
- Настоящее имя: Андрей
- Откуда: Украина
- Контактная информация:
Re: Про сервы Yaskawa
Да что показывать, есть обычные Сигма ІІ 50-100-200Вт.
Сотворю что-то из них - будет фото
Сотворю что-то из них - будет фото
- PKM
- Почётный участник

- Сообщения: 4263
- Зарегистрирован: 31 мар 2011, 18:11
- Репутация: 705
- Настоящее имя: Андрей
- Откуда: Украина
- Контактная информация:
Re: Про сервы Yaskawa
Очень наглядное сравнение момента серв и шаговиков. Одного типоразмера, пускай немного разная длина может быть. Но все сразу ясно. И это еще хорошие шаговики, китайские гораздо хуже.
Можно перенести это сообщение в более подходящую тему.
- michael-yurov
- Почётный участник

- Сообщения: 11731
- Зарегистрирован: 26 июл 2012, 00:10
- Репутация: 4703
- Настоящее имя: Михаил Львович
- Откуда: Новоуральск
- Контактная информация:
Re: Про сервы Yaskawa
Так вот многое все же не ясно...PKM писал(а):Очень наглядное сравнение момента серв и шаговиков. Одного типоразмера, пускай немного разная длина может быть. Но все сразу ясно. И это еще хорошие шаговики, китайские гораздо хуже.
"Момент удержания" (если так можно выразиться, применительно к сервам), получается, у шаговиков выше? Т.е. конкретную позицию они будут удерживать лучше (для низких скоростей обработки и когда движется лишь одна ось, а остальные удерживают позицию).
То, что у серв момент на высоких скоростях выше, значит их лучше использовать в более скоростном диапазоне. А если использовать сервы с большей редукцией, тогда и "момент удержания" у станка на сервах увеличится.
Опять же если взять шаговики с обратной связью, то у них пиковый момент в 2,5 раза выше, чем рабочий. Так же как у серв. И получается, что до 1500 об/мин момент будет выше, чем у сервоприводов. Но с использованием обратной связи увеличивается только пиковый крутящий момент, а не момент удержания, который очень важен.
Обороты выше 1500 - 2000 RPM малоприменимы (график нарисован до 7000), при использовании ШВП без редуктора. Т.е. если ставить серву, то желательно еще и редуктор, чтобы раскрыть ее потенциал. Тогда и "момент удержания" возрастет, и обороты не пострадают.
В данное время можно построить станок с любым коэффициентом редукции (и ШВП разные есть, и ремни и шкивы, какие угодно, и рейки...). И получается, что удачные варианты - это сервы с высоким коэффициентом редукции в станке, или шаговики с низким (например - 20 мм/оборот) или шаговики с обратной связью. И что выбрать (если важен и момент удержания, и скорость) - совершенно не ясно.
Многое осталось неучтенным. Например, если у сервы достаточно точный энкодер, то ее можно будет настроить на значительно более точное удержание позиции, чем серву с низким разрешением энкодера, И жесткость удержания позиции у сервы с точным энкодером будет выше, чем у шагового мотора. А можно просто купить шаговик побольше (они ведь значительно более дешевые, чем топовые сервы), и тогда он переплюнет серву. В общем - многое осталось неясным.
В частности, я до сих пор не могу определиться, что поставить на проектируемый станок (учитывая, что я не ограничен в выборе типа сервопривода, стоимости шагового привода, и выборе коэффициента редукции). Но это вопрос для отдельной темы.
- Вложения
-
- powermax_e.pdf
- см. верхний график на 6 странице
- (892.74 КБ) 854 скачивания
-
aftaev
- Зачётный участник

- Сообщения: 34042
- Зарегистрирован: 04 апр 2010, 19:22
- Репутация: 6194
- Откуда: Казахстан.
- Контактная информация:
Re: Про сервы Yaskawa
michael-yurov, ты купил давно нормальные шаговые моторы + драйвер умный. Потому ты так сравниваешь. Многие начинающие хобячники покупают дешевые моторы Nema34 от ванты, их же драйвера 542 иль подобные. Ставят на фрезерный станок(промышленный) и удивляются почему ось больше 600мм/мин не ездит.
Или мой фрезер с шагом ШВП 10мм, с редукцией 1:2 на китайских шаговиках Nema23 на драйверах 2M982 при питании 70в портал ездит макс. до 3000мм/мин (если ускорение плавное) На серве скорость почти в 3 раза и ускорение что с места рвет.
По мне б/у японские сервы лучше, чем новые шаговики от какой нибудь ванты
Или мой фрезер с шагом ШВП 10мм, с редукцией 1:2 на китайских шаговиках Nema23 на драйверах 2M982 при питании 70в портал ездит макс. до 3000мм/мин (если ускорение плавное) На серве скорость почти в 3 раза и ускорение что с места рвет.
По мне б/у японские сервы лучше, чем новые шаговики от какой нибудь ванты
Дилетанту сложные вещи кажутся очень простыми, и только профессионал понимает насколько сложна самая простая вещь
Кто хочет - ищет возможности, кто не хочет - ищет оправдание.
Найди работу по душе и тебе не придется работать.
Кто хочет - ищет возможности, кто не хочет - ищет оправдание.
Найди работу по душе и тебе не придется работать.
- michael-yurov
- Почётный участник

- Сообщения: 11731
- Зарегистрирован: 26 июл 2012, 00:10
- Репутация: 4703
- Настоящее имя: Михаил Львович
- Откуда: Новоуральск
- Контактная информация:
Re: Про сервы Yaskawa
Ну вот в том и дело, что если сравнивать дешевые шаговики с простейшим драйвером, и японские сервы, то разница огромная. Тем более, что на твоем станке, на котором ты сравнивал шаговики и сервы, очень удачно присутствие понижающего ременного редуктора и швп с крупным шагом. Это идеальные условия для сервоприводов.
А если сравнивать с хорошими шаговиками на приличных драйверах, то разница уже не столь значительна. Если брать шаговики с обратной связью - то появляется, как и у сервы 2,5 кратное увеличение момента во время пиковой нагрузки (при том же размере мотора), ну, и как бонус - невозможность пропуска шагов. Если брать не лучшие японские сервы, а что-то попроще (самсунг, например, или что-то дорогое китайское), то разница становится уже не столь ощутимой. А ведь есть еще и бюджетные сервы (вроде того, что продавал пурелоджик, или того, что делает тот же леадшайн).
Еще один момент - важна ведь не только скорость. Нельзя сравнивать только по этому параметру. Да, сервы прекрасно работают на любых скоростях, а шаговики с ростом скорости загибаются. Но нужно учитывать, что для сервы сложно удерживать точную позицию, а для шаговика это так же легко, как для сервы работа на высокой скорости.
Опять же, чтобы раскрыть потенциал сервы - нужно крутить ее довольно быстро. А на высоких оборотах может работать только ременный редуктор (ШВП не стоит вращать быстрее 2000 об/мин). Т.е. для сервы очень желательна гибридная система передачи момента, с первым звеном на ременном понижающем редукторе. А шаговики можно ставить напрямую на вращение винта швп, и можно без проблем таскать станок с ременным приводом (не редуктором). А с сервами ременный привод плохо дружит. Да и на рейку серву напрямую ставить не стоит. И на ШВП с крупным шагом без редуктора никак.
Приличные драйверы для шаговиков сейчас стоят копейки, а вот сервы все же сильно отличаются по уровню и цене.
Единственный отчетливый вывод, который я вижу, это то, что приличные приводы (как серво, так и шаговые) работают значительно лучше, чем дешевые.
Ну и второй вывод - сервы всегда выигрывают в скорости.
А если сравнивать с хорошими шаговиками на приличных драйверах, то разница уже не столь значительна. Если брать шаговики с обратной связью - то появляется, как и у сервы 2,5 кратное увеличение момента во время пиковой нагрузки (при том же размере мотора), ну, и как бонус - невозможность пропуска шагов. Если брать не лучшие японские сервы, а что-то попроще (самсунг, например, или что-то дорогое китайское), то разница становится уже не столь ощутимой. А ведь есть еще и бюджетные сервы (вроде того, что продавал пурелоджик, или того, что делает тот же леадшайн).
Еще один момент - важна ведь не только скорость. Нельзя сравнивать только по этому параметру. Да, сервы прекрасно работают на любых скоростях, а шаговики с ростом скорости загибаются. Но нужно учитывать, что для сервы сложно удерживать точную позицию, а для шаговика это так же легко, как для сервы работа на высокой скорости.
Опять же, чтобы раскрыть потенциал сервы - нужно крутить ее довольно быстро. А на высоких оборотах может работать только ременный редуктор (ШВП не стоит вращать быстрее 2000 об/мин). Т.е. для сервы очень желательна гибридная система передачи момента, с первым звеном на ременном понижающем редукторе. А шаговики можно ставить напрямую на вращение винта швп, и можно без проблем таскать станок с ременным приводом (не редуктором). А с сервами ременный привод плохо дружит. Да и на рейку серву напрямую ставить не стоит. И на ШВП с крупным шагом без редуктора никак.
Приличные драйверы для шаговиков сейчас стоят копейки, а вот сервы все же сильно отличаются по уровню и цене.
Единственный отчетливый вывод, который я вижу, это то, что приличные приводы (как серво, так и шаговые) работают значительно лучше, чем дешевые.
Ну и второй вывод - сервы всегда выигрывают в скорости.
-
vladimir74
- Почётный участник

- Сообщения: 544
- Зарегистрирован: 25 май 2011, 14:14
- Репутация: 19
- Откуда: Магнитогорск
- Контактная информация:
Re: Про сервы Yaskawa
Что считать хорошим шаговиком и хорошим драйвером? кде купить желательно в России? Можно было бы и по цене сравнить.
-
aftaev
- Зачётный участник

- Сообщения: 34042
- Зарегистрирован: 04 апр 2010, 19:22
- Репутация: 6194
- Откуда: Казахстан.
- Контактная информация:
Re: Про сервы Yaskawa
Скоро возможно стартует новые проект где будут сервы крутить ШВП напрямую. Рельсы на роликах в пути, точные ШВП тоже.michael-yurov писал(а): Тем более, что на твоем станке, на котором ты сравнивал шаговики и сервы, очень удачно присутствие понижающего ременного редуктора и швп с крупным шагом. Это идеальные условия для сервоприводов.
Самсунг по прощеmichael-yurov писал(а): Если брать не лучшие японские сервы, а что-то попроще (самсунг, например, или что-то дорогое китайское),
Раньше считал что шаговики встали и стоят на месте, а как объяснили они так же как сервы дергаютсяmichael-yurov писал(а):Еще один момент - важна ведь не только скорость. Нельзя сравнивать только по этому параметру. Да, сервы прекрасно работают на любых скоростях, а шаговики с ростом скорости загибаются. Но нужно учитывать, что для сервы сложно удерживать точную позицию, а для шаговика это так же легко, как для сервы работа на высокой скорости.
Статистику не проводил, но думаю 95% ОЦ(обрабатывающих центров) крутится моторами напримую без всяких ремешковmichael-yurov писал(а):Опять же, чтобы раскрыть потенциал сервы - нужно крутить ее довольно быстро. А на высоких оборотах может работать только ременный редуктор (ШВП не стоит вращать быстрее 2000 об/мин).
Если речь про Яскавы с которыми больше имею дел, то ими крутят ШВП напрямую. Ставят ремни длинные которые таскают ось, ставят напрямую на зубчатую рейку применений масса.michael-yurov писал(а):шаговики можно ставить напрямую на вращение винта швп, и можно без проблем таскать станок с ременным приводом (не редуктором). А с сервами ременный привод плохо дружит. Да и на рейку серву напрямую ставить не стоит. И на ШВП с крупным шагом без редуктора никак.
Мицубиськи сервы имеют энкодеры больше миллиона
Спорноя тема как правильно управлять приводом оси по степ/диру или +-10в. Более правильная управлять наверно по аналогу приводом. Это дает некоторые преимущества. Шаговые драйвера мало кто имеет работать по аналогу, так как уже нужен энкодер.
Дилетанту сложные вещи кажутся очень простыми, и только профессионал понимает насколько сложна самая простая вещь
Кто хочет - ищет возможности, кто не хочет - ищет оправдание.
Найди работу по душе и тебе не придется работать.
Кто хочет - ищет возможности, кто не хочет - ищет оправдание.
Найди работу по душе и тебе не придется работать.
-
aftaev
- Зачётный участник

- Сообщения: 34042
- Зарегистрирован: 04 апр 2010, 19:22
- Репутация: 6194
- Откуда: Казахстан.
- Контактная информация:
Re: Про сервы Yaskawa
michael-yurov, могу предположить, если ты пробовал сервы типо Сигма-II. не старого образца что ты хотел взять то скорее всего у тебя появилась аллергия на шаговики 
Дилетанту сложные вещи кажутся очень простыми, и только профессионал понимает насколько сложна самая простая вещь
Кто хочет - ищет возможности, кто не хочет - ищет оправдание.
Найди работу по душе и тебе не придется работать.
Кто хочет - ищет возможности, кто не хочет - ищет оправдание.
Найди работу по душе и тебе не придется работать.
- PKM
- Почётный участник

- Сообщения: 4263
- Зарегистрирован: 31 мар 2011, 18:11
- Репутация: 705
- Настоящее имя: Андрей
- Откуда: Украина
- Контактная информация:
Re: Про сервы Yaskawa
Вскоре собираюсь протестировать это дело на Sigma II и позже возможно на китайских сервах Maxsine. Почему-то кажется, что ПИД Yaskawa будет поумнее ПИДа LinuxCNC.aftaev писал(а):Спорноя тема как правильно управлять приводом оси по степ/диру или +-10в.
- Serg
- Мастер
- Сообщения: 21923
- Зарегистрирован: 17 апр 2012, 14:58
- Репутация: 5183
- Заслуга: c781c134843e0c1a3de9
- Настоящее имя: Сергей
- Откуда: Москва
- Контактная информация:
Re: Про сервы Yaskawa
О как! Очень интересно что их заставляет дёргатся?aftaev писал(а):Раньше считал что шаговики встали и стоят на месте, а как объяснили они так же как сервы дергаются
Я не Христос, рыбу не раздаю, но могу научить, как сделать удочку...
- michael-yurov
- Почётный участник

- Сообщения: 11731
- Зарегистрирован: 26 июл 2012, 00:10
- Репутация: 4703
- Настоящее имя: Михаил Львович
- Откуда: Новоуральск
- Контактная информация:
Re: Про сервы Yaskawa
Вроде бы FULLING MOTOR - хорошие, Leadshine должны быть хорошими, у Oriental Motor, судя по всему все в порядке. Ссылки сейчас не найду. Я покупал Fuling Motor в промэлектронике в екатеринбурге, но это явно не тот магазин, где стоит искать шаговые двигатели.vladimir74 писал(а):Что считать хорошим шаговиком и хорошим драйвером? кде купить желательно в России? Можно было бы и по цене сравнить.
Про драйверы - много вариантов не назову, но мне нравятся Leadhine DM серия (подешевле), или EM серия (процессор помощнее, и прошивка сложнее). Их Darxton продает дешевле, чем обычные драйверы в россии http://darxton.ru/Netshop/mechatronics/ ... vigatelja/
Он еще Yako хвалит, но я бы однозначно предпочел цифровые Leadshine (они к компьютеру подключаются и точно настраиваются).
Самсунг действительно проще? Я не знаю, я лишь предположил.aftaev писал(а):Самсунг по проще
Значит там просто сервы с достаточным крутящим моментом и достаточно точным энкодером. Т.е. разработчики просто не стали заморачиваться с тем чтобы выжать из сервы все, а поставили сервы с запасом - помощнее и поточнее.aftaev писал(а):Статистику не проводил, но думаю 95% ОЦ(обрабатывающих центров) крутится моторами напримую без всяких ремешков В хороших ОЦ стоят сервы.
Наверняка ставят. Но не всегда применение оптимально. В большинстве случаев возможностей сервоприводов просто более, чем достаточно для конкретной задачи. А если недостаточно - ставят мощнее или дороже.aftaev писал(а):Если речь про Яскавы с которыми больше имею дел, то ими крутят ШВП напрямую. Ставят ремни длинные которые таскают ось, ставят напрямую на зубчатую рейку применений масса.
Круто, что-ж. Вот эти сервы - действительно будут очень "точно" и "жестко" удерживать позицию. И сделано это не просто так, ради развлечения, а потому, что в этом есть реальная необходимость.aftaev писал(а):Мицубиськи сервы имеют энкодеры больше миллиона
Я бы не стал использовать аналоговое управление, если бы частотный диапазон step/dir удовлетворял бы моим потребностям. Нужно просто взять и сравнить качество и скорость работы ПИД регулятора в контроллере и сервоусилителе. И использовать тот, который быстрее, точнее, и проще правильно настроить. А вот если частотный диапазон не позволит управлять по step/dir, тогда придется использовать аналоговое управление.aftaev писал(а):Спорноя тема как правильно управлять приводом оси по степ/диру или +-10в. Более правильная управлять наверно по аналогу приводом. Это дает некоторые преимущества. Шаговые драйвера мало кто имеет работать по аналогу, так как уже нужен энкодер.
-
nkp
- Мастер
- Сообщения: 8340
- Зарегистрирован: 28 ноя 2011, 00:25
- Репутация: 1589
- Контактная информация:
Re: Про сервы Yaskawa
PKM писал(а):ПИД Yaskawa будет поумнее ПИДа LinuxCNC
что - действительно в эти приводы заводится сигнал задания с планировщика чпу ???michael-yurov писал(а):сравнить качество и скорость работы ПИД регулятора в контроллере и сервоусилителе
в работе с емс какой конкретно из пинов заводится и как ??