Подключение штурвала.
-
nevkon
- Почётный участник

- Сообщения: 2477
- Зарегистрирован: 17 июл 2015, 10:25
- Репутация: 310
- Настоящее имя: Константин
- Откуда: Балаково (Саратовская обл.)
- Контактная информация:
Re: Подключение штурвала.
Странно, зачем подтяжку делать диодами? Чтобы порты попалить или стабилизатор на апельсине? Подтяжка всегда делалась вроде резисторами номиналом 4.7-10 кОм.
- sima8520
- Почётный участник

- Сообщения: 4510
- Зарегистрирован: 24 ноя 2016, 23:35
- Репутация: 1617
- Настоящее имя: Илья
- Откуда: Беларусь, Гомель
- Контактная информация:
Re: Подключение штурвала.
резисторами надо, из любого старого устройства выковырять можно. на дворе 21 век, можно под это дело раздербанить старый CD привод, там этого добра хватает
-
гражданинъ
- Мастер
- Сообщения: 1303
- Зарегистрирован: 07 фев 2020, 21:00
- Репутация: 170
- Настоящее имя: Дмитрий
- Контактная информация:
Re: Подключение штурвала.
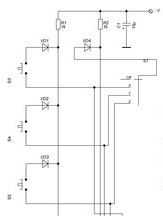
Да есть там резисторы ! Диоды нужны что бы кнопка "отпускалась " сразу .А без диодов она не "нажмётся ". Один контакт кнопки (через резистор 1К) на 3.3 вольта ,второй (через резистор 1 К) на минус через диод . Схемы же рассчитанной электронщиками нет ! Вот и изгаляюсь методом тыка !
- Вложения
-
- Вот часть схемы взятой за основу .Схема местная.
- кнопки.png (11.23 КБ) 917 просмотров
Гражданином Непала может быть любой гражданин,зачатый НЕпалкой и НЕпальцем.