зверь машина по пластику и дереву 570/370/170 500вт

Фрезерные и гравировальные станки для обработки мягких материалов (дерево, пластики, мягкие металлы).
Аватара пользователя
Андрей 17
Новичок
Сообщения: 9
Зарегистрирован: 20 янв 2021, 20:23
Репутация: 0
Настоящее имя: 1357935кангу
Контактная информация:

зверь машина по пластику и дереву 570/370/170 500вт

Сообщение Андрей 17 »

станок пока собрал из фанеры,но когда определюсь с формой выточу из дюраля,каркас думаю из станочного профиля но это потом пока имею то что имею.
Вложения
IMG_20200409_162334 - копия.jpg (1247 просмотров) <a class='original' href='./download/file.php?id=191311&mode=view' target=_blank>Загрузить оригинал (6.85 МБ)</a>
IMG_20200409_162424.jpg (1247 просмотров) <a class='original' href='./download/file.php?id=191312&mode=view' target=_blank>Загрузить оригинал (4.09 МБ)</a>
IMG_20200409_172901.jpg (1247 просмотров) <a class='original' href='./download/file.php?id=191313&mode=view' target=_blank>Загрузить оригинал (7.85 МБ)</a>
IMG_20200409_173016 - копия.jpg (1247 просмотров) <a class='original' href='./download/file.php?id=191314&mode=view' target=_blank>Загрузить оригинал (7.24 МБ)</a>
IMG_20200411_160824.jpg (1247 просмотров) <a class='original' href='./download/file.php?id=191315&mode=view' target=_blank>Загрузить оригинал (6.39 МБ)</a>
IMG_20200411_190610.jpg (1247 просмотров) <a class='original' href='./download/file.php?id=191316&mode=view' target=_blank>Загрузить оригинал (6.7 МБ)</a>
Аватара пользователя
xenon-alien
Почётный участник
Почётный участник
Сообщения: 4520
Зарегистрирован: 01 янв 2013, 13:13
Репутация: 925
Настоящее имя: Daniel
Откуда: Закарпатская обл. Украина
Контактная информация:

Re: зверь машина по пластику и дереву 570/370/170 500вт

Сообщение xenon-alien »

Получается висячий стол. И осью Z будет прогибать.
Рельсы вниз готовой и к столу ;)
Newengine
Мастер
Сообщения: 276
Зарегистрирован: 01 янв 2015, 17:43
Репутация: 25
Настоящее имя: Станислав
Контактная информация:

Re: зверь машина по пластику и дереву 570/370/170 500вт

Сообщение Newengine »

а зачем такая высота портала и такая длинная ось Z?
Если нет в планах обрабатывать что- то высокое, то ход по z 60-80мм вполне достаточно. Портал тоже понизить максимально.
Аватара пользователя
Андрей 17
Новичок
Сообщения: 9
Зарегистрирован: 20 янв 2021, 20:23
Репутация: 0
Настоящее имя: 1357935кангу
Контактная информация:

Re: зверь машина по пластику и дереву 570/370/170 500вт

Сообщение Андрей 17 »

xenon-alien писал(а): 20 янв 2021, 23:12 Получается висячий стол. И осью Z будет прогибать.
Рельсы вниз готовой и к столу ;)
да стол под нагрузкой прогибается надо дорабатывать чем-нибудь усилить, даже с легка от руки заметно, пока поиграться хватает
Аватара пользователя
Mamont
Мастер
Сообщения: 2005
Зарегистрирован: 10 дек 2015, 12:21
Репутация: 391
Настоящее имя: Виталий
Откуда: РБ Минск
Контактная информация:

Re: зверь машина по пластику и дереву 570/370/170 500вт

Сообщение Mamont »

Когда будешь переделовать на люминьку рекомендую
1. использовать профильные рельсы/каретки хивина. если оставлять вал на опоре, раза в 2 и более увеличивать базу между ними. в первую очередь портала.
2. уменьшить высоту портала. оставить зазор 100-150мм. но ход по оси Z мона оставить большим. это и удобство при смене инструмента и возможность работы длинными фрезами/сверлами.
3. висячий стол уже озвучили
4. укосины стоек портала и основания. а также ребра жесткости на самой пластине портала
Аватара пользователя
Андрей 17
Новичок
Сообщения: 9
Зарегистрирован: 20 янв 2021, 20:23
Репутация: 0
Настоящее имя: 1357935кангу
Контактная информация:

Re: зверь машина по пластику и дереву 570/370/170 500вт

Сообщение Андрей 17 »

Newengine писал(а): 20 янв 2021, 23:24 а зачем такая высота портала и такая длинная ось Z?
Если нет в планах обрабатывать что- то высокое, то ход по z 60-80мм вполне достаточно. Портал тоже понизить максимально.
я когда заказывал kit набор было несколько критериев он должен поместится в одном краю маленького балкона и занимать при этом мало места, глубина балкона примерно 850, а рабочую зону изначально хотел 600/400/150, а заказал sbr700/500/300. конструкцию такую собрал на скоряк купил 1.5м/1.5м лист 16мм фанеры и у друга взял ручную циркулярку долго не думая на фанере карандашом на фанере нарисовал выкройки и раскроил,конструкция оказалась не лучшая щас я это понял.немного усилю пока стол и пограюсь пока с таким ,пока буду думать над новой конструкцией
Вложения
IMG_20200411_190641.jpg (1085 просмотров) <a class='original' href='./download/file.php?id=191400&mode=view' target=_blank>Загрузить оригинал (5.18 МБ)</a>
20190218_091405.jpg (1085 просмотров) <a class='original' href='./download/file.php?id=191402&mode=view' target=_blank>Загрузить оригинал (3.66 МБ)</a>
1.jpg (1084 просмотра) <a class='original' href='./download/file.php?id=191403&mode=view' target=_blank>Загрузить оригинал (854.83 КБ)</a>
Последний раз редактировалось Андрей 17 22 янв 2021, 12:13, всего редактировалось 2 раза.
Аватара пользователя
Андрей 17
Новичок
Сообщения: 9
Зарегистрирован: 20 янв 2021, 20:23
Репутация: 0
Настоящее имя: 1357935кангу
Контактная информация:

Re: зверь машина по пластику и дереву 570/370/170 500вт

Сообщение Андрей 17 »

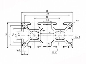
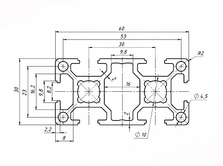
вот присматриваюсь к профилю на сайте собери завод 60/30 но у него на продольных пазах продольные дополнительные углубления хоть алюминиевую полосу ставь между рельсами и станочными профилями чтобы прикрутить sbr16 а если какие то варианты , и пилят под размер и цена вроде нормальная если бы ни эти доп пазы зачем они там нужны ума не приложу
Аватара пользователя
Андрей 17
Новичок
Сообщения: 9
Зарегистрирован: 20 янв 2021, 20:23
Репутация: 0
Настоящее имя: 1357935кангу
Контактная информация:

Re: зверь машина по пластику и дереву 570/370/170 500вт

Сообщение Андрей 17 »

я пересмотрел много конструкций чпу станков мне понравилась конструкция из алюминиевого станочного профиля. типа каркас основание прямоугольной формы из алюминиевого профиля 60/40 по бокам прикрученные рельсы sbr16 это ось ''y'' с верху лист фанеры это столешница и ось основание ''x'' станочный профиль 60/40 сверху и с низу прикрученные к нем sbr16 зеркально.боковины оси ''x'' и вся ось ''z'' из дюралевых плит.многие конструкции такого типа используют на оси ''y'' две швп и два привода я хочу один по середине. я хотел изначально такую конструкцию да и сейчас хочу. по поже как созрею закажу профиль и дюральку.пока думаю что использовать на проставки между станочным профилем60/40 и 16 рельсами какие нибудь алюминиевые полосы или еще что то. было бы лучше если бы не было этих доп углублений в профиле
Вложения
336_CHertezh.jpg (1075 просмотров) <a class='original' href='./download/file.php?id=191404&mode=view' target=_blank>Загрузить оригинал (42.49 КБ)</a>
e8cba22e53a4b63607f92502b8bfdef2.jpg (1075 просмотров) <a class='original' href='./download/file.php?id=191405&mode=view' target=_blank>Загрузить оригинал (43.76 КБ)</a>
Ответить

Вернуться в «Фрезерные станки по дереву и пластикам, гравировальные станки, роутеры»