USB Motion Card STB4100

Контроллеры, драйверы, датчики, управляющие устройства.
Nikopol70
Кандидат
Сообщения: 58
Зарегистрирован: 24 окт 2018, 09:34
Репутация: 1
Настоящее имя: Dmitriy
Контактная информация:

Re: USB Motion Card STB4100

Сообщение Nikopol70 »

Rom327 писал(а): 29 дек 2020, 15:42
Nikopol70 писал(а): Так вот на О2-О4 не появляется 12 в.
Куда копать?
Там может появиться только ноль, так как Q1-Q4 это выходы с ОК.
Что значит ноль?
На Q1 же появляется минус от 12 в
Я считал что так же должны работать и Q2-Q4

Как их задействовать?
Аватара пользователя
Rom327
Почётный участник
Почётный участник
Сообщения: 2989
Зарегистрирован: 03 апр 2015, 13:23
Репутация: 437
Настоящее имя: Роман
Откуда: Подольск
Контактная информация:

Re: USB Motion Card STB4100

Сообщение Rom327 »

Nikopol70 писал(а): Что значит ноль?
На Q1 же появляется минус от 12 в
Минус от +12 это и есть 0. А активировать выходы можно через М-команды. Если мне память не изменяет, М7, М8 включить сож1 и сож2, М9 отключить...
Это сугубо мое мнение, могу и ошибаться...
https://vk.com/rom327
GRBL настройки: http://blogandbux.blogspot.com/2018/07/ ... revod.html
G коды: http://3d-stanki.ru/spravochnik/program ... stankov-2/
Nikopol70
Кандидат
Сообщения: 58
Зарегистрирован: 24 окт 2018, 09:34
Репутация: 1
Настоящее имя: Dmitriy
Контактная информация:

Re: USB Motion Card STB4100

Сообщение Nikopol70 »

Rom327 писал(а): 29 дек 2020, 20:31
Nikopol70 писал(а): Что значит ноль?
На Q1 же появляется минус от 12 в
Минус от +12 это и есть 0. А активировать выходы можно через М-команды. Если мне память не изменяет, М7, М8 включить сож1 и сож2, М9 отключить...
Хм, сож интересное решение

А куда скомутировать включение помпы охлаждения шпинделя? Повесить в параллель на Q1?
гражданинъ
Мастер
Сообщения: 1303
Зарегистрирован: 07 фев 2020, 21:00
Репутация: 170
Настоящее имя: Дмитрий
Контактная информация:

Re: USB Motion Card STB4100

Сообщение гражданинъ »

В частотнике есть реле для этого .
Гражданином Непала может быть любой гражданин,зачатый НЕпалкой и НЕпальцем.
Nikopol70
Кандидат
Сообщения: 58
Зарегистрирован: 24 окт 2018, 09:34
Репутация: 1
Настоящее имя: Dmitriy
Контактная информация:

Re: USB Motion Card STB4100

Сообщение Nikopol70 »

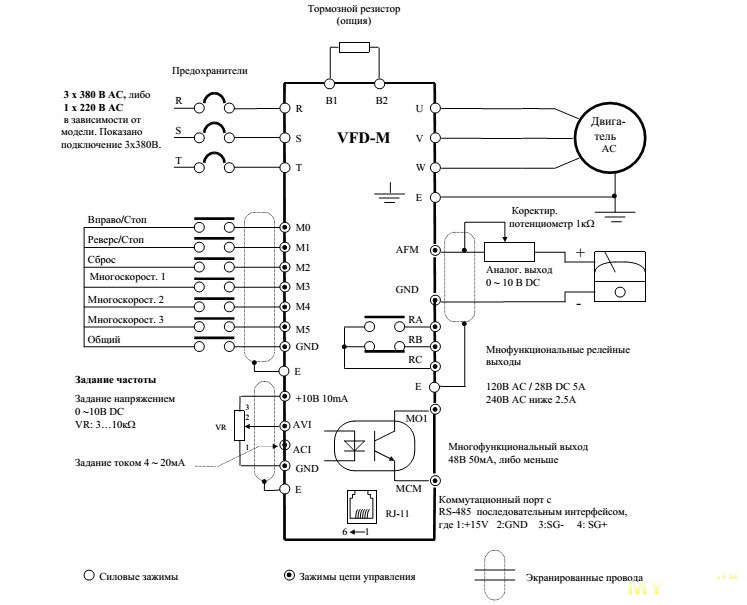
гражданинъ писал(а): 29 дек 2020, 21:03 В частотнике есть реле для этого .
Опа... я такое и не знал...
Вот мой
35C73CBD-5E2F-4892-8B8A-9D97A02601E1.jpeg (1597 просмотров) <a class='original' href='./download/file.php?id=190442&mode=view' target=_blank>Загрузить оригинал (93.8 КБ)</a>
Я так понимаю нужно использовать Контакты RA-RB-RC
гражданинъ
Мастер
Сообщения: 1303
Зарегистрирован: 07 фев 2020, 21:00
Репутация: 170
Настоящее имя: Дмитрий
Контактная информация:

Re: USB Motion Card STB4100

Сообщение гражданинъ »

RA RC замыкается RB размыкается .Но настроить надо по мануалу частотника.
Гражданином Непала может быть любой гражданин,зачатый НЕпалкой и НЕпальцем.
Nikopol70
Кандидат
Сообщения: 58
Зарегистрирован: 24 окт 2018, 09:34
Репутация: 1
Настоящее имя: Dmitriy
Контактная информация:

Re: USB Motion Card STB4100

Сообщение Nikopol70 »

гражданинъ писал(а): 29 дек 2020, 21:12 RA RC замыкается RB размыкается .Но настроить надо по мануалу частотника.
По мануалу разобрался как его настраивать
Там для активации реле 24 вариации
Как по опыту лучше организовать включение помпы охлаждения шпинделя? Я думал сделать что бы охлаждение включалось с включением частотника? Или с включением шпинделя?
Аватара пользователя
xenon-alien
Почётный участник
Почётный участник
Сообщения: 4520
Зарегистрирован: 01 янв 2013, 13:13
Репутация: 925
Настоящее имя: Daniel
Откуда: Закарпатская обл. Украина
Контактная информация:

Re: USB Motion Card STB4100

Сообщение xenon-alien »

Nikopol70 писал(а): Как по опыту лучше организовать включение помпы охлаждения шпинделя?
Nikopol70 писал(а): с включением шпинделя?
А выключение с задержкой, если возможно.
Аватара пользователя
Rom327
Почётный участник
Почётный участник
Сообщения: 2989
Зарегистрирован: 03 апр 2015, 13:23
Репутация: 437
Настоящее имя: Роман
Откуда: Подольск
Контактная информация:

Re: USB Motion Card STB4100

Сообщение Rom327 »

Nikopol70 писал(а): А куда скомутировать включение помпы охлаждения шпинделя?
А просто ткнуть в розетку или на автомат частотника повесить, вера не позволяет?
Это сугубо мое мнение, могу и ошибаться...
https://vk.com/rom327
GRBL настройки: http://blogandbux.blogspot.com/2018/07/ ... revod.html
G коды: http://3d-stanki.ru/spravochnik/program ... stankov-2/
Nikopol70
Кандидат
Сообщения: 58
Зарегистрирован: 24 окт 2018, 09:34
Репутация: 1
Настоящее имя: Dmitriy
Контактная информация:

Re: USB Motion Card STB4100

Сообщение Nikopol70 »

Rom327 писал(а): 29 дек 2020, 21:41
Nikopol70 писал(а): А куда скомутировать включение помпы охлаждения шпинделя?
А просто ткнуть в розетку или на автомат частотника повесить, вера не позволяет?
Вера обиделась)))
Нужно что бы все было по феншую- зачем же тогда столько денег тратить на сборку станка, что бы потом в розетки тыкать
гражданинъ
Мастер
Сообщения: 1303
Зарегистрирован: 07 фев 2020, 21:00
Репутация: 170
Настоящее имя: Дмитрий
Контактная информация:

Re: USB Motion Card STB4100

Сообщение гражданинъ »

Если не привязывать к включению шпинделя , то оно зачем вообще ? И если нет автосмены инструмента то программное включение шпинделя тоже ни к чему ,мне кааца .
Гражданином Непала может быть любой гражданин,зачатый НЕпалкой и НЕпальцем.
Nikopol70
Кандидат
Сообщения: 58
Зарегистрирован: 24 окт 2018, 09:34
Репутация: 1
Настоящее имя: Dmitriy
Контактная информация:

Re: USB Motion Card STB4100

Сообщение Nikopol70 »

Всем спасибо
Все получилось
Сделал включение подачи охлаждайки по сигнальной частоте, 0,1гц
Отключается через 2-5 сек после остановки шпинделя.

Вот мой станок, шёл к нему три года после г и палок.
B397DE8D-7AEC-4C6D-A97D-A7804A6CA171.jpeg (1566 просмотров) <a class='original' href='./download/file.php?id=190453&mode=view' target=_blank>Загрузить оригинал (3.84 МБ)</a>
B17E0FF4-AC4B-49F8-A7FC-273E3CECEF62.jpeg (1566 просмотров) <a class='original' href='./download/file.php?id=190454&mode=view' target=_blank>Загрузить оригинал (3.5 МБ)</a>
8D87F29C-360D-4243-A199-80EA2E54C419.jpeg (1566 просмотров) <a class='original' href='./download/file.php?id=190455&mode=view' target=_blank>Загрузить оригинал (3.24 МБ)</a>
Осталось дело за малым - стол - пока праздники и денег нету, положу лист дсп
Потом хочу из профиля сделать

Сделал стол, прицепил индикатор
Завтра буду катать смотреть что вышло
Потом ровнять стол
D377598F-5EAA-4A52-BEC9-18AC7C7046CF.jpeg (1536 просмотров) <a class='original' href='./download/file.php?id=190466&mode=view' target=_blank>Загрузить оригинал (3.36 МБ)</a>
B3CF0819-0F61-45B4-98F8-9287075392CC.jpeg (1536 просмотров) <a class='original' href='./download/file.php?id=190467&mode=view' target=_blank>Загрузить оригинал (3.67 МБ)</a>
Вот что ещё хотел спросить
После отключения помпы охлаждение, жидкость помалу уходит, видно на фото
Есть смысл поставить обратный клапан?
И нужен ли фильтр?
F9559759-01ED-4EB2-99A2-80243572983C.jpeg (1535 просмотров) <a class='original' href='./download/file.php?id=190468&mode=view' target=_blank>Загрузить оригинал (2.87 МБ)</a>
Nikopol70
Кандидат
Сообщения: 58
Зарегистрирован: 24 окт 2018, 09:34
Репутация: 1
Настоящее имя: Dmitriy
Контактная информация:

Re: USB Motion Card STB4100

Сообщение Nikopol70 »

Всех с Новым годом
Коллеги, столкнулся с проблемой - шпиндель вращается не в ту сторону- по часовой стрелке, а должен против часовой.

Перепроверил все провода подключения, прозвонил тестером- исходя из схемы распиновки все верно
На частотнике реверс разрешено, но при установке в маче галки реверс, шпиндель вообще не включается
Фото с мануала шпинделя ниже. Куда копать?
0D51A3E7-6FC1-47EE-AE0A-CB5772C1846B.jpeg (1509 просмотров) <a class='original' href='./download/file.php?id=190514&mode=view' target=_blank>Загрузить оригинал (67.92 КБ)</a>
Возможно что нужно сигнал старт стоп с платы подать не на м0 а на м1 на частотнике? Фото ниже
CF9CCBAD-B339-49BC-A928-31669B7E42AC.jpeg (1507 просмотров) <a class='original' href='./download/file.php?id=190516&mode=view' target=_blank>Загрузить оригинал (3.49 МБ)</a>

UPD - сам разобрался- действительно надо было перекинуть с м0 на м1
Последний раз редактировалось Nikopol70 01 янв 2021, 10:31, всего редактировалось 1 раз.
Cvazist
Мастер
Сообщения: 1155
Зарегистрирован: 16 окт 2017, 16:07
Репутация: 97
Контактная информация:

Re: USB Motion Card STB4100

Сообщение Cvazist »

2 фазы перекинь местами на шпинделе и закрутился в нужную сторону.
Плата управления должна поддерживать режим реверса, тогда и из Machа управление реверсом будет.
Cvazist
Мастер
Сообщения: 1155
Зарегистрирован: 16 окт 2017, 16:07
Репутация: 97
Контактная информация:

Re: USB Motion Card STB4100

Сообщение Cvazist »

Да и схема управления должна быть полностью собрана.
Проверь все ли фазы до шпинделя доходят. У меня одна фраза отваливалась и шпиндель запускался в другую сторону. То же немного голову поломал, пока нашёл.
Enot_1
Мастер
Сообщения: 1359
Зарегистрирован: 28 апр 2015, 00:12
Репутация: 242
Настоящее имя: Arkadiy
Откуда: Краснодар
Контактная информация:

Re: USB Motion Card STB4100

Сообщение Enot_1 »

Nikopol70 писал(а): действительно надо было перекинуть с м0 на м1
Надо было просто два провода на шпинделе из 3-х местами поменять.
Nikopol70
Кандидат
Сообщения: 58
Зарегистрирован: 24 окт 2018, 09:34
Репутация: 1
Настоящее имя: Dmitriy
Контактная информация:

Re: USB Motion Card STB4100

Сообщение Nikopol70 »

Enot_1 писал(а): 01 янв 2021, 10:46
Nikopol70 писал(а): действительно надо было перекинуть с м0 на м1
Надо было просто два провода на шпинделе из 3-х местами поменять.
А какие из трёх менять? Есть три провода UVW
Kupfershcmidt
Мастер
Сообщения: 2295
Зарегистрирован: 04 авг 2019, 15:54
Репутация: 323
Настоящее имя: Сергей
Контактная информация:

Re: USB Motion Card STB4100

Сообщение Kupfershcmidt »

Любую пару.
VKSam
Новичок
Сообщения: 5
Зарегистрирован: 03 янв 2021, 05:56
Репутация: 0
Настоящее имя: Сергей
Контактная информация:

Re: USB Motion Card STB4100

Сообщение VKSam »

vik_vo писал(а): 06 авг 2020, 05:30 И снова всем здрасть!
Кто нибудь пробовал на этом контролере построить карту высот с помощью G-Code_Ripper? У меня сканирование происходит но координаты не записываются правильно.
Пробовал. Та же фигня.
Но определил причину. Похоже на то, что происходит долгий контакт с поверхностью. Около 200-300мсек.
Если вручную касаться заготовки - карта строится правильная.
Надо каким-то образом заставить Mach3 максимально быстро отскакивать. Как это сделать в настройках - я не разобрался. Не нашел.
Попробовал "наколхозить" простую схему одновибратора на одном полевике. Эта схема обманывает Mach3 посылая при касании сигнал не длиннее 50мсек. Попробовал сканировать 28 точек. Правильными оказались 25. Не очень хорошо, но все же лучше.
Но такая схема порождает новую проблему - Mach3 не реагирует на длительные касания. В общем с такой схемой можно легко сломать инструмет, т.к. Mach3 не будет получать бесконечно длинные замыкания :(
Тут или пробовать схему с мультивибратором или править макросы чтоб перед началом сканирования инструмент принудительно отскакивал от заготовки хотя бы на 1мм. Должно хватить для гарантированного размыкания контакта.
Как-то так...
Nikopol70
Кандидат
Сообщения: 58
Зарегистрирован: 24 окт 2018, 09:34
Репутация: 1
Настоящее имя: Dmitriy
Контактная информация:

Re: USB Motion Card STB4100

Сообщение Nikopol70 »

Коллеги, не нашёл ответа ни где
На охлаждение шпинделя нужен ли обратный клапан что бы жидкость не уходила?
За час два простоя жидкость наполовину сливается в ёмкость
Ответить

Вернуться в «Электроника»