ihsv57 [РЕШЕНО]

Шаговые и серво двигатели, шпиндели, инверторы.
Hugo
Мастер
Сообщения: 1369
Зарегистрирован: 15 окт 2018, 19:39
Репутация: 303
Настоящее имя: Юрий
Контактная информация:

Re: ihsv57 [РЕШЕНО]

Сообщение Hugo »

mihams писал(а):аларм - выходной сигнал...
Т.е. вы хотите сказать, что ALARM нельзя запитать на E-stop?

описание к приводу
2020_04_21 17-05.jpg (5820 просмотров) <a class='original' href='./download/file.php?id=180312&mode=view' target=_blank>Загрузить оригинал (381.35 КБ)</a>
Схема подключения
Connect.jpg (5820 просмотров) <a class='original' href='./download/file.php?id=180313&mode=view' target=_blank>Загрузить оригинал (191.59 КБ)</a>
Hugo
Мастер
Сообщения: 1369
Зарегистрирован: 15 окт 2018, 19:39
Репутация: 303
Настоящее имя: Юрий
Контактная информация:

Re: ihsv57 [РЕШЕНО]

Сообщение Hugo »

hmnijp писал(а):но проще на отдельный вход.
Проводов уже море... у меня там вращающаяся гайка, мотор и швп мешает, поэтому условия тесные... и если еще 4 кабеля (0,5мм х4) тащить, это кошмар...
2020_04_21 17-23.jpg (5816 просмотров) <a class='original' href='./download/file.php?id=180314&mode=view' target=_blank>Загрузить оригинал (382.94 КБ)</a>
Про реллюху, можете эскиз накидать по простому, как такая схема могла бы существовать?
Аватара пользователя
hmnijp
Мастер
Сообщения: 1754
Зарегистрирован: 20 авг 2017, 15:02
Репутация: 542
Настоящее имя: Константин
Откуда: Ульяновск
Контактная информация:

Re: ihsv57 [РЕШЕНО]

Сообщение hmnijp »

Hugo писал(а):Проводов уже море... у меня там вращающаяся гайка, мотор и швп мешает, поэтому условия тесные... и если еще 4 кабеля (0,5мм х4) тащить, это кошмар...
а, ну да, драйвера ж не в шкафу...
Hugo писал(а):Про реллюху, можете эскиз накидать по простому, как такая схема могла бы существовать?
ну е-стоп обычно - кнопка установленная на размыкание.. тебе проще аларм пустить на вход какой нибудь сразу, благо у uccnc их полно свободных, и програмно это сделать... так или иначе каждой серве тянуть провод сигнальный. две жилы лишних там погоды не сделают.
иначе самое просто - взять опторазвязку(с релюшкой например), её включать алармом, и повесить на размыкание кольца е-стоп. это без пайки, но всё равно проводов больше - на каждую серву надл будет доп питание и кольцо аларма тянуть. проще уж сразу взять сигнальный 5х0,5 какой нибудь к каждой серве.
a321
Мастер
Сообщения: 644
Зарегистрирован: 03 дек 2016, 00:30
Репутация: 74
Контактная информация:

Re: ihsv57 [РЕШЕНО]

Сообщение a321 »

Аларм - все провода на один е-стоп (у меня). Энейбл тоже один на всех. С целью экономии проводов (до станка) я часть разводки делал уже от станка, на задней стороне балки портала. Для сигнальных (не силовых) подходит качественная экранированная витая пара (не китай - обещают большой ресурс на изгиб). Силовых - выбрал провод по-толще и все запитал по одной жиле (каждое напряжение) и уже на станке разделил. Даже драйвер шаговика повесил на портал. Решение прошло проверку временем и пробегом.
Hugo
Мастер
Сообщения: 1369
Зарегистрирован: 15 окт 2018, 19:39
Репутация: 303
Настоящее имя: Юрий
Контактная информация:

Re: ihsv57 [РЕШЕНО]

Сообщение Hugo »

a321 писал(а):Аларм - все провода на один е-стоп (у меня).
Как я понял из интернета (сейчас не могу посмотреть) ALARM выход нормально закрытый NC при работе, и при ошибке сразу разрыв цепи, т.е. NO...

(инфо из интернета google переводчик: большинство безопасных устройств и промышленных приводов подают питание на выход ALARM, когда устройство работает нормально, и обесточивают этот выход, когда что-то происходит не так. Этот подход также охватывает потерю мощности, разрыв провода происходит автоматически. Это похоже на то, почему мы используем NC-контактные переключатели для контура цепи Estop и Limit...)

как я понял, что у вас все выходы ALARM со всех моторов соединенны последовательно на балке портала и потом двумя жилами идут в щит к контроллеру на E-STOP?

С ENABLE так-же?
Куда ENABLE запитан?

Моя плата опторазвязки UB1. Там в инструкции много на техническом английском языке написано, боюсь понапутать и в дебри тоже лезть не хочу. Там некоторые функции для продвинутых, надо под платой мостики надо спаивать и под себя настраивать, всякие защиты там (Charge Pump) и прочее... Одним словом надо хорошо понимать что делаешь раз паяльником начинаешь махать :thinking: Там даны 3 подключения для примера, для разных уровней владения знаниями электроники...


я стрелки добавил
E-stop.jpg (5770 просмотров) <a class='original' href='./download/file.php?id=180324&mode=view' target=_blank>Загрузить оригинал (580.96 КБ)</a>
Одним словом, ищу простое решение, с минимальными знаниями
Аватара пользователя
hmnijp
Мастер
Сообщения: 1754
Зарегистрирован: 20 авг 2017, 15:02
Репутация: 542
Настоящее имя: Константин
Откуда: Ульяновск
Контактная информация:

Re: ihsv57 [РЕШЕНО]

Сообщение hmnijp »

Hugo писал(а): ALARM выход нормально закрытый NC при работе, и при ошибке сразу разрыв цепи, т.е. NO
Нет, там же видно по схеме - это выход с открытым коллектором. это не просто nc/no. будте внимательны, а то сожжете транзистор на нем.
а на энейбл просто подается высокий уровень. есть сигнал - сервы в удержании, нет - отключены.
mihams
Кандидат
Сообщения: 41
Зарегистрирован: 06 май 2015, 11:51
Репутация: 8
Контактная информация:

Re: ihsv57 [РЕШЕНО]

Сообщение mihams »

можно конечно последовательно через кнопку и на один вход...
но как написали выше, лучше каждый на отдельный вход.
проводов не так много нужно. 1 общий и по одному сигнальному на привод.
Аватара пользователя
Сергей Саныч
Мастер
Сообщения: 9116
Зарегистрирован: 30 май 2012, 14:20
Репутация: 2858
Откуда: Тюмень
Контактная информация:

Re: ihsv57 [РЕШЕНО]

Сообщение Сергей Саныч »

hmnijp писал(а):
Hugo писал(а): ALARM выход нормально закрытый NC при работе, и при ошибке сразу разрыв цепи, т.е. NO
Нет, там же видно по схеме - это выход с открытым коллектором. это не просто nc/no. будте внимательны, а то сожжете транзистор на нем.
а на энейбл просто подается высокий уровень. есть сигнал - сервы в удержании, нет - отключены.
Alarm - это выходной транзистор оптрона. Внутри драйвера никуда не подключен. Поэтому их можно соединять последовательно в общую цепь вместе с кнопками E-stop и тянуть на один вход платы развязки. Никаких дополнительных реле и ключей не требуется.
mihams писал(а): лучше каждый на отдельный вход.
При использовании платы развязки от LPT (хоть "за 5 баксов", хоть Степмастер) входы обычно в дефиците.
Чудес не бывает. Бывают фокусы.
Hugo
Мастер
Сообщения: 1369
Зарегистрирован: 15 окт 2018, 19:39
Репутация: 303
Настоящее имя: Юрий
Контактная информация:

Re: ihsv57 [РЕШЕНО]

Сообщение Hugo »

Сергей Саныч писал(а):
hmnijp писал(а):
Hugo писал(а): ALARM выход нормально закрытый NC при работе, и при ошибке сразу разрыв цепи, т.е. NO
Нет, там же видно по схеме - это выход с открытым коллектором. это не просто nc/no. будте внимательны, а то сожжете транзистор на нем.
а на энейбл просто подается высокий уровень. есть сигнал - сервы в удержании, нет - отключены.
Alarm - это выходной транзистор оптрона. Внутри драйвера никуда не подключен. Поэтому их можно соединять последовательно в общую цепь вместе с кнопками E-stop и тянуть на один вход платы развязки. Никаких дополнительных реле и ключей не требуется.
mihams писал(а): лучше каждый на отдельный вход.
При использовании платы развязки от LPT (хоть "за 5 баксов", хоть Степмастер) входы обычно в дефиците.
Спасибо за инфо. Как вы думаете, если сработают сразу например (что очень мало вероятно) ALARM сразу на 3 приводах, то суммарное напряжение на пине опторазвязки не сможет вход сжечь?
mihams
Кандидат
Сообщения: 41
Зарегистрирован: 06 май 2015, 11:51
Репутация: 8
Контактная информация:

Re: ihsv57 [РЕШЕНО]

Сообщение mihams »

так наоборот напряжение пропадет...
и там нет ни какого суммарного напряжения... это обычные ключи.. как реле, грубо говоря.
Аватара пользователя
Сергей Саныч
Мастер
Сообщения: 9116
Зарегистрирован: 30 май 2012, 14:20
Репутация: 2858
Откуда: Тюмень
Контактная информация:

Re: ihsv57 [РЕШЕНО]

Сообщение Сергей Саныч »

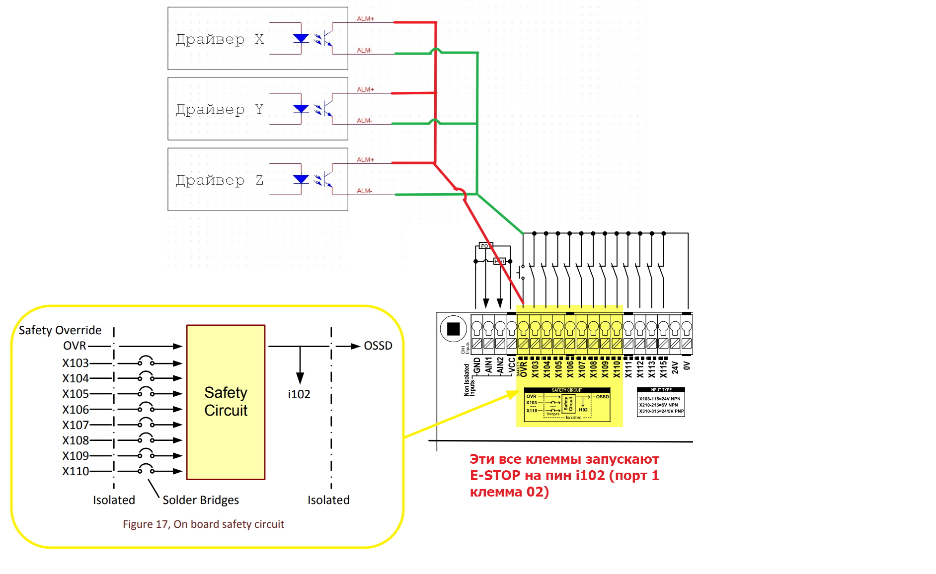
Вот, примерно так
Цепи E-stop.jpg (5703 просмотра) <a class='original' href='./download/file.php?id=180331&mode=view' target=_blank>Загрузить оригинал (113.62 КБ)</a>
Выходы ALM в драйверах должны быть настроены в режим NC. Тогда при нормальной работе цепь будет замкнута. А при аварии любого драйвера или нажатии кнопки E-STOP - произойдет разрыв цепи. То же будет и при пропадании питания драйверов.
Чудес не бывает. Бывают фокусы.
Hugo
Мастер
Сообщения: 1369
Зарегистрирован: 15 окт 2018, 19:39
Репутация: 303
Настоящее имя: Юрий
Контактная информация:

Re: ihsv57 [РЕШЕНО]

Сообщение Hugo »

Сергей Саныч писал(а):Вот, примерно так
Вложение Цепи E-stop.jpg больше недоступно
Выходы ALM в драйверах должны быть настроены в режим NC. Тогда при нормальной работе цепь будет замкнута. А при аварии любого драйвера или нажатии кнопки E-STOP - произойдет разрыв цепи. То же будет и при пропадании питания драйверов.
Сразу спрошу, если окажется, что Alarm на драйверах NO (т.е. при нормальной работе цепь разомкнута, при аварии цепь замыкается), и если это программно в настройках драйвера не поменять, можно ли все драйвера моторов (клеммы ALARM) подключить параллельно, и одним проводом с 2 жилами запитать на плату опторазвязки? У меня на плате UB1 есть клемма на замыкание контакта, который запускает блок безопасности E-stop (если я правильно прочитал схему)
NO.jpg (5685 просмотров) <a class='original' href='./download/file.php?id=180338&mode=view' target=_blank>Загрузить оригинал (573.25 КБ)</a>
mihams
Кандидат
Сообщения: 41
Зарегистрирован: 06 май 2015, 11:51
Репутация: 8
Контактная информация:

Re: ihsv57 [РЕШЕНО]

Сообщение mihams »

алармы НО никогда не делают... что если у вас кабель в обрыве будет? контроллер тогда никогда ошибку не увидит)
Аватара пользователя
Сергей Саныч
Мастер
Сообщения: 9116
Зарегистрирован: 30 май 2012, 14:20
Репутация: 2858
Откуда: Тюмень
Контактная информация:

Re: ihsv57 [РЕШЕНО]

Сообщение Сергей Саныч »

Hugo писал(а):Сразу спрошу, если окажется, что Alarm на драйверах NO (т.е. при нормальной работе цепь разомкнута, при аварии цепь замыкается)
Не запрещено, но я бы постарался избежать такого решения. Тогда уж лучше отдельные входы. По крайней мере, можно будет опознать источник ошибки, не глядя на драйверы.

Обычно реакция все-таки настраивается, но смотреть надо.
mihams писал(а):алармы НО никогда не делают... что если у вас кабель в обрыве будет? контроллер тогда никогда ошибку не увидит)
Все логично, тем не менее у HBS86H, к примеру, заводская установка - нормально разомкнуто.
К счастью, это можно поменять (через ProTuner).
Чудес не бывает. Бывают фокусы.
a321
Мастер
Сообщения: 644
Зарегистрирован: 03 дек 2016, 00:30
Репутация: 74
Контактная информация:

Re: ihsv57 [РЕШЕНО]

Сообщение a321 »

Hugo писал(а):как я понял, что у вас все выходы ALARM со всех моторов соединенны последовательно на балке портала и потом двумя жилами идут в щит к контроллеру на E-STOP?

С ENABLE так-же?
Куда ENABLE запитан?
О как озадачили. Работал по схеме "сделал и забыл, если не косячит". У меня сейчас голова совсем в другом месте - вторая редакция головы для Тадам-2 (пришедшие в вскр шестерни из Китая такие местами не круглые...). Но по памяти - все Алармы соединены параллельно, это один провод, идущий с Степмастеру. Непосредственно с изготовителем СМ общались и он выкладывал
серва-аларм-СМ.png (5647 просмотров) <a class='original' href='./download/file.php?id=180345&mode=view' target=_blank>Загрузить оригинал (195.07 КБ)</a>
. Да, знаю про потенциальные обрывы в случае нормально разомкнутых. Но опять же мой опыт с нормально замкнутыми (еще на китайце) был отрицательным - шумы, наводки и пр. приводили к ложным срабатываниям регулярно (даже с конденсатором в цепи).

Энейбл тоже один провод, доходит до станка и далее расходится по контроллерам.

Ни одного нарекания. Ни одного ложного срабатывания Аларма. Все случаи срабатывания были оправданными.
Hugo
Мастер
Сообщения: 1369
Зарегистрирован: 15 окт 2018, 19:39
Репутация: 303
Настоящее имя: Юрий
Контактная информация:

Re: ihsv57 [РЕШЕНО]

Сообщение Hugo »

Все Алармы с моторов запаралелил и 1 кабелем на ESTOP пустил, все работает.
До ENABLE еще не добрался.

Нa длинной оси (Y) у меня есть проблемы с моторами

С заводскими настройками моторы сбои (АЛАРМ) давали редко, но система не была жесткой (моторы можно было рукой покрутить немного) и надо было жесткость сервы настроить софтом через кабель... Поменял некоторые параметры, в ютубе подглядел, теперь, моторы стоят на удержании жестко, но уходят в аларм - если резко ускориться, если медленно, до примерно 6000мм/мин - немного едет ось, примерно через 500мм - 1500мм останавливается. Красная лампочка моргает 7 раз. То один мотор, то другой уходит в ошибку (ошибка одинаковая).

Такие же точно параметры и на оси X - там работает все идеально, скорость более 17000мм/мин и ускорение 5000 выдает... летает одним словом. На оси Х точно такие же шкивы стоят, только швп крутится а не гайка...

Ошибка с мотора считывается софтом:

AL412 Motor overload (continuous maximum load)
- Fault alarm checking: Change the motor or reduce the load
- Adjust the gain control loop
- The setting of acceleration and deceleration slows down
- Wiring correctly



после регулеровки система жесткая, но АЛАРМ всегда выходит и станок останавливается. Много настроек перепробовал, настроить не получается... там все в кучу.. и авто настройки и мануальные, одно завистит от другого, что-то можно поменять - чего то не дает, надо в текстовом редакторе менять и файл на мотор отправлять... ОДИМ СЛОВОМ - это Китай детка, остальное напильником подточить...

Подскажите, какие параметры надо изменить, что бы Аларм не возникал? или куда копать?
У меня редукция шкивами 44 зуба и 26 зубов, надо ли это в настройках указывать?

На видео скорость перемещения 6000мм/мин, заводские настройки моторов. Работало вроде ничего. Теперь, если ставлю родной конфиг обратно, то все-равно Алармов теперь больше выскакивает... Наверное автоматические регулировки че-то правят, так как у портала винты с 2-ух сторон, то может сервы 2 штуки между собой соревнуются, кто лучше себя настроит... и потому у них расколбас по работе получается...

2 дня мучаюсь... :thinking:

Есть какие мнения?

https://www.youtube.com/watch?v=wgIfstiIe3U

Настраивал жесткость, как тут на видео

https://www.youtube.com/watch?v=C-DQYl78VsM
Аватара пользователя
iMaks-RS
Мастер
Сообщения: 1807
Зарегистрирован: 10 июл 2017, 09:25
Репутация: 205
Настоящее имя: Maks
Откуда: От туда.
Контактная информация:

Re: ihsv57 [РЕШЕНО]

Сообщение iMaks-RS »

у меня была ситуация зеркальная... после того, как сломал фрезу с хвостовиком 4мм под корень - под самую цангу.. и цанга тоже пришла в негодность.. и при этом не было ни каких алармов и ось XY продолжала спокойной кататься... Прошивка у меня версии 552.. я уменьшил постоянный ток с 6А до 3А, а так-же параметры Pp и Pos Error.. Правда во что эти параметры превратились в 6й версии прошивки.. х.з. Вот один из видосов по настройки для 5 прошивки.. подходит и для сервошагов jmc (ihss-57)
https://www.youtube.com/watch?v=EKrsX3KXtTk
Hugo
Мастер
Сообщения: 1369
Зарегистрирован: 15 окт 2018, 19:39
Репутация: 303
Настоящее имя: Юрий
Контактная информация:

Re: ihsv57 [РЕШЕНО]

Сообщение Hugo »

iMaks-RS писал(а):у меня была ситуация зеркальная... после того, как сломал фрезу с хвостовиком 4мм под корень - под самую цангу.. и цанга тоже пришла в негодность.. и при этом не было ни каких алармов и ось XY продолжала спокойной кататься... Прошивка у меня версии 552.. я уменьшил постоянный ток с 6А до 3А, а так-же параметры Pp и Pos Error.. Правда во что эти параметры превратились в 6й версии прошивки.. х.з. Вот один из видосов по настройки для 5 прошивки.. подходит и для сервошагов jmc (ihss-57)
https://www.youtube.com/watch?v=EKrsX3KXtTk
Интересно для моторов с прошивкой v6.03 можно ли поставить прошивку v5.52? И как это прошивка меняется где брать?

IHSS60 3Nm servo шаговый, сколько оборотов выдаeт?
a321
Мастер
Сообщения: 644
Зарегистрирован: 03 дек 2016, 00:30
Репутация: 74
Контактная информация:

Re: ihsv57 [РЕШЕНО]

Сообщение a321 »

Прошивки не октатываются, вероятно дело в разных платах.
Что делал я - сам живу под Линукс = LinuxCNC. Но на стадии борьбы за работу станка загружался в виндах и игрался с настройками. Несомненно, есть прямая связь между ускорением, весом портала и моментом на валу. У меня портал из дерева, голова (станка) из дерева, потому все довольно легкое. Что делал - в софте прошивки открывал вкладку, на которой видны моменты от отставание позиции (в условных корокодилах - выше описывал). Выставив (на другой вкладке) регулировки для жесткости (выше описывал) и настройки пределов (это в основном три-четыре параметра - максимально допустимый момент на валу и продолжительность такого явления, допустимое отставание и продолжительность) переходил в Мач и включал таскание портала туда-сюда + смотрел в софтине настройки моментов и отставания позиции, там они видны как "текущие" = не уследить и достигнутые максимальные. Ну и занимался их подбором. В итоге у меня ускорение по Z до 8000 (зависит от работ - греется же, там у меня шаговик, чтобы голова не падала), У 4000, Х 1300, ограничение момента не более 150% номинала для Х, не более 100% для У и пр. Опять таки, у меня шестерня-рейка и по оси Х с преднатягом путем принудительного перекоса портала (потому и момент разрешил до 150%) и редукция по Х 15-75-15, по У и Z 15-100-15, на ШВП редукция выше (сравните в мм на оборот). Как-то так.

PS
Когда делал Тадам-2 размышлял о ременном приводе. Запросил у продавца данные по растяжимости ремня (% на Ньютон) - уже год как станок сделан (на шестернях), а данных все нет. Это к вопросу о точности под нагрузкой, как, впрочем, и со всеми этими соосными втулками с полиуретановыми вставками.
Hugo
Мастер
Сообщения: 1369
Зарегистрирован: 15 окт 2018, 19:39
Репутация: 303
Настоящее имя: Юрий
Контактная информация:

Re: ihsv57 [РЕШЕНО]

Сообщение Hugo »

a321 писал(а):ограничение момента не более 150% номинала для Х, не более 100% для У и пр. Опять таки, у меня шестерня-рейка и по оси Х с преднатягом путем принудительного перекоса портала (потому и момент разрешил до 150%)
какой параметр за это отвечает (в софте типа "P03-02")?

Не справиться, сегодня еще пол дня мучился. Видать, "прогноз фрезерюги частично сбывается"... придется заказывать серво-шаги... Я столько проводки провел на станок, все подрезано, все в профилях проведено... не хотелось бы кардинально все менять... все отверстия и посадки под NEMA 24 (60mm)

Настроение ниже среднего, ось Y с двумя моторами не пашет как надо, ось Х работает хорошо... Подумываю, купить тоже самое, только вместо сервы - серво-шаговый с замкнутым контуром IHSS60 3Nm...
https://www.sorotec.de/shop/JMC-Closed- ... -7510.html
7510_2.jpeg (4729 просмотров) <a class='original' href='./download/file.php?id=182845&mode=view' target=_blank>Загрузить оригинал (51.6 КБ)</a>
Как вы думаете, если на разных осях будут разные моторы (серво на X и серво -шаг на Y) не получаться ли овалы вместо кругов?

Я в печали, одним словом :oops:
Ответить

Вернуться в «Двигатели и шпиндели»