Обработка концов ШВП
-
Dmitriy777
- Опытный
- Сообщения: 124
- Зарегистрирован: 10 апр 2017, 23:15
- Репутация: 17
- Настоящее имя: Дмитрий
- Контактная информация:
Обработка концов ШВП
Всем привет!!!
Знаю что данная тема уже давно разжевана и ответ можно где-то найти или посмотреть по каталогам производителей комплектующих. Но хочется получить ответ у опытных людей, чтобы избежать дальнейших проблем, так как данные на найденых чертежах из разных источников не много отличаются, из-за чего возникает путаница.
Интересуют чертежи обработки концов ШВП под опоры BK20; BF20 и FK20. Класс точности опор С5.
Также хочется узнать, имеет ли смысл устанавливать фиксирующие опоры по обоим сторонам винта или обойтись схемой фиксирующая - поддерживающая опоры? Станочек будет по дюралю, установочное основание для опор ШВП - поверочная плита, диаметр винта ШВП - 25мм
Знаю что данная тема уже давно разжевана и ответ можно где-то найти или посмотреть по каталогам производителей комплектующих. Но хочется получить ответ у опытных людей, чтобы избежать дальнейших проблем, так как данные на найденых чертежах из разных источников не много отличаются, из-за чего возникает путаница.
Интересуют чертежи обработки концов ШВП под опоры BK20; BF20 и FK20. Класс точности опор С5.
Также хочется узнать, имеет ли смысл устанавливать фиксирующие опоры по обоим сторонам винта или обойтись схемой фиксирующая - поддерживающая опоры? Станочек будет по дюралю, установочное основание для опор ШВП - поверочная плита, диаметр винта ШВП - 25мм
-
Enot_1
- Мастер
- Сообщения: 1359
- Зарегистрирован: 28 апр 2015, 00:12
- Репутация: 242
- Настоящее имя: Arkadiy
- Откуда: Краснодар
- Контактная информация:
Re: Обработка концов ШВП
Запросить там, где будете брать швп. +- всё равно будет под опору сделано, что там может быть разное?Dmitriy777 писал(а):Интересуют чертежи обработки концов ШВП под опоры BK20; BF20 и FK20. Класс точности опор С5.
В поддерживающей опоре bf подшипник "плавает". Это плюс в принципе, тк даёт свободу в ошибке длины швп и компенсацию температурного расширения (как думается).Dmitriy777 писал(а):фиксирующие опоры по обоим сторонам винта или обойтись схемой фиксирующая - поддерживающая опоры?
-
Dmitriy777
- Опытный
- Сообщения: 124
- Зарегистрирован: 10 апр 2017, 23:15
- Репутация: 17
- Настоящее имя: Дмитрий
- Контактная информация:
Re: Обработка концов ШВП
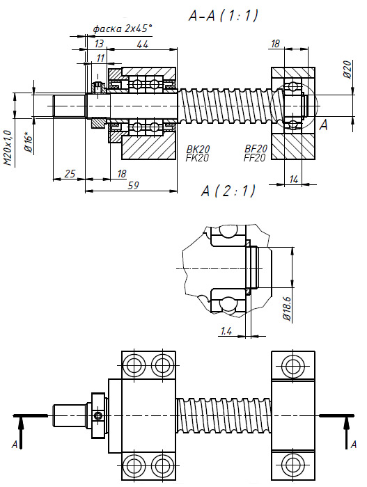
Вот, для примера, приведу пару чертежей с разных источников
Из них видно, что значения разные и каким чертежам верить?
-
Enot_1
- Мастер
- Сообщения: 1359
- Зарегистрирован: 28 апр 2015, 00:12
- Репутация: 242
- Настоящее имя: Arkadiy
- Откуда: Краснодар
- Контактная информация:
Re: Обработка концов ШВП
Первый darxton. Читата с сайтаDmitriy777 писал(а):Вот, для примера, приведу пару чертежей с разных источников Из них видно, что значения разные и каким чертежам верить?
"Гарантируется форма, обеспечивающая нормальную эксплуатацию винта."
Другой похоже Китайский.
Разницы в принципе нет особой нет.
-
Dmitriy777
- Опытный
- Сообщения: 124
- Зарегистрирован: 10 апр 2017, 23:15
- Репутация: 17
- Настоящее имя: Дмитрий
- Контактная информация:
Re: Обработка концов ШВП
Да, первый с darxton
Второй чертеж из каталога Hiwin
Ещё прилагаю чертеж из каталога, под опору FK Из чертежа видно, что длина проточки под опору вместе с резьбой (параметр Е) на 5мм длинее
Второй чертеж из каталога Hiwin
Ещё прилагаю чертеж из каталога, под опору FK Из чертежа видно, что длина проточки под опору вместе с резьбой (параметр Е) на 5мм длинее
- Serg
- Мастер
- Сообщения: 21923
- Зарегистрирован: 17 апр 2012, 14:58
- Репутация: 5183
- Заслуга: c781c134843e0c1a3de9
- Настоящее имя: Сергей
- Откуда: Москва
- Контактная информация:
Re: Обработка концов ШВП
Ответы надо искать в доках выбранного производителя, ибо только он знает как правильно и отвечает за свои рекомендации.
Похожие опоры у разных производителей могут отличаться не смотря на одинаковые названия.
Похожие опоры у разных производителей могут отличаться не смотря на одинаковые названия.
Я не Христос, рыбу не раздаю, но могу научить, как сделать удочку...
-
Dmitriy777
- Опытный
- Сообщения: 124
- Зарегистрирован: 10 апр 2017, 23:15
- Репутация: 17
- Настоящее имя: Дмитрий
- Контактная информация:
Re: Обработка концов ШВП
Значит придется сначала дозаказать и получить оставшиеся опоры, а потом уже заказывать винты, а хотелось сделать заказ паралельно, ну да ладно...
Кто нибудь, все таки, пробовал схему из двух фиксирующих опор на практике, имеет ли смысл заморачиваться или не стоит оно того? Длина рабочей части винта (без обработанных концов) по проекту у меня получается 770мм, диаметр винта 25мм. С "температурными" моментами при использовании схемы фиксирующая - фиксирующая опоры, в принципе, понятно...
Кто нибудь, все таки, пробовал схему из двух фиксирующих опор на практике, имеет ли смысл заморачиваться или не стоит оно того? Длина рабочей части винта (без обработанных концов) по проекту у меня получается 770мм, диаметр винта 25мм. С "температурными" моментами при использовании схемы фиксирующая - фиксирующая опоры, в принципе, понятно...
-
NickoM
- Новичок
- Сообщения: 30
- Зарегистрирован: 04 сен 2017, 17:21
- Репутация: 2
- Настоящее имя: Николай
- Контактная информация:
Re: Обработка концов ШВП
вы всерьез считаете, что используя стандартные опоры, даже в полностью фиксированном варианте, крепя их "жалкими" болтиками, сможете настолько натянуть швп чтобы ей поплохело ? немного огорчу, скорее болты вытянутся, или площадка под них промнется на десятку, чем что то будет каленому стержню 25мм диаметром. температурные расширения туда же.
Вариант с двумя фиксированными применяется когда хотят уменьшить колебания швп при большой длине и Большой скорости, как в деревянных станках с ходами по паре метров и скоростями под 15м/с.
Вариант с двумя фиксированными применяется когда хотят уменьшить колебания швп при большой длине и Большой скорости, как в деревянных станках с ходами по паре метров и скоростями под 15м/с.
- frezeryga
- Почётный участник

- Сообщения: 13713
- Зарегистрирован: 18 авг 2013, 16:08
- Репутация: 5069
- Откуда: Жуковский
- Контактная информация:
Re: Обработка концов ШВП
две фиксирующих опоры ставят для жесткости поскольку опоры это слабое место в системе.
email frezeryga@yandex.ru
instagram https://www.instagram.com/frezeryga
telegram https://t.me/md_cnc_frezeryga https://t.me/frezeryga
instagram https://www.instagram.com/frezeryga
telegram https://t.me/md_cnc_frezeryga https://t.me/frezeryga
-
NickoM
- Новичок
- Сообщения: 30
- Зарегистрирован: 04 сен 2017, 17:21
- Репутация: 2
- Настоящее имя: Николай
- Контактная информация:
Re: Обработка концов ШВП
если опора с нормальными радиально-упорными подшипниками и собрана нормально, то ее жесткость не является определяющей в большинстве случаев работы станка. Достаточно сравнить предельные нагрузки для гаек швп и соответствующих опор винтов.
гайка наедается сильно быстрее чем опора. Проверено несколько раз.
А вот крепление самой стандартной опоры вызывает вопросы обычно. Тем у кого нагрузки реально серьезные не применяют стандартные BF/BKF и подобные им опоры
гайка наедается сильно быстрее чем опора. Проверено несколько раз.
А вот крепление самой стандартной опоры вызывает вопросы обычно. Тем у кого нагрузки реально серьезные не применяют стандартные BF/BKF и подобные им опоры
- frezeryga
- Почётный участник

- Сообщения: 13713
- Зарегистрирован: 18 авг 2013, 16:08
- Репутация: 5069
- Откуда: Жуковский
- Контактная информация:
Re: Обработка концов ШВП
нагрузочная способность и жесткость разные вещи а также теория и практика отличаются. всегда ставлю хорошие опоры С5 на дуплексных подшипниках и всегда в них сотка-полторы упругий прожим подшипников есть.
email frezeryga@yandex.ru
instagram https://www.instagram.com/frezeryga
telegram https://t.me/md_cnc_frezeryga https://t.me/frezeryga
instagram https://www.instagram.com/frezeryga
telegram https://t.me/md_cnc_frezeryga https://t.me/frezeryga
-
sidor094
- Мастер
- Сообщения: 826
- Зарегистрирован: 20 фев 2014, 09:13
- Репутация: 81
- Настоящее имя: Сергей
- Откуда: Москва
- Контактная информация:
Re: Обработка концов ШВП
Мне кажется задняя опора нужна в основном для того,чтобы избежать болтанки и вибрации свободного конца швп.Так как упорной нагрузки она не держит.Только радиальную.Отсюда вывод.Она нужна только на относительно длинных винтах.
-
Dmitriy777
- Опытный
- Сообщения: 124
- Зарегистрирован: 10 апр 2017, 23:15
- Репутация: 17
- Настоящее имя: Дмитрий
- Контактная информация:
Re: Обработка концов ШВП
Ставите 2 фиксированые опоры, правильно понял?frezeryga писал(а):всегда ставлю хорошие опоры С5 на дуплексных подшипниках и всегда в них сотка-полторы упругий прожим подшипников есть.
Если так, то есть ли разница в сравнении со стандартной схемой?
- frezeryga
- Почётный участник

- Сообщения: 13713
- Зарегистрирован: 18 авг 2013, 16:08
- Репутация: 5069
- Откуда: Жуковский
- Контактная информация:
Re: Обработка концов ШВП
сам пока не ставил. но в станке микони именно так сделано и жесткость у него оч хорошая.
email frezeryga@yandex.ru
instagram https://www.instagram.com/frezeryga
telegram https://t.me/md_cnc_frezeryga https://t.me/frezeryga
instagram https://www.instagram.com/frezeryga
telegram https://t.me/md_cnc_frezeryga https://t.me/frezeryga