Контроллер UC300eth, тоже подумываю такой себе купить... какую будешь брать к контроллеру плату развязки?NikolayUa24 писал(а):Относительно промышленного там ничего такого нету в invoice указано Ethernet board доставка вышла 13$ лицензия пришла на почту. Капризная к питанию 5в от зарядного 5в 1А работать не хочетhmnijp писал(а):Ну раз уж про это говорим, подскажите, с покупкой есть ли какие заморочки? покупать у них напрямую? на физ лицо из европы ничего не покупал такого относительно промышленного... Думаю попробовать.для подключения напрямую к компу нужен Crossover Cable.
Переделка фрезера по дереву (рабочее поле 2500х1250мм)
-
Hugo
- Мастер
- Сообщения: 1369
- Зарегистрирован: 15 окт 2018, 19:39
- Репутация: 303
- Настоящее имя: Юрий
- Контактная информация:
Re: Переделка фрезера по дереву (рабочее поле 2500х1250мм)
-
NikolayUa24
- Мастер
- Сообщения: 1407
- Зарегистрирован: 31 июл 2013, 20:05
- Репутация: 256
- Настоящее имя: Николай
- Контактная информация:
Re: Переделка фрезера по дереву (рабочее поле 2500х1250мм)
У меня есть китайская, подключал работает хорошо. Хочу подключить MPG благо входов-выходов много заказал две таких и нужно самому делать кабель у себя такой как нужен не нашел заказал CAT6A RJ45 и купил 10м кабеля.Hugo писал(а): какую будешь брать к контроллеру плату развязки?
Страдания ведут человека к совершенству.
-
Hugo
- Мастер
- Сообщения: 1369
- Зарегистрирован: 15 окт 2018, 19:39
- Репутация: 303
- Настоящее имя: Юрий
- Контактная информация:
Re: Переделка фрезера по дереву (рабочее поле 2500х1250мм)
Я сам не электронщик , но про эту плату слышал что самая дешёвка..., такому хорошему контроллеру - может есть смысл что-то получше приобрести?NikolayUa24 писал(а):У меня есть китайская, подключал работает хорошо. Хочу подключить MPG благо входов-выходов много заказал дветаких и нужно самому делать кабель у себя такой как нужен не нашел заказал две такие CAT6A RJ45 и купил 10м кабеля.Hugo писал(а): какую будешь брать к контроллеру плату развязки?
-
Hugo
- Мастер
- Сообщения: 1369
- Зарегистрирован: 15 окт 2018, 19:39
- Репутация: 303
- Настоящее имя: Юрий
- Контактная информация:
Re: Переделка фрезера по дереву (рабочее поле 2500х1250мм)
Я для себя поторопился , купил USS smothstepler для mach3-4, + хорошую плату но думаю перейти на uccnc ( после глюков и зарезов в Mach3 на моём станке по алюминию)
-
NikolayUa24
- Мастер
- Сообщения: 1407
- Зарегистрирован: 31 июл 2013, 20:05
- Репутация: 256
- Настоящее имя: Николай
- Контактная информация:
Re: Переделка фрезера по дереву (рабочее поле 2500х1250мм)
Я пробовал и с Мач3 и UCCNC обе работают хорошо не глючат связь не теряется винда 7/64Hugo писал(а): про эту плату слышал что самая дешёвка
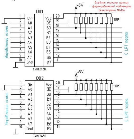
Я с этой платы буду использовать только оси там две микросхемы 74HC245D (Восьмиканальный двунаправленный приемопередатчик с тремя состояниями на выходе)
Последний раз редактировалось NikolayUa24 19 ноя 2019, 14:08, всего редактировалось 1 раз.
Страдания ведут человека к совершенству.
-
Hugo
- Мастер
- Сообщения: 1369
- Зарегистрирован: 15 окт 2018, 19:39
- Репутация: 303
- Настоящее имя: Юрий
- Контактная информация:
Re: Переделка фрезера по дереву (рабочее поле 2500х1250мм)
Так как я в электронике плохо понимаю, то покупал самую дорогую плату, что была в продаже - надеясь на то, что работать должна хорошо - раз сколько стоит
))
https://shop.cnc-technics.de/product_in ... epper.html
https://shop.cnc-technics.de/product_in ... epper.html
-
NikolayUa24
- Мастер
- Сообщения: 1407
- Зарегистрирован: 31 июл 2013, 20:05
- Репутация: 256
- Настоящее имя: Николай
- Контактная информация:
Re: Переделка фрезера по дереву (рабочее поле 2500х1250мм)
Они у себя на сайте продают UCBB на два порта, не вижу смысла платить 74 евроHugo писал(а):Так как я в электронике плохо понимаю, то покупал самую дорогую плату, что была в продаже - надеясь на то, что работать должна хорошо - раз сколько стоит))
https://shop.cnc-technics.de/product_in ... epper.html
Реле я купил такие там можно выбрать высокий или низкий входной уровень.
Страдания ведут человека к совершенству.
- hmnijp
- Мастер
- Сообщения: 1754
- Зарегистрирован: 20 авг 2017, 15:02
- Репутация: 542
- Настоящее имя: Константин
- Откуда: Ульяновск
- Контактная информация:
Re: Переделка фрезера по дереву (рабочее поле 2500х1250мм)
Ну это и зависит от того, что в инвойсе написано) Был опыт что из китая заворачивали, на физ лицо нельзя было растоможить, но это всё на дотошливость инспектора...NikolayUa24 писал(а):Относительно промышленного там ничего такого нету в invoice указано Ethernet board доставка вышла 13$ лицензия пришла на почту.
В прочем скорее всего закажу AXBB-E. Но отзывы о косяках тоже жду, только не от мача, а от uccnc
- Dimka
- Мастер
- Сообщения: 1400
- Зарегистрирован: 14 июл 2016, 23:40
- Репутация: 347
- Настоящее имя: Дима
- Откуда: Санкт-Петербург
- Контактная информация:
Re: Переделка фрезера по дереву (рабочее поле 2500х1250мм)
hmnijp, а на чём ты сейчас работаешь и почему хочется заменить на uccnc?
-
NikolayUa24
- Мастер
- Сообщения: 1407
- Зарегистрирован: 31 июл 2013, 20:05
- Репутация: 256
- Настоящее имя: Николай
- Контактная информация:
Re: Переделка фрезера по дереву (рабочее поле 2500х1250мм)
Как приведу все это дело в порядок буду писать. А так пока все собрано на соплях, кабеля нету БП на 5в тоже. 5в брал со старого системника кабель был прямой длиной 1м разрезал перепаял как надо. Одним словом колхоз. Пробовал резать Ацтекский календарь 70Мб грузится УП хорошо режет UCCNC тоже мне понравилось. Пока доволен, и самое главное не теряет связь с контроллером.hmnijp писал(а):Но отзывы о косяках тоже жду
Пора заканчивать этот балаган а то зас... человеку тему.
Страдания ведут человека к совершенству.
- hmnijp
- Мастер
- Сообщения: 1754
- Зарегистрирован: 20 авг 2017, 15:02
- Репутация: 542
- Настоящее имя: Константин
- Откуда: Ульяновск
- Контактная информация:
Re: Переделка фрезера по дереву (рабочее поле 2500х1250мм)
В основном мач на lpt, параллельно стоит linuxcnc под axis, запускаю его когда траектория сложная большая(мач тупит на них и портит малину. да и частоту большую он не вывозит).Dimka писал(а):hmnijp, а на чём ты сейчас работаешь и почему хочется заменить на uccnc?
В целом мне ооочень нужно отвязаться от lpt, уйти с мача, получить большую стабильность и чуть больше входов-выходов под всякие приспособы, на которые уже не хватает.
Выбор сейчас вижу только - ethernet mesa или этот под управлением uccnc(немного погонял всякие тесты в демо, сравнивая время работы на разных настройках с мачем. софт нравится, под тачскрином работает. Свои плагины/скрипты/скрины можно дописывать. Отзывов отрицательных как таковых особо нет, редко мелкие косячки на их форуме всплывают, но они их фиксят в версиях)
Цена одинаковая в принципе, но линукс пока-что банально нет времени допиливать до удобно-рабочего состояния, хотя и интересно повозиться. Mycnc дороже в 2.5 раза, были бы сервы, выбрал бы её.
-
NikolayUa24
- Мастер
- Сообщения: 1407
- Зарегистрирован: 31 июл 2013, 20:05
- Репутация: 256
- Настоящее имя: Николай
- Контактная информация:
Re: Переделка фрезера по дереву (рабочее поле 2500х1250мм)
Красивая но дорого UB1Hugo писал(а):может есть смысл что-то получше приобрести?
Страдания ведут человека к совершенству.
-
Hugo
- Мастер
- Сообщения: 1369
- Зарегистрирован: 15 окт 2018, 19:39
- Репутация: 303
- Настоящее имя: Юрий
- Контактная информация:
Re: Переделка фрезера по дереву (рабочее поле 2500х1250мм)
в Европе кто-нибудь такую продаёт?NikolayUa24 писал(а):Красивая но дорого UB1Hugo писал(а):может есть смысл что-то получше приобрести?
-
NikolayUa24
- Мастер
- Сообщения: 1407
- Зарегистрирован: 31 июл 2013, 20:05
- Репутация: 256
- Настоящее имя: Николай
- Контактная информация:
Re: Переделка фрезера по дереву (рабочее поле 2500х1250мм)
Точно не знаю, вероятнее что нет.Hugo писал(а):в Европе кто-нибудь такую продаёт?
Страдания ведут человека к совершенству.
-
Hugo
- Мастер
- Сообщения: 1369
- Зарегистрирован: 15 окт 2018, 19:39
- Репутация: 303
- Настоящее имя: Юрий
- Контактная информация:
Re: Переделка фрезера по дереву (рабочее поле 2500х1250мм)
Интересное решение по автоматической смене инструмента, для тех кто хочет переделать фрезер с минимальными переделками... рабочее поле не уменьшается, балку портала удлинять вбок не надо...
Хорошее любительское решение на мой взгляд...
*смотреть начиная с первой минуты
https://www.youtube.com/watch?v=i5Vgb4ftkHs
Хорошее любительское решение на мой взгляд...
*смотреть начиная с первой минуты
https://www.youtube.com/watch?v=i5Vgb4ftkHs
- neonas
- Мастер
- Сообщения: 385
- Зарегистрирован: 12 янв 2013, 22:41
- Репутация: 72
- Откуда: Литва, Вильнюс
- Контактная информация:
Re: Переделка фрезера по дереву (рабочее поле 2500х1250мм)
Очень популярное решение на Польских роутерах. И совсем не любительское.
Как много тех, с кем можно лечь в постель.
Как мало тех, с кем хочется проснуться...
Как мало тех, с кем хочется проснуться...
- hmnijp
- Мастер
- Сообщения: 1754
- Зарегистрирован: 20 авг 2017, 15:02
- Репутация: 542
- Настоящее имя: Константин
- Откуда: Ульяновск
- Контактная информация:
Re: Переделка фрезера по дереву (рабочее поле 2500х1250мм)
Ага, только когда магазин выезжает, он всё равно занимает рабочую зону) хотя на роутерах, с маленьким ходом по Z, когда вертикальная смена недоступна, чуть чуть сэкономит...
Последний раз редактировалось hmnijp 01 дек 2019, 23:22, всего редактировалось 1 раз.
-
Hugo
- Мастер
- Сообщения: 1369
- Зарегистрирован: 15 окт 2018, 19:39
- Репутация: 303
- Настоящее имя: Юрий
- Контактная информация:
Re: Переделка фрезера по дереву (рабочее поле 2500х1250мм)
Понравилось, что не сложная схема реализация смены, и немного поодаль от зоны обработки, может инструмент будет меньше засоряться...
-
Hugo
- Мастер
- Сообщения: 1369
- Зарегистрирован: 15 окт 2018, 19:39
- Репутация: 303
- Настоящее имя: Юрий
- Контактная информация:
Re: Переделка фрезера по дереву (рабочее поле 2500х1250мм)
В предыдущем видео с авто сменой инструмента, и видео, которое под текстом, используют одинаковые Тайваньские шпинделя с автосменой, делает обзор...
По стоимости, 1450 USD, как он говорит, хорошее качество...
производитель
http://ru.jian-ken.com/
обзор шпинделя с ATC
https://www.youtube.com/watch?v=pWNeW-lH9RA
через 1 год использования (замеры) + фрезеровка алюминия
https://www.youtube.com/watch?v=h9q6j7POgOI
Хвалит, одним словом вроде...
Есть ли хорошие не дорогие шпинделя с ATC ценой до 1500 USD? Может, есть какие другие варианты?
По стоимости, 1450 USD, как он говорит, хорошее качество...
производитель
http://ru.jian-ken.com/
обзор шпинделя с ATC
https://www.youtube.com/watch?v=pWNeW-lH9RA
через 1 год использования (замеры) + фрезеровка алюминия
https://www.youtube.com/watch?v=h9q6j7POgOI
Хвалит, одним словом вроде...
Есть ли хорошие не дорогие шпинделя с ATC ценой до 1500 USD? Может, есть какие другие варианты?
- neonas
- Мастер
- Сообщения: 385
- Зарегистрирован: 12 янв 2013, 22:41
- Репутация: 72
- Откуда: Литва, Вильнюс
- Контактная информация:
Re: Переделка фрезера по дереву (рабочее поле 2500х1250мм)
Вроде frezeruga использовал что-то подобное, у него можно спросить.
Из своих наблюдений могу сказать, что ни одного китайского станка с автосменой не видел с китайскими шпинделями.
Всегда только HSD, Elte, и так далее. Видимо не зря. Скорее всего это как лотерея, повезет не повезет.
А может и маркетинг, типа "почти европейское качество". Шпинделя именитых производителей стоят гораздо дороже.
Разве что БУ. Тогда можно и за 1500 найти. Но там та же лотерея.
Как я говорю тем, кто интересуется китайскими станками - Если тебе везет в казино, то и с Китаем повезет.
Из своих наблюдений могу сказать, что ни одного китайского станка с автосменой не видел с китайскими шпинделями.
Всегда только HSD, Elte, и так далее. Видимо не зря. Скорее всего это как лотерея, повезет не повезет.
А может и маркетинг, типа "почти европейское качество". Шпинделя именитых производителей стоят гораздо дороже.
Разве что БУ. Тогда можно и за 1500 найти. Но там та же лотерея.
Как я говорю тем, кто интересуется китайскими станками - Если тебе везет в казино, то и с Китаем повезет.
Как много тех, с кем можно лечь в постель.
Как мало тех, с кем хочется проснуться...
Как мало тех, с кем хочется проснуться...