Доработка интерфейса JP-382A (вкл/выкл шпинделя из Mach3)

Контроллеры, драйверы, датчики, управляющие устройства.
Аватара пользователя
13H
Новичок
Сообщения: 15
Зарегистрирован: 20 ноя 2016, 16:42
Репутация: 2
Настоящее имя: Игорь
Откуда: KZ
Контактная информация:

Доработка интерфейса JP-382A (вкл/выкл шпинделя из Mach3)

Сообщение 13H »

Добрый день!

Не так давно пришел станок CNC 3040 c контроллером 3040Z-DQ как на фото.
Станок был подключен, настроен под Mach3, были изготовлены пара-тройка печаток и небольшие эксперименты по пластику. Устроило фактически все,
за исключением небольшого люфта подшипников по осям, но это в ближайшее время я постараюсь ликвидировать.
Поскольку временно контроллер стоит под столом, большим неудобством оказались скакания под стол для щелканья тумблером включения/выключения шпинделя.

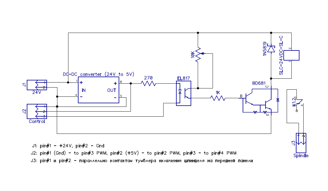
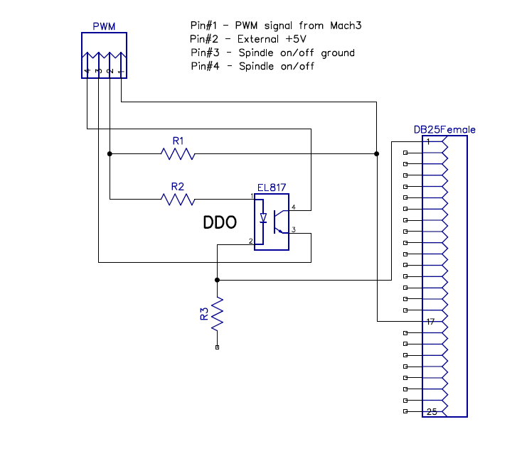
Поныряв под стол пару дней, пришла мысль открыть контроллер и посмотреть, можно ли на время удлинить кабель и вывести тумблер наружу. Внутри был обнаружен 3-осевой контроллер JP-382A, драйвер 4-ой оси JP-1635A, ,небольшой сетевой фильтр, БП на 24В и простенький контроллер шпинделя ZB319-D. Начав разглядывать это хозяйство, обнаружил на плате JP-382A неподключенный разъем PWM OUT с оптопарами неподалеку, подписанные как DDO и EDO и решил кабель пока не удлинять и попробовать разобраться с этим разъемом. Поиски схемы этого блока ни к чему не привели и я пошел в рукопашную. Прозвонил все вокруг разъема, нарисовал кусок схемы и выяснилось, что на разъем идут сигналы с LPT на управление PWM (пин 17) и на оптопару DDO для вкл/выкл шпинделя (пин 1). Отложив изучение вопроса управления скоростью на потом, я быстро набросал схему и из того что было собрал платку для управления питанием шпиделя. Платку установил на дне контроллера рядом с JP-1635A и решил проверить что у меня получилось. Запустил Mach3, включил контроллер. Шпидель начал вращаться. Залез в конфигурацию, выставил, как считал правильным, но шпиндель вращался постоянно и не реагировал ни на какие изменения в конфиге. Так же он продолжал вращаться и после выхода из Mach3 ....
Я уж было отчаялся, но потом решил посмотреть настройки LPT в BIOS'е. Зашел, режим LPT был выставлен как "ECP+EPP", поменял его на "Bi-directional" и перегрузил комп. Теперь все заработало - шпиндель включается/выключается как положено.

У меня все.
Вложения
1.jpg (4060 просмотров) <a class='original' href='./download/file.php?id=109383&mode=view' target=_blank>Загрузить оригинал (2.44 МБ)</a>
2.jpg (4060 просмотров) <a class='original' href='./download/file.php?id=109384&mode=view' target=_blank>Загрузить оригинал (1.92 МБ)</a>
3.jpg (4060 просмотров) <a class='original' href='./download/file.php?id=109385&mode=view' target=_blank>Загрузить оригинал (2.63 МБ)</a>
4.jpg (4060 просмотров) <a class='original' href='./download/file.php?id=109386&mode=view' target=_blank>Загрузить оригинал (1.9 МБ)</a>
5.png (4060 просмотров) <a class='original' href='./download/file.php?id=109387&mode=view' target=_blank>Загрузить оригинал (25.26 КБ)</a>
6.png (4060 просмотров) <a class='original' href='./download/file.php?id=109388&mode=view' target=_blank>Загрузить оригинал (38.54 КБ)</a>
7.jpg (4060 просмотров) <a class='original' href='./download/file.php?id=109389&mode=view' target=_blank>Загрузить оригинал (1.68 МБ)</a>
8.png (4060 просмотров) <a class='original' href='./download/file.php?id=109390&mode=view' target=_blank>Загрузить оригинал (54.29 КБ)</a>
9.png (4060 просмотров) <a class='original' href='./download/file.php?id=109391&mode=view' target=_blank>Загрузить оригинал (54.13 КБ)</a>
Vulcan
Новичок
Сообщения: 1
Зарегистрирован: 19 фев 2018, 23:59
Репутация: 0
Настоящее имя: Алексей
Контактная информация:

Re: Доработка интерфейса JP-382A (вкл/выкл шпинделя из Mach3

Сообщение Vulcan »

Интересная доработка.
Юрий, а можно у Вас попросить файлик настроек Mach3 для этого станка CNC 3040Z-DQ?
Приобрел себе такой же - и сейчас пытаюсь его настроить.
Walerka
Новичок
Сообщения: 1
Зарегистрирован: 11 сен 2019, 16:47
Репутация: 0
Контактная информация:

Re: Доработка интерфейса JP-382A (вкл/выкл шпинделя из Mach3

Сообщение Walerka »

:D Добрый день, недавно приобрел плату как у вас на станке, но никак не могу найти контроллер шпинделя, не могли ли бы вы скинуть его фотографии и название, или его схему, может его самому можно сделать? Спасиба)) :D :D :D
Ответить

Вернуться в «Электроника»