Переходник для линеек
-
Sashalex24
- Мастер
- Сообщения: 632
- Зарегистрирован: 23 янв 2016, 11:40
- Репутация: 195
- Настоящее имя: Александр
- Откуда: Рязань
- Контактная информация:
Переходник для линеек
Добрый вечер. У меня есть затея подключить оптические линейки с выходом ttl 5v к входу контроллера rs422. Есть такая вот микросхема am26ls31 Она умеет делать A+ B+ в A+A-B+B-. Как составить правельно схему ее подключения?
- Вложения
-
- am26ls31 (3).pdf
- (1.23 МБ) 1543 скачивания
- Serg
- Мастер
- Сообщения: 21923
- Зарегистрирован: 17 апр 2012, 14:58
- Репутация: 5183
- Заслуга: c781c134843e0c1a3de9
- Настоящее имя: Сергей
- Откуда: Москва
- Контактная информация:
Re: Переходник для линеек
Это ни о чём. Протокол там какой?Sashalex24 писал(а):к входу контроллера rs422.
Я не Христос, рыбу не раздаю, но могу научить, как сделать удочку...
-
Sashalex24
- Мастер
- Сообщения: 632
- Зарегистрирован: 23 янв 2016, 11:40
- Репутация: 195
- Настоящее имя: Александр
- Откуда: Рязань
- Контактная информация:
Re: Переходник для линеек
Нужно сделать из ttl линейки с квадратурным выходом на парафазный выход. Схема входа линеек на самом контроллере mycnc et7.
Последний раз редактировалось Sashalex24 15 авг 2019, 11:41, всего редактировалось 4 раза.
Re: Переходник для линеек
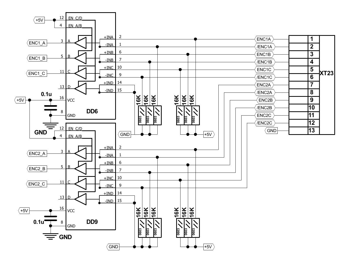
12 на землю, 4 на питание. И что то на последней схеме питание не подано на микросхему.
Комплект плат PinCET для модернизации станков на Linuxcnc.
http://www.cnc-club.ru/forum/viewtopic. ... 16#p268407
http://www.cnc-club.ru/forum/viewtopic. ... 16#p268407
-
nik1
- Мастер
- Сообщения: 8408
- Зарегистрирован: 02 окт 2012, 07:37
- Репутация: 3629
- Откуда: Красногорск
- Контактная информация:
Re: Переходник для линеек
На токарку себе делал
Гляну микруху
С линейки на нее идет 3 провода , а на выходе 6 пар
Микруха стоит максимально близко к линейке
Если линейка китовая , то там сразу может стоять жта микруха, тока не все провода выведены
Гляну микруху
С линейки на нее идет 3 провода , а на выходе 6 пар
Микруха стоит максимально близко к линейке
Если линейка китовая , то там сразу может стоять жта микруха, тока не все провода выведены
-
Sashalex24
- Мастер
- Сообщения: 632
- Зарегистрирован: 23 янв 2016, 11:40
- Репутация: 195
- Настоящее имя: Александр
- Откуда: Рязань
- Контактная информация:
Re: Переходник для линеек
Буду очень благодарен если еще и зафоткаеш. Линейки не китай. Какието европейские.nik1 писал(а):На токарку себе делал
Гляну микруху
С линейки на нее идет 3 провода , а на выходе 6 пар
Микруха стоит максимально близко к линейке
Если линейка китовая , то там сразу может стоять жта микруха, тока не все провода выведены
-
Sashalex24
- Мастер
- Сообщения: 632
- Зарегистрирован: 23 янв 2016, 11:40
- Репутация: 195
- Настоящее имя: Александр
- Откуда: Рязань
- Контактная информация:
Re: Переходник для линеек
А если Я распаяю микросхему на отдельной плате рядом с контроллером?
-
nik1
- Мастер
- Сообщения: 8408
- Зарегистрирован: 02 окт 2012, 07:37
- Репутация: 3629
- Откуда: Красногорск
- Контактная информация:
Re: Переходник для линеек
надо паять максимально близко к линейке
суть в том что бы сократить влияние помех
я сначала сделал около контролера , но было не айс
вот микруха
суть в том что бы сократить влияние помех
я сначала сделал около контролера , но было не айс
вот микруха
- Serg
- Мастер
- Сообщения: 21923
- Зарегистрирован: 17 апр 2012, 14:58
- Репутация: 5183
- Заслуга: c781c134843e0c1a3de9
- Настоящее имя: Сергей
- Откуда: Москва
- Контактная информация:
Re: Переходник для линеек
Нет тут никакого RS422, просто дифренциальный выход. RS422 - это совсем другое.Sashalex24 писал(а):Нужно сделать из ttl линейки с квадратурным выходом на парафазный выход.
Неявное подключение по именам цепей.mmv писал(а):И что то на последней схеме питание не подано на микросхему.
Я не Христос, рыбу не раздаю, но могу научить, как сделать удочку...
- mycnc
- Мастер
- Сообщения: 913
- Зарегистрирован: 03 июл 2011, 02:01
- Репутация: 623
- Контактная информация:
Re: Переходник для линеек
Википедия - https://en.wikipedia.org/wiki/RS-422UAVpilot писал(а): Нет тут никакого RS422, просто дифренциальный выход. RS422 - это совсем другое.
RS-422, also known as TIA/EIA-422, is a technical standard originated by the Electronic Industries Alliance that specifies electrical characteristics of a digital signaling circuit.
Differential signaling can transmit data at rates as high as 10 Mbit/s, or may be sent on cables as long as 1,500 meters.
- Serg
- Мастер
- Сообщения: 21923
- Зарегистрирован: 17 апр 2012, 14:58
- Репутация: 5183
- Заслуга: c781c134843e0c1a3de9
- Настоящее имя: Сергей
- Откуда: Москва
- Контактная информация:
Re: Переходник для линеек
На схеме подтяжка сделана не по стандарту, поэтому там и нет RS422. 16к там никак не получается...
Я не Христос, рыбу не раздаю, но могу научить, как сделать удочку...
-
VitalikD
- Мастер
- Сообщения: 305
- Зарегистрирован: 29 авг 2013, 20:17
- Репутация: 41
- Контактная информация:
Re: Переходник для линеек
Если на входе стоит нормальный токовый приемник, попробуйте поставить возле линейки три резистивных делителя с плюса 5В на землю и подавайте на симметричный кабель один сигнал с этого делителя, другой с существующего выхода.
Re: Переходник для линеек
Нет, питания там просто нет. По-внимательне поглядим на 16 ногу...UAVpilot писал(а):Неявное подключение по именам цепей
Комплект плат PinCET для модернизации станков на Linuxcnc.
http://www.cnc-club.ru/forum/viewtopic. ... 16#p268407
http://www.cnc-club.ru/forum/viewtopic. ... 16#p268407
-
sas_75
- Мастер
- Сообщения: 463
- Зарегистрирован: 10 мар 2015, 11:03
- Репутация: 115
- Настоящее имя: Сергей
- Откуда: Владивосток
- Контактная информация:
Re: Переходник для линеек
Конденсатор Cg3 должен быть подключен на "землю", а питание +5V - на 16 ногу.
- Serg
- Мастер
- Сообщения: 21923
- Зарегистрирован: 17 апр 2012, 14:58
- Репутация: 5183
- Заслуга: c781c134843e0c1a3de9
- Настоящее имя: Сергей
- Откуда: Москва
- Контактная информация:
Re: Переходник для линеек
Схема явно откуда-то выдрана, а все "электрические" САПР по умолчанию все одноименные цепи и ноги считают соединёнными, т.е. все цепи и ноги с именем VCC соединены между собой. Посему совсем не удивлюсь, что это из схемы работающего устройства. А вот конденсатор да, получается лишним.mmv писал(а): Нет, питания там просто нет. По-внимательне поглядим на 16 ногу...
Я не Христос, рыбу не раздаю, но могу научить, как сделать удочку...
-
sas_75
- Мастер
- Сообщения: 463
- Зарегистрирован: 10 мар 2015, 11:03
- Репутация: 115
- Настоящее имя: Сергей
- Откуда: Владивосток
- Контактная информация:
Re: Переходник для линеек
Он не лишний, он блокировочный по питанию, просто неправильно нарисована подача питания: один его контакт на землю, второй, который к 16 ноге подключен, на +5В.
- Serg
- Мастер
- Сообщения: 21923
- Зарегистрирован: 17 апр 2012, 14:58
- Репутация: 5183
- Заслуга: c781c134843e0c1a3de9
- Настоящее имя: Сергей
- Откуда: Москва
- Контактная информация:
Re: Переходник для линеек
В данной схеме он лишний, ибо не работает. 
Я не Христос, рыбу не раздаю, но могу научить, как сделать удочку...
Re: Переходник для линеек
Мне так кажется что разговор пошёл ни о чем.
Комплект плат PinCET для модернизации станков на Linuxcnc.
http://www.cnc-club.ru/forum/viewtopic. ... 16#p268407
http://www.cnc-club.ru/forum/viewtopic. ... 16#p268407
-
Sashalex24
- Мастер
- Сообщения: 632
- Зарегистрирован: 23 янв 2016, 11:40
- Репутация: 195
- Настоящее имя: Александр
- Откуда: Рязань
- Контактная информация:
Re: Переходник для линеек
Если микросхему расположить в корпусе головки линейки то возникает проблемма. Нужно протягивать еще провода. А рядом с контроллером более удобно так как рядом но вроде как будут помехи.
-
gigs
- Кандидат
- Сообщения: 99
- Зарегистрирован: 14 янв 2018, 13:50
- Репутация: 83
- Настоящее имя: Дмитрий
- Откуда: Архангельск
- Контактная информация:
Re: Переходник для линеек
Вот тут типовые схемы энкодеров ЛИР ,в линейках та же схемотехника ,часто использую как шпаргалку
В низу пдфки есть схемы
https://rom.by/files/lir-158_tu.pdf
В низу пдфки есть схемы
https://rom.by/files/lir-158_tu.pdf