Сборка электрики станка
-
Alexey64
- Кандидат
- Сообщения: 71
- Зарегистрирован: 09 июн 2018, 11:35
- Репутация: 1
- Настоящее имя: Алексей
- Контактная информация:
Re: Сборка электрики станка
Нужно ли ставить дополнительное охлаждение или нет?
- daemon78
- Мастер
- Сообщения: 1693
- Зарегистрирован: 02 окт 2018, 15:02
- Репутация: 103
- Настоящее имя: Владимир
- Откуда: Москва
- Контактная информация:
Re: Сборка электрики станка
Сама пр себе температура абсолютно нормальная, допускается до 80.Alexey64 писал(а):Один движок нагрелся до 57 градусов это нормально ?
Но вопрос как он нагрелся. В Вашем видео Вы туда сюда повращали пару раз движок и все. Если он при этом нагрелся до 60 градусов, я бы проверил выставленный ток и положение джампера отвечающего за ток на удержании.
Мой первый станок Первый станок Кусака 1 и куча вопросов #1
Мой второй станок Кусака 2.0 и вопросы к форумчанам #1
Мой второй станок Кусака 2.0 и вопросы к форумчанам #1
-
Alexey64
- Кандидат
- Сообщения: 71
- Зарегистрирован: 09 июн 2018, 11:35
- Репутация: 1
- Настоящее имя: Алексей
- Контактная информация:
Re: Сборка электрики станка
У этих драйверов выставляется только микро шаг а сила тока вроде сама регулируется
а нагрелся они примерно за минут 30-40 и это ось Х которая больше всех крутилась
а нагрелся они примерно за минут 30-40 и это ось Х которая больше всех крутилась
- daemon78
- Мастер
- Сообщения: 1693
- Зарегистрирован: 02 окт 2018, 15:02
- Репутация: 103
- Настоящее имя: Владимир
- Откуда: Москва
- Контактная информация:
Re: Сборка электрики станка
Если сила тока на удержании принудительно не сбрасывается настройкой в половину значения, то тут мы ни чего не сделаем.Alexey64 писал(а):У этих драйверов выставляется только микро шаг а сила тока вроде сама регулируется
За 30-40 минут он у Вас нагрелся до рабочей температуры. Ни чего криминального ИМХО.
Мой первый станок Первый станок Кусака 1 и куча вопросов #1
Мой второй станок Кусака 2.0 и вопросы к форумчанам #1
Мой второй станок Кусака 2.0 и вопросы к форумчанам #1
-
Alexey64
- Кандидат
- Сообщения: 71
- Зарегистрирован: 09 июн 2018, 11:35
- Репутация: 1
- Настоящее имя: Алексей
- Контактная информация:
Re: Сборка электрики станка
Спасибо за информацию
- Rom327
- Почётный участник

- Сообщения: 2989
- Зарегистрирован: 03 апр 2015, 13:23
- Репутация: 437
- Настоящее имя: Роман
- Откуда: Подольск
- Контактная информация:
Re: Сборка электрики станка
На эту плату надо подавать либо +12-24 вольт и она задействует встроенный стабилизатор, который выдает +5 вольт, либо питать от USB 5 вольтами.CactusMan писал(а):И 5 вольт для работы платы.Samodelkin 88 писал(а):Нужно еще 12 в подать для питания оптопар.
Это сугубо мое мнение, могу и ошибаться...
https://vk.com/rom327
GRBL настройки: http://blogandbux.blogspot.com/2018/07/ ... revod.html
G коды: http://3d-stanki.ru/spravochnik/program ... stankov-2/
https://vk.com/rom327
GRBL настройки: http://blogandbux.blogspot.com/2018/07/ ... revod.html
G коды: http://3d-stanki.ru/spravochnik/program ... stankov-2/
- daemon78
- Мастер
- Сообщения: 1693
- Зарегистрирован: 02 окт 2018, 15:02
- Репутация: 103
- Настоящее имя: Владимир
- Откуда: Москва
- Контактная информация:
Re: Сборка электрики станка
Уппссс, не знал.Rom327 писал(а):На эту плату надо подавать либо +12-24 вольт и она задействует встроенный стабилизатор, который выдает +5 вольт, либо питать от USB 5 вольтами.
То есть, если я на нее подаю 12В, то могу отключить +5 через ЮСБ и убрать шнурпитания ЮСБ в топку?
Мой первый станок Первый станок Кусака 1 и куча вопросов #1
Мой второй станок Кусака 2.0 и вопросы к форумчанам #1
Мой второй станок Кусака 2.0 и вопросы к форумчанам #1
- Сергей Саныч
- Мастер
- Сообщения: 9116
- Зарегистрирован: 30 май 2012, 14:20
- Репутация: 2858
- Откуда: Тюмень
- Контактная информация:
Re: Сборка электрики станка
Это не так. Стабилизатор работает на гальванически развязанную часть платы (входы и преобразователь ШИМ-напряжение). Можете прозвонить цепи GND и PCGND - они не связаны.Rom327 писал(а):На эту плату надо подавать либо +12-24 вольт и она задействует встроенный стабилизатор, который выдает +5 вольт, либо питать от USB 5 вольтами.
Встроенный стабилизатор, кстати, выдает не 5 а 10 вольт.
Чудес не бывает. Бывают фокусы.
- Samodelkin 88
- Мастер
- Сообщения: 1056
- Зарегистрирован: 05 ноя 2017, 22:24
- Репутация: 727
- Настоящее имя: Илья
- Откуда: Курган
- Контактная информация:
Re: Сборка электрики станка
Схема довольно легко гуглится
Re: электрическая принципиальная схема платы Mach3 #7
Re: электрическая принципиальная схема платы Mach3 #7
- Rom327
- Почётный участник

- Сообщения: 2989
- Зарегистрирован: 03 апр 2015, 13:23
- Репутация: 437
- Настоящее имя: Роман
- Откуда: Подольск
- Контактная информация:
Re: Сборка электрики станка
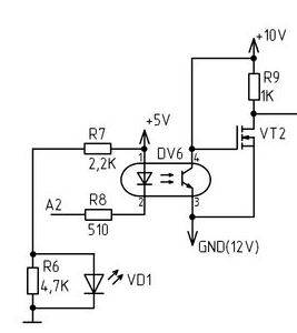
Интересная там схема: что произойдет с транзистором оптрона DV6, когда он откроется?Samodelkin 88 писал(а):Схема довольно легко гуглится
Re: электрическая принципиальная схема платы Mach3 #7
- Вложения
-
- транзистор.JPG (17.52 КБ) 2508 просмотров
Это сугубо мое мнение, могу и ошибаться...
https://vk.com/rom327
GRBL настройки: http://blogandbux.blogspot.com/2018/07/ ... revod.html
G коды: http://3d-stanki.ru/spravochnik/program ... stankov-2/
https://vk.com/rom327
GRBL настройки: http://blogandbux.blogspot.com/2018/07/ ... revod.html
G коды: http://3d-stanki.ru/spravochnik/program ... stankov-2/
- Сергей Саныч
- Мастер
- Сообщения: 9116
- Зарегистрирован: 30 май 2012, 14:20
- Репутация: 2858
- Откуда: Тюмень
- Контактная информация:
Re: Сборка электрики станка
Это далеко не единственная ошибка в схемеRom327 писал(а):что произойдет с транзистором оптрона DV6, когда он откроется?
Чудес не бывает. Бывают фокусы.
- Rom327
- Почётный участник

- Сообщения: 2989
- Зарегистрирован: 03 апр 2015, 13:23
- Репутация: 437
- Настоящее имя: Роман
- Откуда: Подольск
- Контактная информация:
Re: Сборка электрики станка
Только на той недели собирали станок на такой плате. Что питали +24, что питали через USB, работало одинаково. Единственное не задействовали группу шпинделя и не подключали концевики.Сергей Саныч писал(а):Это не так. Стабилизатор работает на гальванически развязанную часть платы (входы и преобразователь ШИМ-напряжение). Можете прозвонить цепи GND и PCGND - они не связаны.Rom327 писал(а):На эту плату надо подавать либо +12-24 вольт и она задействует встроенный стабилизатор, который выдает +5 вольт, либо питать от USB 5 вольтами.
Встроенный стабилизатор, кстати, выдает не 5 а 10 вольт.
Это сугубо мое мнение, могу и ошибаться...
https://vk.com/rom327
GRBL настройки: http://blogandbux.blogspot.com/2018/07/ ... revod.html
G коды: http://3d-stanki.ru/spravochnik/program ... stankov-2/
https://vk.com/rom327
GRBL настройки: http://blogandbux.blogspot.com/2018/07/ ... revod.html
G коды: http://3d-stanki.ru/spravochnik/program ... stankov-2/
- Samodelkin 88
- Мастер
- Сообщения: 1056
- Зарегистрирован: 05 ноя 2017, 22:24
- Репутация: 727
- Настоящее имя: Илья
- Откуда: Курган
- Контактная информация:
Re: Сборка электрики станка
Печально, существует ли реальная схема где то?..Сергей Саныч писал(а):Это далеко не единственная ошибка в схеме
Поэтому и вопросов не возникло. Отдельное питание 12-24 В обязательно.Rom327 писал(а):Единственное не задействовали группу шпинделя и не подключали концевики.
- Сергей Саныч
- Мастер
- Сообщения: 9116
- Зарегистрирован: 30 май 2012, 14:20
- Репутация: 2858
- Откуда: Тюмень
- Контактная информация:
Re: Сборка электрики станка
"От USB" питаются только выходные буферы DD1 и DD2.Rom327 писал(а):Что питали +24, что питали через USB работало одинаково.
В связи с особенностями схемотехники КМОП они кое-как смогут работать вообще без питания. Точнее, будут питаться от сигналов LPT через собственные защитные диоды.
Для полноценной работы нужно и 5В от PC (например, от USB), и 12..24В.
Чудес не бывает. Бывают фокусы.
- Сергей Саныч
- Мастер
- Сообщения: 9116
- Зарегистрирован: 30 май 2012, 14:20
- Репутация: 2858
- Откуда: Тюмень
- Контактная информация:
Re: Сборка электрики станка
Ну, вот Screwdriver начинал рисовать, но его "срезали на взлете" Re: электрическая принципиальная схема платы Mach3 #6Samodelkin 88 писал(а):Печально, существует ли реальная схема где то?..
По крайней мере, ошибка Re: Сборка электрики станка #51там отсутствует.
Чудес не бывает. Бывают фокусы.
- Rom327
- Почётный участник

- Сообщения: 2989
- Зарегистрирован: 03 апр 2015, 13:23
- Репутация: 437
- Настоящее имя: Роман
- Откуда: Подольск
- Контактная информация:
Re: Сборка электрики станка
То есть, чтобы избавиться от USB шнура надо на плату добавить гальванически развязанный DC/DC преобразователь 24/5?Сергей Саныч писал(а):"От USB" питаются только выходные буферы DD1 и DD2.Rom327 писал(а):Что питали +24, что питали через USB работало одинаково.
В связи с особенностями схемотехники КМОП они кое-как смогут работать вообще без питания. Точнее, будут питаться от сигналов LPT через собственные защитные диоды.
Для полноценной работы нужно и 5В от PC (например, от USB), и 12..24В.
Это сугубо мое мнение, могу и ошибаться...
https://vk.com/rom327
GRBL настройки: http://blogandbux.blogspot.com/2018/07/ ... revod.html
G коды: http://3d-stanki.ru/spravochnik/program ... stankov-2/
https://vk.com/rom327
GRBL настройки: http://blogandbux.blogspot.com/2018/07/ ... revod.html
G коды: http://3d-stanki.ru/spravochnik/program ... stankov-2/
- Сергей Саныч
- Мастер
- Сообщения: 9116
- Зарегистрирован: 30 май 2012, 14:20
- Репутация: 2858
- Откуда: Тюмень
- Контактная информация:
Re: Сборка электрики станка
Можно и так, но от USB проще. Ну или вытащить +5В от БП компьютера. я вообще предпочитаю ставить коммутационную плату рядом с системным блоком, а можно и внутрь его, соединяя с LPT шлейфом минимально возможной длины. Это имеет смысл с точки зрения помехозащищенности.Rom327 писал(а):чтобы избавиться от USB шнура надо на плату добавить гальванически развязанный DC/DC преобразователь 24/5?
Чудес не бывает. Бывают фокусы.
-
MaksSavchuk
- Опытный
- Сообщения: 156
- Зарегистрирован: 17 май 2019, 09:56
- Репутация: 13
- Настоящее имя: Максим Савчук
- Контактная информация:
Re: Сборка электрики станка
Токмо релюха щелкнет все и погаснетRom327 писал(а):Только на той недели собирали станок на такой плате. Что питали +24, что питали через USB, работало одинаково. Единственное не задействовали группу шпинделя и не подключали концевики.
А зачем там схему рисовать, там все тупо как топор и в принципе никому не интересно, выходы буферизированы и никак гальванически не развязаны, входы заведены через оптроны с токоограничением, расчитанным скорее на 12в чем на 24в, IMHO малость великоват там все таки ток будет при 24в питания. 5в можно заводить как с USB так и с винтовой клеммы, они насквозь простегнуты. есть пин между выходом буфера и базой транзистора в цепи управления реле, что достаточно удобно, я туда вставил charge pump который можно завести штатно как stepconf генерит, тогда реле можно использовать для блокировки всех силовых механизмов при e-stop или повесить charge pump на spindle-on чтобы не тратить лишние выходы и шпиндель не крутануло случайно.
- Сергей Саныч
- Мастер
- Сообщения: 9116
- Зарегистрирован: 30 май 2012, 14:20
- Репутация: 2858
- Откуда: Тюмень
- Контактная информация:
Re: Сборка электрики станка
Да, кстати, все верно, от +5 еще и реле питается.MaksSavchuk писал(а):Токмо релюха щелкнет все и погаснет
Чудес не бывает. Бывают фокусы.