СЕРВОПРИВОД 60ST-M01930
-
c6n7c
- Новичок
- Сообщения: 8
- Зарегистрирован: 09 янв 2018, 15:30
- Репутация: 2
- Настоящее имя: Игорь Петрович Мезенцев
- Контактная информация:
СЕРВОПРИВОД 60ST-M01930
Добрый день уважаемые форумчане! Приобрел сервопривод 60ST-M01930 (драйвер aasd 15A). Приобрел с целью замены двигателя шпинделя на настольном токарном станке OPTIMUM 180х300. До этого собрал блок управления и установил на две оси шаговые двигатели NEMA23. ЧПУ работает отлично, но возникла необходимость электронной метки для нарезания резьбы. Вот в связи с этим вышеуказанный сервопривод и был приобретен. В тестовом режиме запустил двигатель, все работает. Но есть один момент - так как PDF на английском языке, то столкнулся с тем, что к сожалению я не могу разобраться в настройках, и как подключить его к контроллеру. Может у кого то был опыт подключения или есть манул на русском языке прошу помочь мне в этом вопросе. Интерфейсная плата к которой надо подключить сервопривод вот такая (интерфейсная плата LPT на 5 координат BL-MACH-V1.1). Что мне нужно - управлять с МАСН3 сервоприводом, регулировать обороты, выставлять нужный момент на серводрайвере и останавливать и возвращать шпиндель в начало резьбы. К сожалению в открытом доступе ничего не нашел, поэтому решил зарегистрироваться на cnc-ciub.ru и попросить помощи у Вас уважаемые форумчане. Буду благодарен Вам за любую помощь. С уважением -Игорь Петрович.
-
MGG
- Мастер
- Сообщения: 3673
- Зарегистрирован: 08 фев 2016, 16:33
- Репутация: 1010
- Настоящее имя: Манн Геннадий Геннадьевич
- Откуда: Москва
- Контактная информация:
Re: СЕРВОПРИВОД 60ST-M01930
Доки на драйвер надо, подскажу.
http://www.cnc-club.ru/forum/viewtopic. ... 76#p304076 Поставки оборудования для ваших станков
https://www.instagram.com/dtw.moscow/
dtw.moscow@gmail.com
https://www.instagram.com/dtw.moscow/
dtw.moscow@gmail.com
-
c6n7c
- Новичок
- Сообщения: 8
- Зарегистрирован: 09 янв 2018, 15:30
- Репутация: 2
- Настоящее имя: Игорь Петрович Мезенцев
- Контактная информация:
Re: СЕРВОПРИВОД 60ST-M01930
Спасибо что откликнулись, вот документы на оборудование.
-
MGG
- Мастер
- Сообщения: 3673
- Зарегистрирован: 08 фев 2016, 16:33
- Репутация: 1010
- Настоящее имя: Манн Геннадий Геннадьевич
- Откуда: Москва
- Контактная информация:
Re: СЕРВОПРИВОД 60ST-M01930
Надо больше вводных данных, как управлять, и нужен оригинальный мануал, такое ощущение что по управлению степ-дир бред расписан.
http://www.cnc-club.ru/forum/viewtopic. ... 76#p304076 Поставки оборудования для ваших станков
https://www.instagram.com/dtw.moscow/
dtw.moscow@gmail.com
https://www.instagram.com/dtw.moscow/
dtw.moscow@gmail.com
-
c6n7c
- Новичок
- Сообщения: 8
- Зарегистрирован: 09 янв 2018, 15:30
- Репутация: 2
- Настоящее имя: Игорь Петрович Мезенцев
- Контактная информация:
Re: СЕРВОПРИВОД 60ST-M01930
Внимательно просмотрев мануал на сервопривод, я обнаружил что он состоит из двух частей.
Вот выкладываю две части на сервопривод и на контроллер. Документы на сервопривод и контроллер скачаны с оф. сайта продавца.
Вот выкладываю две части на сервопривод и на контроллер. Документы на сервопривод и контроллер скачаны с оф. сайта продавца.
- Вложения
-
- technical_manu__ervaya_min.pdf
- PDF 1
- (6.73 МБ) 1255 скачиваний
-
- technical_manu__toraya_min.pdf
- PDF2
- (7.08 МБ) 986 скачиваний
-
- interfejsnaya____na_5_osej.pdf
- КОНТРОЛЛЕР
- (1.63 МБ) 1962 скачивания
-
MGG
- Мастер
- Сообщения: 3673
- Зарегистрирован: 08 фев 2016, 16:33
- Репутация: 1010
- Настоящее имя: Манн Геннадий Геннадьевич
- Откуда: Москва
- Контактная информация:
Re: СЕРВОПРИВОД 60ST-M01930
Каким протоколом хотите управлять аналог или степ/дир?
http://www.cnc-club.ru/forum/viewtopic. ... 76#p304076 Поставки оборудования для ваших станков
https://www.instagram.com/dtw.moscow/
dtw.moscow@gmail.com
https://www.instagram.com/dtw.moscow/
dtw.moscow@gmail.com
-
c6n7c
- Новичок
- Сообщения: 8
- Зарегистрирован: 09 янв 2018, 15:30
- Репутация: 2
- Настоящее имя: Игорь Петрович Мезенцев
- Контактная информация:
Re: СЕРВОПРИВОД 60ST-M01930
Хотелось бы управлять протоколом step/dir
-
c6n7c
- Новичок
- Сообщения: 8
- Зарегистрирован: 09 янв 2018, 15:30
- Репутация: 2
- Настоящее имя: Игорь Петрович Мезенцев
- Контактная информация:
Re: СЕРВОПРИВОД 60ST-M01930
Добрый вечер уважаемые форумчане, может все таки кто то поможет разобраться с сервоприводом 60ST-M01930?
Может у кого то есть какие то сведения об этом приводе? Может кто встречал в интернете какие то статьи или видео по настройке режимов работы?
Может у кого то есть какие то сведения об этом приводе? Может кто встречал в интернете какие то статьи или видео по настройке режимов работы?
-
MGG
- Мастер
- Сообщения: 3673
- Зарегистрирован: 08 фев 2016, 16:33
- Репутация: 1010
- Настоящее имя: Манн Геннадий Геннадьевич
- Откуда: Москва
- Контактная информация:
Re: СЕРВОПРИВОД 60ST-M01930
Игорь, инструкция несколько кривая, для степ дира на сервах должны быть 2 пары pulse и sign, их нет. Т.е. описание в этом месте какое то корявое, и на англ тоже.
http://www.cnc-club.ru/forum/viewtopic. ... 76#p304076 Поставки оборудования для ваших станков
https://www.instagram.com/dtw.moscow/
dtw.moscow@gmail.com
https://www.instagram.com/dtw.moscow/
dtw.moscow@gmail.com
-
Smlua
- Мастер
- Сообщения: 806
- Зарегистрирован: 15 май 2017, 16:29
- Репутация: 374
- Настоящее имя: Mikhail
- Контактная информация:
Re: СЕРВОПРИВОД 60ST-M01930
Так есть же 4 выхода pp+/- pd+/-, страница 14 в таблице второй строкой. Pp- и pd- на pulse / dir в плату, а pp+pd+ вместе скручиваете и на +5в в плате. Если по +5 или наоборот, если -5.
-
vadimxg
- Кандидат
- Сообщения: 46
- Зарегистрирован: 31 янв 2018, 10:09
- Репутация: 6
- Настоящее имя: Vadim
- Контактная информация:
Re: СЕРВОПРИВОД 60ST-M01930
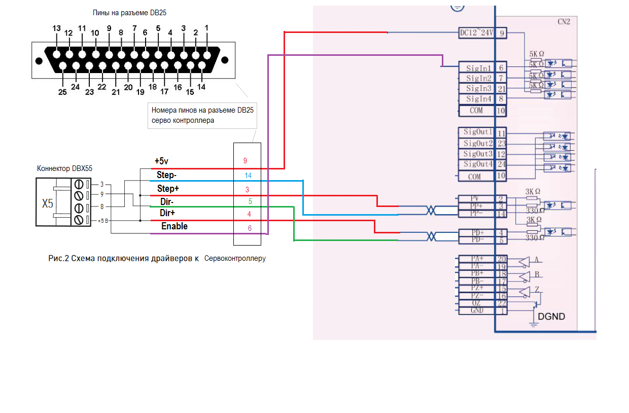
У меня подключен как на схеме. Index лучше бери с 22 контакта с подтяжкой его через резистор 1 кОм на +5 вольт.c6n7c писал(а):Добрый вечер уважаемые форумчане, может все таки кто то поможет разобраться с сервоприводом 60ST-M01930?
Может у кого то есть какие то сведения об этом приводе? Может кто встречал в интернете какие то статьи или видео по настройке режимов работы?
Последний раз редактировалось vadimxg 31 янв 2018, 13:40, всего редактировалось 4 раза.
-
vadimxg
- Кандидат
- Сообщения: 46
- Зарегистрирован: 31 янв 2018, 10:09
- Репутация: 6
- Настоящее имя: Vadim
- Контактная информация:
Re: СЕРВОПРИВОД 60ST-M01930
Smlua писал(а):Так есть же 4 выхода pp+/- pd+/-, страница 14 в таблице второй строкой. Pp- и pd- на pulse / dir в плату, а pp+pd+ вместе скручиваете и на +5в в плате. Если по +5 или наоборот, если -5.
И еще, момент, из четырех драйверов, только три захотели работать от +5 вольт. У четвертого оптопара по Enable от 5 вольт не открывается, а вот Step/Dir хватает.
-
MGG
- Мастер
- Сообщения: 3673
- Зарегистрирован: 08 фев 2016, 16:33
- Репутация: 1010
- Настоящее имя: Манн Геннадий Геннадьевич
- Откуда: Москва
- Контактная информация:
Re: СЕРВОПРИВОД 60ST-M01930
От 5 вольт может не взлететь, но можно в настройках поумолчанию этот пин замкнут, и в момент подачи напруги на серву, он сразу будет енейбл
http://www.cnc-club.ru/forum/viewtopic. ... 76#p304076 Поставки оборудования для ваших станков
https://www.instagram.com/dtw.moscow/
dtw.moscow@gmail.com
https://www.instagram.com/dtw.moscow/
dtw.moscow@gmail.com
-
vadimxg
- Кандидат
- Сообщения: 46
- Зарегистрирован: 31 янв 2018, 10:09
- Репутация: 6
- Настоящее имя: Vadim
- Контактная информация:
Re: СЕРВОПРИВОД 60ST-M01930
Теоретически да, и я даже пробовал его через меню включить, это параметр Pn003 Servo enabled, но этот параметр не работает почему -то. Видимо это не совсем точная копия.MGG писал(а):От 5 вольт может не взлететь, но можно в настройках поумолчанию этот пин замкнут, и в момент подачи напруги на серву, он сразу будет енейбл
-
c6n7c
- Новичок
- Сообщения: 8
- Зарегистрирован: 09 янв 2018, 15:30
- Репутация: 2
- Настоящее имя: Игорь Петрович Мезенцев
- Контактная информация:
Re: СЕРВОПРИВОД 60ST-M01930
Cпасибо уважаемые коллеги по цеху, за попытку разобраться в моей проблеме. Для себя сделал вывод - пусть будет дороже, но с хорошей сопроводиловкой.
При покупке даже сомнений не возникло что смогу найти в интернете описание на русском языке и массу примеров и видео. Но не тут то было. Думаю найти тех. переводчика. Если будут какие мысли, пишите, буду бдагодарен за любую помощь.
При покупке даже сомнений не возникло что смогу найти в интернете описание на русском языке и массу примеров и видео. Но не тут то было. Думаю найти тех. переводчика. Если будут какие мысли, пишите, буду бдагодарен за любую помощь.
-
Тихоня
- Новичок
- Сообщения: 1
- Зарегистрирован: 18 янв 2019, 00:11
- Репутация: 0
- Настоящее имя: Сергей
- Контактная информация:
Re: СЕРВОПРИВОД 60ST-M01930
Вы смогли запустить серводвигатель по Степ/Диру? Купил такой же и тоже не могу запустить.
-
Spinnaker
- Новичок
- Сообщения: 15
- Зарегистрирован: 16 апр 2019, 12:18
- Репутация: 0
- Настоящее имя: Алексей
- Контактная информация:
Re: СЕРВОПРИВОД 60ST-M01930
А на Вашем рисунке точно все верно нарисовано? На пин 9 идет +12-24в от внешнего источника, на пин 10 -12-24в соответственно.
-
Spinnaker
- Новичок
- Сообщения: 15
- Зарегистрирован: 16 апр 2019, 12:18
- Репутация: 0
- Настоящее имя: Алексей
- Контактная информация:
Re: СЕРВОПРИВОД 60ST-M01930
Мне написали в ЛС про подключение. Не могу там ответить ,не хватает опыта:)