Контроллеры перемещений и отображения информации.
-
aeroskat
- Новичок
- Сообщения: 6
- Зарегистрирован: 07 сен 2017, 19:54
- Репутация: 1
- Настоящее имя: Олегович
- Контактная информация:
Контроллеры перемещений и отображения информации.
Несколько дней назад решил написать в теме:
http://www.cnc-club.ru/forum/viewtopic. ... 1&start=80
Но тема наверно умерла, а поделиться своими наработками хочется.
Я совсем не программист и поэтому до некоторого момента это было для меня "Домокловым мечом" в построении миниатюрных станков. Но 2 месяца назад я освоил уникальную программу графического (блочного) программирования. Более подробно с моей работой можно ознакомиться: https://forum.flprog.ru/viewtopic.php?t=4600
Теперь я могу вести собственные разработки, транслировать *.ino и *.hex файлы в Ардуино.
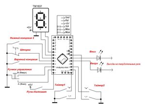
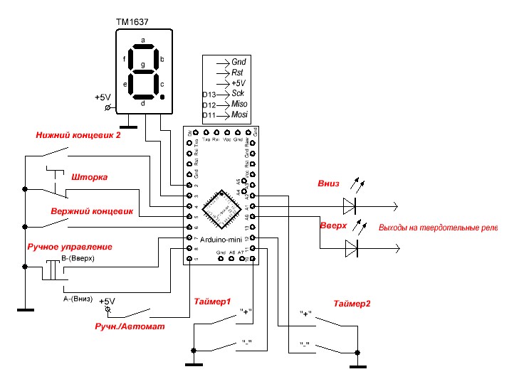
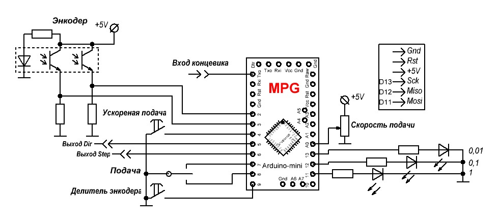
Вот схема MPG+DRO контроллера (Генератор ручного/автоматического перемещения + устройство цифровой индикации) на двух Atmega-328. Так как это для станочных дел, то предусмотрен электронный (программируемый) концевик). Схема позволяет (с помощью энкодера без глюков) вручную перемещать ось, включать автоподачу, ускоренную подачу, контролировать перемещения на индикаторе, обнулять данные (установка 0 точки отсчета), вводить автоматический останов на заданную дистанцию (электронный концевик).
Так же есть разработка для линейного перемещения с конечными точками (концевиками), ручным/автоматическим перемещением, раздельной задержкой по времени в концевых точках. Предназначена для литьевой машины СО-228 (термопластавтомата). Могу помочь с разработкой печатных плат шилдов для этих устройств, адаптировать софт под Ваши нужды и т.д.
http://www.cnc-club.ru/forum/viewtopic. ... 1&start=80
Но тема наверно умерла, а поделиться своими наработками хочется.
Я совсем не программист и поэтому до некоторого момента это было для меня "Домокловым мечом" в построении миниатюрных станков. Но 2 месяца назад я освоил уникальную программу графического (блочного) программирования. Более подробно с моей работой можно ознакомиться: https://forum.flprog.ru/viewtopic.php?t=4600
Теперь я могу вести собственные разработки, транслировать *.ino и *.hex файлы в Ардуино.
Вот схема MPG+DRO контроллера (Генератор ручного/автоматического перемещения + устройство цифровой индикации) на двух Atmega-328. Так как это для станочных дел, то предусмотрен электронный (программируемый) концевик). Схема позволяет (с помощью энкодера без глюков) вручную перемещать ось, включать автоподачу, ускоренную подачу, контролировать перемещения на индикаторе, обнулять данные (установка 0 точки отсчета), вводить автоматический останов на заданную дистанцию (электронный концевик).
Так же есть разработка для линейного перемещения с конечными точками (концевиками), ручным/автоматическим перемещением, раздельной задержкой по времени в концевых точках. Предназначена для литьевой машины СО-228 (термопластавтомата). Могу помочь с разработкой печатных плат шилдов для этих устройств, адаптировать софт под Ваши нужды и т.д.
- Nonstopich
- Мастер
- Сообщения: 1016
- Зарегистрирован: 02 авг 2015, 19:46
- Репутация: 284
- Настоящее имя: Александр Абдулаев
- Откуда: Москва, ФО Крым - Феодосия
- Контактная информация:
Re: Контроллеры перемещений и отображения информации.
А собственно вопрос: зачем? Что за этим?
И чего вы ждёте от сообщества?) А то вопросов нет. Конечной задачи - тоже.
И чего вы ждёте от сообщества?) А то вопросов нет. Конечной задачи - тоже.
Чехлы для телефонов с вышивкой: https://www.instagram.com/lumberry.brand/
-
aeroskat
- Новичок
- Сообщения: 6
- Зарегистрирован: 07 сен 2017, 19:54
- Репутация: 1
- Настоящее имя: Олегович
- Контактная информация:
Re: Контроллеры перемещений и отображения информации.
На данный момент я занимаюсь разработкой миниатюрных станков для хоббийного и детского технического творчества. Я профессиональный моделист и электронщик, но, к сожалению, я не программист.
Имея многолетний опыт работы на металлообрабатывающем оборудовании и станках ЧПУ, я сделал определенные выводы. Мои миниатюрные проекты имеют цифровые приводы осей (Step/Dir), поэтому нет механических устройств управления. Изначально предполагалось управлять станочками от компьютера. Но оказалось, что творческая мысль опережает CAD-CAM проектирование. В дальнейшем, изготовленная деталь на CNC станке, уже рассматривается как некая заготовка, требующая доработки в технологическом процессе. Вести доработку единичного экземпляра, перечерчивая 3-d модель, забирает много времени. Целесообразнее производить дополнительные операции, как говориться,- «вручную». Но бороться с Mach-3, подключая MPG и пр., становиться нецелесообразным. Тем более, что управляющей системой стал «Автономный контроллер на Atmega-32», а ручное управление обработки кнопками, как понимаете, крайне затруднительно.
Имея многолетний опыт работы на металлообрабатывающем оборудовании и станках ЧПУ, я сделал определенные выводы. Мои миниатюрные проекты имеют цифровые приводы осей (Step/Dir), поэтому нет механических устройств управления. Изначально предполагалось управлять станочками от компьютера. Но оказалось, что творческая мысль опережает CAD-CAM проектирование. В дальнейшем, изготовленная деталь на CNC станке, уже рассматривается как некая заготовка, требующая доработки в технологическом процессе. Вести доработку единичного экземпляра, перечерчивая 3-d модель, забирает много времени. Целесообразнее производить дополнительные операции, как говориться,- «вручную». Но бороться с Mach-3, подключая MPG и пр., становиться нецелесообразным. Тем более, что управляющей системой стал «Автономный контроллер на Atmega-32», а ручное управление обработки кнопками, как понимаете, крайне затруднительно.
- Nonstopich
- Мастер
- Сообщения: 1016
- Зарегистрирован: 02 авг 2015, 19:46
- Репутация: 284
- Настоящее имя: Александр Абдулаев
- Откуда: Москва, ФО Крым - Феодосия
- Контактная информация:
Re: Контроллеры перемещений и отображения информации.
Фотки в студиюaeroskat писал(а):я занимаюсь разработкой миниатюрных станков для хоббийного и детского технического творчества.
Чехлы для телефонов с вышивкой: https://www.instagram.com/lumberry.brand/
-
aftaev
- Зачётный участник

- Сообщения: 34042
- Зарегистрирован: 04 апр 2010, 19:22
- Репутация: 6194
- Откуда: Казахстан.
- Контактная информация:
Re: Контроллеры перемещений и отображения информации.
aeroskat писал(а):Имея многолетний опыт работы на металлообрабатывающем оборудовании и станках ЧПУ
Это на чем ты там многолет работал, что потянуло на Атмегу32aeroskat писал(а):Тем более, что управляющей системой стал «Автономный контроллер на Atmega-32»
Дилетанту сложные вещи кажутся очень простыми, и только профессионал понимает насколько сложна самая простая вещь
Кто хочет - ищет возможности, кто не хочет - ищет оправдание.
Найди работу по душе и тебе не придется работать.
Кто хочет - ищет возможности, кто не хочет - ищет оправдание.
Найди работу по душе и тебе не придется работать.
-
aeroskat
- Новичок
- Сообщения: 6
- Зарегистрирован: 07 сен 2017, 19:54
- Репутация: 1
- Настоящее имя: Олегович
- Контактная информация:
Re: Контроллеры перемещений и отображения информации.
Вот разработочка для печатных плат. Поле обработки 120х90х30мм. Сейчас эта версия в переработке под более мощные моторчики для осей.
На предыдущей версии можно было выполнить вот такие платы.
Для гравировки это более чем достаточно. Даже пробовали делать болванку половинки фюзеляжа в оргстекле. Но моторы оказались слабые и теряли шаг. Поэтому сечас этот конструктив перерабатывается на другие ШД. Так же есть версия с приводами на рулевых машинках для моделей. Они более мощные, шустрые, точные. Но еще не отработаны энкодеры для обратной связи. Винтовые пары с компенсацией люфта так же отработаны для этого станка. Подобраны 5 мм трапецеидальные валы. Но скорее всего они появятся раньше на модели токарного станка.
-
aftaev
- Зачётный участник

- Сообщения: 34042
- Зарегистрирован: 04 апр 2010, 19:22
- Репутация: 6194
- Откуда: Казахстан.
- Контактная информация:
Re: Контроллеры перемещений и отображения информации.
Смотрю на фото и прихожу к выводу что выводы не сделаны. Еще раз спрошу: это на каком оборудовании был получен многолетний опыт работы в металообработке и на станках ЧПУ? Что сделал станок на висячих валах, и из тонких пластинках сделана колонна.aeroskat писал(а):Имея многолетний опыт работы на металлообрабатывающем оборудовании и станках ЧПУ, я сделал определенные выводы.
Дилетанту сложные вещи кажутся очень простыми, и только профессионал понимает насколько сложна самая простая вещь
Кто хочет - ищет возможности, кто не хочет - ищет оправдание.
Найди работу по душе и тебе не придется работать.
Кто хочет - ищет возможности, кто не хочет - ищет оправдание.
Найди работу по душе и тебе не придется работать.
- evgenymcp
- Мастер
- Сообщения: 1422
- Зарегистрирован: 23 апр 2017, 05:37
- Репутация: 328
- Настоящее имя: Евгений
- Откуда: Абакан,Хакасия
- Контактная информация:
Re: Контроллеры перемещений и отображения информации.
Не впечатлило. Размеры для ПП маловаты и с эстетической стороны не могу воспринимать подобные конструкции. Видимо после службы в армии след остался на всю жизнь. Всё должно быть параллельно и перпендикулярно!aeroskat писал(а):Вот разработочка для печатных плат.
-
aeroskat
- Новичок
- Сообщения: 6
- Зарегистрирован: 07 сен 2017, 19:54
- Репутация: 1
- Настоящее имя: Олегович
- Контактная информация:
Re: Контроллеры перемещений и отображения информации.
Не хотелось "теребить бабушку", но если Вы так настаиваете - отвечу. Давным - давно (в конце 70-х, начале 80-х), когда, как я понимаю, Вас еще в проекте не было, я был "Мастером спорта СССР". Строил свои ДВС для скоростных моделей. Сам делал чугунные кокили для отливки алюминиевых картеров, потом растачивал отливки, точил и шлифовал поршни и гильзы АВС и ААС (хромировал), точил (правда, сам не термообрабатывал) потом шлифовал коленвалы... Дальше продолжать? Немного позднее, делал прессформы для литья пластмасс на станках Deckel, а позднее на ЧПУ. Так, что опыта хватает. По конструктиву моих станочков, мне кажется, это Вы не въехали в тему. Какие колонны, где висят? Вообще то я открыл тему по электронике, а не про конструктив моих станков.aftaev писал(а):Смотрю на фото и прихожу к выводу что выводы не сделаны.
-
AVK74
- Почётный участник

- Сообщения: 1854
- Зарегистрирован: 02 июл 2013, 09:03
- Репутация: 335
- Откуда: Уфа
- Контактная информация:
Re: Контроллеры перемещений и отображения информации.
Тут ЧСВ причесать не выйдет. Не фейсбук. И чванливость не приветствуется. Мастера спорта в проектах 70х годов всем пофиг.
То что вы показали - ниочем. Китайцев таких по 200 баксов навалом.
Тему вы открыли вообще хз зачем. По электронике тема? Так вы даже схему нормальную нарисовать не можете и кодить не умеете элементарно. Похвастаца походу. Так нечем.
То что вы показали - ниочем. Китайцев таких по 200 баксов навалом.
Тему вы открыли вообще хз зачем. По электронике тема? Так вы даже схему нормальную нарисовать не можете и кодить не умеете элементарно. Похвастаца походу. Так нечем.
-
aeroskat
- Новичок
- Сообщения: 6
- Зарегистрирован: 07 сен 2017, 19:54
- Репутация: 1
- Настоящее имя: Олегович
- Контактная информация:
Re: Контроллеры перемещений и отображения информации.
Да не о Китайцах разговор. Я повел разговор о модулях к ЧПУ станкам (DRO и MPG), реализованных на дармовых Ардуино, которые стОят у НИХ по несколько тысяч (модули). Хвастаться я не желал. Хотелось поделиться опытом. Но, если это не интересно, тогда, увы.
P.S. Скажите, а как должна рисоваться схема?
P.S. Скажите, а как должна рисоваться схема?
- evgenymcp
- Мастер
- Сообщения: 1422
- Зарегистрирован: 23 апр 2017, 05:37
- Репутация: 328
- Настоящее имя: Евгений
- Откуда: Абакан,Хакасия
- Контактная информация:
Re: Контроллеры перемещений и отображения информации.
Я большинство фрез поломал в режиме MPG. Непонятно зачем этот колхоз если можно на ШВП или ШД маховички повесить и руками работать и обратная связь будет.
- Mamont
- Мастер
- Сообщения: 2005
- Зарегистрирован: 10 дек 2015, 12:21
- Репутация: 391
- Настоящее имя: Виталий
- Откуда: РБ Минск
- Контактная информация:
Re: Контроллеры перемещений и отображения информации.
Эти контролеры вещь нужная, вопрос в реализации.evgenymcp писал(а): Я большинство фрез поломал в режиме MPG. Непонятно зачем этот колхоз если можно на ШВП или ШД маховички повесить и руками работать и обратная связь будет.
Маховички для маленьких станочков применимы ("маленькие" это те, которые раза 2+ больше чем на первом фото).
Да и еще вопрос, двигатели должны быть в режиме удержания или отключенном состоянии? ШВП в режиме без удержания может откатываться под нагрузкой, Х__ руками, а Y__ отжимается понемногу. Некоторые драйверам (не буду показывать в сторону Toshiba6600) могжет поплохеть, если вал двигателя принудительно руками крутить
-
aeroskat
- Новичок
- Сообщения: 6
- Зарегистрирован: 07 сен 2017, 19:54
- Репутация: 1
- Настоящее имя: Олегович
- Контактная информация:
Re: Контроллеры перемещений и отображения информации.
Реализации в чем? Если нужен скетч, то пожалуйста, выложу. В *.ino или *.hex. Для переключения из режима ЧПУ в ручной, наверно лучше сделать внешний электронный переключатель с опторазвязкой. Тогда не будет необходимости отключать двигатели.Mamont писал(а):Эти контролеры вещь нужная, вопрос в реализации.
- Serg
- Мастер
- Сообщения: 21923
- Зарегистрирован: 17 апр 2012, 14:58
- Репутация: 5183
- Заслуга: c781c134843e0c1a3de9
- Настоящее имя: Сергей
- Откуда: Москва
- Контактная информация:
Re: Контроллеры перемещений и отображения информации.
Ничё вы не понимаете! Станок крутой и точность у него повыше, чем у ваших!aftaev писал(а):Смотрю на фото и прихожу к выводу что выводы не сделаны. Еще раз спрошу: это на каком оборудовании был получен многолетний опыт работы в металообработке и на станках ЧПУ? Что сделал станок на висячих валах, и из тонких пластинках сделана колонна.
У меня разрешение станка 0,01 мм, повторяемость +/-0,01.
https://forum.flprog.ru/viewtopic.php?p=60756#p60756
aeroskat писал(а):Немного позднее, делал прессформы для литья пластмасс на станках Deckel, а позднее на ЧПУ. Так, что опыта хватает.
Я владею технологией CNC, но не знаю все функции J и M - кодов
https://forum.flprog.ru/viewtopic.php?p=59816#p59816
Я не Христос, рыбу не раздаю, но могу научить, как сделать удочку...