Фрезерный по дереву 1300х900

Фрезерные и гравировальные станки для обработки мягких материалов (дерево, пластики, мягкие металлы).
serjmd
Мастер
Сообщения: 228
Зарегистрирован: 26 янв 2017, 17:31
Репутация: 8
Настоящее имя: Serj MD
Контактная информация:

Re: Фрезерный по дереву 1300х900

Сообщение serjmd »

nevkon писал(а):Цангу сначала в гайку вставляете, а потом прикручиваете и вставляете фрезу?
Так... Завтра попробую.
Но вообще, на нормальных шпинделях там тоже просто трубка? Такое впечатление, что там конус просится.
Поставил, кстати, родную цангу на 8 мм. Фрезу бьет на 0,2 мм. Поскольку речь пока идет только о дереве, то до покупки нормального шпинделя и хватило бы.
nevkon
Почётный участник
Почётный участник
Сообщения: 2473
Зарегистрирован: 17 июл 2015, 10:25
Репутация: 310
Настоящее имя: Константин
Откуда: Балаково (Саратовская обл.)
Контактная информация:

Re: Фрезерный по дереву 1300х900

Сообщение nevkon »

Вообще в валу шпинделя должен быть конус, причем его хорошо видно. Если конуса нет, то о каких цангах может идти речь, как ее будет зажимать - пояском (ну тогда будет вставать как угодно, но не так как должно)?
serjmd
Мастер
Сообщения: 228
Зарегистрирован: 26 янв 2017, 17:31
Репутация: 8
Настоящее имя: Serj MD
Контактная информация:

Re: Фрезерный по дереву 1300х900

Сообщение serjmd »

Вечером посмотрю
serjmd
Мастер
Сообщения: 228
Зарегистрирован: 26 янв 2017, 17:31
Репутация: 8
Настоящее имя: Serj MD
Контактная информация:

Re: Фрезерный по дереву 1300х900

Сообщение serjmd »

Ставил и так и этак, биение минимум 0,5 мм. Это вообще для дерева нормально? Я просто раньше с этим дел не имел.
Просто, сейчас думаю, стоит ли заказать переходник, который надел бы на вал, и в него уже вставлял бы цангу.
nevkon
Почётный участник
Почётный участник
Сообщения: 2473
Зарегистрирован: 17 июл 2015, 10:25
Репутация: 310
Настоящее имя: Константин
Откуда: Балаково (Саратовская обл.)
Контактная информация:

Re: Фрезерный по дереву 1300х900

Сообщение nevkon »

Вы бы фото положили, а то гадаем на кофейной гуще.
serjmd
Мастер
Сообщения: 228
Зарегистрирован: 26 янв 2017, 17:31
Репутация: 8
Настоящее имя: Serj MD
Контактная информация:

Re: Фрезерный по дереву 1300х900

Сообщение serjmd »

Фото чего? Узла, или станка в целом?
Я хотел похвастать после того как кабель-канал доделаю. Его, кстати, с тем же биением резал, но собирается нормально. В месте соединения звеньев только люфтит несколько.
nevkon
Почётный участник
Почётный участник
Сообщения: 2473
Зарегистрирован: 17 июл 2015, 10:25
Репутация: 310
Настоящее имя: Константин
Откуда: Балаково (Саратовская обл.)
Контактная информация:

Re: Фрезерный по дереву 1300х900

Сообщение nevkon »

Фрезера, желательно без одетой цанги так чтобы видно было посадочное под цангу. Ну и цанг тоже не помешает. Я так понимаю у него свои нестандартные цанги (явно не ER11 - они до 7мм если нормальные, у меня есть 8мм, но там ужас полный).
serjmd
Мастер
Сообщения: 228
Зарегистрирован: 26 янв 2017, 17:31
Репутация: 8
Настоящее имя: Serj MD
Контактная информация:

Re: Фрезерный по дереву 1300х900

Сообщение serjmd »

Хорошо. Вечером сделаю.
serjmd
Мастер
Сообщения: 228
Зарегистрирован: 26 янв 2017, 17:31
Репутация: 8
Настоящее имя: Serj MD
Контактная информация:

Re: Фрезерный по дереву 1300х900

Сообщение serjmd »

Вот он, по ходу дела, ларчик и открылся. Углы цанг не совпадают, и ЕР11 в результате не встает.
Похоже, придется все же переходник заказать.
Изображение

Изображение

Изображение

Изображение
serjmd
Мастер
Сообщения: 228
Зарегистрирован: 26 янв 2017, 17:31
Репутация: 8
Настоящее имя: Serj MD
Контактная информация:

Re: Фрезерный по дереву 1300х900

Сообщение serjmd »

А вот тогда такой еще вопрос: какова длина фаски на нормальном шпинделе? Тут, смотрю, она около двух миллиметров, и, вроде как, хочется побольше. На всю длину усеченного конуса. Или почти на всю длину.
nevkon
Почётный участник
Почётный участник
Сообщения: 2473
Зарегистрирован: 17 июл 2015, 10:25
Репутация: 310
Настоящее имя: Константин
Откуда: Балаково (Саратовская обл.)
Контактная информация:

Re: Фрезерный по дереву 1300х900

Сообщение nevkon »

В смысле какая глубина конуса? Можете по цанге померить - касание должно быть либо полным либо почти полным. В вашем случае можно заказать переходной вал с 8мм на ER11. Например такой: https://ru.aliexpress.com/item/C8-ER11A ... 86829.html , а затем обрезать так чтобы в вашу цангу 8мм заходил по самую шейку.
meruslan
Новичок
Сообщения: 1
Зарегистрирован: 13 янв 2016, 10:41
Репутация: 0
Настоящее имя: Руслан
Контактная информация:

Re: Фрезерный по дереву 1300х900

Сообщение meruslan »

Или использовать такой переходник
Вложения
переходник 6-3.jpg (6376 просмотров) <a class='original' href='./download/file.php?id=146624&mode=view' target=_blank>Загрузить оригинал (181.38 КБ)</a>
serjmd
Мастер
Сообщения: 228
Зарегистрирован: 26 янв 2017, 17:31
Репутация: 8
Настоящее имя: Serj MD
Контактная информация:

Re: Фрезерный по дереву 1300х900

Сообщение serjmd »

nevkon писал(а):В смысле какая глубина конуса? Можете по цанге померить - касание должно быть либо полным либо почти полным. В вашем случае можно заказать переходной вал с 8мм на ER11. Например такой: https://ru.aliexpress.com/item/C8-ER11A ... 86829.html , а затем обрезать так чтобы в вашу цангу 8мм заходил по самую шейку.
Я что-то по фотографии не понял принцип. Стержень вставляется в вал, и как фиксируется? Накручивается?
nevkon
Почётный участник
Почётный участник
Сообщения: 2473
Зарегистрирован: 17 июл 2015, 10:25
Репутация: 310
Настоящее имя: Константин
Откуда: Балаково (Саратовская обл.)
Контактная информация:

Re: Фрезерный по дереву 1300х900

Сообщение nevkon »

serjmd писал(а):Я что-то по фотографии не понял принцип. Стержень вставляется в вал, и как фиксируется? Накручивается?
Вставляется вместо фрезы в 8мм комплектную цангу. Потому и сказал что урезать сам 8мм стержень до 20-30мм по длине. Иначе торчать будет сильно.
serjmd
Мастер
Сообщения: 228
Зарегистрирован: 26 янв 2017, 17:31
Репутация: 8
Настоящее имя: Serj MD
Контактная информация:

Re: Фрезерный по дереву 1300х900

Сообщение serjmd »

Понял. Спасибо.
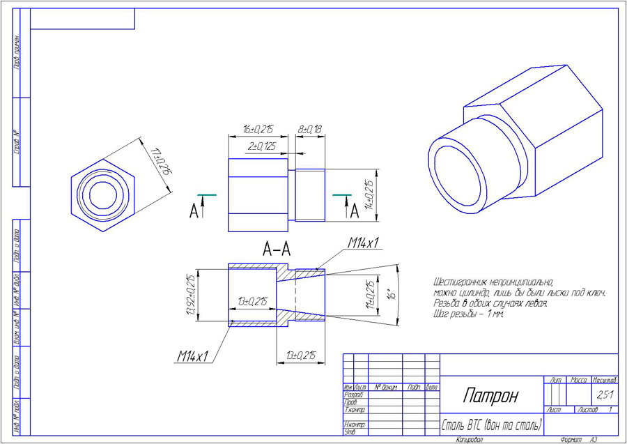
Я другое изобретал, переходник с навинчиванием на вал. Но сказали, что соосности не выйдет. Зато потренировался.
Вложения
Патрон.jpg (6349 просмотров) <a class='original' href='./download/file.php?id=146657&mode=view' target=_blank>Загрузить оригинал (214.26 КБ)</a>
serjmd
Мастер
Сообщения: 228
Зарегистрирован: 26 янв 2017, 17:31
Репутация: 8
Настоящее имя: Serj MD
Контактная информация:

Re: Фрезерный по дереву 1300х900

Сообщение serjmd »

Добрый день.
У меня не получается ровный край.
Фанеру пока режу второй сорт, лучшее, что поблизости есть. Режу однозаходной 3.175 с удалением стружки вниз и кукурузой диаметром 1.6 мм. В качестве шпинделя указанный выше Калибр-мастер. С приобретением переходника биение уменьшилось до двух десятых миллиметра.
Однозаходной край получается шероховатый. Кукурузой шероховатость практически отсутствует, однако, рез получается волнистый. На фанере 6 мм явственно видны волны высотой равные смещению по Z - 2 мм. Эти волны - следствие биения, или же это у всех кукуруз так? И ровного края мне без шпинделя и высокосортной фанеры не добиться?
nevkon
Почётный участник
Почётный участник
Сообщения: 2473
Зарегистрирован: 17 июл 2015, 10:25
Репутация: 310
Настоящее имя: Константин
Откуда: Балаково (Саратовская обл.)
Контактная информация:

Re: Фрезерный по дереву 1300х900

Сообщение nevkon »

Волны или пила? Хоть бы фото приложили. Может быть:
1. Нежесткость конструкции.
2. Биение приводного винта.
3. Неперпендикулярность осей (в том числе и оси вращения шпинделя к столу).
4. Биение зажатого инструмента.
serjmd
Мастер
Сообщения: 228
Зарегистрирован: 26 янв 2017, 17:31
Репутация: 8
Настоящее имя: Serj MD
Контактная информация:

Re: Фрезерный по дереву 1300х900

Сообщение serjmd »

Хорошо. Фото только завтра смогу сделать.
parket_3d
Мастер
Сообщения: 223
Зарегистрирован: 11 апр 2014, 19:32
Репутация: 36
Настоящее имя: Евгений
Откуда: Курск
Контактная информация:

Re: Фрезерный по дереву 1300х900

Сообщение parket_3d »

serjmd как Вы вообще умудрились в такую цангу ER11 впихнуть? Вам нужно заказывать цанги на заводе или вставлять переходники в Вашу стандартную цангу 8мм, как и советовали выше. И в этом фрезере задний подшипник может сидеть не в пластмассовом корпусе, а через резиновую втулку. Не знаю как ещё её обозвать, но она со временем размягчается и задний подшипник начинает сильно люфтить. А потом и передний. Рукой люфт вала пока не ощущается?
serjmd
Мастер
Сообщения: 228
Зарегистрирован: 26 янв 2017, 17:31
Репутация: 8
Настоящее имя: Serj MD
Контактная информация:

Re: Фрезерный по дереву 1300х900

Сообщение serjmd »

Добрый день.

1. Однозаходная 3.175 с выводом стружки вниз. Смещение по Z - 3 мм.
Изображение

2. Вертикально стоящая деталь - кукуруза диаметром 1.6 мм. Фанера 2-й сорт. Смещение по Z - 2 мм.
Изображение

3. То же со вспышкой.
Изображение

4. Еще одна деталь после кукурузы.
Изображение

5. Ось Z
Изображение

6. Собственно, портал
Изображение

Я не могу сказать, что совсем все плохо, и если заготовка нормально закреплена, то лесенки нет. Но рез получается, как сказать, неидеальный. После кукурузы идет продольная волна, не сказать глубокая, но пальцами чувствуется. Ширина волны равна смещению по Z. Я просто не в курсе, вот две десятки могут чувствоваться пальцами?
Вертикальность фрезы устанавливал выравнивая жертвенный стол. Установил концевую 8 мм, и старался, чтобы на столе не было ступеней. Ступеней нет, но опять же пальцами чувствуется некоторая волнистость.
Смещение фрезы динамометром не замерял. Сам портал при поперечной нагрузке в сотню килограмм прогибается на восемь десятых миллиметра. 10 килограмм - 4 сотых. Вес портала порядка пятидесяти килограмм. Когда толкаю рукой ось Z, люфта не чувствую, но такое впечатление, что конструкция немонолитна и как будто смещение есть. Подозреваю, что это самовнушение.
Ответить

Вернуться в «Фрезерные станки по дереву и пластикам, гравировальные станки, роутеры»