Сегодня пришел этот кабель ЛПТ-ЛПТ.(две недели искал).
Спасибо всем огромное за все Ваши советы и терпение таково неудачника
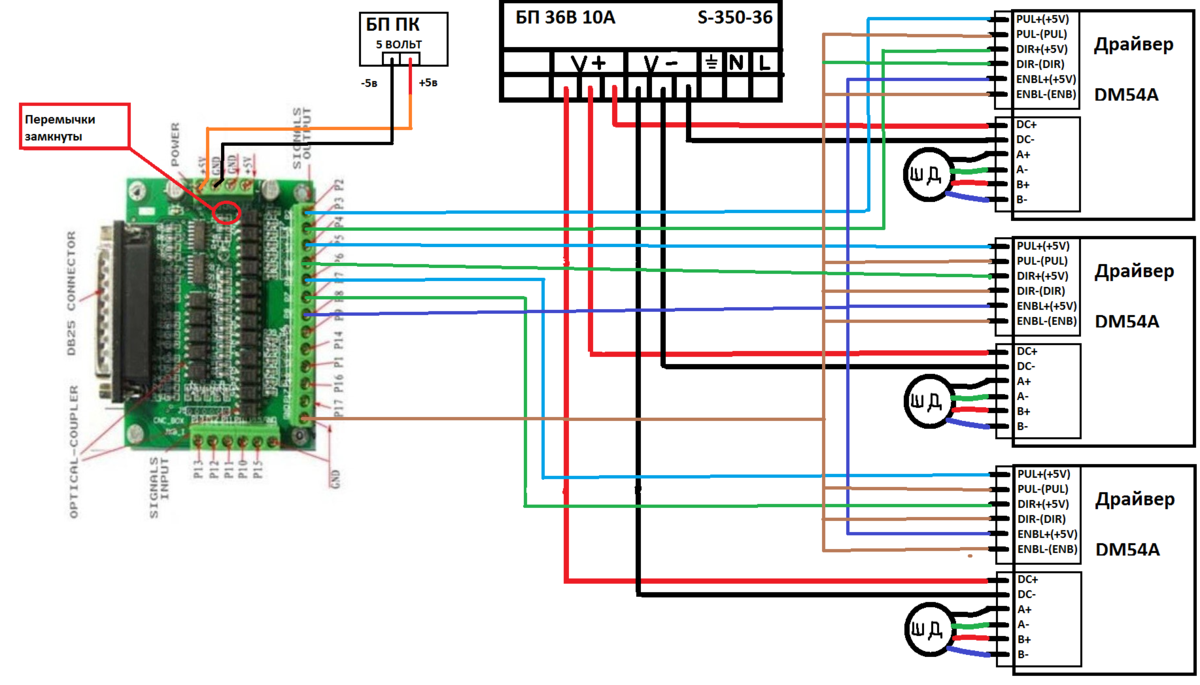
Nil$ писал(а):Расщитые на пучек провода с контактов p1 и gnd уходят на драйверы на контакты enbl+ И enbl-
На контроллер приходит 5 вольт с внешнего блока питания на контакты +5v и gnd на отдельный разьем (фото номер 1 разьем снизу)
Дорисовал схему для наглядности параллельности подключения драйвера.
Если один из драйверов отключаю от платы, то ездит другой нормально.
Енейбл еще не подключал, т.к. не понял как он должен работать.

Похоже не хватает сигнала с платы, чтобы засветить 2 светодиода оптопар драйверов. Надо мерить напряжение, и лучше осциллографом, на входе step при одном подключенном драйвере и двух.
К сожалению осциллографа нет, пробовал подключать блок питания 5В/2А к плате опторазвязки, нет эффекта, а поднимать напряжение боюсь.
Спасибо огромное, завелось!

Это не математика
Это к тому, что 3А это пиковое, а рабочее порядка 50-60%?xenon-alien писал(а): ↑04 фев 2022, 10:59Это не математика
И почему бы не разобраться для начала, как работает драйвер и каким напряжением питает мотор? (если грубо считать, то 4х3а уже с запасом получается)

Это к тому что ШД питается 5-10в и 3а и это сколько ватт? А БП сколько ватт ? (можно первый пост моей темы почитать "Box-1 ЧПУ станок v2.0 ...." раздел "небольшие подсказки" пункт 3)
Номинальный ток в спеках ШД дан для номинального напряжения(в районе 2.5-5 вольт), а не для для выходного напряжения вашего бп-шника. В статике на удержании там в районе просто электрической мощности потребление( 2 * ( 0.7 * <номинальный_ток>)^2 * <номинальное_сопротивление_обмотки_ШД>), плюс потери, например, на диодном мосту в драйвере. А для расчёта потребного тока в пике(на ускорениях) есть куча эмпирических предположений с верхней оценкой <ток_одного_щд>*<кол-во_шд>+<запас>, и чтобы кто-нибудь где-нибудь продемонстрировал их верность, я такого не видел.