Лазер + Mach3

Контроллеры, драйверы, датчики, управляющие устройства.
qulet
Новичок
Сообщения: 28
Зарегистрирован: 13 май 2017, 18:30
Репутация: 5
Настоящее имя: Marek
Контактная информация:

Re: Лазер + Mach3

Сообщение qulet »

Отредактированный / г направлять водителя. Для меня, если сигналы «Z_STEP; Z_DIR Mach3»
положительный импульс - переключает лазерный диод с частотой постоянная. Модуляция ручной работы, когда Arduino Z_STEP Z_DIR и устанавливается на отрицательный импульс.
С кодом ЧПУ генерируемого в ARTCAM не работает должным образом. Лазер включается случайным образом ...

"radist07" - В оригинальной печатной плате драйвера TTL-лазера (-) 12V является общим с отрицательной массой TTL сигнала г Arduino. НЕ МОЖЕТ ИХ гальваническим неразделимы!
sterownik TTL.jpg (5249 просмотров) <a class='original' href='./download/file.php?id=113879&mode=view' target=_blank>Загрузить оригинал (72.99 КБ)</a>
Мой контроль Mill_Laser_CNC :
IMG_8333.JPG (5249 просмотров) <a class='original' href='./download/file.php?id=113882&mode=view' target=_blank>Загрузить оригинал (181.38 КБ)</a>
Пожалуйста, каждая игра сохраняются симпатические коллег за помощь в запуске и настройке Arduino драйвера и Mach3. Пожалуйста, «printscren» профайл «ЛАЗЕР» Сорри МОЙ РУССКИЙ ЯЗЫК _translate.google.........
qulet
Новичок
Сообщения: 28
Зарегистрирован: 13 май 2017, 18:30
Репутация: 5
Настоящее имя: Marek
Контактная информация:

Re: Лазер + Mach3

Сообщение qulet »

«Serg1958» Я не могу отправить по электронной почте PM.
Свяжитесь с нами:
qulet@wtvk.pl
desertEA
Опытный
Сообщения: 100
Зарегистрирован: 13 фев 2017, 19:02
Репутация: 12
Настоящее имя: Николай Иглёнок
Контактная информация:

Re: Лазер + Mach3

Сообщение desertEA »

Как Вам удалось добиться оттенков ? Я на этом этапе очень сильно застрял. Удалось даже выбить плугин у Японца - для Mach. Но и с ним не получилось выжечь все оттенки серого. Какая суть коробочки с Ардуино ? У меня MACH напрямую подключен к драйверу. Жгёт без проблем, но проблема с градациями.
radist07
Новичок
Сообщения: 8
Зарегистрирован: 31 мар 2017, 13:54
Репутация: 0
Настоящее имя: Валерий
Контактная информация:

Re: Лазер + Mach3

Сообщение radist07 »

qulet У Вас драйвер совсем другой чем у меня.
Gerter
Новичок
Сообщения: 17
Зарегистрирован: 20 окт 2017, 09:50
Репутация: 0
Настоящее имя: Василий
Контактная информация:

Re: Лазер + Mach3

Сообщение Gerter »

Выставленный скетч весь перелопатил. Добавил регулировку яркости экрана(есть мысль связать с переменной brightness для наглядности).
Но есть некоторые проблемы.
Значения переменных STMM и Smax никак у меня не получается оставить в энергонезависимой памяти.
В объявлении переменных убираю значения этих переменных, в теле, перед обращением к порту вместо eeprom.write использую eeprom.put, чтоб в память залетало полное значение, а не первый бит. Вроде бы всё начинает работать, STMM в памяти остается, а значение Smax скакать начинает. Голову уже сломал что не так. С ардуиной первый день знаком. С программированием знаком вроде нормально.
И мне никак не понятно, почему используется eeprom.write и eeprom.read??? Числа ведь всяко больше 255, и мне бы думается использовать eeprom.get вместо eeprom.read, а вместо eeprom.write брать вообще eeprom.update(это поднимет производительность).
Или всё не так?
Аватара пользователя
serg1958
Кандидат
Сообщения: 57
Зарегистрирован: 25 июн 2015, 01:13
Репутация: 31
Настоящее имя: Сергей
Контактная информация:

Re: Лазер + Mach3

Сообщение serg1958 »

Добрый день.
Давно не заглядывал в форум, думал ни кому это не надь, ан нет кому то надь.
Библиотека EEPROM2 может записывать и читать 4-х байтные типа long, может и не надо было, но подстраховался. Библиотеку (прикладываю к ответу) нашёл на просторах инета, автора не помню, но огромная ему благодарность!
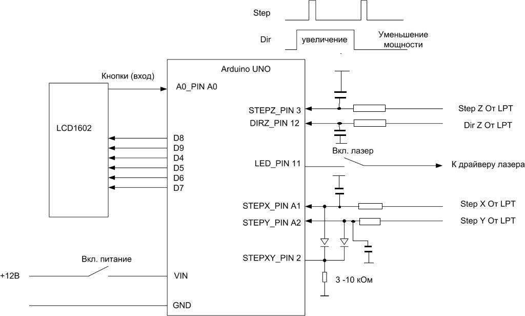
Все входа в Ардуину зашунтируйте керамическими конденсаторами 1 нФ и подключите через резисторы 1 кОм к выходам контроллера ЧПУ (все STEP и DIR).
Работать можно, как с растром, так и с векторами. При выжигании по вектору или резке (например по бумаге) уставите в блоке лазера низкую скорость например 50 мм/мин. Концы вектора обгорать не будут, так как мощность лазера снижается вместе со скоростью движения по осям X,Y. Полагаю, все поняли, что ось Z нужно переключать на вход лазера, а ось например А подключать к Z для возможности фокусировать лазер.
Разрешение лазера по времени (цикл программы) составляет примерно 500 мкс, т.е. при скорости движения 1000 мм/мин. - около 0,01мм., что вполне достаточно для качественного выжигания.
Пробуйте на разных материалах, можно дерево протереть содовым раствором, можно попробовать по краске, по крашеному стеклу и т.д.
Удачи.
Вложения
EEPROM2.zip
(3.17 КБ) 420 скачиваний
Gerter
Новичок
Сообщения: 17
Зарегистрирован: 20 окт 2017, 09:50
Репутация: 0
Настоящее имя: Василий
Контактная информация:

Re: Лазер + Mach3

Сообщение Gerter »

serg1958 писал(а):Добрый день.
Давно не заглядывал в форум, думал ни кому это не надь, ан нет кому то надь.
Библиотека EEPROM2 может записывать и читать 4-х байтные типа long, может и не надо было, но подстраховался. Библиотеку (прикладываю к ответу) нашёл на просторах инета, автора не помню, но огромная ему благодарность!
Все входа в Ардуину зашунтируйте керамическими конденсаторами 1 нФ и подключите через резисторы 1 кОм к выходам контроллера ЧПУ (все STEP и DIR).
Работать можно, как с растром, так и с векторами. При выжигании по вектору или резке (например по бумаге) уставите в блоке лазера низкую скорость например 50 мм/мин. Концы вектора обгорать не будут, так как мощность лазера снижается вместе со скоростью движения по осям X,Y. Полагаю, все поняли, что ось Z нужно переключать на вход лазера, а ось например А подключать к Z для возможности фокусировать лазер.
Разрешение лазера по времени (цикл программы) составляет примерно 500 мкс, т.е. при скорости движения 1000 мм/мин. - около 0,01мм., что вполне достаточно для качественного выжигания.
Пробуйте на разных материалах, можно дерево протереть содовым раствором, можно попробовать по краске, по крашеному стеклу и т.д.
Удачи.
Блин, спасибо по поводу библиотеки)))) а то я начал уже думать как переменные Smax и STMM разбить на 2 части и записывать их по частям в разные ячейки и считывать, а потом склеивать значения, код бы вырос раза в 2-3)))
Но переделаю на библиотеку EEPROM2.h раз оно с ней у Вас работало, а то в моем программировании может представляться одно, а в железке я не уверен как будет работать, уж лучше по проверенному пути пойти)))

Входы конденсатором зашунтировать на землю? А подтяжку резистором оставить как на схеме?
При векторном выжигании Вы рекомендуете ставить низкую скорость в блоке с целью скомпенсировать ускорения по осям, как я понял?! Потому что при реальной такой скорости загорится всё это дело...
По поводу оси A у меня никак, у меня она занята, она подчинена оси Y(2 ШВП по Y). Поэтому просто откинул Z и на её место подоткнул Ардуинку, а провод от шпинделя к лазеру и цепляю, а второй конец от инвертора к ардуинке(он как раз экранированный).
qulet
Новичок
Сообщения: 28
Зарегистрирован: 13 май 2017, 18:30
Репутация: 5
Настоящее имя: Marek
Контактная информация:

Re: Лазер + Mach3

Сообщение qulet »

serg1958

Как выбран режим работы контроллера?
Cut, Vektor, Raster. Указывает ли позиция курсора на дисплее о рабочем режиме?
Я принимаю сигналы Dir, STP с контроллера MACH3 USB MOTION CARD STB4100. Этот драйвер работает на 100 кГц. Нужно ли что-то менять в коде для arduino в связи с этим временем 100 кГц?
Должно ли размещение этих резисторов и конденсаторов в схеме?
http://www.cnc-club.ru/forum/download/f ... 0425b5a9eb
С наилучшими пожеланиями! и спасибо
Вложения
schemat_2.jpg (4401 просмотр) <a class='original' href='./download/file.php?id=137631&mode=view' target=_blank>Загрузить оригинал (51.42 КБ)</a>
qulet
Новичок
Сообщения: 28
Зарегистрирован: 13 май 2017, 18:30
Репутация: 5
Настоящее имя: Marek
Контактная информация:

Re: Лазер + Mach3

Сообщение qulet »

Чеба, однако, да !!! Пожалуйста, подтвердите!
http://www.cnc-club.ru/forum/download/f ... 6dd8d82d71,
Вложения
schemat.jpg (4375 просмотров) <a class='original' href='./download/file.php?id=137743&mode=view' target=_blank>Загрузить оригинал (69.57 КБ)</a>
qulet
Новичок
Сообщения: 28
Зарегистрирован: 13 май 2017, 18:30
Репутация: 5
Настоящее имя: Marek
Контактная информация:

Re: Лазер + Mach3

Сообщение qulet »

Почему никто не отвечает на мои вопросы на этом форуме?

Потому что я из Польши?

Мой драйвер TTL работает 0V = на 5V = выключен, возможно, он интровертирован, что нет модуляции мощности лазера ...
Аватара пользователя
Serg
Мастер
Сообщения: 21923
Зарегистрирован: 17 апр 2012, 14:58
Репутация: 5183
Заслуга: c781c134843e0c1a3de9
Настоящее имя: Сергей
Откуда: Москва
Контактная информация:

Re: Лазер + Mach3

Сообщение Serg »

qulet писал(а):Почему никто не отвечает на мои вопросы на этом форуме?
Потому что я из Польши?
Потому что ты из галактики Млечный путь. :)
Видимо нечего ответить. Мне например Mach3 совсем не интересен.
Как и земляне.
:wik:
Я не Христос, рыбу не раздаю, но могу научить, как сделать удочку...
Gerter
Новичок
Сообщения: 17
Зарегистрирован: 20 окт 2017, 09:50
Репутация: 0
Настоящее имя: Василий
Контактная информация:

Re: Лазер + Mach3

Сообщение Gerter »

qulet писал(а):Почему никто не отвечает на мои вопросы на этом форуме?

Потому что я из Польши?

Мой драйвер TTL работает 0V = на 5V = выключен, возможно, он интровертирован, что нет модуляции мощности лазера ...
Нужно править скетч. Можно просто инвертировать ось, но это не решит проблему с нулевым уровнем. Дома когда буду вечером посмотрю скетч, что там подправить, и сообщу.
Последний раз редактировалось Gerter 10 май 2018, 13:05, всего редактировалось 2 раза.
Gerter
Новичок
Сообщения: 17
Зарегистрирован: 20 окт 2017, 09:50
Репутация: 0
Настоящее имя: Василий
Контактная информация:

Re: Лазер + Mach3

Сообщение Gerter »

А вот у меня вопрос есть вот какой: В арткаме задаю стратегию обработки "растр", всё вроде бы нормально, НО при изменении мощности,(изменении высоты рельефа) происходит поддергивание оси Х(изменение скорости). Всё логично т.к. в УП задается перемещение оси X до следующего изменения перемещения Z. Есть ли способ в арткаме способ сохранения линейной скорости оси X пни изменении координат Z до конца перехода по растру или нужно постпроцессор править?
ALViktor
Кандидат
Сообщения: 84
Зарегистрирован: 07 апр 2015, 17:24
Репутация: 50
Настоящее имя: Виктор
Контактная информация:

Re: Лазер + Mach3

Сообщение ALViktor »

Здравствуйте.
Что то я запутался. Собрал блок. Выжигает, но притормаживает в местах где темнее должно быть, то есть скоростью движения черноту регулирует. Я вообще то думал будет мощностью лазера манипулировать.
Как должно быть ?
Сегодня первый раз пробую.
Должна ли меняться мощность лазера при передвижении оси Z ?
Как вообще можно проверить блок? Не выжигая картинку.
aleksha
Новичок
Сообщения: 11
Зарегистрирован: 08 дек 2018, 13:02
Репутация: 0
Настоящее имя: Алексей
Контактная информация:

Re: Лазер + Mach3

Сообщение aleksha »

serg1958 Собрал контроллер, все по инструкции -при подключении к станку не работает


есть вопросы: выходы с осей XYZ подключать напрямую с LPT порта?
поподробней о настройках в мач3, если можно со скриншотами
aleksha
Новичок
Сообщения: 11
Зарегистрирован: 08 дек 2018, 13:02
Репутация: 0
Настоящее имя: Алексей
Контактная информация:

Re: Лазер + Mach3

Сообщение aleksha »

к контролеру подключать все выходы с ардуино? Step Z, DirZ, StepY, StepХ или только Step Z, DirZ, StepY,

какой сигнал (параметры сигнала)должен подаваться на вход ардуино Step Z,StepY, StepХ
aleksha
Новичок
Сообщения: 11
Зарегистрирован: 08 дек 2018, 13:02
Репутация: 0
Настоящее имя: Алексей
Контактная информация:

Re: Лазер + Mach3

Сообщение aleksha »

У меня плата китайская может из за не не работает
Вложения
пл.jpg (3356 просмотров) <a class='original' href='./download/file.php?id=153494&mode=view' target=_blank>Загрузить оригинал (220.94 КБ)</a>
aleksha
Новичок
Сообщения: 11
Зарегистрирован: 08 дек 2018, 13:02
Репутация: 0
Настоящее имя: Алексей
Контактная информация:

Re: Лазер + Mach3

Сообщение aleksha »

какой сигнал (параметры сигнала)должен подаваться на вход ардуино Step Z,StepY, StepХ
aleksha
Новичок
Сообщения: 11
Зарегистрирован: 08 дек 2018, 13:02
Репутация: 0
Настоящее имя: Алексей
Контактная информация:

Re: Лазер + Mach3

Сообщение aleksha »

Почему никто не отвечает на мои вопросы на этом форуме?
Потому что я из России?
Аватара пользователя
evgenymcp
Мастер
Сообщения: 1422
Зарегистрирован: 23 апр 2017, 05:37
Репутация: 328
Настоящее имя: Евгений
Откуда: Абакан,Хакасия
Контактная информация:

Re: Лазер + Mach3

Сообщение evgenymcp »

Может все заняты предновогодними делами. По поводу ответа на вопрос - несколько раз перечитал, так ничего и не понял. Всё смешалось. Мач, плата опторазвязки и ардуино :thinking:
Ответить

Вернуться в «Электроника»