G-коды
-
turbo-fast
- Новичок
- Сообщения: 1
- Зарегистрирован: 22 июн 2017, 21:58
- Репутация: 0
- Настоящее имя: alex
- Контактная информация:
Re: G-коды
добрый день!
Столкнулся с проблемой как перевести векторный рисунок в gcode , переводил программой inscape c плагином. В результате получаю линию по контуру объекта,а мне необходимо получить маршрут по вектору (путь один в один как сделан вектор)
Прошу подсказать пути решения вопроса.
Столкнулся с проблемой как перевести векторный рисунок в gcode , переводил программой inscape c плагином. В результате получаю линию по контуру объекта,а мне необходимо получить маршрут по вектору (путь один в один как сделан вектор)
Прошу подсказать пути решения вопроса.
-
Mehobr
- Почётный участник

- Сообщения: 163
- Зарегистрирован: 15 июн 2015, 00:20
- Репутация: 18
- Настоящее имя: Евгений
- Контактная информация:
Re: G-коды
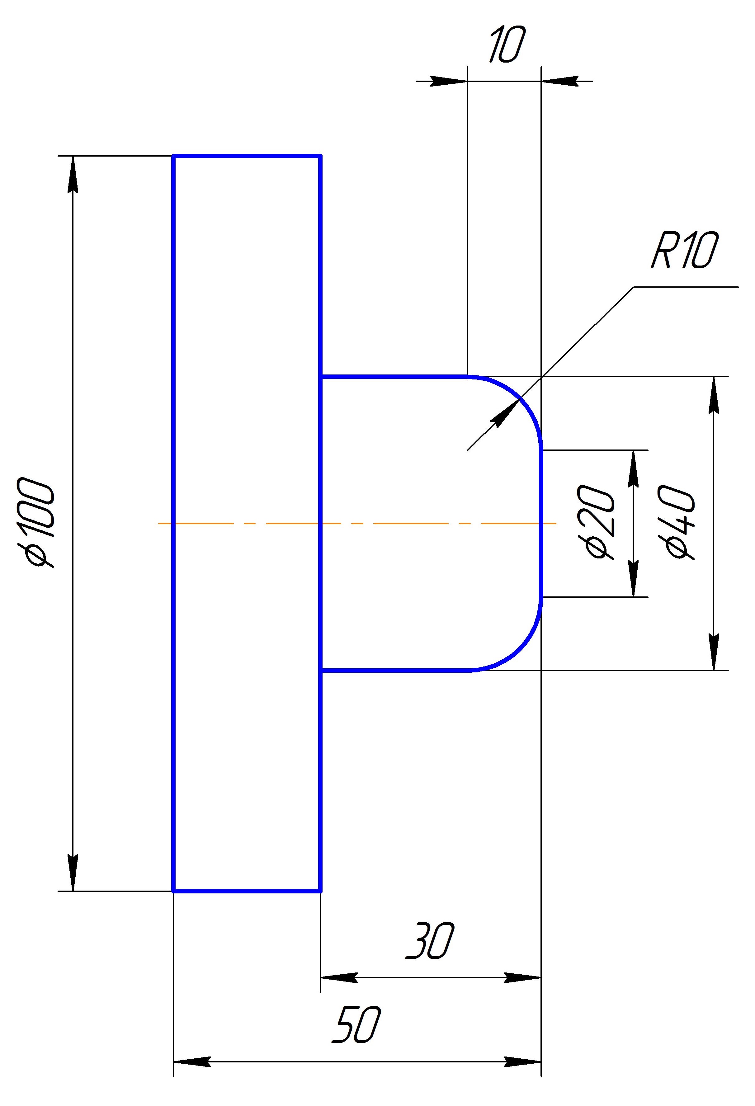
Подскажите, пожалуйста, как написать G-код для многопроходного цикла токарной обработки в KMotionCNC на примере детали в прикрепленном файле.
А также пример G-кода по G2 G3.
Спасибо огромное за ранее!
А также пример G-кода по G2 G3.
Спасибо огромное за ранее!
-
Ryoji
- Кандидат
- Сообщения: 43
- Зарегистрирован: 18 май 2017, 00:49
- Репутация: 0
- Настоящее имя: Alex
- Контактная информация:
Re: G-коды
Подскажите есть ли возможность внутри программы вставить STOP. Тот стоп который можно продолжить нажав с пульта RESUME. То есть в определенном месте нужно остановить станок (Mach3 + плазма), выполнить некоторые действия, и продолжить выполнение программы (в идеале дав команду с пульта управления).
-
aftaev
- Зачётный участник

- Сообщения: 34042
- Зарегистрирован: 04 апр 2010, 19:22
- Репутация: 6194
- Откуда: Казахстан.
- Контактная информация:
Re: G-коды
М01
Дилетанту сложные вещи кажутся очень простыми, и только профессионал понимает насколько сложна самая простая вещь
Кто хочет - ищет возможности, кто не хочет - ищет оправдание.
Найди работу по душе и тебе не придется работать.
Кто хочет - ищет возможности, кто не хочет - ищет оправдание.
Найди работу по душе и тебе не придется работать.
-
Ryoji
- Кандидат
- Сообщения: 43
- Зарегистрирован: 18 май 2017, 00:49
- Репутация: 0
- Настоящее имя: Alex
- Контактная информация:
Re: G-коды
А как правиться файл с G кодом, в смысле там идет номер строки потом команда, как быть с номером строки или это служебная информация?aftaev писал(а):М01
-
aftaev
- Зачётный участник

- Сообщения: 34042
- Зарегистрирован: 04 апр 2010, 19:22
- Репутация: 6194
- Откуда: Казахстан.
- Контактная информация:
Re: G-коды
Да фиолетово на этот номер. Он больше нужен оператору чтобы запоминать с какой строки стартовать в случае аварии или запуска станка на след. день. Так что пиши какой хош номерRyoji писал(а):как быть с номером строки или это служебная информация?
Дилетанту сложные вещи кажутся очень простыми, и только профессионал понимает насколько сложна самая простая вещь
Кто хочет - ищет возможности, кто не хочет - ищет оправдание.
Найди работу по душе и тебе не придется работать.
Кто хочет - ищет возможности, кто не хочет - ищет оправдание.
Найди работу по душе и тебе не придется работать.
- torvn77
- Мастер
- Сообщения: 2442
- Зарегистрирован: 02 июн 2012, 22:12
- Репутация: 215
- Откуда: Россия,Санкт-Петербург
- Контактная информация:
Re: G-коды
Только надо учитывать что не во всех ЧПУ посчитанный ЧПУ номер и номер в коде программы совпадают.aftaev писал(а):Он больше нужен оператору чтобы запоминать с какой строки стартовать в случае аварии или запуска станка на след. день.
В общем правильнее понимать его не как номер, а как текстовую метку.
-
lehamont
- Опытный
- Сообщения: 107
- Зарегистрирован: 03 июл 2014, 18:41
- Репутация: 0
- Контактная информация:
Re: G-коды
Подскажите.как прописать последовательное перемещение Y-20,X100 и Y20 ? В Mach3
стадо баранов ведомое волком всегда победит стадо волков ведомое бараном!
Один день сегодняшний ценнее двух дней завтрашних!
Один день сегодняшний ценнее двух дней завтрашних!
- Rom327
- Почётный участник

- Сообщения: 2989
- Зарегистрирован: 03 апр 2015, 13:23
- Репутация: 437
- Настоящее имя: Роман
- Откуда: Подольск
- Контактная информация:
Re: G-коды
Попробуй так: Y-20;X100;Y20lehamont писал(а):Подскажите.как прописать последовательное перемещение Y-20,X100 и Y20 ? В Mach3
Это сугубо мое мнение, могу и ошибаться...
https://vk.com/rom327
GRBL настройки: http://blogandbux.blogspot.com/2018/07/ ... revod.html
G коды: http://3d-stanki.ru/spravochnik/program ... stankov-2/
https://vk.com/rom327
GRBL настройки: http://blogandbux.blogspot.com/2018/07/ ... revod.html
G коды: http://3d-stanki.ru/spravochnik/program ... stankov-2/
-
lehamont
- Опытный
- Сообщения: 107
- Зарегистрирован: 03 июл 2014, 18:41
- Репутация: 0
- Контактная информация:
Re: G-коды
Выполняет Y-20 и останавливается Mach3
стадо баранов ведомое волком всегда победит стадо волков ведомое бараном!
Один день сегодняшний ценнее двух дней завтрашних!
Один день сегодняшний ценнее двух дней завтрашних!
-
nik1
- Мастер
- Сообщения: 8408
- Зарегистрирован: 02 окт 2012, 07:37
- Репутация: 3629
- Откуда: Красногорск
- Контактная информация:
Re: G-коды
А если без ;
-
lehamont
- Опытный
- Сообщения: 107
- Зарегистрирован: 03 июл 2014, 18:41
- Репутация: 0
- Контактная информация:
Re: G-коды
И с точкой и без и с запятой- никак.
стадо баранов ведомое волком всегда победит стадо волков ведомое бараном!
Один день сегодняшний ценнее двух дней завтрашних!
Один день сегодняшний ценнее двух дней завтрашних!
-
nik1
- Мастер
- Сообщения: 8408
- Зарегистрирован: 02 окт 2012, 07:37
- Репутация: 3629
- Откуда: Красногорск
- Контактная информация:
Re: G-коды
Попробуй поставить вначале g90 g54 g0 и потом те значения
еще можно попробовать забить не встрочку и столбцом, что бы делало по отдельности
еще можно попробовать забить не встрочку и столбцом, что бы делало по отдельности
-
lehamont
- Опытный
- Сообщения: 107
- Зарегистрирован: 03 июл 2014, 18:41
- Репутация: 0
- Контактная информация:
Re: G-коды
как столбцом делается
стадо баранов ведомое волком всегда победит стадо волков ведомое бараном!
Один день сегодняшний ценнее двух дней завтрашних!
Один день сегодняшний ценнее двух дней завтрашних!
-
nik1
- Мастер
- Сообщения: 8408
- Зарегистрирован: 02 окт 2012, 07:37
- Репутация: 3629
- Откуда: Красногорск
- Контактная информация:
Re: G-коды
G90 g0 y-20
X100
y20
X100
y20
-
lehamont
- Опытный
- Сообщения: 107
- Зарегистрирован: 03 июл 2014, 18:41
- Репутация: 0
- Контактная информация:
Re: G-коды
у меня так получилось 0:y-20;1:x100;2:20
стадо баранов ведомое волком всегда победит стадо волков ведомое бараном!
Один день сегодняшний ценнее двух дней завтрашних!
Один день сегодняшний ценнее двух дней завтрашних!
-
banan123
- Новичок
- Сообщения: 19
- Зарегистрирован: 26 июн 2014, 13:37
- Репутация: 0
- Контактная информация:
Re: G-коды
Привет всем. Можно ли сделать G код таким образом: есть двумерный массив координат, в каждую координату инструмент должен "придти", но перед каждым приходом заскочить в подпрограмму? Шаг координат по x один и тот же, по y тоже одинаковый. Можно ли описать УП не линейным алгоритмом, а как нибудь существенно укоротить циклом например?
- verser
- Мастер
- Сообщения: 1903
- Зарегистрирован: 21 июл 2013, 22:28
- Репутация: 1282
- Настоящее имя: Сергей
- Откуда: Тбилиси
- Контактная информация:
Re: G-коды
Можно.
Циклы на g-code.
...
Упс, Вам под mach3
, тоже можно.
Как вариант
Циклы на g-code.
...
Упс, Вам под mach3
Как вариант
Код: Выделить всё
... ; Тело программы
M98 P110 L2 ; Вызов подпрграммы номер 110 2 раза
... ; Тело программы
M2
O110 ; Подпрограмма номер 110
... ; Тело подпрограммы
M99 ; Выход из подпрограммы 110
-
banan123
- Новичок
- Сообщения: 19
- Зарегистрирован: 26 июн 2014, 13:37
- Репутация: 0
- Контактная информация:
Re: G-коды
извините я не понял - после подпрограммы координату, из которой станок ушел в подпрограмму станок не "запоминает", и после каждого выхода из ПП (подпрограммы) нужно ему указывать. Можно ли это процесс "указывания" каждый раз новой координаты автоматизировать?
