Очень нужна помощь с электрикой
- Serg
- Мастер
- Сообщения: 21923
- Зарегистрирован: 17 апр 2012, 14:58
- Репутация: 5183
- Заслуга: c781c134843e0c1a3de9
- Настоящее имя: Сергей
- Откуда: Москва
- Контактная информация:
Re: Очень нужна помощь с электрикой
Глупость он тебе сказал...
Я не Христос, рыбу не раздаю, но могу научить, как сделать удочку...
- Rom327
- Почётный участник

- Сообщения: 2989
- Зарегистрирован: 03 апр 2015, 13:23
- Репутация: 437
- Настоящее имя: Роман
- Откуда: Подольск
- Контактная информация:
Re: Очень нужна помощь с электрикой
Поддерживаю!UAVpilot писал(а):Глупость он тебе сказал...
Сколько видел разных станков, у всех общая цепь заземления, без исключений на шпиндель или привода.
Да и провод земляной квадратов 4-6, не экономят буржуи!
Это сугубо мое мнение, могу и ошибаться...
https://vk.com/rom327
GRBL настройки: http://blogandbux.blogspot.com/2018/07/ ... revod.html
G коды: http://3d-stanki.ru/spravochnik/program ... stankov-2/
https://vk.com/rom327
GRBL настройки: http://blogandbux.blogspot.com/2018/07/ ... revod.html
G коды: http://3d-stanki.ru/spravochnik/program ... stankov-2/
-
CeBuK
- Кандидат
- Сообщения: 50
- Зарегистрирован: 04 мар 2017, 15:08
- Репутация: 0
- Настоящее имя: Святослав
- Контактная информация:
Re: Очень нужна помощь с электрикой
по моим наблюдениям общая земля между частотником и блоком электроники ШД приносит больше вреда, поэтому то я и тянул вторую землю. Если заземлять только блок то становится лучше, если соединить с инвертором - хуже.Rom327 писал(а):Поддерживаю!UAVpilot писал(а):Глупость он тебе сказал...
Сколько видел разных станков, у всех общая цепь заземления, без исключений на шпиндель или привода.
Да и провод земляной квадратов 4-6, не экономят буржуи!
сниму все на видео и покажу
-
CeBuK
- Кандидат
- Сообщения: 50
- Зарегистрирован: 04 мар 2017, 15:08
- Репутация: 0
- Настоящее имя: Святослав
- Контактная информация:
Re: Очень нужна помощь с электрикой
корпус компа заземлять пока еще не пробовал, не думал что это может влиять. можно по точнее? кинуть землю на клему БП или заземлить еще и корпус ПК?michael-yurov писал(а):На схеме не увидел корпуса компьютера (обычно он соединен с клеммой заземления в вилке питания и так же корпус соединен, обычно, с черным (нолевым) проводом блока питания).
Остальное по схеме не смотрел.
- michael-yurov
- Почётный участник

- Сообщения: 11731
- Зарегистрирован: 26 июл 2012, 00:10
- Репутация: 4703
- Настоящее имя: Михаил Львович
- Откуда: Новоуральск
- Контактная информация:
Re: Очень нужна помощь с электрикой
Я лишь сказал о том, что это не было отражено на схеме, а это важно.CeBuK писал(а):корпус компа заземлять пока еще не пробовал, не думал что это может влиять. можно по точнее? кинуть землю на клему БП или заземлить еще и корпус ПК?
-
CeBuK
- Кандидат
- Сообщения: 50
- Зарегистрирован: 04 мар 2017, 15:08
- Репутация: 0
- Настоящее имя: Святослав
- Контактная информация:
Re: Очень нужна помощь с электрикой
а этого и нет по факту. комп не заземлен и соединен только лпт и рс485michael-yurov писал(а):Я лишь сказал о том, что это не было отражено на схеме, а это важно.
- michael-yurov
- Почётный участник

- Сообщения: 11731
- Зарегистрирован: 26 июл 2012, 00:10
- Репутация: 4703
- Настоящее имя: Михаил Львович
- Откуда: Новоуральск
- Контактная информация:
Re: Очень нужна помощь с электрикой
А LPT соединен с платой развязки. И питание платы от компа. И в розетку, куда включен комп может быть что-то включено (а в удлинителе общее заземление).CeBuK писал(а):а этого и нет по факту. комп не заземлен и соединен только лпт и рс485
- Rom327
- Почётный участник

- Сообщения: 2989
- Зарегистрирован: 03 апр 2015, 13:23
- Репутация: 437
- Настоящее имя: Роман
- Откуда: Подольск
- Контактная информация:
Re: Очень нужна помощь с электрикой
До сих пор?CeBuK писал(а): а этого и нет по факту. комп не заземлен
Это сугубо мое мнение, могу и ошибаться...
https://vk.com/rom327
GRBL настройки: http://blogandbux.blogspot.com/2018/07/ ... revod.html
G коды: http://3d-stanki.ru/spravochnik/program ... stankov-2/
https://vk.com/rom327
GRBL настройки: http://blogandbux.blogspot.com/2018/07/ ... revod.html
G коды: http://3d-stanki.ru/spravochnik/program ... stankov-2/
-
CeBuK
- Кандидат
- Сообщения: 50
- Зарегистрирован: 04 мар 2017, 15:08
- Репутация: 0
- Настоящее имя: Святослав
- Контактная информация:
Re: Очень нужна помощь с электрикой
ребят я же не электрик )) приеду попробую заземлить, не думал что это может давать такой эфектRom327 писал(а):До сих пор?
- Serg
- Мастер
- Сообщения: 21923
- Зарегистрирован: 17 апр 2012, 14:58
- Репутация: 5183
- Заслуга: c781c134843e0c1a3de9
- Настоящее имя: Сергей
- Откуда: Москва
- Контактная информация:
Re: Очень нужна помощь с электрикой
Потому что сделано неправильно.CeBuK писал(а):по моим наблюдениям общая земля между частотником и блоком электроники ШД приносит больше вреда, поэтому то я и тянул вторую землю. Если заземлять только блок то становится лучше, если соединить с инвертором - хуже.
Я не Христос, рыбу не раздаю, но могу научить, как сделать удочку...
- Rom327
- Почётный участник

- Сообщения: 2989
- Зарегистрирован: 03 апр 2015, 13:23
- Репутация: 437
- Настоящее имя: Роман
- Откуда: Подольск
- Контактная информация:
Re: Очень нужна помощь с электрикой
Я же тебе давно про это писалCeBuK писал(а):ребят я же не электрик )) приеду попробую заземлить, не думал что это может давать такой эфектRom327 писал(а):До сих пор?
Ну да... чукча не читатель...Rom327 писал(а):#2 Rom327 » 19 май 2017, 23:30
Отсюда вывод: надо заземлять БП, инвертор и корпус станка и системного блока РС.
Это сугубо мое мнение, могу и ошибаться...
https://vk.com/rom327
GRBL настройки: http://blogandbux.blogspot.com/2018/07/ ... revod.html
G коды: http://3d-stanki.ru/spravochnik/program ... stankov-2/
https://vk.com/rom327
GRBL настройки: http://blogandbux.blogspot.com/2018/07/ ... revod.html
G коды: http://3d-stanki.ru/spravochnik/program ... stankov-2/
-
CeBuK
- Кандидат
- Сообщения: 50
- Зарегистрирован: 04 мар 2017, 15:08
- Репутация: 0
- Настоящее имя: Святослав
- Контактная информация:
Re: Очень нужна помощь с электрикой
Земля на корпус компа помогла!!! ))) теперь шд делает шаг при остановке шпинделя. Заказал фильтры на каждую сеть, как установлю отпишусь. Теперь у меня на компе хреновничает жесткий диск, не нравится ему заземление, но с этим я думаю я справлюсь. Всем огромное спасибо за помощь!
- Rom327
- Почётный участник

- Сообщения: 2989
- Зарегистрирован: 03 апр 2015, 13:23
- Репутация: 437
- Настоящее имя: Роман
- Откуда: Подольск
- Контактная информация:
Re: Очень нужна помощь с электрикой
Не используй блок питания компьютера для питания платы опторазвязки! Купи отдельный, они не такие дорогие.CeBuK писал(а):Теперь у меня на компе хреновничает жесткий диск, не нравится ему заземление, но с этим я думаю я справлюсь. Всем огромное спасибо за помощь!
Это сугубо мое мнение, могу и ошибаться...
https://vk.com/rom327
GRBL настройки: http://blogandbux.blogspot.com/2018/07/ ... revod.html
G коды: http://3d-stanki.ru/spravochnik/program ... stankov-2/
https://vk.com/rom327
GRBL настройки: http://blogandbux.blogspot.com/2018/07/ ... revod.html
G коды: http://3d-stanki.ru/spravochnik/program ... stankov-2/
-
Naladchik
- Опытный
- Сообщения: 128
- Зарегистрирован: 26 мар 2017, 15:36
- Репутация: 9
- Настоящее имя: Олег
- Откуда: Москва
- Контактная информация:
Re: Очень нужна помощь с электрикой
А землю то вы нашли ?Rom327 писал(а): Не используй блок питания компьютера для питания платы опторазвязки! Купи отдельный, они не такие дорогие.
-
Naladchik
- Опытный
- Сообщения: 128
- Зарегистрирован: 26 мар 2017, 15:36
- Репутация: 9
- Настоящее имя: Олег
- Откуда: Москва
- Контактная информация:
Re: Очень нужна помощь с электрикой
Отдельный блок питания должен временно помочь.CeBuK писал(а):Земля на корпус компа помогла!!! ))) теперь шд делает шаг при остановке шпинделя. Заказал фильтры на каждую сеть, как установлю отпишусь. Теперь у меня на компе хреновничает жесткий диск, не нравится ему заземление, но с этим я думаю я справлюсь. Всем огромное спасибо за помощь!
Фильтр заглушит только синфазную помеху, если нет земли.
Что такое нет земли?
Это когда между нулём и землёй сопротивление больше 3 (трёх) Ом
или ток больше 10 милиАмпер =0,01 Ампер.
- Rom327
- Почётный участник

- Сообщения: 2989
- Зарегистрирован: 03 апр 2015, 13:23
- Репутация: 437
- Настоящее имя: Роман
- Откуда: Подольск
- Контактная информация:
Re: Очень нужна помощь с электрикой
Вот в чем суть его проблемы: в компьютерных блоках питания минус (черный провод) соединен с корпусом БП. Можно проверить тестером. А на входе БП стоит фильтр из 2-х конденсаторов, средняя точка которых тоже соединена с корпусом БП. Соответственно на корпусе БП относительно нормального заземления (или нормального нуля) присутствует потенциал, равный 1/2 напряжения питания. Для компьютера это не представляет никакой помехи в работе. А вот для платы опторазвязки это черевато, так как по минусу питания кроме -12в поступает еще и переменка 1/2 напряжения сети. Соответственно, если заземлен только стол, а все остальное, что подключено к минусу 12в имеет потенциал, и при соприкасании искрит и при работе помехует из-за наводок на проводе -12в! Поэтому заземление корпуса БП компьютере и решило проблему.Naladchik писал(а): Отдельный блок питания должен временно помочь.
Фильтр заглушит только синфазную помеху, если нет земли.
Что такое нет земли?
Это когда между нулём и землёй сопротивление больше 3 (трёх) Ом
или ток больше 10 милиАмпер =0,01 Ампер.
Это сугубо мое мнение, могу и ошибаться...
https://vk.com/rom327
GRBL настройки: http://blogandbux.blogspot.com/2018/07/ ... revod.html
G коды: http://3d-stanki.ru/spravochnik/program ... stankov-2/
https://vk.com/rom327
GRBL настройки: http://blogandbux.blogspot.com/2018/07/ ... revod.html
G коды: http://3d-stanki.ru/spravochnik/program ... stankov-2/
-
Naladchik
- Опытный
- Сообщения: 128
- Зарегистрирован: 26 мар 2017, 15:36
- Репутация: 9
- Настоящее имя: Олег
- Откуда: Москва
- Контактная информация:
Re: Очень нужна помощь с электрикой
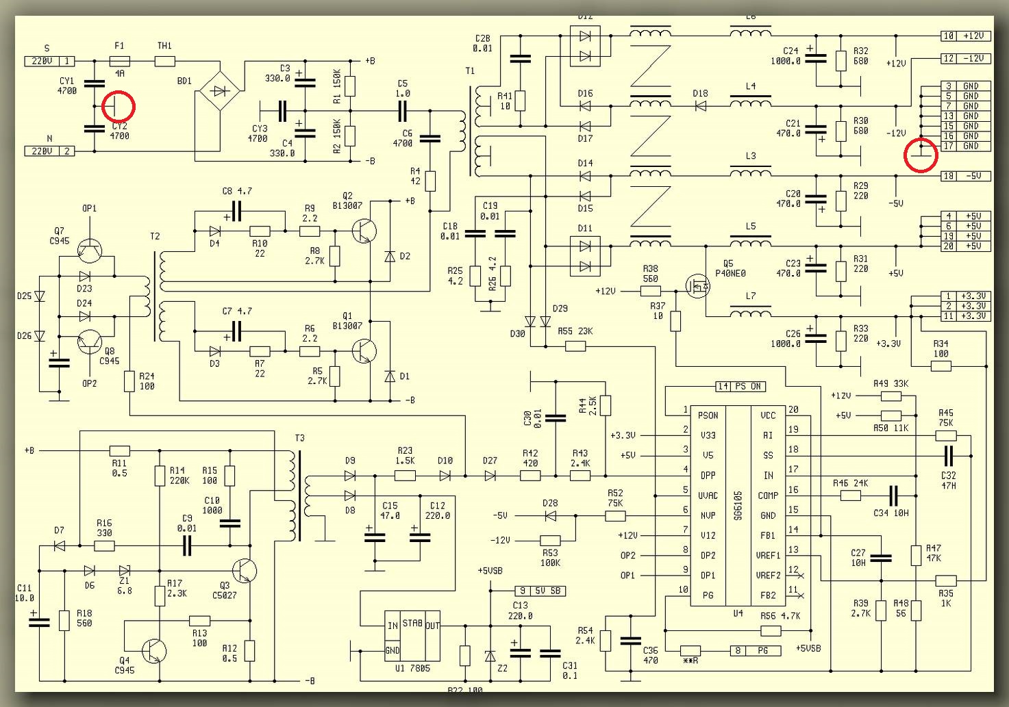
Что-то слабо верится, что товарищи китайцы дошли до такого идиотизма,Rom327 писал(а): суть его проблемы: в компьютерных блоках питания минус (черный провод) соединен с корпусом БП. Можно проверить тестером. А на входе БП стоит фильтр из 2-х конденсаторов, средняя точка которых тоже соединена с корпусом БП. Соответственно на корпусе БП относительно нормального заземления (или нормального нуля) присутствует потенциал, равный 1/2 напряжения питания. Для компьютера это не представляет никакой помехи в работе. А вот для платы опторазвязки это черевато, так как по минусу питания кроме -12в поступает еще и переменка 1/2 напряжения сети. Соответственно, если заземлен только стол, а все остальное, что подключено к минусу 12в имеет потенциал, и при соприкасании искрит и при работе помехует из-за наводок на проводе -12в! Поэтому заземление корпуса БП компьютере и решило проблему.
а именно объединить первичку со вторичкой без всякой развязки.
Т.е. схему и марку БП в студию.
Если осциллограф сунуть открытым входом в точку «черного» провода, то амплитуда 110 переменки провалится в минус на 12 вольт? Я правильно понял?
- Rom327
- Почётный участник

- Сообщения: 2989
- Зарегистрирован: 03 апр 2015, 13:23
- Репутация: 437
- Настоящее имя: Роман
- Откуда: Подольск
- Контактная информация:
Re: Очень нужна помощь с электрикой
Это не идиотизм: положено заземлять - заземляй!Naladchik писал(а):Что-то слабо верится, что товарищи китайцы дошли до такого идиотизма,
а именно объединить первичку со вторичкой без всякой развязки.
Т.е. схему и марку БП в студию.
http://russrem.ru/photos/zaryadnoe-ustr ... -large.jpg
Яндекс в помощь! Можешь пару БП разобрать, посмотреть...
Вот фотки БП внутри. Хорошо видны конденсаторы (голубенькие), подключенные к корпусу БП... И там же сидит минус питания... по тестеру...
https://www.hardwareheaven.com/reviewim ... nside1.jpg
http://article.tech-labs.ru/img/article ... view_6.jpg
Тут еще много таких: https://yandex.ru/images/search?cbir_id ... =imagelike
p.s. Многие телевизоры имеют подобные схемы... https://static12.insales.ru/files/1/563 ... si_BE1.jpg
Последний раз редактировалось Rom327 24 май 2017, 20:46, всего редактировалось 1 раз.
Это сугубо мое мнение, могу и ошибаться...
https://vk.com/rom327
GRBL настройки: http://blogandbux.blogspot.com/2018/07/ ... revod.html
G коды: http://3d-stanki.ru/spravochnik/program ... stankov-2/
https://vk.com/rom327
GRBL настройки: http://blogandbux.blogspot.com/2018/07/ ... revod.html
G коды: http://3d-stanki.ru/spravochnik/program ... stankov-2/
-
Naladchik
- Опытный
- Сообщения: 128
- Зарегистрирован: 26 мар 2017, 15:36
- Репутация: 9
- Настоящее имя: Олег
- Откуда: Москва
- Контактная информация:
Re: Очень нужна помощь с электрикой
В схеме глупости не нашёл.Rom327 писал(а):imagelike
Первичка со вторичкой развязаны, как и положено.
видны конденсаторы (голубенькие) они там уже лет тридцать стоят, во всех блоках питания.
И там же сидит минус питания... по тестеру... относительно чего ?
- Rom327
- Почётный участник

- Сообщения: 2989
- Зарегистрирован: 03 апр 2015, 13:23
- Репутация: 437
- Настоящее имя: Роман
- Откуда: Подольск
- Контактная информация:
Re: Очень нужна помощь с электрикой
Только общий провод один и тот же:Naladchik писал(а): В схеме глупости не нашёл.
Первичка со вторичкой развязаны, как и положено.
Минус питания (любой черный провод) звонится на корпус БП, проверь!Naladchik писал(а): видны конденсаторы (голубенькие) они там уже лет тридцать стоят, во всех блоках питания.
И там же сидит минус питания... по тестеру... относительно чего ?
Это сугубо мое мнение, могу и ошибаться...
https://vk.com/rom327
GRBL настройки: http://blogandbux.blogspot.com/2018/07/ ... revod.html
G коды: http://3d-stanki.ru/spravochnik/program ... stankov-2/
https://vk.com/rom327
GRBL настройки: http://blogandbux.blogspot.com/2018/07/ ... revod.html
G коды: http://3d-stanki.ru/spravochnik/program ... stankov-2/