Лазер 600х900 на роликовых направляющих.
- Сергей Саныч
- Мастер
- Сообщения: 9116
- Зарегистрирован: 30 май 2012, 14:20
- Репутация: 2858
- Откуда: Тюмень
- Контактная информация:
Re: Лазер 600х900 на роликовых направляющих.
Пока цепь катода не разорвана (там же катод вроде на массу идет), напряжение на этих проводах будет ничтожное. Но не дай бог, оторвется клемма от миллиаперметра!
Имеет смысл либо ставить прибор с внешним шунтом, либо ставить защиту непосредственно на выходе БП (хотя бы кремниевый диод в прямом направлении).
Имеет смысл либо ставить прибор с внешним шунтом, либо ставить защиту непосредственно на выходе БП (хотя бы кремниевый диод в прямом направлении).
- Terminator
- Мастер
- Сообщения: 283
- Зарегистрирован: 21 авг 2015, 22:14
- Репутация: 107
- Настоящее имя: Александр
- Контактная информация:
Re: Лазер 600х900 на роликовых направляющих.
Если на БП, то после срабатывания датчика станок продолжит движение по осям, а если к контроллеру, то работа прекратится до устранения неисправности (на моем 708-м так)ultrus писал(а):1. И на контроллере, и на БП лазерной трубки есть клеммы для подключение датчика воды системы охлаждения. Куда лучше прицепить?
Очень удобно, я и компрессор параллельно подключил, не нужно делать лишние телодвижения, автоматика сама всё сделает, но тут есть небольшой недостаток, если нужно вырезать маленькую детальку, то надымит он сильно, а вентилятор возможно не успеет раскрутиться. (я плохо понимаю с английского, но вроде бы есть задержка перед включением лазера, то есть вкл вентилятор-ожидание-вкл лазера, пока не проверял)ultrus писал(а):2. На контроллере есть выход для запуска вытяжного вентилятора, он включается при работающем лазере, удобно ли это? Или лучше сделать ручной выключатель?
Сам его не ставил, так как крышки пока нет) но работая на другом станке иногда открываю крышку, чтобы посмотреть, как оно там режется-гравируется, остановка в этот момент мне не нужна, в общем тут на вкус и цвет.ultrus писал(а):3. Нужен ли концевик: "Работа только при закрытой крышке"? Или к этому входу контроллера подключить кнопку "E-Stop"? И вообще, куда обычно подключают эту кнопку на лазерах?
Этот дисплей скорее всего отображает и силу тока, я бы не ставил миллиамперметр, а только вывел дисплей, так как шунт со всеми соединениями останется в БП и не нужно будет тянуть длинные провода, нужно только посмотреть, как дисплей внутри соединяется (вдруг там шлейф на 7-11 проводов)ultrus писал(а):4. Хочу на переднюю панель поставить миллиамперметр. Какое сечение провода использовать для его подключения к катоду трубки? Длина провода туда-обратно около 3 м.
5. Ставлю БП трубки RECI C12:
- ultrus
- Мастер
- Сообщения: 2039
- Зарегистрирован: 09 апр 2013, 05:42
- Репутация: 1329
- Настоящее имя: Юрий
- Откуда: Воронеж
- Контактная информация:
Re: Лазер 600х900 на роликовых направляющих.
Ты оказался прав, отображает всё:Terminator писал(а):Этот дисплей скорее всего отображает и силу тока, я бы не ставил миллиамперметр, а только вывел дисплей, так как шунт со всеми соединениями останется в БП и не нужно будет тянуть длинные провода, нужно только посмотреть, как дисплей внутри соединяется (вдруг там шлейф на 7-11 проводов)
https://youtu.be/9hNRVjlNdkU
Только шлейф аж в 30 проводов:
Буду пробовать удлиннять.
"Если хочешь сделать что-то хорошо, сделай это сам."
Фердинанд Порше
Фердинанд Порше
-
lexx_l
- Опытный
- Сообщения: 110
- Зарегистрирован: 31 окт 2015, 22:43
- Репутация: 11
- Настоящее имя: Алексей
- Откуда: Днепр
- Контактная информация:
Re: Лазер 600х900 на роликовых направляющих.
Да ничего сложного - купил шлейф и на него вот такие разъемы http://voron.ua/catalog/023892. они просто на шлейф защелкиваются и ничего паять ненужно (один папу и один маму - получится типа переноски). А можно вообще штатный шлейф выкинуть.
- Terminator
- Мастер
- Сообщения: 283
- Зарегистрирован: 21 авг 2015, 22:14
- Репутация: 107
- Настоящее имя: Александр
- Контактная информация:
Re: Лазер 600х900 на роликовых направляющих.
Разъём можно разобрать (а иногда и не поломать при этом), вытащить шлейф и заменить, например, на вот этот: http://fas.st/bMc4gultrus писал(а):Буду пробовать удлиннять.
- ultrus
- Мастер
- Сообщения: 2039
- Зарегистрирован: 09 апр 2013, 05:42
- Репутация: 1329
- Настоящее имя: Юрий
- Откуда: Воронеж
- Контактная информация:
Re: Лазер 600х900 на роликовых направляющих.
Так и сделал. Разобрал и удлиннил.Terminator писал(а):Разъём можно разобрать
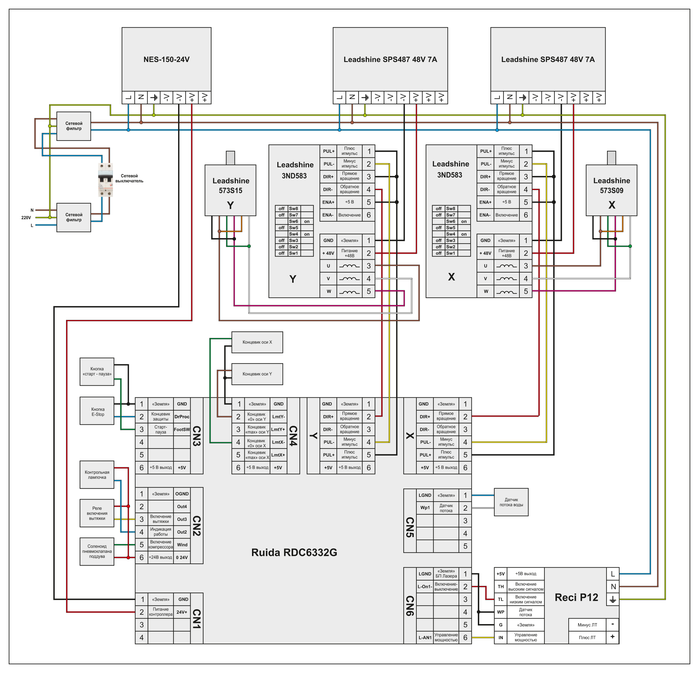
Разобрался с контроллером и нарисовал монтажную схему:
Может, кому пригодится?
Есть вопрос. Сетевые фильтры ставить на 10А или на 20А? В наличии и те, и другие.
"Если хочешь сделать что-то хорошо, сделай это сам."
Фердинанд Порше
Фердинанд Порше
- Terminator
- Мастер
- Сообщения: 283
- Зарегистрирован: 21 авг 2015, 22:14
- Репутация: 107
- Настоящее имя: Александр
- Контактная информация:
Re: Лазер 600х900 на роликовых направляющих.
ultrus, а станок уже запускался? Интересно узнать, как работает аналоговое управление. Читал где-то, что ШИМ для CO2 трубки лучше, никак не найду статью, а тут такая хорошая возможность на практике узнать разницу (у меня-то на 708 только ШИМ сигнал.)
- Zlodey84
- Новичок
- Сообщения: 30
- Зарегистрирован: 11 июл 2016, 13:34
- Репутация: 0
- Откуда: Россия Иркутск, Монголия
- Контактная информация:
Re: Лазер 600х900 на роликовых направляющих.
Ооочень пригодится, так как себе такую-же поставлю. Что в сетевой фильтр будет подключено? Посчитай сколько примерно выйдет ампер, с большим запасом тоже не стоит подключать. А лучше это прочитать http://my-electro.net/electrica-v-kvart ... filtr.htmlultrus писал(а): Может, кому пригодится?
Есть вопрос. Сетевые фильтры ставить на 10А или на 20А? В наличии и те, и другие.
- ultrus
- Мастер
- Сообщения: 2039
- Зарегистрирован: 09 апр 2013, 05:42
- Репутация: 1329
- Настоящее имя: Юрий
- Откуда: Воронеж
- Контактная информация:
Re: Лазер 600х900 на роликовых направляющих.
Не, станок в стадии сборки. Электрику только начал монтировать. Времени не хватает. Основная работа сезонная, по этому летом полный завал.Terminator писал(а):а станок уже запускался?
Управление мощностью к ВВПБ буду подключать через аналоговый вход:
Можно подать на IN и ШИМ сигнал, цитата из мануала на В/В БП:
"ШИМ также может быть подключён через клемму IN, но при этом максимальный импульс сигнала должен быть не более 5В, а частота должна быть не выше 20K.
Если импульс сигнала менее 5В, поверните по часовой стрелке регулятор (переменное сопротивление) для настройки."
Но смысла нет, т.к. в схеме В/В БП есть свой каскад ШИМ, который уже согласован с другими блоками схемы.
Про устройство и принцип работы В/В БП, если интересно, можно почитать здесь: http://elixmate.ru/stati/61-high-voltag ... ser-source
Про конечный результат подключения разных сигналов с платы управления есть частное мнение здесь: http://www.cnc-club.com/forum/viewtopic ... 286#p89472
"Если хочешь сделать что-то хорошо, сделай это сам."
Фердинанд Порше
Фердинанд Порше
- ultrus
- Мастер
- Сообщения: 2039
- Зарегистрирован: 09 апр 2013, 05:42
- Репутация: 1329
- Настоящее имя: Юрий
- Откуда: Воронеж
- Контактная информация:
Re: Лазер 600х900 на роликовых направляющих.
А схему, хоть одним глазком, посмотреть никак? Обязательно нужно спросить? Хорошо отвечу: "ВСЁ".Zlodey84 писал(а):Ооочень пригодится, так как себе такую-же поставлю. Что в сетевой фильтр будет подключено?
Почитать, конечно можно, но я совсем о другом спрашивал.Zlodey84 писал(а):А лучше это прочитать http://my-electro.net/electrica-v-kvart ... filtr.html
"Если хочешь сделать что-то хорошо, сделай это сам."
Фердинанд Порше
Фердинанд Порше
- Zlodey84
- Новичок
- Сообщения: 30
- Зарегистрирован: 11 июл 2016, 13:34
- Репутация: 0
- Откуда: Россия Иркутск, Монголия
- Контактная информация:
Re: Лазер 600х900 на роликовых направляющих.
А схему, хоть одним глазком, посмотреть никак? Обязательно нужно спросить? Хорошо отвечу: "ВСЁ".ultrus писал(а):Zlodey84 писал(а):Ооочень пригодится, так как себе такую-же поставлю. Что в сетевой фильтр будет подключено?
Смотрел схему! Я не спросил, для себя, я спросил сколько у вас выходит в общем оборудование по мощности, от сюда и надо плясать сколько ВАМ ставить АМПЕР
- Zlodey84
- Новичок
- Сообщения: 30
- Зарегистрирован: 11 июл 2016, 13:34
- Репутация: 0
- Откуда: Россия Иркутск, Монголия
- Контактная информация:
Re: Лазер 600х900 на роликовых направляющих.
На блоки питания для двигателей у вас идёт по 7А, но вся мощность у вас будет потребляться от двигателей, на сколько у вас двигателя. И сколько нужно RECI P12, руиду можно не брать в счёт
- Zlodey84
- Новичок
- Сообщения: 30
- Зарегистрирован: 11 июл 2016, 13:34
- Репутация: 0
- Откуда: Россия Иркутск, Монголия
- Контактная информация:
Re: Лазер 600х900 на роликовых направляющих.
Использование сетевого фильтра будет достаточным лишь в случае, если у вас не бывает проблем с перепадами и скачками напряжения, особенно в сторону понижения, свет не мигает, не меняет своей яркости и не отключается. Не стоит покупать дешевый прибор – от него будет больше вреда, чем пользы. Хороший качественный стабилизатор – вещь довольно дорогая. Его покупка будет оправдана на 100 % в случаях, когда: напряжение питания в сети настолько низкое, что бытовые приборы не могут нормально работать. Особенно это актуально для сельских местностей; когда стоимость бытовой техники в три и более раз превышает стоимость самого стабилизатора. В остальных случаях наличие стабилизатора также будет целесообразным для продления срока службы электроприборов и защиты их от возможных неполадок в сети.
- ultrus
- Мастер
- Сообщения: 2039
- Зарегистрирован: 09 апр 2013, 05:42
- Репутация: 1329
- Настоящее имя: Юрий
- Откуда: Воронеж
- Контактная информация:
Re: Лазер 600х900 на роликовых направляющих.
Твой фулд уже задолбал!Zlodey84 писал(а):Использование сетевого фильтра будет достаточным лишь в случае
По моему, я задал конкретный вопрос, какой ставить EMI filter, а не просил пофилосовствовать на эту тему.
"Если хочешь сделать что-то хорошо, сделай это сам."
Фердинанд Порше
Фердинанд Порше
-
def
- Мастер
- Сообщения: 1068
- Зарегистрирован: 28 сен 2015, 14:43
- Репутация: 92
- Настоящее имя: Антон
- Контактная информация:
Re: Лазер 600х900 на роликовых направляющих.
Имхо, ставь 20А. В электронике, особенно силовой, никогда запас не бывает лишнимultrus писал(а):Твой фулд уже задолбал!Zlodey84 писал(а):Использование сетевого фильтра будет достаточным лишь в случае![]()
По моему, я задал конкретный вопрос, какой ставить EMI filter, а не просил пофилосовствовать на эту тему.
Мы строим лазеры!
drago-laser.com
drago-laser.com
-
Draco
- Опытный
- Сообщения: 104
- Зарегистрирован: 07 май 2015, 20:34
- Репутация: 2
- Настоящее имя: Алексей
- Контактная информация:
Re: Лазер 600х900 на роликовых направляющих.
Давно такого бреда не слышал) . Не пользуйтесь больше сайтом с которого это скопировали.Zlodey84 писал(а):Использование сетевого фильтра будет достаточным лишь в случае, если у вас не бывает проблем с перепадами и скачками напряжения, особенно в сторону понижения, свет не мигает, не меняет своей яркости и не отключается. Не стоит покупать дешевый прибор – от него будет больше вреда, чем пользы. Хороший качественный стабилизатор – вещь довольно дорогая. Его покупка будет оправдана на 100 % в случаях, когда: напряжение питания в сети настолько низкое, что бытовые приборы не могут нормально работать. Особенно это актуально для сельских местностей; когда стоимость бытовой техники в три и более раз превышает стоимость самого стабилизатора. В остальных случаях наличие стабилизатора также будет целесообразным для продления срока службы электроприборов и защиты их от возможных неполадок в сети.
- Zlodey84
- Новичок
- Сообщения: 30
- Зарегистрирован: 11 июл 2016, 13:34
- Репутация: 0
- Откуда: Россия Иркутск, Монголия
- Контактная информация:
Re: Лазер 600х900 на роликовых направляющих.
Да хотел помочь, теперь сижу как школьник получивший двойку!!! Извиняюсь. Буду писать что знаю на 5
-
sertix
- Мастер
- Сообщения: 627
- Зарегистрирован: 07 май 2011, 09:06
- Репутация: 138
- Настоящее имя: Сергей
- Контактная информация:
Re: Лазер 600х900 на роликовых направляющих.
Может не надо...Zlodey84 писал(а):Извиняюсь. Буду писать что знаю на 5
- Terminator
- Мастер
- Сообщения: 283
- Зарегистрирован: 21 авг 2015, 22:14
- Репутация: 107
- Настоящее имя: Александр
- Контактная информация:
Re: Лазер 600х900 на роликовых направляющих.
Если ещё не позно, скажу как бы я посчитал: принимаю КПД источников питания за 85%, 2 источника по 48х7 = 672 Вт. + источник 150 Вт. = 822, с учётом КПД - 967 Вт. RECI P12 заявляют для трубы 80 Вт., кпд СО2 лазеров заявляют 20% (из википедии: Их КПД может достигать 20 %), значит необходимая мощность БП будет 400 Вт, а с учётом КПД - 470 Вт. Итого суммируем потребление 967+470= 1437 Вт. По уравнению трасформатора делим на действующее значение напряжения 220 В, получаем 6,53 А. Это максимальный ток, который может возникнуть в цепи, на самом деле он будет ниже, потому что движки не всегда крутятся вместе и не всегда в полную мощность (там ещё надо смотреть на настройки силы тока у драйвера), трубка жгёт не на 100% мощности и тд.ultrus писал(а):Сетевые фильтры ставить на 10А или на 20А?
ЗЫ. за более точным расчётом нужно обратиться к учебнику электротехники
- ultrus
- Мастер
- Сообщения: 2039
- Зарегистрирован: 09 апр 2013, 05:42
- Репутация: 1329
- Настоящее имя: Юрий
- Откуда: Воронеж
- Контактная информация:
Re: Лазер 600х900 на роликовых направляющих.
Большое спасибо за подробный и развёрнутый ответ. Пытался сам посчитать, но не нашёл
То-то я смотрю в большинстве схем лазерных станков стоят 10-ти амперники. Как-то не логично на первый взгляд, если один драйвер ШД аж на 7А.
Буду ставить два CW1B-10A-L, а на станок с 150-й трубой поставлю 20-ти амперники. Кстати, есть 4 лишних 10-ти амперника, пришлось на Али оптом покупать 6 штук.
Если кому нужно, уступлю по демократичной цене.
(или плохо искал)
необходимой информации.То-то я смотрю в большинстве схем лазерных станков стоят 10-ти амперники. Как-то не логично на первый взгляд, если один драйвер ШД аж на 7А.
Буду ставить два CW1B-10A-L, а на станок с 150-й трубой поставлю 20-ти амперники. Кстати, есть 4 лишних 10-ти амперника, пришлось на Али оптом покупать 6 штук.
Если кому нужно, уступлю по демократичной цене.
Но это, наверное, в другом разделе надо публиковать. А можно и в личку...
"Если хочешь сделать что-то хорошо, сделай это сам."
Фердинанд Порше
Фердинанд Порше
