Добрый день. Есть необходимость в усилении привода шагового двигателя. (принтер модернизирую)
Есть привод каретки в котором движение осуществляется двигателем ЕМ-428. Четыре вывода, соответственно как я понимаю дву полярный движок. Питание 36 в.
Стоит задача внедрить в эту систему более мощный двигатель со сторонним питанием. Т.Е как я понимаю, что необходим драйвер управляющие импульсы которого были как раз сигналы которые подаются на ЕМ-428, ну соответственно на выходе более мощный двигатель, с таким же углом поворота. И наверное время поворота на один шаг у них тоже должно быть примерно одинаковым...
Вот как сигналы управляющие взять с 36 вольт - нужно же всего 5 вольт....
Прошу совета.
Необычный драйвер
- artclonic
- Мастер
- Сообщения: 565
- Зарегистрирован: 07 июн 2014, 12:40
- Репутация: 36
- Контактная информация:
Необычный драйвер
Наверстываем... в электронике...
-
nevkon
- Почётный участник

- Сообщения: 2471
- Зарегистрирован: 17 июл 2015, 10:25
- Репутация: 310
- Настоящее имя: Константин
- Откуда: Балаково (Саратовская обл.)
- Контактная информация:
Re: Необычный драйвер
Не проще драйвер заменить?
- artclonic
- Мастер
- Сообщения: 565
- Зарегистрирован: 07 июн 2014, 12:40
- Репутация: 36
- Контактная информация:
Re: Необычный драйвер
Управляющие сигналы формирует контроллер принтера - мне надо только усилить момент. А может быть тупо сопротивлениями снизить напряжения до 5 в и использовать как управляющий сигнал.
Только вот как сопротивление расчитать... сила тока тоже будет снижаться.... Ну а там уже на ULN к примеру....
Только вот как сопротивление расчитать... сила тока тоже будет снижаться.... Ну а там уже на ULN к примеру....
Наверстываем... в электронике...
- balomut
- Почётный участник

- Сообщения: 889
- Зарегистрирован: 06 апр 2015, 10:56
- Репутация: 267
- Настоящее имя: Олег
- Откуда: Поланзбург
- Контактная информация:
Re: Необычный драйвер
а драйвер то какой стоит на плате на этот мотор ?
Каждый сходит с ума так , как ему нравится !
- balomut
- Почётный участник

- Сообщения: 889
- Зарегистрирован: 06 апр 2015, 10:56
- Репутация: 267
- Настоящее имя: Олег
- Откуда: Поланзбург
- Контактная информация:
Re: Необычный драйвер
контроллер принтера с драйверами ?
Каждый сходит с ума так , как ему нравится !
- artclonic
- Мастер
- Сообщения: 565
- Зарегистрирован: 07 июн 2014, 12:40
- Репутация: 36
- Контактная информация:
Re: Необычный драйвер
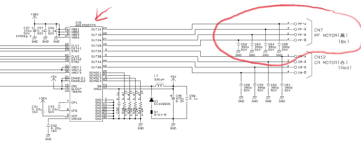
Микросхема в приложенном файле...
Да какая разница..., думаю что там огранечение по току не большое.....
Соответственно более мощьный подцепить нельзя...
Да какая разница..., думаю что там огранечение по току не большое.....
Соответственно более мощьный подцепить нельзя...
Наверстываем... в электронике...
- artclonic
- Мастер
- Сообщения: 565
- Зарегистрирован: 07 июн 2014, 12:40
- Репутация: 36
- Контактная информация:
Re: Необычный драйвер
Говорят, что с микросхемы a6615sed - амплитудно-импульсная двуполярная модуляция.
Причем, вращение ШД проиоисходит не нарасаием импульсов нужной полярности. а наоборот, спадом противоположных импульсов
Причем, вращение ШД проиоисходит не нарасаием импульсов нужной полярности. а наоборот, спадом противоположных импульсов
Наверстываем... в электронике...