Проблемы с выбором оптимального дробления шага и скорости
- Cross
- Опытный
- Сообщения: 166
- Зарегистрирован: 21 июл 2015, 18:29
- Репутация: 4
- Настоящее имя: Артем
- Контактная информация:
Проблемы с выбором оптимального дробления шага и скорости
Добрый вечер! Пока собирается "механика" моего первого станка, решил разобраться с электронной частью. Управляться будет через Mach пока, а там посмотрим. Когда дело дошло до настройки
, столкнулся с проблемой подбора оптимальных параметров для моих комплектующих. Куча вариантов дробления шага и не могу понять какой выбрать... Хотелось бы что бы скорость (ускоренная, на холостых) перемещения стола была как у прародителя - 675 фрезера 900 мм/мин, который я собственно и дорабатываю, понимаю, что по хорошему нужны сервоприводы ватт на 600-800, а не шаговики, но по бедности приходится работать с тем что есть. В общем не могу подобрать оптимальное сочетание Steps per и Velocity для моих моторов. Ставил дробление 1000, 1600, скорость 1000, вроде крутится, но через какое-то время наблюдались своеобразные "тычки", не знаю что это резонанс, пропуски шагов, по звуку и если руку на мотор положить чувствуется. А в мануалах на Mach например написано: мол подбирайте на глаз как хотите, а там миллионы комбинаций... Может хотя бы направите в нужное русло
? Вот такие дрова и такие моторы у меня:
- Cross
- Опытный
- Сообщения: 166
- Зарегистрирован: 21 июл 2015, 18:29
- Репутация: 4
- Настоящее имя: Артем
- Контактная информация:
Re: Проблемы с выбором оптимального дробления шага и скорост
Шаг винта у меня 5 мм
- donvictorio
- Мастер
- Сообщения: 2458
- Зарегистрирован: 11 окт 2012, 16:26
- Репутация: 683
- Настоящее имя: Виктор
- Откуда: Санкт-Петербург
- Контактная информация:
Re: Проблемы с выбором оптимального дробления шага и скорост
так просто - максимальную частоту мача, который он выпустит в порт разделяете на деление шага и 200 и умножаете на 5 мм. получаете максимальную скорость движения оси.
подобрать небольшой запас, чуть меньше частоту мача, граничную скорость тоже поменьше. и будет щастье.
подобрать небольшой запас, чуть меньше частоту мача, граничную скорость тоже поменьше. и будет щастье.
- Predator
- Мастер
- Сообщения: 9583
- Зарегистрирован: 18 июл 2013, 18:26
- Репутация: 2531
- Контактная информация:
Re: Проблемы с выбором оптимального дробления шага и скорост
ПочитайCross писал(а):Добрый вечер! Пока собирается "механика" моего первого станка, решил разобраться с электронной частью. Управляться будет через Mach пока, а там посмотрим. Когда дело дошло до настройки, столкнулся с проблемой подбора оптимальных параметров для моих комплектующих. Куча вариантов дробления шага и не могу понять какой выбрать... Хотелось бы что бы скорость (ускоренная, на холостых) перемещения стола была как у прародителя - 675 фрезера 900 мм/мин, который я собственно и дорабатываю, понимаю, что по хорошему нужны сервоприводы ватт на 600-800, а не шаговики, но по бедности приходится работать с тем что есть. В общем не могу подобрать оптимальное сочетание Steps per и Velocity для моих моторов. Ставил дробление 1000, 1600, скорость 1000, вроде крутится, но через какое-то время наблюдались своеобразные "тычки", не знаю что это резонанс, пропуски шагов, по звуку и если руку на мотор положить чувствуется. А в мануалах на Mach например написано: мол подбирайте на глаз как хотите, а там миллионы комбинаций... Может хотя бы направите в нужное русло
? Вот такие дрова и такие моторы у меня:
http://www.precision-machines.ru/viewtopic.php?f=6&t=96
- Cross
- Опытный
- Сообщения: 166
- Зарегистрирован: 21 июл 2015, 18:29
- Репутация: 4
- Настоящее имя: Артем
- Контактная информация:
Re: Проблемы с выбором оптимального дробления шага и скорост
Допустим Мач выдает 25000 Гц, деление шага у меня на два, тобеж 400 за оборот. Значит 25000 делю на 2 это 12500, потом делю на 200 это 62,5, а потом умножаю на 5 мм, это будет 312,5. Это получается максимальная скорость перемещения по осям которую я могу получить?donvictorio писал(а):так просто - максимальную частоту мача, который он выпустит в порт разделяете на деление шага и 200 и умножаете на 5 мм. получаете максимальную скорость движения оси.
- Cross
- Опытный
- Сообщения: 166
- Зарегистрирован: 21 июл 2015, 18:29
- Репутация: 4
- Настоящее имя: Артем
- Контактная информация:
Re: Проблемы с выбором оптимального дробления шага и скорост
Спасибо! С этим расчетом то все понятно, не понятно как добиться условий прикоторых движок бы у меня не входил в резонанс. Потому как я уж не помню, какую скорость я поставил, но ШД стал крутиться, а потом застопорился и и начал гудеть, а перемещения бежали это я так понимаю и был резонанс? И так же не ясно до какой степени мне делить шаг стоит, у меня на дровах можно ползунки выставить чтоб шаг делился аж на 5 тысяч или что-то типа того... Есть же предел разумный, и как я понимаю для каждой модели шаговика он свой, золотая середина между делением шага и скоростью вращения?Predator писал(а):Почитай
- donvictorio
- Мастер
- Сообщения: 2458
- Зарегистрирован: 11 окт 2012, 16:26
- Репутация: 683
- Настоящее имя: Виктор
- Откуда: Санкт-Петербург
- Контактная информация:
Re: Проблемы с выбором оптимального дробления шага и скорост
у вас получается, что для одного оборота нужно 400 импульсов. мач выдаёт 25000 в секунду. делим на 400 получаем 62,5 об/сек или 3750 об/мин. это 18750 мм/мин в идеальных условиях (без нагрузок на вал двигателя) так как с увеличением оборотов момент существенно падает, рабочие скорости выбираются из диапазона приемлемого диапазона скоростей.Cross писал(а):Допустим Мач выдает 25000 Гц, деление шага у меня на два, тобеж 400 за оборот. Значит 25000 делю на 2 это 12500, потом делю на 200 это 62,5, а потом умножаю на 5 мм, это будет 312,5. Это получается максимальная скорость перемещения по осям которую я могу получить?
к примеру популярный 57HS13

видно, что момент начинает падать от 200 об/мин, а это всего 1м/мин с 5мм шагом.
деление шага практически не влияет на момент.
это не резонанс, а срыв шага, либо большие ускорения, либо слабый ток.Cross писал(а):Потому как я уж не помню, какую скорость я поставил, но ШД стал крутиться, а потом застопорился и и начал гудеть
-
Bakhtin
- Кандидат
- Сообщения: 44
- Зарегистрирован: 02 ноя 2015, 00:20
- Репутация: 10
- Настоящее имя: Владимир Бахтин
- Откуда: Фигейра да Фож, Португалия
- Контактная информация:
Re: Проблемы с выбором оптимального дробления шага и скорост
Сколько вольт на питании драйверов?
- Cross
- Опытный
- Сообщения: 166
- Зарегистрирован: 21 июл 2015, 18:29
- Репутация: 4
- Настоящее имя: Артем
- Контактная информация:
Re: Проблемы с выбором оптимального дробления шага и скорост
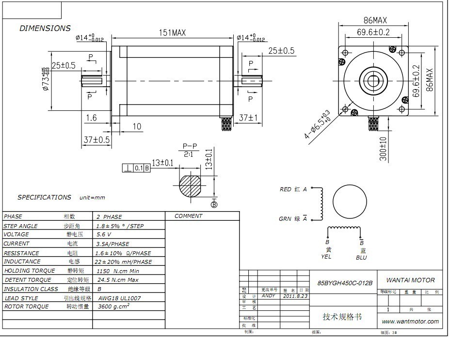
На блоке питания у меня +60V, 5,85А написано. На каждый драйвер по своему блоку питания. Вот кстати картинка по крутящему моменту вроде как от моего движка:Bakhtin писал(а):Сколько вольт на питании драйверов?
- donvictorio
- Мастер
- Сообщения: 2458
- Зарегистрирован: 11 окт 2012, 16:26
- Репутация: 683
- Настоящее имя: Виктор
- Откуда: Санкт-Петербург
- Контактная информация:
Re: Проблемы с выбором оптимального дробления шага и скорост
короче весь смысл в том, что медленно шаговые моторы крутятся хорошо, а быстро не крутятся хорошо.
- michael-yurov
- Почётный участник

- Сообщения: 11731
- Зарегистрирован: 26 июл 2012, 00:10
- Репутация: 4703
- Настоящее имя: Михаил Львович
- Откуда: Новоуральск
- Контактная информация:
Re: Проблемы с выбором оптимального дробления шага и скорост
Картинка непонятна без контекста.Cross писал(а):Вот кстати картинка по крутящему моменту вроде как от моего движка:
При каком напряжении питания проводился тест?
Какое дробление шага? Т.е. PPS - это сколько в оборотах в минуту?
- Cross
- Опытный
- Сообщения: 166
- Зарегистрирован: 21 июл 2015, 18:29
- Репутация: 4
- Настоящее имя: Артем
- Контактная информация:
Re: Проблемы с выбором оптимального дробления шага и скорост
30Vmichael-yurov писал(а):При каком напряжении питания проводился тест?