ultrus писал(а):Ещё лучше использовать профиль 200х100. Фрезерга подтвердит и Японский Женя тоже.
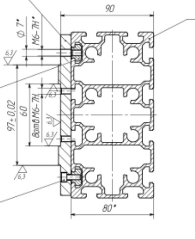
Этот профиль видел. Конечно он крут, разговоров даже нет. Но! Делал запрос в итем. Кусочек такого профиля 0,5м стоит 200 евро. Двести, Карл!!! Очень дорого!
Я тут все таки озаботился моделированием и сравнил мою конструкцию в виде буквы "П" и вот этот профиль:
Re: ЧПУ фрезерный станок Бобр 600x400 мм по дереву и не то #55
Я думал этот профиль хлипенький из-за толщины стенки всего 2,8мм.
Однако, по результатам моделирования (делал три теста на длине 550мм: сила сбоку, сила сверху, кручение), смещения этих двух вариантов абсолютно идентичны!
Следовательно решил сам себе облегчить жизнь и отказаться от П-шки и поставить этот профиль. Вот.
ultrus писал(а):А я, со временем, начинаю подозревать, что форум-то Вы читали плохо!
Экий Вы подозрительный
Уверяю, все этим темы я читал, а на большинство из них еще и подписан. Но в каждом из тех вариантов есть что-то, что мне не очень нравится. Поэтому проектирую свой вариант, с результатами своих домыслов и моделирования. Ссылки не нужны
