Вулкан оригинальный, судя по цене?
Пруток будет 3мм или 1.75мм?


хотелось но не мне .Fisher писал(а):что хотелось

Тоесть на форумах уже стало запрещено раздавать советы? Вы, уважаемый. похоже не туда зашлиbalomut писал(а):А Вы megaxxxxxxx свой станок сначала достройте, а потом советы раздавайте .
Да хоть китайский - экструдер есть то что "давит" что-то через что-то. А хот-энд плавит это что-то, чтоб продавить через что-то. В вашем списке ДВЕ одинаковых вещи имеют разные названия и разные цены - думаю заказчик в курсе хотя-б ЧТО вы заказываете?balomut писал(а):Экструдер (экструдинг-пресс) — машина для формования пластичных материалов, путем придания им формы, при помощи продавливания (экструзии) через профилирующий инструмент (экструзионную головку)
HOT-END — горячий участок этого экструдера только .
А вот подача она и в африке подача и родился я и живу в России и на какие "общепринятая английская терминология" мне насрать ,я вообще немецкий изучал.

Судя по описанию, вулкан вот отсюда: http://mzto.ru/e3d-volcano-hotend/PKM писал(а):Вулкан оригинальный, судя по цене?
Два по 350Вт по цене выйдут в ДВА РАЗА ДЕШЕВЛЕ!!! А если брать китайские - то и в три раза дешевле.balomut писал(а):SE-600-24, Блок питания, 24В,25А,600Вт 1 8000 8000


Я не злорадствую, а пытаюсь указать вам на возможные ошибки и просчёты. И я был-бы совсем не против такой-же критики в моей теме. Для того и созданы форумы - обсуждать проблемы и их решения, указывать на ошибки и прочее-прочее-прочее.balomut писал(а):Я одного не понимаю чего ты так злорадствуешь и пытаешься посчитать где мне можно было съэкономить , я не лезу к тебе в тему с камнями и не пишу я бы я бы да так да так
Я не чего про это не читал , но когда делал (правда H-bot ) у меня сильно перекашивало приходилось делать движение по вbalomut писал(а):Что то я читал как раз в H-bot кинематике она есть а в Core XY её нет .

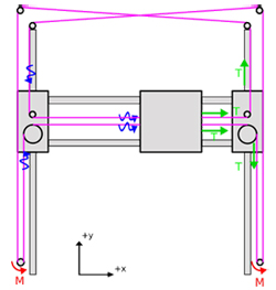
Посмотри на коре внимательно там тоже самое (покажи рисунок твоей кинематики)balomut писал(а):поэтому и ушли от н-вот на соре ху

Две картинки:gendos писал(а):Посмотри на коре внимательно там тоже самое (покажи рисунок твоей кинематики)




