Turbo-cnc4.01 и ШД от двд-привода

Контроллеры, драйверы, датчики, управляющие устройства.
Невский
Новичок
Сообщения: 33
Зарегистрирован: 09 апр 2013, 17:47
Репутация: 0
Откуда: Краснодарский край Ейский район
Контактная информация:

Turbo-cnc4.01 и ШД от двд-привода

Сообщение Невский »

Высмотрел схему с фазовым управлением
Изображение
http://www.rlocman.ru/shem/schematics.html?di=54961
В принципе, от неё и не уходил далеко.
В наличии два ЩД от двд-приводов с шагом шнека 1.7 и 2.0 мм
Изображение
Изображение
Изображение
Драверы полумост при двухполярном питании. На рассыпухе с полевыми транзисторами
___________________962.rar
модульный драйвер(в перспективе)
(10.11 КБ) 295 скачиваний
.

Вопросов пока два.
1) turbo-cnc умеет дробный шаг при включении по схеме выше?
2) интересуют данные по шагам двигателей на фото.
При вскрытии насчитал по 5 полюсов на каждой половине магнитопровода.
Если не гнаться за скоростью, то каким напряжением питать такие двигатели? На сколько ампер рассчитывать БП.

Конструктив на три оси.
Аватара пользователя
Сергей Саныч
Мастер
Сообщения: 9116
Зарегистрирован: 30 май 2012, 14:20
Репутация: 2858
Откуда: Тюмень
Контактная информация:

Re: Turbo-cnc4.01 и ШД от двд-привода

Сообщение Сергей Саныч »

Полушаг можно выдавить. Мельче никак.
А вообще, ставить такие двигатели на станок...
нэ дай бох так оголодать! (с)
Чудес не бывает. Бывают фокусы.
Аватара пользователя
michael-yurov
Почётный участник
Почётный участник
Сообщения: 11731
Зарегистрирован: 26 июл 2012, 00:10
Репутация: 4703
Настоящее имя: Михаил Львович
Откуда: Новоуральск
Контактная информация:

Re: Turbo-cnc4.01 и ШД от двд-привода

Сообщение michael-yurov »

Сергей Саныч писал(а):А вообще, ставить такие двигатели на станок...
нэ дай бох так оголодать! (с)
Ну ты же потом расскажешь нам, как сервошаговые у тебя будут работать? http://www.cnc-club.ru/forum/viewtopic. ... 72#p211172
Аватара пользователя
Сергей Саныч
Мастер
Сообщения: 9116
Зарегистрирован: 30 май 2012, 14:20
Репутация: 2858
Откуда: Тюмень
Контактная информация:

Re: Turbo-cnc4.01 и ШД от двд-привода

Сообщение Сергей Саныч »

michael-yurov писал(а):Ну ты же потом расскажешь нам, как сервошаговые у тебя будут работать?
это на фирму, для себя я бы чего попроще взял :oops:
Но не от сидюков же ШД! От принтеров, сканеров - еще куда ни шло.
Чудес не бывает. Бывают фокусы.
Невский
Новичок
Сообщения: 33
Зарегистрирован: 09 апр 2013, 17:47
Репутация: 0
Откуда: Краснодарский край Ейский район
Контактная информация:

Re: Turbo-cnc4.01 и ШД от двд-привода

Сообщение Невский »

Пошёл взвесил две заготовки, кусок плоского пластика 15 грамм и кусок фольг.текстолита 12 грамм ( но он в поле 50Х50 не помещается), кусок стекла 18 грамм
Лазерная голова весит 32 грамма.
Мне нужны движки от принтера?
Какой мощности нужны двигатели, чтоб по заготовке повозюкать лазером или подвинуть заготовку под сверло?
Аватара пользователя
Сергей Саныч
Мастер
Сообщения: 9116
Зарегистрирован: 30 май 2012, 14:20
Репутация: 2858
Откуда: Тюмень
Контактная информация:

Re: Turbo-cnc4.01 и ШД от двд-привода

Сообщение Сергей Саныч »

Невский писал(а):Какой мощности нужны двигатели, чтоб по заготовке повозюкать лазером или подвинуть заготовку под сверло?
Так скажем, достаточного момента, чтобы хотя бы преодолеть трение в направляющих.
Но вы попробуйте, потом нам расскажете.
По напряжению: драйверы в ДВД скорее всего питаются 12 вольтами.
На всякий случай померяйте сопротивление обмоток двигателя.
По числу шагов: подайте на одну из обмоток небольшое напряжение (вольта полтора, от батарейки) и, вращая вал рукой, посчитайте число "задержек" на оборот. Число шагов будет больше в 4 раза, полушагов - соответственно, в восемь.
Чудес не бывает. Бывают фокусы.
Невский
Новичок
Сообщения: 33
Зарегистрирован: 09 апр 2013, 17:47
Репутация: 0
Откуда: Краснодарский край Ейский район
Контактная информация:

Re: Turbo-cnc4.01 и ШД от двд-привода

Сообщение Невский »

Спасибо. Шаги посчитаю.
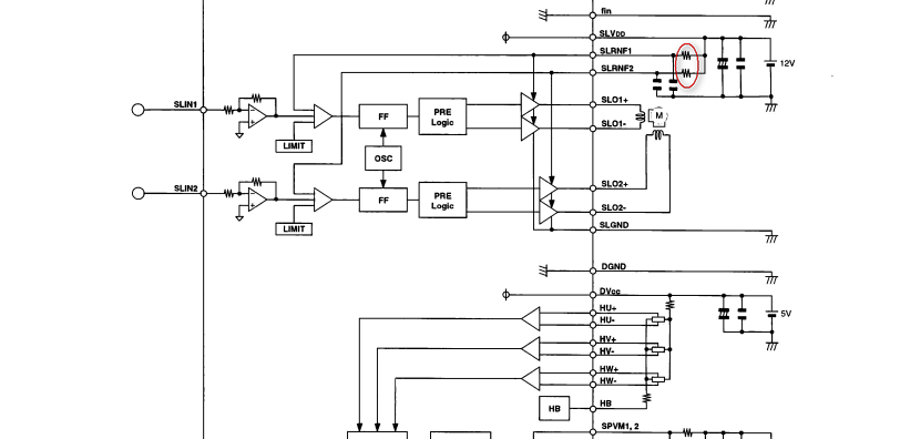
Их драйвер питается 12 вольтами. Если судить по похожему драйверу
дрвшд.jpg (2018 просмотров) <a class='original' href='./download/file.php?id=55630&mode=view' target=_blank>Загрузить оригинал (67.21 КБ)</a>

Найти и померить два сопротивления по питанию( в красном)
Невский
Новичок
Сообщения: 33
Зарегистрирован: 09 апр 2013, 17:47
Репутация: 0
Откуда: Краснодарский край Ейский район
Контактная информация:

Re: Turbo-cnc4.01 и ШД от двд-привода

Сообщение Невский »

Сергей Саныч писал(а):По числу шагов: подайте на одну из обмоток небольшое напряжение (вольта полтора, от батарейки) и, вращая вал рукой, посчитайте число "задержек" на оборот. Число шагов будет больше в 4 раза, полушагов - соответственно, в восемь.
По пять устойчивых положений на каждом. значит по 20 шагов.
Ответить

Вернуться в «Электроника»