Подскажите по элетронике

Контроллеры, драйверы, датчики, управляющие устройства.
shurikss123
Новичок
Сообщения: 24
Зарегистрирован: 06 апр 2011, 19:29
Репутация: 0
Контактная информация:

Re: Подскажите по элетронике

Сообщение shurikss123 »

Пока к компу не циплял, как раз по причине опто развязки, а так кнопочками погонял двигло, http://youtu.be/-ZlkvsteEgM
Аватара пользователя
Rafiq
Мастер
Сообщения: 1053
Зарегистрирован: 28 сен 2012, 18:11
Репутация: 6
Откуда: Tatarstan Respublikası, Yar Çallı şəhəre
Контактная информация:

Re: Подскажите по элетронике

Сообщение Rafiq »

Я так прикинул, на МК делать дороже, чем на TB6560. Слишком много обвеса надо для силовых цепей. Разве только для интереса.
shurikss123
Новичок
Сообщения: 24
Зарегистрирован: 06 апр 2011, 19:29
Репутация: 0
Контактная информация:

Re: Подскажите по элетронике

Сообщение shurikss123 »

дороже, это кагда покупать надо, а когда оно есть и лежит без дела, то нормально, все есть и досталось на халяву.
Аватара пользователя
Rafiq
Мастер
Сообщения: 1053
Зарегистрирован: 28 сен 2012, 18:11
Репутация: 6
Откуда: Tatarstan Respublikası, Yar Çallı şəhəre
Контактная информация:

Re: Подскажите по элетронике

Сообщение Rafiq »

Ну тогда другое дело. Но будет ли это лучше? Как правило, специализированные микросхемы оказываются лучше микрух общего назначения, иначе их просто не выпускали бы :) Eще вопрос, как на МК реализовать микрошаг? :)

И как собираешься делать - на каждую ось свой МК или все три (или четыре) на один проц завяжешь?
shurikss123
Новичок
Сообщения: 24
Зарегистрирован: 06 апр 2011, 19:29
Репутация: 0
Контактная информация:

Re: Подскажите по элетронике

Сообщение shurikss123 »

Ну на atmega16 можно и четыре оси задействовать не проблема (du -h), насчет микро-шага пока не думал, что он из себя предстовляет.
Аватара пользователя
Rafiq
Мастер
Сообщения: 1053
Зарегистрирован: 28 сен 2012, 18:11
Репутация: 6
Откуда: Tatarstan Respublikası, Yar Çallı şəhəre
Контактная информация:

Re: Подскажите по элетронике

Сообщение Rafiq »

http://www.kosmodrom.com.ua/data/cncste ... 560AHQ.pdf
См. стр. 13, 14. Хотя можно сделать на ЦАПах, лишь бы хватило быстродейтвия, и сколько их в Меге 16? Просто не юзал ее никогда, поэтому и даташитом не интересовался. Но надо учитывать, что такую форму должен иметь ток, а не напряжение, так что нюансов дофига.
shurikss123
Новичок
Сообщения: 24
Зарегистрирован: 06 апр 2011, 19:29
Репутация: 0
Контактная информация:

Re: Подскажите по элетронике

Сообщение shurikss123 »

немного не вкурил я что в этом даташите. мне надо на пальцах объяснять. микро шаг это переход на другую обмотку или???
Аватара пользователя
Rafiq
Мастер
Сообщения: 1053
Зарегистрирован: 28 сен 2012, 18:11
Репутация: 6
Откуда: Tatarstan Respublikası, Yar Çallı şəhəre
Контактная информация:

Re: Подскажите по элетронике

Сообщение Rafiq »

Из Вики:
Режим дробления шага (микрошаг) реализуется при независимом управлении током обмоток шагового электродвигателя. Управляя соотношением токов в обмотках можно зафиксировать ротор в промежуточном положении между шагами. Таким образом можно повысить плавность вращения ротора и добиться высокой точности позиционирования. Качество изготовления современных шаговых двигателей позволяет повысить точность позиционирования в 10-20 раз.
А поскольку соотношение токов должно меняться "плавно", то это уже аналоговый сигнал (точнее, цифровой, но уже не бинарный)
2cme
Почётный участник
Почётный участник
Сообщения: 1043
Зарегистрирован: 24 янв 2012, 13:18
Репутация: -209

Re: Подскажите по элетронике

Сообщение 2cme »

shurikss123 писал(а):Пока к компу не циплял, как раз по причине опто развязки, а так кнопочками погонял двигло, http://youtu.be/-ZlkvsteEgM
(;
Аватара пользователя
Rafiq
Мастер
Сообщения: 1053
Зарегистрирован: 28 сен 2012, 18:11
Репутация: 6
Откуда: Tatarstan Respublikası, Yar Çallı şəhəre
Контактная информация:

Re: Подскажите по элетронике

Сообщение Rafiq »

Rafiq писал(а): Да, еще момент, shurikss123, перед тем как цеплять к компу, комп должен быть опторазвязан от станка быстрыми оптронами, например 6N137. Иначе будут помехи, и даже могут возникнуть зрелищные пиротехнические эффекты.
Тьфу ты блин, что то я торможу :D это же не отдельные драйверы, а готовый контроллер, там уже есть опторазвязка
shurikss123
Новичок
Сообщения: 24
Зарегистрирован: 06 апр 2011, 19:29
Репутация: 0
Контактная информация:

Re: Подскажите по элетронике

Сообщение shurikss123 »

Rafiq писал(а):Тьфу ты блин, что то я торможу :D это же не отдельные драйверы, а готовый контроллер, там уже есть опторазвязка
ну контролер не помешает защитить
Аватара пользователя
Rafiq
Мастер
Сообщения: 1053
Зарегистрирован: 28 сен 2012, 18:11
Репутация: 6
Откуда: Tatarstan Respublikası, Yar Çallı şəhəre
Контактная информация:

Re: Подскажите по элетронике

Сообщение Rafiq »

Это комп надо защищать от силовых цепей (т.е. от драйвера), а не наоборот, но эта развязка там уже есть.
rustech
Мастер
Сообщения: 451
Зарегистрирован: 24 сен 2012, 07:17
Репутация: -40
Контактная информация:

Re: Подскажите по элетронике

Сообщение rustech »

А вот не подскажите что это за драйвер такой http://www.suntekstore.com/goods-140025 ... odule.html есть три штуки, куда их можно приспособить?)
umpelev69
Новичок
Сообщения: 14
Зарегистрирован: 25 янв 2014, 19:49
Репутация: 1
Контактная информация:

Re: Подскажите по элетронике

Сообщение umpelev69 »

UR3VCD1.zip
первый вариант контроллера
(809.36 КБ) 352 скачивания
Собираюсь построить станок конструкция отсюда http://radiokot.ru/lab/hardwork/33/
двигатели Шаговый двигатель Nema 23 HS 5602
шаговый двигатель (2 обмотки, 6 выводов). Размер 57ммх57мм


Шаг, гр : 1,8
Длина, мм : 51
Диаметр вала: 6.35мм
Ток, А : 0,8
Сопротивление фазы, ом : 6,8
Индуктивность, mH : 9,2
Момент удержания кг*см : 6,2
Кол-во выводов : 6
Вес, гр. : 590
или такой Шаговый двигатель NEMA17 8401
Модель: NEMA17
диаметр вала 5мм
Размер: 42x42x48mm
Момент удержания: 4,8 кг*см
Кол-во проводов: 4
Угол шага: 1,8
Тип: Гибридный
Ток: 1,8 А
umpelev69
Новичок
Сообщения: 14
Зарегистрирован: 25 янв 2014, 19:49
Репутация: 1
Контактная информация:

Re: Подскажите по элетронике

Сообщение umpelev69 »

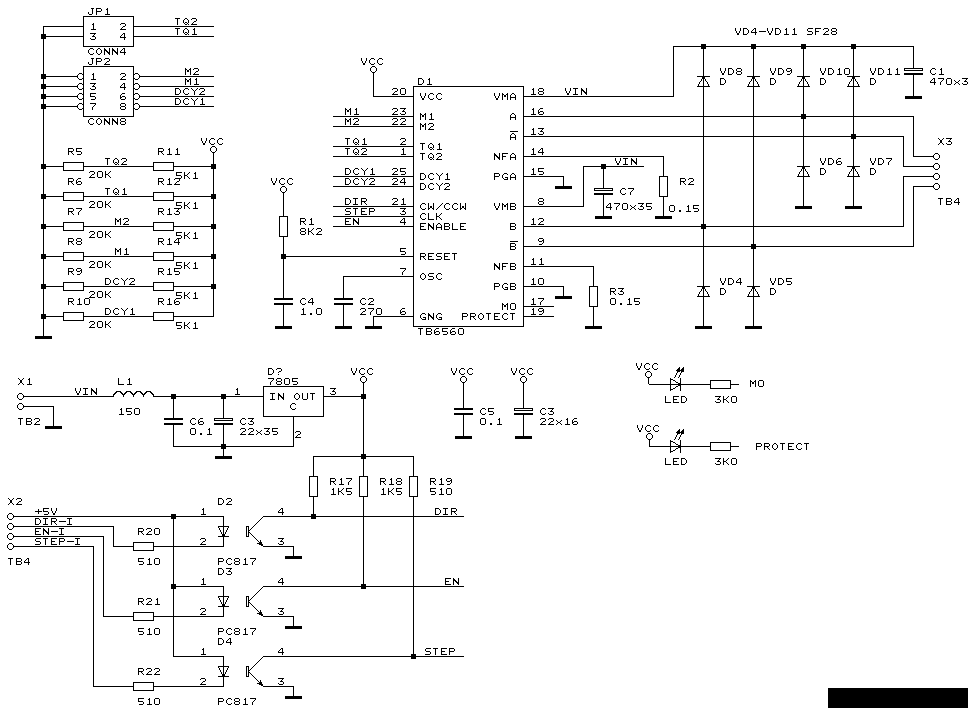
и второй вариант контроллера на сайте http://duxe.ru/product_info.php?cPath=3 ... cts_id=400 она по 190 рублей
микросхема TOSHIBA TB6560AHQ 190 руб.
Там-же буду заказывать шаговые двигатели
Вложения
Контроллер шагового двигателя TB6560AHQ.rar
второй вариант
(1.97 МБ) 389 скачиваний
Последний раз редактировалось umpelev69 02 фев 2014, 07:53, всего редактировалось 1 раз.
Аватара пользователя
michael-yurov
Почётный участник
Почётный участник
Сообщения: 11730
Зарегистрирован: 26 июл 2012, 00:10
Репутация: 4703
Настоящее имя: Михаил Львович
Откуда: Новоуральск
Контактная информация:

Re: Подскажите по элетронике

Сообщение michael-yurov »

Чтобы не получилось как в прошлый раз:
umpelev69 писал(а):так я понял никто не хочет отвечать
Стоит как минимум задать вопрос.
umpelev69
Новичок
Сообщения: 14
Зарегистрирован: 25 янв 2014, 19:49
Репутация: 1
Контактная информация:

Re: Подскажите по элетронике

Сообщение umpelev69 »

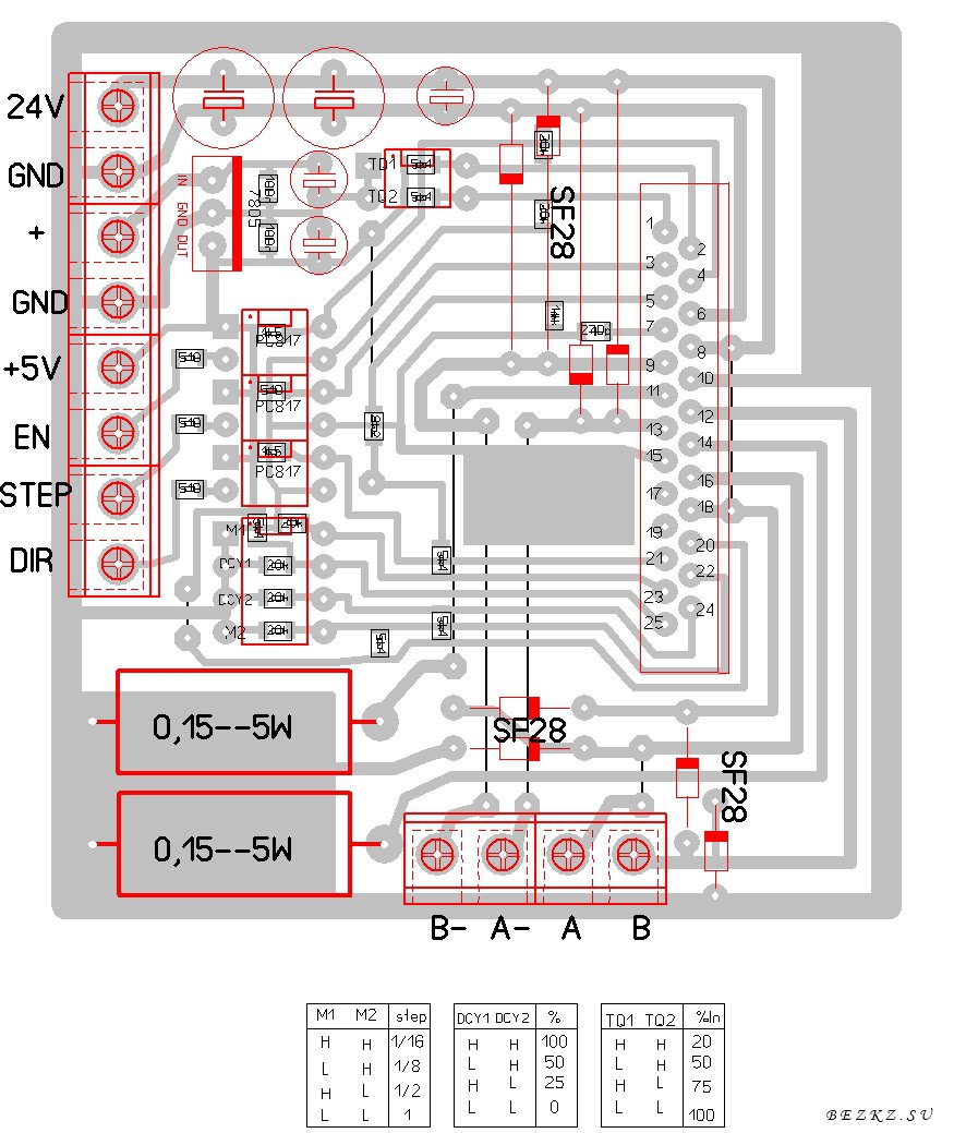
плата контороллра (2526 просмотров) <a class='original' href='./download/file.php?id=24249&mode=view' target=_blank>Загрузить оригинал (186.46 КБ)</a>
плата контороллра
схема контроллера (2526 просмотров) <a class='original' href='./download/file.php?id=24250&mode=view' target=_blank>Загрузить оригинал (15.9 КБ)</a>
схема контроллера
схема контроллера (2526 просмотров) <a class='original' href='./download/file.php?id=24250&mode=view' target=_blank>Загрузить оригинал (15.9 КБ)</a>
схема контроллера
плата контороллра (2526 просмотров) <a class='original' href='./download/file.php?id=24249&mode=view' target=_blank>Загрузить оригинал (186.46 КБ)</a>
плата контороллра
плата контороллра (2526 просмотров) <a class='original' href='./download/file.php?id=24249&mode=view' target=_blank>Загрузить оригинал (186.46 КБ)</a>
плата контороллра
michael-yurov этот вопрос я задавал в теме про чпу из мдф хотя бы объяснили что он по ходовой собирается на ремнях
потому что инструкция без перевода.
Далее по теме первый контроллер без опто развязки (что явно плохо как я читал форумах) на типовом драйвере L297+L298 , буду делать опто развязку от рс второй драйвер на TOSHIBA TB6560AHQ ребята сами разводили плату статью я выложу во вложении, станок мне нужен для сверлении печатных плат а так же в них фрезеровании отверстий и изготовлении лицевых панелей для моих изделий посмотрите файл контроллера на TOSHIBA TB6560AHQ как с платой ее можно делать?
по конструктиву станка ходовые винты шпилька М6 или М8 ещё не решил скорее М6 на подшипниках, направляющие пока мебельные на рельсы переставлю позже когда будут деньги. Ведь как я понял из схемы собрать её будет стоить копейки
Аватара пользователя
sergey27rus
Почётный участник
Почётный участник
Сообщения: 1146
Зарегистрирован: 15 авг 2013, 07:22
Репутация: 730
Настоящее имя: Сергей
Откуда: Хабаровск Дальний Восток РФ
Контактная информация:

Re: Подскажите по элетронике

Сообщение sergey27rus »

umpelev69 писал(а):по конструктиву станка ходовые винты шпилька М6 или М8 ещё не решил скорее М6 на подшипниках, направляющие пока мебельные на рельсы переставлю позже когда будут деньги.
Лучше не переставлять, а делать новый.
umpelev69 писал(а):Ведь как я понял из схемы собрать её будет стоить копейки
Если правильно и без ошибок собрать то заработает, оптроны лучше ставить побыстрее. например 6N137 (у меня на одиночных драйверах стоят) проблем пока не замечено.
umpelev69
Новичок
Сообщения: 14
Зарегистрирован: 25 янв 2014, 19:49
Репутация: 1
Контактная информация:

Re: Подскажите по элетронике

Сообщение umpelev69 »

sergey27rus спасибо большое, а схему и плату проверяли , правильная? да формирователь сигнала от LPT будет из этой схемы.
или можно на прямую?
Вложения
схема (2521 просмотр) <a class='original' href='./download/file.php?id=24251&mode=view' target=_blank>Загрузить оригинал (127.93 КБ)</a>
схема
Аватара пользователя
michael-yurov
Почётный участник
Почётный участник
Сообщения: 11730
Зарегистрирован: 26 июл 2012, 00:10
Репутация: 4703
Настоящее имя: Михаил Львович
Откуда: Новоуральск
Контактная информация:

Re: Подскажите по элетронике

Сообщение michael-yurov »

umpelev69 писал(а):первый контроллер без опто развязки (что явно плохо как я читал форумах) на типовом драйвере L297+L298 , буду делать опто развязку от рс
Лучше сделать, иначе при включении/выключении электрочайника / пылесоса / холодильника будут сбои в работе.
umpelev69 писал(а):второй драйвер на TOSHIBA TB6560AHQ ребята сами разводили плату статью я выложу во вложении
Почитайте вот здесь про эту плату: http://cnc-club.ru/forum/viewtopic.php?f=41&t=3950
umpelev69 писал(а):посмотрите файл контроллера на TOSHIBA TB6560AHQ как с платой ее можно делать?
Вопрос не понял.
umpelev69 писал(а):да формирователь сигнала от LPT будет из этой схемы. или можно на прямую?
Это не формирователь, это примитивный многоканальный драйвер. Аналог того, что у вас в схеме на L297+L298, только работать будет намного хуже.
umpelev69 писал(а):Ведь как я понял из схемы собрать её будет стоить копейки
Если TB6560 устраивает по качеству работы, то проще купить готовые драйверы, т.к. микросхема очень капризная и малейшая ошибка при сборке и подключении убьет микросхему.
Спросите у sergey27rus, у него были готовые драйверы на TB6560, возможно - продаст вам, и скорее всего это будет дешевле, чем изготавливать самому.
Ответить

Вернуться в «Электроника»