LinuxCNC + Orange Pi (allwincnc)
-
гражданинъ
- Мастер
- Сообщения: 1303
- Зарегистрирован: 07 фев 2020, 21:00
- Репутация: 170
- Настоящее имя: Дмитрий
- Контактная информация:
Re: LinuxCNC + Orange Pi
Тут я согласен ,главное что б не пропали совсем!
Гражданином Непала может быть любой гражданин,зачатый НЕпалкой и НЕпальцем.
- MX_Master
- Мастер
- Сообщения: 7490
- Зарегистрирован: 27 июн 2015, 19:45
- Репутация: 3113
- Настоящее имя: Михаил
- Откуда: Алматы
- Контактная информация:
Re: LinuxCNC + Orange Pi
Тут всё как с материнками с LPT. Если актуальность железа и спрос упадут, то производить больше не будут. Но это всё не существенно. Самый стабильный (во времени) вариант, когда все счётчико-генераторы находятся во внешних МК. ПК (и мини ПК) общего назначения должны заниматься только расчётами и графикой. Телебонькать пины лучше более простыми МК. Хотя цены на них выросли гораздо больше, чем на H3/H5/H6/ подобные.
-
mocia
- Новичок
- Сообщения: 18
- Зарегистрирован: 13 фев 2017, 11:29
- Репутация: 0
- Настоящее имя: Maxim
- Контактная информация:
Re: LinuxCNC + Orange Pi
Классный проект, только как сходу начать ну совершенно непонятно и запутанно. Нуб в линуксе.
Читаю https://orangecnc.gitlab.io/quick-start.html и делаю по пунктам. Напишу ошибки свои, считаю что надо в мануале описать.
Прочитал что надо вкатить армбиан на флешку. Пошел на сайт, скачал последний для Pi PC. Накатил. Сделал пользователя.
...дальше консоли не поехало. Т.к. нуб, с час допирал что это версия без интерфейса, - нигде не написано что надо качать десктопную версию внизу страницы. Поставил.
Дальше зашел в терминал армбиановский и начал сливать с гитлаб.ком инсталлер, слилось вроде но с обрывами связи - несколько раз перезапускал скачку. Попытался поставить - не потавилось, полезли какие-то фейлы... Начал искать в чем может быть причина.
Обнаружил в этой ветке что на последних версиях армбиана может не работать и качать надо https://armbian.hosthatch.com/archive/o ... desktop.7z эту версию, сижу качаю... И думаю а не виноватала ли сд-карта на 64 гб или может ее форматирование в ex-fat.
еще вопрос можно ли с гитлаба инсталлер выкачать и положить на флешку а потом ее в оранжпи открывать чтобы не качать каждый раз после перестановки системы?
...с линуксом всегда так сложно и неясно?
Читаю https://orangecnc.gitlab.io/quick-start.html и делаю по пунктам. Напишу ошибки свои, считаю что надо в мануале описать.
Прочитал что надо вкатить армбиан на флешку. Пошел на сайт, скачал последний для Pi PC. Накатил. Сделал пользователя.
...дальше консоли не поехало. Т.к. нуб, с час допирал что это версия без интерфейса, - нигде не написано что надо качать десктопную версию внизу страницы. Поставил.
Дальше зашел в терминал армбиановский и начал сливать с гитлаб.ком инсталлер, слилось вроде но с обрывами связи - несколько раз перезапускал скачку. Попытался поставить - не потавилось, полезли какие-то фейлы... Начал искать в чем может быть причина.
Обнаружил в этой ветке что на последних версиях армбиана может не работать и качать надо https://armbian.hosthatch.com/archive/o ... desktop.7z эту версию, сижу качаю... И думаю а не виноватала ли сд-карта на 64 гб или может ее форматирование в ex-fat.
еще вопрос можно ли с гитлаба инсталлер выкачать и положить на флешку а потом ее в оранжпи открывать чтобы не качать каждый раз после перестановки системы?
...с линуксом всегда так сложно и неясно?
-
mocia
- Новичок
- Сообщения: 18
- Зарегистрирован: 13 фев 2017, 11:29
- Репутация: 0
- Настоящее имя: Maxim
- Контактная информация:
Re: LinuxCNC + Orange Pi
...выкачал с гитлаба папку инсталлер. положил на флешку, сунул в оранжпи, стянул в админ, щелкнул на installer.sh надеясь что оно установит программу, ан нет) открылся редатор кода какой-то, понял что надо исполнить его, нажал EXECUTE. ругнулось на отсутствие разрешения запуска файлов, выставил им разрешение в пропертис. еще раз экзекут, и вроде пошло, спросило пару раз чет и опять ругнулось на какое-то разрешение, выдало ошибку и опять неудача ((
...но теперь я понял что эта версия прошивки для PI PC а не PI PC + и здесь нет вайфая, хорошая песня, начинай сначала)
так долго все устанавливается, читал что если систему перенести в emmc оранжа то скорость в несколько раз выше будет, имеет смысл?
...но теперь я понял что эта версия прошивки для PI PC а не PI PC + и здесь нет вайфая, хорошая песня, начинай сначала)
так долго все устанавливается, читал что если систему перенести в emmc оранжа то скорость в несколько раз выше будет, имеет смысл?
-
гражданинъ
- Мастер
- Сообщения: 1303
- Зарегистрирован: 07 фев 2020, 21:00
- Репутация: 170
- Настоящее имя: Дмитрий
- Контактная информация:
Re: LinuxCNC + Orange Pi
Сейчас лучше сделать паузу ,автор что то переделывает .А что значит долго ? Кроме скачать . На флэшку за минуты две ложится и установка минут 10 -15 ,у меня .

Да,только чаще
Гражданином Непала может быть любой гражданин,зачатый НЕпалкой и НЕпальцем.
- MX_Master
- Мастер
- Сообщения: 7490
- Зарегистрирован: 27 июн 2015, 19:45
- Репутация: 3113
- Настоящее имя: Михаил
- Откуда: Алматы
- Контактная информация:
Re: LinuxCNC + Orange Pi
для всех ожидающих - процесс идёт 
ЗЫ Десяток раз переписывал пульсо-генератор сопроцессора и драйвер. Хочу сделать очень плавную смену частот с учётом позиции и прыжков длины серво периода. А это не так просто, как казалось ранее
- Serg
- Мастер
- Сообщения: 21923
- Зарегистрирован: 17 апр 2012, 14:58
- Репутация: 5183
- Заслуга: c781c134843e0c1a3de9
- Настоящее имя: Сергей
- Откуда: Москва
- Контактная информация:
Re: LinuxCNC + Orange Pi
Да, это не "гонка" за получениим максимальной частоты равномерной генерации шагов...
А чтоб сделать правильные разгон и торможение вообще придётся прилично так математику вспомнить...
Я не Христос, рыбу не раздаю, но могу научить, как сделать удочку...
-
mocia
- Новичок
- Сообщения: 18
- Зарегистрирован: 13 фев 2017, 11:29
- Репутация: 0
- Настоящее имя: Maxim
- Контактная информация:
Re: LinuxCNC + Orange Pi
У меня система с карты долго грузится, минут 5-7, карта 10 класса. Первый запуск понятно дольше обычного но у меня и дальше медленно. Хотя родной андроид на ней с еммс секунд за 30.
Может сделать какие-то релиз версии, например для https://armbian.hosthatch.com/archive/o ... desktop.7z версия оранжцнц номер такой-то, что вот на ней будет стабильно пахать. Чтобы знать что качать.
Может сделать какие-то релиз версии, например для https://armbian.hosthatch.com/archive/o ... desktop.7z версия оранжцнц номер такой-то, что вот на ней будет стабильно пахать. Чтобы знать что качать.
-
mocia
- Новичок
- Сообщения: 18
- Зарегистрирован: 13 фев 2017, 11:29
- Репутация: 0
- Настоящее имя: Maxim
- Контактная информация:
Re: LinuxCNC + Orange Pi
Скачал Armbian_20.02.1_Orangepipcplus_buster_current_5.4.20_desktop, т.к. у меня такая плата, поставил на оранжпи. тупит атас. попробовал скинуть на еммс с помощью команды: sudo nand-sata-install и о чудо) залетало, загрузка занимает теперь 30 сек.
далее и скачка с гитлаб пошла раз в 10 быстрее, слилось поставилось, на экране появились конфиги 3A_gpio ... и так далее. перезагрузился на всякий. щелкаю по любому из них - вылазит ругательное сообщение: Failed to run "3A_gpio.desktop" Failed to execute child process "linuxcnc"(no such file or directory). Нашел лог и там написано что не удалось установить linuxcnc какой-то файл... остальное норм встало.
ошибка при установке ./linuxcnc/linuxcnc-uspace_2.7.15_armhf.deb Как поправить? Хелп)
далее и скачка с гитлаб пошла раз в 10 быстрее, слилось поставилось, на экране появились конфиги 3A_gpio ... и так далее. перезагрузился на всякий. щелкаю по любому из них - вылазит ругательное сообщение: Failed to run "3A_gpio.desktop" Failed to execute child process "linuxcnc"(no such file or directory). Нашел лог и там написано что не удалось установить linuxcnc какой-то файл... остальное норм встало.
ошибка при установке ./linuxcnc/linuxcnc-uspace_2.7.15_armhf.deb Как поправить? Хелп)
- MX_Master
- Мастер
- Сообщения: 7490
- Зарегистрирован: 27 июн 2015, 19:45
- Репутация: 3113
- Настоящее имя: Михаил
- Откуда: Алматы
- Контактная информация:
Re: LinuxCNC + Orange Pi
Давать советы по установке устаревшей системы я пока не буду. Дождитесь нового рабочего варианта.
Вощем, я уже и буфер с серво-периодом в генераторе попробовал, и другие варианты. Пока идеального не нашёл. Ещё немного помыкаюсь и, возможно, что-то придумается.
Я уже давно понял, что городить ещё один мини планировщик в драйвере и генераторе не стоит. С расчётом ускорений и скоростей прекрасно справляется сам планировщик. Главное, выполнять точно и в срок его задания. И непорядок у меня как раз с выполнением заданий планировщика. Он ведь всё рассчитывает для ровных значений периода, а функции драйвера стартуют хаотично (+/-100мкс).
Вощем, я уже и буфер с серво-периодом в генераторе попробовал, и другие варианты. Пока идеального не нашёл. Ещё немного помыкаюсь и, возможно, что-то придумается.
- Serg
- Мастер
- Сообщения: 21923
- Зарегистрирован: 17 апр 2012, 14:58
- Репутация: 5183
- Заслуга: c781c134843e0c1a3de9
- Настоящее имя: Сергей
- Откуда: Москва
- Контактная информация:
Re: LinuxCNC + Orange Pi
Стартуют или их так "запускают"?..
Я не Христос, рыбу не раздаю, но могу научить, как сделать удочку...
-
mocia
- Новичок
- Сообщения: 18
- Зарегистрирован: 13 фев 2017, 11:29
- Репутация: 0
- Настоящее имя: Maxim
- Контактная информация:
Re: LinuxCNC + Orange Pi
С нетерпением жду) очень интересно линуксцнц на оранжжпи потестить)
- MX_Master
- Мастер
- Сообщения: 7490
- Зарегистрирован: 27 июн 2015, 19:45
- Репутация: 3113
- Настоящее имя: Михаил
- Откуда: Алматы
- Контактная информация:
Re: LinuxCNC + Orange Pi
О, дядь Серёжа, пока ты зашёл на огонёк, хочу спросить.. "Зарегистрированные" функции драйвера запускаются с параметрами (*arg, period). Этот period - это длина предыдущего или нового периода? И второй вопрос. Как можно прямо в драйвере узнать точный период потока (thread), в котором запускается та или иная функция драйвера? Я много всяких RTAPI/HAL заголовков просмотрел, что-то не могу найти такого функционалу. Драйвер, к примеру, сам может эти потоки создавать. Но чтоб узнать что-то о существующих, что-то не нашёл инструментария.
- MX_Master
- Мастер
- Сообщения: 7490
- Зарегистрирован: 27 июн 2015, 19:45
- Репутация: 3113
- Настоящее имя: Михаил
- Откуда: Алматы
- Контактная информация:
Re: LinuxCNC + Orange Pi
Я хочу сделать примерно вот так. Это вывод без обратной связи по позиции.
Как только включаю регулировку по позиции, начинаются некрасивые скачкИ (+/-10%) частоты. Ибо функции чтения позиции и обновления частоты стартуют не чётко по таймеру, а как придётся (+/-10% от значения периода). Latency-шмейтенси, все дела
Как только включаю регулировку по позиции, начинаются некрасивые скачкИ (+/-10%) частоты. Ибо функции чтения позиции и обновления частоты стартуют не чётко по таймеру, а как придётся (+/-10% от значения периода). Latency-шмейтенси, все дела
Последний раз редактировалось MX_Master 23 апр 2021, 13:43, всего редактировалось 1 раз.
- Serg
- Мастер
- Сообщения: 21923
- Зарегистрирован: 17 апр 2012, 14:58
- Репутация: 5183
- Заслуга: c781c134843e0c1a3de9
- Настоящее имя: Сергей
- Откуда: Москва
- Контактная информация:
Re: LinuxCNC + Orange Pi
Время в ns, прошедшее с прошлой итерации сервоцикла.
Я не Христос, рыбу не раздаю, но могу научить, как сделать удочку...
- MX_Master
- Мастер
- Сообщения: 7490
- Зарегистрирован: 27 июн 2015, 19:45
- Репутация: 3113
- Настоящее имя: Михаил
- Откуда: Алматы
- Контактная информация:
Re: LinuxCNC + Orange Pi
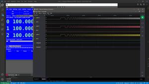
Добавил "мягкое" подруливание позицией в пределах +/-5 шагов. И, о чудо, смена частот заиграла новыми красками
На данный момент это самые плавные ускорения, которые я только видел на осциллограммах.
- MX_Master
- Мастер
- Сообщения: 7490
- Зарегистрирован: 27 июн 2015, 19:45
- Репутация: 3113
- Настоящее имя: Михаил
- Откуда: Алматы
- Контактная информация:
Re: LinuxCNC + Orange Pi
Новые исходники лежат тут - https://gitlab.com/orangecnc/ в названиях добавлено слово _plus. Как-нибудь потом переименуем.
Сейчас провожу тесты ШИМ генератора на разных УП. Я сделал гибрид из стандартных модулей stepgen и pwmgen, объединив результат в один общий модуль - pwm. Работает отлично.
Чуть позже вернусь к модулю encoder. Надо перепроверить весь его функционал. Провести тесты.
Ну, и под конец, надо подправить установщик. Он готов где-то на 80%.
Вощем, процесс идёт
Сейчас провожу тесты ШИМ генератора на разных УП. Я сделал гибрид из стандартных модулей stepgen и pwmgen, объединив результат в один общий модуль - pwm. Работает отлично.
Чуть позже вернусь к модулю encoder. Надо перепроверить весь его функционал. Провести тесты.
Ну, и под конец, надо подправить установщик. Он готов где-то на 80%.
Вощем, процесс идёт
- Serg
- Мастер
- Сообщения: 21923
- Зарегистрирован: 17 апр 2012, 14:58
- Репутация: 5183
- Заслуга: c781c134843e0c1a3de9
- Настоящее имя: Сергей
- Откуда: Москва
- Контактная информация:
Re: LinuxCNC + Orange Pi
period = rtapi_clock_set_period(0)
Я не Христос, рыбу не раздаю, но могу научить, как сделать удочку...