Энкодер 2500 PPR серводвигателя.

Контроллеры, драйверы, датчики, управляющие устройства.
Аватара пользователя
DeNew Lab
Мастер
Сообщения: 442
Зарегистрирован: 09 июл 2015, 03:48
Репутация: 327
Настоящее имя: Даниил
Откуда: Москва, Зеленоград
Контактная информация:

Энкодер 2500 PPR серводвигателя.

Сообщение DeNew Lab »

Просто показать, что под крышкой стоит, серводвигатель модель 90ST-M04025

Ну и тех характеристики.

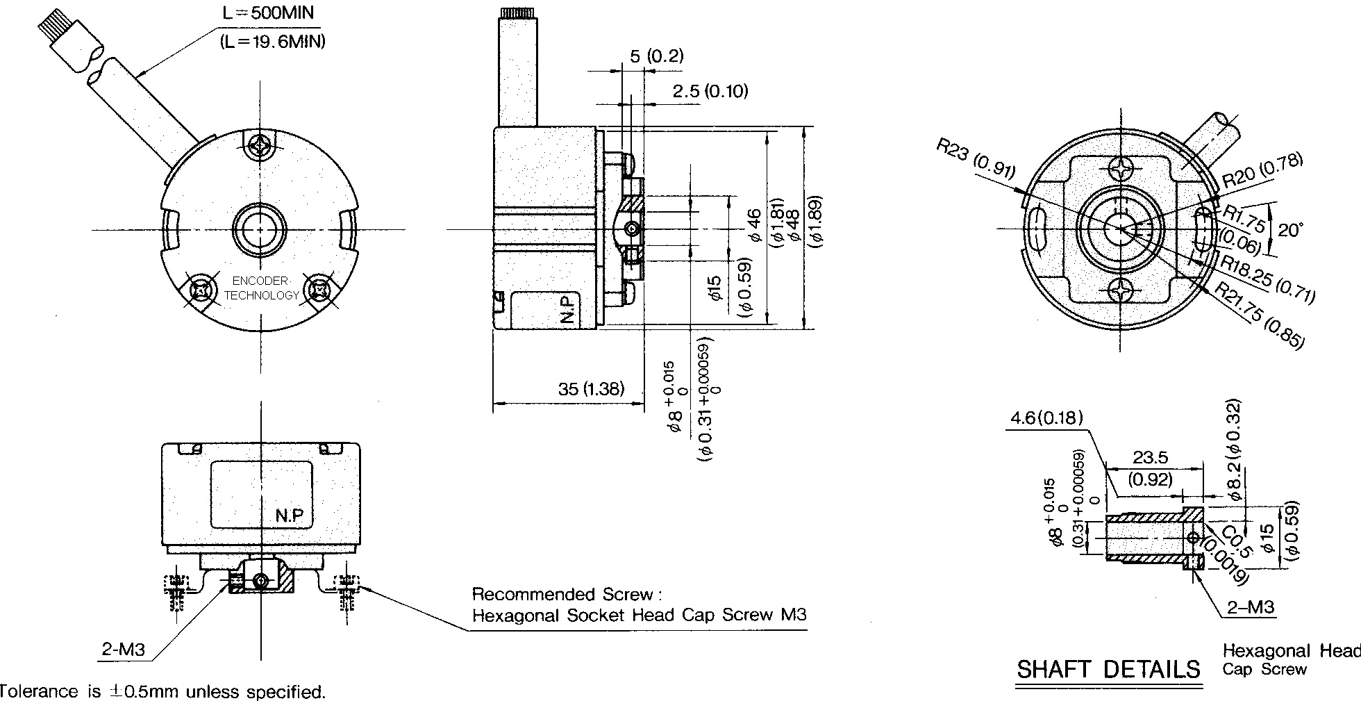
Энкодер
OIH48 Серия
• Внешний диамет р : 48mm
• Разрешение : 1000 - 6000 C/T
с коммутационными сигналами U, V,W
• High Frequency Response : 200 kHz Max.

-20° C to +100° C Operating Temperatures
• Standard line driver output provides
greater noise immunity and longer
cable capability (1km Max.)
• Typical Application : AC Servo Motor
Feed-back Device
• Two types available : Standard Type with
14 wires & Less Wiring Type with 8 wires
standart type.jpg (2705 просмотров) <a class='original' href='./download/file.php?id=66716&mode=view' target=_blank>Загрузить оригинал (407.75 КБ)</a>
---------------------------
encodr angle.jpg (2705 просмотров) <a class='original' href='./download/file.php?id=66715&mode=view' target=_blank>Загрузить оригинал (285.8 КБ)</a>
---------------------------
details.jpg (2705 просмотров) <a class='original' href='./download/file.php?id=66717&mode=view' target=_blank>Загрузить оригинал (375.17 КБ)</a>
---------------------------

ELECTRICAL SPECIFICATIONS
Resolution 100 ~ 6000 C/T
Power Supply---DC +5V – 5%, 200mA Max

Output Circuit--
Line Driver 26LS31 (26C31)
Source Current : 20 mA Max.
Sink Current : 20mA Max.

Frequency Response
200kHz Max. (UP TO 85° C)
100kHz Max. (UP TO 100° C)
Rise and Fall Time 100 nsec. Max.

------------------------
electrical.jpg (2705 просмотров) <a class='original' href='./download/file.php?id=66718&mode=view' target=_blank>Загрузить оригинал (99.85 КБ)</a>
Вложения
P1050753.JPG (2705 просмотров) <a class='original' href='./download/file.php?id=66707&mode=view' target=_blank>Загрузить оригинал (2.06 МБ)</a>
P1050754.JPG (2705 просмотров) <a class='original' href='./download/file.php?id=66708&mode=view' target=_blank>Загрузить оригинал (1.84 МБ)</a>
P1050755.JPG (2705 просмотров) <a class='original' href='./download/file.php?id=66709&mode=view' target=_blank>Загрузить оригинал (2.38 МБ)</a>
P1050756.JPG (2705 просмотров) <a class='original' href='./download/file.php?id=66710&mode=view' target=_blank>Загрузить оригинал (3.88 МБ)</a>
P1050757.JPG (2705 просмотров) <a class='original' href='./download/file.php?id=66711&mode=view' target=_blank>Загрузить оригинал (3.79 МБ)</a>
P1050758.JPG (2705 просмотров) <a class='original' href='./download/file.php?id=66712&mode=view' target=_blank>Загрузить оригинал (3.6 МБ)</a>
P1050759.JPG (2705 просмотров) <a class='original' href='./download/file.php?id=66713&mode=view' target=_blank>Загрузить оригинал (3.55 МБ)</a>
P1050760.JPG (2705 просмотров) <a class='original' href='./download/file.php?id=66714&mode=view' target=_blank>Загрузить оригинал (3.58 МБ)</a>
CNC Works
Аватара пользователя
ukr-sasha
Мастер
Сообщения: 3401
Зарегистрирован: 21 мар 2011, 07:47
Репутация: 2181
Настоящее имя: Украинец Александр Григорьевич
Откуда: Киев, Украина
Контактная информация:

Re: Энкодер 2500 PPR серводвигателя.

Сообщение ukr-sasha »

Тема осталась нераскрытой: а вытащить диск, показать свето/фото диоды? ;)
Duhas
Мастер
Сообщения: 1961
Зарегистрирован: 10 окт 2015, 23:25
Репутация: 285
Настоящее имя: Андрей
Откуда: Красноярск
Контактная информация:

Re: Энкодер 2500 PPR серводвигателя.

Сообщение Duhas »

вот не надо такого советовать )
Аватара пользователя
N1X
Мастер
Сообщения: 3653
Зарегистрирован: 16 фев 2015, 21:19
Репутация: 1646
Настоящее имя: Владимир
Откуда: Беларусь, Гомель
Контактная информация:

Re: Энкодер 2500 PPR серводвигателя.

Сообщение N1X »

Хе, а я вот такое видал:
Вложения
2016-02-17 12.38.21.jpg (2597 просмотров) <a class='original' href='./download/file.php?id=75190&mode=view' target=_blank>Загрузить оригинал (2.34 МБ)</a>
2016-02-17 13.27.47.jpg (2597 просмотров) <a class='original' href='./download/file.php?id=75191&mode=view' target=_blank>Загрузить оригинал (1.8 МБ)</a>
2016-02-17 13.28.39.jpg (2597 просмотров) <a class='original' href='./download/file.php?id=75192&mode=view' target=_blank>Загрузить оригинал (1.54 МБ)</a>
Ответить

Вернуться в «Электроника»