нужен совет по изготовлению станка
-
Serroga
- Кандидат
- Сообщения: 80
- Зарегистрирован: 05 окт 2015, 21:29
- Репутация: 4
- Настоящее имя: Серёга
- Контактная информация:
нужен совет по изготовлению станка
Добрый вечер! Пробую сделать маленький фрезерный станок с ЧПУ портального вида для работы по фанере. Ось Х- d 12 мм. длиной 500 мм., ось У- d 10 мм. длиной 500 мм., ось Z-d 8 мм. длиной 400 мм.. Направляющие цилиндрические (10 мм. и 12 мм. купил, 8 мм. от принтера). Есть 12 кареток на все диаметры. Нашел дюралевую пластину 5 мм. Из неё хочу сделать стойки портала.
В-1: На какой высоте от рабочей поверхности надо установить нижнюю направляющую оси Y? какое оптимальное расстояние между направляющими по оси Y? Так-то планирую докупить шпиндель на 500 Вт d 52 мм., с учётом его установки..высоту рабочего хода по оси Z думаю 50 мм. сделать.
В-2: Какое расстоние между каретками заложить по оси X?
В-1: На какой высоте от рабочей поверхности надо установить нижнюю направляющую оси Y? какое оптимальное расстояние между направляющими по оси Y? Так-то планирую докупить шпиндель на 500 Вт d 52 мм., с учётом его установки..высоту рабочего хода по оси Z думаю 50 мм. сделать.
В-2: Какое расстоние между каретками заложить по оси X?
- Fisher
- Почётный участник

- Сообщения: 3391
- Зарегистрирован: 09 апр 2012, 12:39
- Репутация: 424
- Откуда: Киров
- Контактная информация:
Re: нужен совет по изготовлению станка
.
Последний раз редактировалось Fisher 06 окт 2015, 23:03, всего редактировалось 1 раз.
www.cncru.ru - все виды станков с ЧПУ. Комплектующие.
- aegis
- Мастер
- Сообщения: 3171
- Зарегистрирован: 22 мар 2012, 06:59
- Репутация: 1810
- Настоящее имя: Михайло
- Откуда: Україна, Конотоп=>Запоріжжя=>Харьків
Re: нужен совет по изготовлению станка
Serroga, поддерживаю что Фишер ответил. 500мм ан валах ф12мм это реально выжигатель или 3дпринтер
нікому нічого не нав'язую.
-
aftaev
- Зачётный участник

- Сообщения: 34042
- Зарегистрирован: 04 апр 2010, 19:22
- Репутация: 6194
- Откуда: Казахстан.
- Контактная информация:
Re: нужен совет по изготовлению станка
Она же гнуться будет от собственного веса, не то что портал на нее повеситьSerroga писал(а):Ось Х- d 12 мм. длиной 500 мм.
Дилетанту сложные вещи кажутся очень простыми, и только профессионал понимает насколько сложна самая простая вещь
Кто хочет - ищет возможности, кто не хочет - ищет оправдание.
Найди работу по душе и тебе не придется работать.
Кто хочет - ищет возможности, кто не хочет - ищет оправдание.
Найди работу по душе и тебе не придется работать.
- T72
- Опытный
- Сообщения: 167
- Зарегистрирован: 27 апр 2015, 12:58
- Репутация: 12
- Настоящее имя: Алексей
- Контактная информация:
Re: нужен совет по изготовлению станка
http://darxton.ru/wiki-article/konstruk ... ka-s-chpu/Serroga писал(а):В-1: На какой высоте от рабочей поверхности надо установить нижнюю направляющую оси Y? какое оптимальное расстояние между направляющими по оси Y?
По идее расстояние от подвижной по оси Y каретки до стола должно быть равно или чуть больше чем перемещение по Z. Т.е. от рабочей поверхности до центра вала минимум 50 мм + то, что отмечено на фото.
Расстояние между валами примерно такое же.
Меньше 60 мм я бы не стал делать. Увеличение этого расстояния уменьшает вероятность перекоса при работе на краю рабочего стола.Serroga писал(а):В-2: Какое расстоние между каретками заложить по оси X?
Если фанера будет резаться насквозь - на прогибы пофик.
- Fisher
- Почётный участник

- Сообщения: 3391
- Зарегистрирован: 09 апр 2012, 12:39
- Репутация: 424
- Откуда: Киров
- Контактная информация:
Re: нужен совет по изготовлению станка
.
Последний раз редактировалось Fisher 06 окт 2015, 23:02, всего редактировалось 1 раз.
www.cncru.ru - все виды станков с ЧПУ. Комплектующие.
- Mr. Mass
- Опытный
- Сообщения: 121
- Зарегистрирован: 15 янв 2015, 16:07
- Репутация: 96
- Настоящее имя: Константин
- Откуда: Одесса
- Контактная информация:
Re: нужен совет по изготовлению станка
Есть еще пару моментов: валы от принтеров без закалки, линейные подшипники прокатают в них канавки довольно быстро, если не успели выбросить родные каретки со втулками, рекомендую использовать их. Геометрические размеры конструкции относительно высоты Z сильно зависят от толщины предполагаемой заготовки и длины фрезы, в остальном - чем больше межосевое расстояние между направляющими и чем шире расставлены линейные подшипники, тем лучше. К примеру, в своем варианте по оси Z при длине направляющих 250мм ход оси всего 40мм, т.е. втулки стоят почти по самым краям, что позволяет минимизировать прогибы. Вот небольшая подсказка, с помощью которой можно прикинуть разные варианты соотношений зависимостей установки кареток от прогибов всей конструкции. Пластина дюральки в 5мм может оказаться для стоек портала тонковатой, хотя опять же, все зависит от размеров, но если есть возможность, лучше собирать закрытые коробчатые конструкции для всех осей. Так же концы валов рекомендуют заделывать на 1.5-2 диаметра, для чего пластины в 5мм никак не хватает.Serroga писал(а):Ось Х- d 12 мм. длиной 500 мм., ось У- d 10 мм. длиной 500 мм., ось Z-d 8 мм. длиной 400 мм.. Направляющие цилиндрические (10 мм. и 12 мм. купил, 8 мм. от принтера). Есть 12 кареток на все диаметры. Нашел дюралевую пластину 5 мм. Из неё хочу сделать стойки портала.
В-1: На какой высоте от рабочей поверхности надо установить нижнюю направляющую оси Y? какое оптимальное расстояние между направляющими по оси Y? Так-то планирую докупить шпиндель на 500 Вт d 52 мм., с учётом его установки..высоту рабочего хода по оси Z думаю 50 мм. сделать.
В-2: Какое расстоние между каретками заложить по оси X?
- T72
- Опытный
- Сообщения: 167
- Зарегистрирован: 27 апр 2015, 12:58
- Репутация: 12
- Настоящее имя: Алексей
- Контактная информация:
Re: нужен совет по изготовлению станка
Конечно. Жертвенный слой придумали трусы.Fisher писал(а):И пилим стол
- Fisher
- Почётный участник

- Сообщения: 3391
- Зарегистрирован: 09 апр 2012, 12:39
- Репутация: 424
- Откуда: Киров
- Контактная информация:
Re: нужен совет по изготовлению станка
.
Последний раз редактировалось Fisher 06 окт 2015, 23:03, всего редактировалось 1 раз.
www.cncru.ru - все виды станков с ЧПУ. Комплектующие.
-
Serroga
- Кандидат
- Сообщения: 80
- Зарегистрирован: 05 окт 2015, 21:29
- Репутация: 4
- Настоящее имя: Серёга
- Контактная информация:
Re: нужен совет по изготовлению станка
спасибо всем за дельные советы!!! не ожидал, если честно...всвязи с вышесказанным, как по вашему, если портал зафиксировать, а ось X воплотить в перемещающейся рабочем столе? конечно, рабочая область здорово уменьшится, но деформации уменьшаться. Ведь заготовки для обработки будут не тяжелые.
-
Serroga
- Кандидат
- Сообщения: 80
- Зарегистрирован: 05 окт 2015, 21:29
- Репутация: 4
- Настоящее имя: Серёга
- Контактная информация:
Re: нужен совет по изготовлению станка
я для торцевого крепления валов между боковинами портала заказал стандартные крепления-типа флянцев, вал в креплении зажимаетсся, само крепление к боковине портала прикручивается 2-мя болтамиMr. Mass писал(а): Пластина дюральки в 5мм может оказаться для стоек портала тонковатой, хотя опять же, все зависит от размеров, но если есть возможность, лучше собирать закрытые коробчатые конструкции для всех осей. Так же концы валов рекомендуют заделывать на 1.5-2 диаметра, для чего пластины в 5мм никак не хватает.
-
Serroga
- Кандидат
- Сообщения: 80
- Зарегистрирован: 05 окт 2015, 21:29
- Репутация: 4
- Настоящее имя: Серёга
- Контактная информация:
Re: нужен совет по изготовлению станка
Константин, подскажи, у тебя какой шпиндель стоит? я со временем хочу взять на 500 Вт., он в диаметре 52 мм.Если у тебя такой-же примерно, то подскажи, какая общая высота шпинделя со стандартной фрезой? ну и от центра хомута крепления шпинделя до кончика фрезы. Может кто еще подскажет? Сейчас конечно первичная цель собрать станок и научиться двигать фломастер))) только под фломастер не охота изначально размеры закладывать, надеюсь и до шпинделя дойдёт)
- Mr. Mass
- Опытный
- Сообщения: 121
- Зарегистрирован: 15 янв 2015, 16:07
- Репутация: 96
- Настоящее имя: Константин
- Откуда: Одесса
- Контактная информация:
Re: нужен совет по изготовлению станка
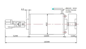
Шпиндель - китайское подобие дремеля, у него цанга 3мм, все фрезы для этого диаметра, которые попадались в руки, имели длину 38мм, из самой цанги выглядывает ~14мм. У продавцов обычно можно попросить чертеж с размерами шпинделей, по ним можно прикинуть общие габариты конструкции и вылет фрезы. Как пример, вот стандартные китайцы на 400 и 500Вт:Serroga писал(а):Константин, подскажи, у тебя какой шпиндель стоит? я со временем хочу взять на 500 Вт., он в диаметре 52 мм.Если у тебя такой-же примерно, то подскажи, какая общая высота шпинделя со стандартной фрезой? ну и от центра хомута крепления шпинделя до кончика фрезы. Может кто еще подскажет? Сейчас конечно первичная цель собрать станок и научиться двигать фломастер))) только под фломастер не охота изначально размеры закладывать, надеюсь и до шпинделя дойдёт)
-
Serroga
- Кандидат
- Сообщения: 80
- Зарегистрирован: 05 окт 2015, 21:29
- Репутация: 4
- Настоящее имя: Серёга
- Контактная информация:
Re: нужен совет по изготовлению станка
как я понял- "важно отношение диаметра вала к его длине - для получения приемлемых результатов его значение должно быть не менее 0.05, желательно в пределах 0.06-0.1.". Т. е., если у меня вал d=12 мм., то его длина д. б. от 120 до 240 мм., d=10 мм., то длина от 100 до 200 мм..можно смело мои валы пилить на 2 равные части и ось У сделать тож d=12 мм.
- dima7411
- Почётный участник

- Сообщения: 1055
- Зарегистрирован: 26 янв 2014, 14:06
- Репутация: 337
- Настоящее имя: Дмитрий
- Откуда: Копейск
- Контактная информация:
Re: нужен совет по изготовлению станка
У меня есть станочек на валах 20мм (рабочее поле 300х400), гнется рукой за шпиндель - заметно даже визуально. По фанере дает размер -0,1мм, насколько смог померить фанерку.
-
Serroga
- Кандидат
- Сообщения: 80
- Зарегистрирован: 05 окт 2015, 21:29
- Репутация: 4
- Настоящее имя: Серёга
- Контактная информация:
Re: нужен совет по изготовлению станка
так у вас как раз по такому условию диаметр и длина вала подобраны получается
- dima7411
- Почётный участник

- Сообщения: 1055
- Зарегистрирован: 26 янв 2014, 14:06
- Репутация: 337
- Настоящее имя: Дмитрий
- Откуда: Копейск
- Контактная информация:
Re: нужен совет по изготовлению станка
Только для рабочего хода в 300мм длина вала получается 500мм (рабочий ход + ширина портала Z + заделка концов).
Думается, для диаметра валов 12мм, и боковинах портала из 5мм, получится игрушка. А с учетом остальной механики, электронной части и шпинделя - недешевая игрушка.
Думается, для диаметра валов 12мм, и боковинах портала из 5мм, получится игрушка. А с учетом остальной механики, электронной части и шпинделя - недешевая игрушка.
- T72
- Опытный
- Сообщения: 167
- Зарегистрирован: 27 апр 2015, 12:58
- Репутация: 12
- Настоящее имя: Алексей
- Контактная информация:
Re: нужен совет по изготовлению станка
Куда нам до вас мастеров!Fisher писал(а):И ломаем фрезы
-
Serroga
- Кандидат
- Сообщения: 80
- Зарегистрирован: 05 окт 2015, 21:29
- Репутация: 4
- Настоящее имя: Серёга
- Контактная информация:
Re: нужен совет по изготовлению станка
конечно мои комплектующие хлиповаты...но как я понял, все расчёты идут по одному направляющему валу из двух ..а ведь как станок сделаешь-или один вал будет в основном нагрузку всю брать, или два вала на себя распределять равномерно
- aegis
- Мастер
- Сообщения: 3171
- Зарегистрирован: 22 мар 2012, 06:59
- Репутация: 1810
- Настоящее имя: Михайло
- Откуда: Україна, Конотоп=>Запоріжжя=>Харьків
Re: нужен совет по изготовлению станка
Serroga, можно я не буду советовать больше? всеравно не слушаешь
нікому нічого не нав'язую.