Вектроник А4-РП
- ALS
- Опытный
- Сообщения: 159
- Зарегистрирован: 15 ноя 2013, 01:46
- Репутация: 161
- Откуда: Севастополь
- Контактная информация:
Вектроник А4-РП
Станочной темой "заболел" вынужденно :)
С недавних пор один мой хороший знакомый строит цех по изготовлению мелкой электроники и как-то в разговоре с ним речь зашла о механической обработке печатных плат (напр, сложная форма или фигурные вырезы) и сверлению отверстий.
Не стал ему доказывать, что заказать платы в Китае дешевле, он знает это не хуже меня, просто есть какие-то свои нюансы.
В общем, я решил приобрести небольшой станок, дабы опробовать все его идеи и заодно расширить свой зоопарк инструмента.
Самому собирать нет времени, да и в механике я совсем не спец, поэтому купил уже собранный "Вектроник А4-РП".
В заказ по моей просьбе были добавлены шаговые двигатели Nema23, 5-осевой китайский контроллер, доп. крепление для шпинделя и кое-какая мелочевка.
Шпиндель приобрел у одного из форумчан с chipmaker-а, все остальное (драйверы, цанги) было заказано на алиэкспрессе.
Помпу и СВО буду собирать из того, что найду в наших магазинах.
Пока только дошли посылки со станком и шпинделем. Посылку от друзей-китайцев жду на днях.
Вектроник доехал нормально, правда, во время транспортировки ящик с ним был уложен на бок и какую-то часть пути (а, может, и весь путь) станок провел, "вися" на боковой стенке ящика.
К счастью, на нем это вообще никак не отразилось, ничего не разболталось, все оси легко прокручиваются вручную.
Поскольку без драйверов и частотника со станком как-бы и нечего делать, пока просто подобрал ящик, где будут находится "мозги".
Это металлическая коробка от какой-то сигнализации, размеры 320х300х95.
В ней хватает места для блока питания, контроллера и драйверов. И еще остается для материнской платы в форм-факторе mITX со своим блоком питания, правда, не уверен, что материнке не поплохеет от непосредственной близости с драйверами.
Частотник и помпа будут находится где-то рядом со станком, с их расположением пока не определился.
Сам станок будет расположен на лоджии, свободного места там очень мало, поэтому и стараюсь сделать все как можно компактней.
Еще озаботился пультом.
Можно купить уже готовый у тех же китайцев, но мне пока нужен "просто"-пульт со штурвалом, а программировать/паять я и сам немного умею.
Проштудировал всю тему ( http://www.cnc-club.ru/forum/viewtopic.php?f=41&t=1443 ), но тамошняя борьба с ардуино на 30 страницах вообще никак не обнадежила.
Но в самом конце темы нашел ссылки на OpenXHC. Отличная штука, но для его сборки у меня пока нет ничего.
В общем, попробую собрать что-то свое, попроще.
С недавних пор один мой хороший знакомый строит цех по изготовлению мелкой электроники и как-то в разговоре с ним речь зашла о механической обработке печатных плат (напр, сложная форма или фигурные вырезы) и сверлению отверстий.
Не стал ему доказывать, что заказать платы в Китае дешевле, он знает это не хуже меня, просто есть какие-то свои нюансы.
В общем, я решил приобрести небольшой станок, дабы опробовать все его идеи и заодно расширить свой зоопарк инструмента.
Самому собирать нет времени, да и в механике я совсем не спец, поэтому купил уже собранный "Вектроник А4-РП".
В заказ по моей просьбе были добавлены шаговые двигатели Nema23, 5-осевой китайский контроллер, доп. крепление для шпинделя и кое-какая мелочевка.
Шпиндель приобрел у одного из форумчан с chipmaker-а, все остальное (драйверы, цанги) было заказано на алиэкспрессе.
Помпу и СВО буду собирать из того, что найду в наших магазинах.
Пока только дошли посылки со станком и шпинделем. Посылку от друзей-китайцев жду на днях.
Вектроник доехал нормально, правда, во время транспортировки ящик с ним был уложен на бок и какую-то часть пути (а, может, и весь путь) станок провел, "вися" на боковой стенке ящика.
К счастью, на нем это вообще никак не отразилось, ничего не разболталось, все оси легко прокручиваются вручную.
Поскольку без драйверов и частотника со станком как-бы и нечего делать, пока просто подобрал ящик, где будут находится "мозги".
Это металлическая коробка от какой-то сигнализации, размеры 320х300х95.
В ней хватает места для блока питания, контроллера и драйверов. И еще остается для материнской платы в форм-факторе mITX со своим блоком питания, правда, не уверен, что материнке не поплохеет от непосредственной близости с драйверами.
Частотник и помпа будут находится где-то рядом со станком, с их расположением пока не определился.
Сам станок будет расположен на лоджии, свободного места там очень мало, поэтому и стараюсь сделать все как можно компактней.
Еще озаботился пультом.
Можно купить уже готовый у тех же китайцев, но мне пока нужен "просто"-пульт со штурвалом, а программировать/паять я и сам немного умею.
Проштудировал всю тему ( http://www.cnc-club.ru/forum/viewtopic.php?f=41&t=1443 ), но тамошняя борьба с ардуино на 30 страницах вообще никак не обнадежила.
Но в самом конце темы нашел ссылки на OpenXHC. Отличная штука, но для его сборки у меня пока нет ничего.
В общем, попробую собрать что-то свое, попроще.
Последний раз редактировалось ALS 02 ноя 2016, 01:53, всего редактировалось 3 раза.
- ALS
- Опытный
- Сообщения: 159
- Зарегистрирован: 15 ноя 2013, 01:46
- Репутация: 161
- Откуда: Севастополь
- Контактная информация:
Re: Вектроник А4-РП
Про самодельные энкодеры для штурвала на форуме написано много, я решил собрать из принтерного диска (как он там точно называется ?)
С нерабочего принтера снял диск и оптопару. Диск приклеил на ротор двигателя от флоппика.
Поскольку его центральная ось за пределы движка не выступает, симметрично относительно центра вкрутил два длинных винта, на которые впоследствии будет насажен и прикручен штурвал.

Смонтировал пока на куске пластика. Когда дело дойдет до корпуса, они будут крепиться просто к его нижней стенке.
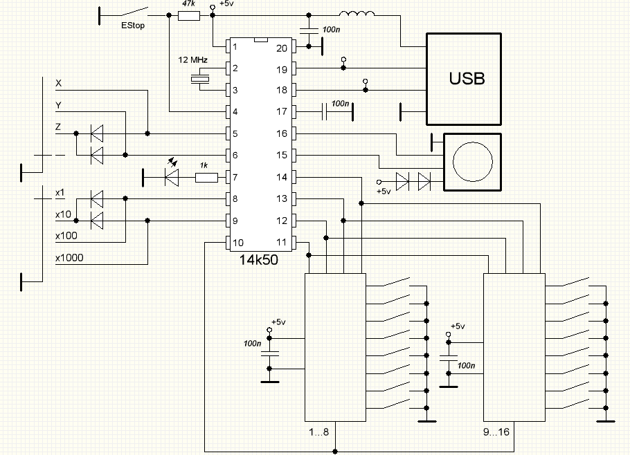
Схема почти типовая - микроконтроллер с аппаратным USB и два мультиплексора для обслуживания клавиш.
Всего можно будет подключить до 16 кнопок, два галетных переключателя (для выбора осей и скорости подачи) и, собственно, сам энкодер.
Все это хозяйство эмулирует стандартную USB-клавиатуру c той лишь разницей, что здесь на отдельные кнопки можно повесить сочетания клавиш (напр., Ctrl+K, Ctrl+R ).

Аппаратное разрешение получившегося энкодера - 1150 имп/об. Наверное, это круто для поделки из говна и палок, поскольку готовые заводские с 1000 имп/об довольно большие по высоте, да и цена у них уже не копеечная.
Правда, основная работа будет все же вестись на 100 имп/об (они получаются программно), иначе чувствительность энкодера выходит запредельной - при малейшем прикосновении к нему на выходе появляется пачка из 5-10 импульсов.
Прошивку уже отладил, на неделе закажу плату, как будет готова - будем делать корпус.
PS
Уважаемые админы (модераторы) !
Я абсолютно не наставиаю, но мне кажется, что превьюхи, размещенные на savepic.ru, смотрятся чуть лучше, чем те, которые позволяет движок форума. Они чуть крупней ( а по опыту, увеличить и рассмотреть что-то в деталях нужно отнюдь не всегда) и если их много, их можно размещать по горизонтали, т.о. они не выстраиваются в длинную колонну, растягивая текст.
Картинки там терялись в последний раз года 4 назад, с тех пор все нормально. Реклама тоже отсутствует.
Но если размещение картинок на вашем файлообменнике -настоятельное ваше требование, спорить не буду, подчинюсь :)
С нерабочего принтера снял диск и оптопару. Диск приклеил на ротор двигателя от флоппика.
Поскольку его центральная ось за пределы движка не выступает, симметрично относительно центра вкрутил два длинных винта, на которые впоследствии будет насажен и прикручен штурвал.

Смонтировал пока на куске пластика. Когда дело дойдет до корпуса, они будут крепиться просто к его нижней стенке.
Схема почти типовая - микроконтроллер с аппаратным USB и два мультиплексора для обслуживания клавиш.
Всего можно будет подключить до 16 кнопок, два галетных переключателя (для выбора осей и скорости подачи) и, собственно, сам энкодер.
Все это хозяйство эмулирует стандартную USB-клавиатуру c той лишь разницей, что здесь на отдельные кнопки можно повесить сочетания клавиш (напр., Ctrl+K, Ctrl+R ).

Аппаратное разрешение получившегося энкодера - 1150 имп/об. Наверное, это круто для поделки из говна и палок, поскольку готовые заводские с 1000 имп/об довольно большие по высоте, да и цена у них уже не копеечная.
Правда, основная работа будет все же вестись на 100 имп/об (они получаются программно), иначе чувствительность энкодера выходит запредельной - при малейшем прикосновении к нему на выходе появляется пачка из 5-10 импульсов.
Прошивку уже отладил, на неделе закажу плату, как будет готова - будем делать корпус.
PS
Уважаемые админы (модераторы) !
Я абсолютно не наставиаю, но мне кажется, что превьюхи, размещенные на savepic.ru, смотрятся чуть лучше, чем те, которые позволяет движок форума. Они чуть крупней ( а по опыту, увеличить и рассмотреть что-то в деталях нужно отнюдь не всегда) и если их много, их можно размещать по горизонтали, т.о. они не выстраиваются в длинную колонну, растягивая текст.
Картинки там терялись в последний раз года 4 назад, с тех пор все нормально. Реклама тоже отсутствует.
Но если размещение картинок на вашем файлообменнике -настоятельное ваше требование, спорить не буду, подчинюсь :)
Последний раз редактировалось ALS 15 сен 2015, 13:21, всего редактировалось 1 раз.
- PKM
- Почётный участник

- Сообщения: 4263
- Зарегистрирован: 31 мар 2011, 18:11
- Репутация: 705
- Настоящее имя: Андрей
- Откуда: Украина
- Контактная информация:
Re: Вектроник А4-РП
В штурвале важна трещотка, как с этим будет?
- ALS
- Опытный
- Сообщения: 159
- Зарегистрирован: 15 ноя 2013, 01:46
- Репутация: 161
- Откуда: Севастополь
- Контактная информация:
Re: Вектроник А4-РП
Да, я знаю. Пока никак.
Попробую выгравировать на поверхности ротора лунки (риски ?) и прижать сверху шариком.
Понятное дело, 1000 не выйдет.
Если не получится - забью и куплю готовый энкодер. В любом случае, электроника к нему уже будет.
Попробую выгравировать на поверхности ротора лунки (риски ?) и прижать сверху шариком.
Понятное дело, 1000 не выйдет.
Если не получится - забью и куплю готовый энкодер. В любом случае, электроника к нему уже будет.
- Сергей Саныч
- Мастер
- Сообщения: 9116
- Зарегистрирован: 30 май 2012, 14:20
- Репутация: 2858
- Откуда: Тюмень
- Контактная информация:
Re: Вектроник А4-РП
А зачем 1000? 100 вполне достаточно. Больше рукой трудно отработать.ALS писал(а):Понятное дело, 1000 не выйдет.
И загляни еще сюда АКПП для РГИ
Как показала практика - очень удобно. На МК реализовать проблем не составит.
Чудес не бывает. Бывают фокусы.
- ALS
- Опытный
- Сообщения: 159
- Зарегистрирован: 15 ноя 2013, 01:46
- Репутация: 161
- Откуда: Севастополь
- Контактная информация:
Re: Вектроник А4-РП
Ух ты ж :) Все гениальное - просто.
Спасибо.
Спасибо.
- ALS
- Опытный
- Сообщения: 159
- Зарегистрирован: 15 ноя 2013, 01:46
- Репутация: 161
- Откуда: Севастополь
- Контактная информация:
Re: Вектроник А4-РП
Подвижки.
Небольшие, но для меня - весьма существенные :)
Приобрел с рук шпиндель (GDZ-80-1.5), он немного б/у, но для меня определяющими факторами были его цена и надежность продавца.
Частотник - Omron CIMR-V7AZB0P7, также б/у-шный (во всяком случае, по цене).
С виду он абсолютно новый, купил его у камрада koronka83.
Советовался и с Наилем, и с Андреем, и с другими товарищами - смогут ли работать в паре частотник, расчитанный на меньшую мощность (1,1kVA) и этот шпиндель (полтора китайских киловатта). Общее мнение было - да, если не грузить безбожно, все будет нормально.
Сегодня запустил, правда, только на холостом ходу :
https://www.youtube.com/watch?v=XhsPY7H1z2M
---
Пульт.
Гравировка рисок/углублений, думаю, не понадобится : изначально круг с метками наклеен на шестеренку, которая имеет 115 зубьев.
Число нестандартное, но по лимбу я работать не планирую, зато при прижатом к шестеренке шариком получается та самая трещотка.
И собрал плату для пульта :

Небольшие, но для меня - весьма существенные :)
Приобрел с рук шпиндель (GDZ-80-1.5), он немного б/у, но для меня определяющими факторами были его цена и надежность продавца.
Частотник - Omron CIMR-V7AZB0P7, также б/у-шный (во всяком случае, по цене).
С виду он абсолютно новый, купил его у камрада koronka83.
Советовался и с Наилем, и с Андреем, и с другими товарищами - смогут ли работать в паре частотник, расчитанный на меньшую мощность (1,1kVA) и этот шпиндель (полтора китайских киловатта). Общее мнение было - да, если не грузить безбожно, все будет нормально.
Сегодня запустил, правда, только на холостом ходу :
https://www.youtube.com/watch?v=XhsPY7H1z2M
---
Пульт.
Гравировка рисок/углублений, думаю, не понадобится : изначально круг с метками наклеен на шестеренку, которая имеет 115 зубьев.
Число нестандартное, но по лимбу я работать не планирую, зато при прижатом к шестеренке шариком получается та самая трещотка.
И собрал плату для пульта :

- Nil$
- Кандидат
- Сообщения: 97
- Зарегистрирован: 30 авг 2015, 13:10
- Репутация: 13
- Настоящее имя: Макс
- Контактная информация:
Re: Вектроник А4-РП
С интересом прочел всю тему.
Ждем продолжения.
Ждем продолжения.
- ALS
- Опытный
- Сообщения: 159
- Зарегистрирован: 15 ноя 2013, 01:46
- Репутация: 161
- Откуда: Севастополь
- Контактная информация:
Re: Вектроник А4-РП
... продолжение будет про китайские железяки.
Есть у меня один знакомый, который предложил упасть к нему на хвост с закупкой драйверов TB6600.
Еще в сентябре получили их. Внешне, вроде нормальные, маркировка на месте.

Только сегодня начал их монтировать, а они встают как-то враскоряку. Оказалось, платы выгнуты где на 0,5, а где и на 1мм.
Пригляделся - на всех радиаторы упираются в дип-переключатель.
Ок, разобрал, подточил. Заодно термопасту нанес - ее там просто не было.

На второй, кроме кривого радиатора, была еще и сопля :

А третья вообще нежданчик :

Кондеры запаял, соплю убрал. Но пока не включал, надо еще разводку делать.
Звоню знакомому, спрашиваю, подключил ли свои. Да, говорит, только вырубаются иногда и глючат немножко.
Такие дела...
Есть у меня один знакомый, который предложил упасть к нему на хвост с закупкой драйверов TB6600.
Еще в сентябре получили их. Внешне, вроде нормальные, маркировка на месте.

Только сегодня начал их монтировать, а они встают как-то враскоряку. Оказалось, платы выгнуты где на 0,5, а где и на 1мм.
Пригляделся - на всех радиаторы упираются в дип-переключатель.
Ок, разобрал, подточил. Заодно термопасту нанес - ее там просто не было.

На второй, кроме кривого радиатора, была еще и сопля :

А третья вообще нежданчик :

Кондеры запаял, соплю убрал. Но пока не включал, надо еще разводку делать.
Звоню знакомому, спрашиваю, подключил ли свои. Да, говорит, только вырубаются иногда и глючат немножко.
Такие дела...
- Kuzyakin
- Мастер
- Сообщения: 313
- Зарегистрирован: 08 фев 2013, 13:17
- Репутация: -5
- Настоящее имя: Роман
Re: Вектроник А4-РП
Запускать все это не пробовали ? ,возможно вас ждут "веселые" помехи от шпинделя.
При запуске шпинделя дергались ШД ,потом пропуски и т.д. ,подозрение было еще на индуктивные датчики , но чего я только не делал ...,в итоге заменил драйверы на более серьезные и все заработало. Надеюсь вам с этими драйверами повезет больше.
При запуске шпинделя дергались ШД ,потом пропуски и т.д. ,подозрение было еще на индуктивные датчики , но чего я только не делал ...,в итоге заменил драйверы на более серьезные и все заработало. Надеюсь вам с этими драйверами повезет больше.
- ALS
- Опытный
- Сообщения: 159
- Зарегистрирован: 15 ноя 2013, 01:46
- Репутация: 161
- Откуда: Севастополь
- Контактная информация:
Re: Вектроник А4-РП
Нет, еще не пробовал.
Да, опасаюсь, но уж очень хочется максимально компактную конструкцию :)
Да, опасаюсь, но уж очень хочется максимально компактную конструкцию :)
- ALS
- Опытный
- Сообщения: 159
- Зарегистрирован: 15 ноя 2013, 01:46
- Репутация: 161
- Откуда: Севастополь
- Контактная информация:
Re: Вектроник А4-РП
Подключил контроллер, сделал силовую проводку. На удивление, все заработало сразу, драйвера оказались рабочими, несмотря на их жопорукое изготовление. Поменял только местами выводы обмоток на двух движках, чтоб крутились в нужную сторону.

Сейчас запустил небольшую тестовую программму, но пока без шпинделя - за окном ночь, днем электричества не было, только что дали его, но попробовать станок в работе, понятное дело, нельзя.

Сейчас запустил небольшую тестовую программму, но пока без шпинделя - за окном ночь, днем электричества не было, только что дали его, но попробовать станок в работе, понятное дело, нельзя.
- ALS
- Опытный
- Сообщения: 159
- Зарегистрирован: 15 ноя 2013, 01:46
- Репутация: 161
- Откуда: Севастополь
- Контактная информация:
Re: Вектроник А4-РП
Из затруднений было посчитать кол-во шагов на миллиметр, чтобы вбить их в настройки Mach3.
Но Наиль буквально одной фразой надоумил.
Сегодня нарисовал тестовую детальку, только что вырезал.
На часах около трех ночи. Все скорости поставил на минимум. Все обошлось, никто не проснулся и не надавал по заднице ;)
Днем же свет дают по графику, начинается беготня, много не наработаешь.
https://www.youtube.com/watch?v=xiZPLY2iX6E

Шпиндель пока работает без охлаждения, вся электроника - тоже. Но за то время, что резалась деталька, ничего и не нагрелось.
Пропусков шагов пока тоже не заметил, чуть позже попробую на люминьке, уже на нормальных оборотах и с нормальной скоростью.
---
... спать так и не лег.
В примерах Арткама нашел дракона, попытался вырезать его из акрила, но на малых оборотах шпинделя акрил скалывается, один скол произошел прямо на морде лица :(

Но, в целом, мне все нравиться. Для моих задач (разная хоббийная мелочевка) точности станка хватает за глаза.
Узкое место, наверное, Mach3. Но я старый виндузятник, линь для меня сложен, да и осваивать его времени жалко.
Кстати, о компьютере.
В нем работает интеловская материнка D201GLY. Может, кто-то встречал этот обрезок из урезков.
Celeron 1.33, SiS-овский чипсет, огромное количество НЕраспаянных элементов, среди них - и разъемы SATA, убогий BIOS, всего один IDE и... что-то еще, уже не помню. У меня она лет 7 лежала на лоджии, но я так и не смог найти ей применение.
Здесь же она ведет себя как паинька, тиха и (пока) безглючна.
Система - MicroXP-0.82, на диске занимает ок. 250МБ и потребляет ок. 70МБ оперативки.
Но Наиль буквально одной фразой надоумил.
Сегодня нарисовал тестовую детальку, только что вырезал.
На часах около трех ночи. Все скорости поставил на минимум. Все обошлось, никто не проснулся и не надавал по заднице ;)
Днем же свет дают по графику, начинается беготня, много не наработаешь.
https://www.youtube.com/watch?v=xiZPLY2iX6E

Шпиндель пока работает без охлаждения, вся электроника - тоже. Но за то время, что резалась деталька, ничего и не нагрелось.
Пропусков шагов пока тоже не заметил, чуть позже попробую на люминьке, уже на нормальных оборотах и с нормальной скоростью.
---
... спать так и не лег.
В примерах Арткама нашел дракона, попытался вырезать его из акрила, но на малых оборотах шпинделя акрил скалывается, один скол произошел прямо на морде лица :(

Но, в целом, мне все нравиться. Для моих задач (разная хоббийная мелочевка) точности станка хватает за глаза.
Узкое место, наверное, Mach3. Но я старый виндузятник, линь для меня сложен, да и осваивать его времени жалко.
Кстати, о компьютере.
В нем работает интеловская материнка D201GLY. Может, кто-то встречал этот обрезок из урезков.
Celeron 1.33, SiS-овский чипсет, огромное количество НЕраспаянных элементов, среди них - и разъемы SATA, убогий BIOS, всего один IDE и... что-то еще, уже не помню. У меня она лет 7 лежала на лоджии, но я так и не смог найти ей применение.
Здесь же она ведет себя как паинька, тиха и (пока) безглючна.
Система - MicroXP-0.82, на диске занимает ок. 250МБ и потребляет ок. 70МБ оперативки.
- Kuzyakin
- Мастер
- Сообщения: 313
- Зарегистрирован: 08 фев 2013, 13:17
- Репутация: -5
- Настоящее имя: Роман
Re: Вектроник А4-РП
Пластик пилякать можно и без охлаждения , по крайней мере у меня за пару часов на ощупь греется не более 50градусов.ALS писал(а):Шпиндель пока работает без охлаждения
А что за шпинделек то?
Попробуй NCstudio , правда плата под нее своя , удачная прога под винду,пилю в ней не нарадуюсь.ALS писал(а):Узкое место, наверное, Mach3. Но я старый виндузятник, линь для меня сложен, да и осваивать его времени жалко.
- ALS
- Опытный
- Сообщения: 159
- Зарегистрирован: 15 ноя 2013, 01:46
- Репутация: 161
- Откуда: Севастополь
- Контактная информация:
Re: Вектроник А4-РП
б/у-шный GDZ-80-1.5
- Сергей Саныч
- Мастер
- Сообщения: 9116
- Зарегистрирован: 30 май 2012, 14:20
- Репутация: 2858
- Откуда: Тюмень
- Контактная информация:
Re: Вектроник А4-РП
Не надо так.Kuzyakin писал(а):Пластик пилякать можно и без охлаждения , по крайней мере у меня за пару часов на ощупь греется не более 50градусов.
Чудес не бывает. Бывают фокусы.
- Kuzyakin
- Мастер
- Сообщения: 313
- Зарегистрирован: 08 фев 2013, 13:17
- Репутация: -5
- Настоящее имя: Роман
Re: Вектроник А4-РП
А что такого ужасного? Шпиндель по любому будет нагреваться до "теплого".Сергей Саныч писал(а):Не надо так.
- Сергей Саныч
- Мастер
- Сообщения: 9116
- Зарегистрирован: 30 май 2012, 14:20
- Репутация: 2858
- Откуда: Тюмень
- Контактная информация:
Re: Вектроник А4-РП
Да в общем, ничего. Ресурс подшипников только сократится.Kuzyakin писал(а):А что такого ужасного?
Сами подшипники могут и "до горячего". Но снаружи это не сразу почувствуется.Kuzyakin писал(а):Шпиндель по любому будет нагреваться до "теплого".
С другой стороны - шпиндель ваш и вы можете делать с ним всё, что захотите
Чудес не бывает. Бывают фокусы.
- Kuzyakin
- Мастер
- Сообщения: 313
- Зарегистрирован: 08 фев 2013, 13:17
- Репутация: -5
- Настоящее имя: Роман
Re: Вектроник А4-РП
Охлаждение подается ведь не прямиком на подшипники ,а в рубашку шпинделя , корпус сам посебе рассеивает тепло выполняя функцию радиатора. Согласен что температура источника тепла (подшипники) будет выше чем корпус .Пилю полистирол на 6000 оборотах , шпиндель нагревается чуть больше комнатной температуры.При больших нагрузках конечно нужно подключать дополнительное охлаждение.




