ramps 1.4+drv8825+nema23

Контроллеры, драйверы, датчики, управляющие устройства.
XeleX
Новичок
Сообщения: 28
Зарегистрирован: 29 июл 2015, 11:14
Репутация: 1
Настоящее имя: Алексей
Контактная информация:

ramps 1.4+drv8825+nema23

Сообщение XeleX »

Здравствуйте, уважаемые форумчане!

Вот и я решил собрать свой первый ЧПУ станок.

Но столкнулся с проблемой, связанной с работой шаговых двигателей.

Электроника:
Arduino Mega
Ramps 1.4
Драйверы drv8825
Прошивка Marlin
Управляю через Repeiter-Host

Шаговые двигатели - пока два Fl57STH76-1006B
Питаю все это лабораторным блоком питания 0-30В 0-5А.

Сами шаговые двигатели униполярные с 6-тью выводами. Беру только крайние к каждой обмотке. Черный и зеленый для одной, красный и синий для другой.
Двигатель работает, но только в режиме 1/32, 1/16 и 1/8 шага. В остальных режимах только жужжит.
Что пробовал делать:
  • Менял ток на драйвере
  • Менял напряжение питания (вплоть до 28В)
  • Менял местами провода при подключении двигателя
  • Менял ускорения в Marlin
Проблема в том, что хочу запустить двигатель в полношаговом режиме (чтобы обеспечить наибольшую скорость перемещения), но никак не получается. Предполагается, что двигатель будет крутить ходовой винт с шагом резьбы 3 мм.

Сопротивление каждой обмотки примерно 17,2 Ом. (в паспорте указано 8,6, но это для униполярного подключения). Думаю, что нужно как-то настраивать работу драйвера, либо прошивку Marlin. Почему-то кажется, что дело именно в больших ускорениях, которые выставлены в ней. Двигатель довольно крупный, может просто не успевает отрабатывать импульсы ШИМа.

Как думаете, специалисты?

Может имеет смысл поставить другие драйверы? Помощнее?

Заранее благодарю за помощь.
Аватара пользователя
solo
Мастер
Сообщения: 1374
Зарегистрирован: 20 окт 2011, 18:39
Репутация: 272
Настоящее имя: Юрий Соловьев
Откуда: Украина Харьков
Контактная информация:

Re: ramps 1.4+drv8825+nema23

Сообщение solo »

скорее всего идет высокая частота импульсов степ , (шд не успевает набрать скорость )то есть при изменении дробления микрошага в драйверах ШД нужно менять значения в прошивке марлина или какая там...
если марлин то это в строка
define DEFAULT_AXIS_STEPS_PER_UNIT {78.7402,78.7402,200.0*8/3,760*1.1} // количество импульсов степ на миллиметр
необходимо ввести новые значения и пере прошить
можно подключить половину обмотки ШД получится большая скорость но меньший момент,
Аватара пользователя
balomut
Почётный участник
Почётный участник
Сообщения: 889
Зарегистрирован: 06 апр 2015, 10:56
Репутация: 267
Настоящее имя: Олег
Откуда: Поланзбург
Контактная информация:

Re: ramps 1.4+drv8825+nema23

Сообщение balomut »

уменьшите скорость ускорения в прошивке
Каждый сходит с ума так , как ему нравится !
XeleX
Новичок
Сообщения: 28
Зарегистрирован: 29 июл 2015, 11:14
Репутация: 1
Настоящее имя: Алексей
Контактная информация:

Re: ramps 1.4+drv8825+nema23

Сообщение XeleX »

Спасибо за быстрые ответы
solo писал(а):define DEFAULT_AXIS_STEPS_PER_UNIT {78.7402,78.7402,200.0*8/3,760*1.1} // количество импульсов степ на миллиметр
необходимо ввести новые значения и пере прошить
Этот параметр отвечает не за скорость и ускорения, а за количество шагов на мм перемещения каретки. Поэтому он влияет только на число оборотов (или шагов).
balomut писал(а):уменьшите скорость ускорения в прошивке
Пробовал это делать, ставил ускорения 10 мм/с^2, скорость снизил до 5 мм/с. Но все-равно на полном шаге работать отказывается. Может имеет смысл задуматься о замене драйверов? Нашел замену drv8825 или A49xx на TB6560. Как думаете, это может помочь? Или все-таки дело в большой индуктивности и инерционности самого двигателя? Неужели на нем не достичь скорости вращения хотя бы 5 оборотов/сек?
Аватара пользователя
yurayerz
Опытный
Сообщения: 132
Зарегистрирован: 04 янв 2015, 02:46
Репутация: 33
Настоящее имя: Юрий
Откуда: Ярославль
Контактная информация:

Re: ramps 1.4+drv8825+nema23

Сообщение yurayerz »

ИМХО - залить в ардуину GRBL и попробовать погонять движки из-под GRBL-контроллера. GRBL переконфигурируется легче -через простые команды (типа $100=400 - установка шагов/мм по Х, $200=ускорение X mm/sec^2). Подобрать нужные скорости и ускорения, а потом эти значения использовать в марлине. Насколько я понял, в марлине параметры работы устанавливаются на этапе компиляции, поэтому переконфигурирование хоть и простая, но нудная процедура.
Я даунгрейдил свой станок с TB6600 на DRV8825 - разницы не заметил, а стОит в пять раз меньше! (С) Так зачем платить больше?
Правда у меня ШД NEMA17... :wik:
Аватара пользователя
megagad
Почётный участник
Почётный участник
Сообщения: 3208
Зарегистрирован: 05 апр 2014, 18:57
Репутация: 712
Откуда: Реуспублика Крым, Бахчисарай.
Контактная информация:

Re: ramps 1.4+drv8825+nema23

Сообщение megagad »

Хм. То что у вас БП регулируемый - замечательно. А сколько вы в реальности на рампу подаёте напряжение? Ибо если рампа обычная - она больше 12в не переваривает. Для переделки под высокое напряжение нужно кое-что изменить в схеме(плате). Может потому и не стартуют?
We Do What We Must, Because We Can!
Причинять добро, наносить пользу и подвергать ласке.
XeleX
Новичок
Сообщения: 28
Зарегистрирован: 29 июл 2015, 11:14
Репутация: 1
Настоящее имя: Алексей
Контактная информация:

Re: ramps 1.4+drv8825+nema23

Сообщение XeleX »

yurayerz писал(а):ИМХО - залить в ардуину GRBL и попробовать погонять движки из-под GRBL-контроллера. GRBL переконфигурируется легче -через простые команды (типа $100=400 - установка шагов/мм по Х, $200=ускорение X mm/sec^2). Подобрать нужные скорости и ускорения, а потом эти значения использовать в марлине. Насколько я понял, в марлине параметры работы устанавливаются на этапе компиляции, поэтому переконфигурирование хоть и простая, но нудная процедура.
Я даунгрейдил свой станок с TB6600 на DRV8825 - разницы не заметил, а стОит в пять раз меньше! (С) Так зачем платить больше?
Правда у меня ШД NEMA17... :wik:
Попробую перепрошить на Grbl. Вроде бы видел кастомную прошивку под ramps. А какой управляющий софт посоветуете? Или тот же repieter-host пойдет?

И еще вопрос, а какая максимальная скорость вращения nema 17, при средней нагрузке?

П.С. Спасибо за оперативные ответы (относится ко всем участникам дискуссии).
Последний раз редактировалось XeleX 12 авг 2015, 18:43, всего редактировалось 2 раза.
XeleX
Новичок
Сообщения: 28
Зарегистрирован: 29 июл 2015, 11:14
Репутация: 1
Настоящее имя: Алексей
Контактная информация:

Re: ramps 1.4+drv8825+nema23

Сообщение XeleX »

megagad писал(а):Хм. То что у вас БП регулируемый - замечательно. А сколько вы в реальности на рампу подаёте напряжение? Ибо если рампа обычная - она больше 12в не переваривает. Для переделки под высокое напряжение нужно кое-что изменить в схеме(плате). Может потому и не стартуют?
На самом деле рампс питается в диапазоне 12-35в. Просто если впаян диод д1(см. Схему рампс). То в самом деле подавать больше 12В нельзя, поскольку это сожжет ардуину. Но если его выпаять, то питание рампс и ардуины будет развязано. И в этом случае подавать можно до 35В.

Источник питания у меня хоть и китайский, но вроде ничего. Тестером проверял. показания совпадают.

В принципе заказал на пробу nema 17 (почти самые мощные), может их хватит. Но все-таки хочется запустить nema 23.
Аватара пользователя
yurayerz
Опытный
Сообщения: 132
Зарегистрирован: 04 янв 2015, 02:46
Репутация: 33
Настоящее имя: Юрий
Откуда: Ярославль
Контактная информация:

Re: ramps 1.4+drv8825+nema23

Сообщение yurayerz »

XeleX писал(а):А какой управляющий софт посоветуете?
Нащот репетира не скажу, не знаю. Для грбл подойдет http://zapmaker.org/projects/grbl-controller-3-0/ либо UniversalGcodeSender https://github.com/winder/Universal-G-Code-Sender на жабе. Оба не без недостатков, но UniversalGcodeSender удобнее ручным управлением осями с клавиатуры. А можно хоть с терминалки рулить, посылая ж-коды вручную.

На самом деле DRV8825 мне сначала немного чуднЫми показались. Я ими баловался, дак они самопроизвольно шаг меняли с 1/8 на 1/32... Но я грешу на помехи по питанию (питал от БП 12V). Может просто мощи по питанию не хватало. Потому забросил и занялся TB6600, для которых уже покупал китайский БП 240Вт (24В 10А). Теперь обратно вернулся - в принципе, гораздо компактнее получается блок управления. Только принудительное охлаждение надо, бо перегреваются с мелкими радиаторами, а крупные не поставить - замыкают. Весь БУ поместился в коробушку 130х70х40 с 3шт. DRV8825, Arduino Pro Mini, вторичным источником DC-DC 5V на GW1584, реле шпинделя и вентилятором 40х40 24В.
XeleX
Новичок
Сообщения: 28
Зарегистрирован: 29 июл 2015, 11:14
Репутация: 1
Настоящее имя: Алексей
Контактная информация:

Re: ramps 1.4+drv8825+nema23

Сообщение XeleX »

yurayerz писал(а):
XeleX писал(а):А какой управляющий софт посоветуете?
Нащот репетира не скажу, не знаю. Для грбл подойдет http://zapmaker.org/projects/grbl-controller-3-0/ либо UniversalGcodeSender https://github.com/winder/Universal-G-Code-Sender на жабе. Оба не без недостатков, но UniversalGcodeSender удобнее ручным управлением осями с клавиатуры. А можно хоть с терминалки рулить, посылая ж-коды вручную.

На самом деле DRV8825 мне сначала немного чуднЫми показались. Я ими баловался, дак они самопроизвольно шаг меняли с 1/8 на 1/32... Но я грешу на помехи по питанию (питал от БП 12V). Может просто мощи по питанию не хватало. Потому забросил и занялся TB6600, для которых уже покупал китайский БП 240Вт (24В 10А). Теперь обратно вернулся - в принципе, гораздо компактнее получается блок управления. Только принудительное охлаждение надо, бо перегреваются с мелкими радиаторами, а крупные не поставить - замыкают. Весь БУ поместился в коробушку 130х70х40 с 3шт. DRV8825, Arduino Pro Mini, вторичным источником DC-DC 5V на GW1584, реле шпинделя и вентилятором 40х40 24В.
Спасибо за ссылки, сегодня попробую.
XeleX
Новичок
Сообщения: 28
Зарегистрирован: 29 июл 2015, 11:14
Репутация: 1
Настоящее имя: Алексей
Контактная информация:

Re: ramps 1.4+drv8825+nema23

Сообщение XeleX »

Попробовал Grbl. Прошивка есть только кастомная, как я уже говорил. Залил, но запустить ШД с наскока не удалось. Поэтому продолжил ковыряться.

Снизил ускорения и максимальную скорость перемещения каретки в марлине. Двигатель стал крутиться даже на целом шаге.

Экспериментируя с шагом, удалось добиться скорости вращения в 1,3 оборота в минуту. Пока это максимум.

Все-таки не верится, что это максимум для этого ШД в биполярном режиме. Уже не знаю куда копать.

На всякий случай попробую взять только половину каждой обмотки. Может момента хватит.

Может кто-то знает, существуют ли драйверы, совместимые с рампс, к которым подключаются ШД с шестью выводами в униполярном режиме?
Аватара пользователя
solo
Мастер
Сообщения: 1374
Зарегистрирован: 20 окт 2011, 18:39
Репутация: 272
Настоящее имя: Юрий Соловьев
Откуда: Украина Харьков
Контактная информация:

Re: ramps 1.4+drv8825+nema23

Сообщение solo »

XeleX писал(а): удалось добиться скорости вращения в 1,3 оборота в минуту
я не знаю у меня на рампсе с питание 24В ШД нема 17 крутятся с частотой около 40 об/сек , принтер весом около 10 кг при разгоне торможение начитает шататься, так я им скорость и ускорение немного ограничил, вообще ардуина с прошивкой марлин может генерить импульсы степ с мах частотой 30кГц
XeleX
Новичок
Сообщения: 28
Зарегистрирован: 29 июл 2015, 11:14
Репутация: 1
Настоящее имя: Алексей
Контактная информация:

Re: ramps 1.4+drv8825+nema23

Сообщение XeleX »

solo писал(а):
XeleX писал(а): удалось добиться скорости вращения в 1,3 оборота в минуту
я не знаю у меня на рампсе с питание 24В ШД нема 17 крутятся с частотой около 40 об/сек , принтер весом около 10 кг при разгоне торможение начитает шататься, так я им скорость и ускорение немного ограничил, вообще ардуина с прошивкой марлин может генерить импульсы степ с мах частотой 30кГц
Мне кажется, что дело не в ардуине и частоте импульсов, которую она может дать. А дело в инерционности и высокой индуктивности самого мотора. Надеюсь, скоро придут ШД nema 17 из Китая. Буду пробовать с ними.
XeleX
Новичок
Сообщения: 28
Зарегистрирован: 29 июл 2015, 11:14
Репутация: 1
Настоящее имя: Алексей
Контактная информация:

Re: ramps 1.4+drv8825+nema23

Сообщение XeleX »

Попробовал подключать вместо концов обмоток середины. Это ничего не дало. При повышении скорости вращения начинаются пропуски.

Взял ШД от старого флоппи-привода. Такая жен фигня. Максимальная скорость чуть выше, но не сильно. Может дело в драйверах? Можно как-то проверить драйвер без осциллографа (его могу достать только через пару недель)?
Аватара пользователя
solo
Мастер
Сообщения: 1374
Зарегистрирован: 20 окт 2011, 18:39
Репутация: 272
Настоящее имя: Юрий Соловьев
Откуда: Украина Харьков
Контактная информация:

Re: ramps 1.4+drv8825+nema23

Сообщение solo »

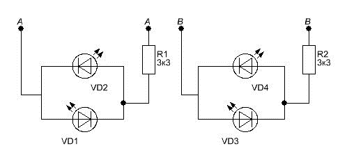
попробуй вместо обмоток шд или скорее параллельно обмоткам ШД подключить светодиоды по прикрепленной схеме и в режиме шага или полушага "покрутить" подать маленькую частоту (очень маленькую) на вход степ драйвера , светодиоды должны начать загораться по очереди, должен получиться эффект бегущего огня, если так то драйвера исправны ,
Вложения
шд.tar.gz
ШД проверка драйвера
(10.79 КБ) 1191 скачивание
XeleX
Новичок
Сообщения: 28
Зарегистрирован: 29 июл 2015, 11:14
Репутация: 1
Настоящее имя: Алексей
Контактная информация:

Re: ramps 1.4+drv8825+nema23

Сообщение XeleX »

Кое-как открыл в Windows ваш файл (не знаю, правда, насколько все правильно отображается). Насколько я понял, это файл GIMP XCF. Правильно?

Выводы А-А подключать на выходы для одной обмотки, а В-В для другой?

И еще момент, я сдуру сильно крутанул подстроечный резистор на драйвере. Т.е. сделал больше, чем один целый оборот. Из-за этого резистор может выйти из строя?
Вложения
Проверка ШД.png
Проверка ШД.png (8.13 КБ) 8706 просмотров
Аватара пользователя
megagad
Почётный участник
Почётный участник
Сообщения: 3208
Зарегистрирован: 05 апр 2014, 18:57
Репутация: 712
Откуда: Реуспублика Крым, Бахчисарай.
Контактная информация:

Re: ramps 1.4+drv8825+nema23

Сообщение megagad »

XeleX писал(а): Т.е. сделал больше, чем один целый оборот. Из-за этого резистор может выйти из строя?
Он там вообще-то на один рассчитан. Вы могли просто оборвать дорожку и у вас ток будет всегда "по минимуму".
We Do What We Must, Because We Can!
Причинять добро, наносить пользу и подвергать ласке.
Аватара пользователя
Сергей Саныч
Мастер
Сообщения: 9116
Зарегистрирован: 30 май 2012, 14:20
Репутация: 2858
Откуда: Тюмень
Контактная информация:

Re: ramps 1.4+drv8825+nema23

Сообщение Сергей Саныч »

Ничего с ним не будет, ограничителей нет, резистивный элемент (подковка) на одном уровне с подложкой. Внутренний контакт просто кольцевой.
Но лучше так не делать.
Чудес не бывает. Бывают фокусы.
Аватара пользователя
solo
Мастер
Сообщения: 1374
Зарегистрирован: 20 окт 2011, 18:39
Репутация: 272
Настоящее имя: Юрий Соловьев
Откуда: Украина Харьков
Контактная информация:

Re: ramps 1.4+drv8825+nema23

Сообщение solo »

XeleX писал(а):Кое-как открыл в Windows ваш файл
рисунок взял с форума снсмастеркит и долго не мог его прилепить к сообщению, а так как я в инете я не очень продвинутый пользователь и сижу под убунтой- мазилой то мог что то сделать некорректно , :oops: :monkey: :hammer: если по этой методе проверять драйвера ШД ,светодиоды подключить параллельно обмоткам шд, и вращая подстроечный токозадающий резистора , вы будете наблюдать изменение яркости светодиодов та значит резистор работает :good:
XeleX
Новичок
Сообщения: 28
Зарегистрирован: 29 июл 2015, 11:14
Репутация: 1
Настоящее имя: Алексей
Контактная информация:

Re: ramps 1.4+drv8825+nema23

Сообщение XeleX »

В принципе при вращении данного резистора есть такие положения, когда ШД крутится (достаточный ток), когда издает звуки (но стоит), и просто стоит без звуков. Думаю, можно считать, что в первом приближении резистор работает. Но предложенную схему в ближайшее время опробую.
Ответить

Вернуться в «Электроника»