Посоветуйте/покритикуйте по шкафу станка ЧПУ
-
Александр_
- Мастер
- Сообщения: 1743
- Зарегистрирован: 24 дек 2013, 17:47
- Репутация: 122
- Контактная информация:
Посоветуйте/покритикуйте по шкафу станка ЧПУ
Начал делать шкаф станка ЧПУ. Основная начинка – 4хSGDA-01AS и связка Kflop+Kanalog. Не могу похвастаться глубокими познаниями в электротехнике, поэтому, когда основная схема компоновки стала видна обращаюсь за советом и конструктивной критикой. Некоторые моменты позаимствованы отсюда: http://www.chipmaker.ru/topic/151516/page__st__40
Все это будет являться начинкой станка лф250ф3. В оригинале его шкаф с ЧПУ это довольно большая штука, которую мне нравится использовать именно как шкаф для вещей. Радиокомпоненты с тех пор стали мельче, поэтому есть желание уметить все в шкаф, который изначально являлся силовым шкафом станка. С шаговиками это прокатило – почему бы не сделать это с сервами.
Правда, места объективно немного, поэтому монтаж довольно плотный. Настолько, что на части монтажной плиты придется делать второй этаж, на котром разместятся клеммные колодки и еще что-то, что не влезет.
Основная компоновка видна по фото. Верхняя часть – контроллер, логика. Нижняя – силовая. От второго этажа есть и плюс – контроллер оказался в своеобразном экране что не может не радовать. Обычно с шаговиками я придерживался простой схемы: компьютер-контроллер-интерфейсная плата с реле-драйверы-моторы. Тут это не срабатывает, плюс хочется делать правильно, поэтому много вопросов. Понятно, что что-то придется дрделывать/переделывать, но чем правильнее топология будет изначально тем меньше проблем с доделками потом. Да, частотник не влезает - его как-то отдельно закреплю.
Вот пока что интересует:
1. интерфейсная плата. В данном случае она не нужна? Ее роль выполняет каналог? Как тогда организовать включение-выключение силовых устройств? Через реле или еще пускатели нужны? Реле опять же как – отдельно ставить и куда-то подключать или спец. Платы типа бум-8 от микрон (подсмотрел в соседней теме)
2. нужны ли предохранители на сервоусилители или хватит автоматов? На какой номинал покупать и те и другие исходя из тока усилителей (см. фото)?
3. на пульте управления кнопки вроде «старт», «стоп» и прочее заводить, получается, в каналог раз уж интерфейсная плата как таковая отсутствует?
4. какие блоки питания предусмотреть? 5V DC потребуется точно на логику. 12 V DC на кулеры. 90 V DC - тормоз сервы. Что еще? До этого как правило нужно было что-то около 24В на концевики, но это если бы была интерфейсная плата – а теперь как?
5. нужно ли делать включение силовой и логической части (+комп) раздельно? Опять же, комп нужно вырубать программно – не отключать же ему питание. И тогда что из логики останется – только кфлоп? Смысл? Или не выдумывать – общим пускателем все включаем, комп включаем как обычно. Может ли быть ситуация, когда потребуется логическая часть (кфлоп+каналог) во включенном состоянии для каких-то действий с компа при отключенных силовых частях станка?
Это пока из того, что нужно в данный момент дял себя прояснить.
Все это будет являться начинкой станка лф250ф3. В оригинале его шкаф с ЧПУ это довольно большая штука, которую мне нравится использовать именно как шкаф для вещей. Радиокомпоненты с тех пор стали мельче, поэтому есть желание уметить все в шкаф, который изначально являлся силовым шкафом станка. С шаговиками это прокатило – почему бы не сделать это с сервами.
Правда, места объективно немного, поэтому монтаж довольно плотный. Настолько, что на части монтажной плиты придется делать второй этаж, на котром разместятся клеммные колодки и еще что-то, что не влезет.
Основная компоновка видна по фото. Верхняя часть – контроллер, логика. Нижняя – силовая. От второго этажа есть и плюс – контроллер оказался в своеобразном экране что не может не радовать. Обычно с шаговиками я придерживался простой схемы: компьютер-контроллер-интерфейсная плата с реле-драйверы-моторы. Тут это не срабатывает, плюс хочется делать правильно, поэтому много вопросов. Понятно, что что-то придется дрделывать/переделывать, но чем правильнее топология будет изначально тем меньше проблем с доделками потом. Да, частотник не влезает - его как-то отдельно закреплю.
Вот пока что интересует:
1. интерфейсная плата. В данном случае она не нужна? Ее роль выполняет каналог? Как тогда организовать включение-выключение силовых устройств? Через реле или еще пускатели нужны? Реле опять же как – отдельно ставить и куда-то подключать или спец. Платы типа бум-8 от микрон (подсмотрел в соседней теме)
2. нужны ли предохранители на сервоусилители или хватит автоматов? На какой номинал покупать и те и другие исходя из тока усилителей (см. фото)?
3. на пульте управления кнопки вроде «старт», «стоп» и прочее заводить, получается, в каналог раз уж интерфейсная плата как таковая отсутствует?
4. какие блоки питания предусмотреть? 5V DC потребуется точно на логику. 12 V DC на кулеры. 90 V DC - тормоз сервы. Что еще? До этого как правило нужно было что-то около 24В на концевики, но это если бы была интерфейсная плата – а теперь как?
5. нужно ли делать включение силовой и логической части (+комп) раздельно? Опять же, комп нужно вырубать программно – не отключать же ему питание. И тогда что из логики останется – только кфлоп? Смысл? Или не выдумывать – общим пускателем все включаем, комп включаем как обычно. Может ли быть ситуация, когда потребуется логическая часть (кфлоп+каналог) во включенном состоянии для каких-то действий с компа при отключенных силовых частях станка?
Это пока из того, что нужно в данный момент дял себя прояснить.
Заходите в гости: www.pandicon.net www.graver36.ru
- alexg-nn
- Мастер
- Сообщения: 793
- Зарегистрирован: 08 фев 2015, 12:45
- Репутация: 127
- Настоящее имя: Алексей
- Откуда: Нижний Новгород
- Контактная информация:
Re: Посоветуйте/покритикуйте по шкафу станка ЧПУ
Вообще, если следовать инструкциям яскавы, то по хорошему там магнитный пускатель/контактор должен стоять в силовой цепи питания.
-
Александр_
- Мастер
- Сообщения: 1743
- Зарегистрирован: 24 дек 2013, 17:47
- Репутация: 122
- Контактная информация:
Re: Посоветуйте/покритикуйте по шкафу станка ЧПУ
в силовой цепи чего? всего станка или на каждую ось?
Последний раз редактировалось Александр_ 01 июн 2015, 20:17, всего редактировалось 1 раз.
Заходите в гости: www.pandicon.net www.graver36.ru
- alexg-nn
- Мастер
- Сообщения: 793
- Зарегистрирован: 08 фев 2015, 12:45
- Репутация: 127
- Настоящее имя: Алексей
- Откуда: Нижний Новгород
- Контактная информация:
Re: Посоветуйте/покритикуйте по шкафу станка ЧПУ
Вряд ли разумно продолжать движение по остальным осям, если одна свалилась в ошибку. В мануале несколько сервопаков подключены через один контактор.
-
Александр_
- Мастер
- Сообщения: 1743
- Зарегистрирован: 24 дек 2013, 17:47
- Репутация: 122
- Контактная информация:
Re: Посоветуйте/покритикуйте по шкафу станка ЧПУ
этот вопрос пока не стал озвучивать, но он есть. просто он из "второй очереди".
6. как сделать так 9физически - что к чему подключить) чтобы при выпадении в ошибку какого-то из сервопаков, срабатывании автомата шпинделя и прочее станок вырубался и прекращал движение по всем осям равно как и вращение шпинделя? завести все это на какой-то один пускатель и зацепить его на e-stop?
6. как сделать так 9физически - что к чему подключить) чтобы при выпадении в ошибку какого-то из сервопаков, срабатывании автомата шпинделя и прочее станок вырубался и прекращал движение по всем осям равно как и вращение шпинделя? завести все это на какой-то один пускатель и зацепить его на e-stop?
Заходите в гости: www.pandicon.net www.graver36.ru
- alexg-nn
- Мастер
- Сообщения: 793
- Зарегистрирован: 08 фев 2015, 12:45
- Репутация: 127
- Настоящее имя: Алексей
- Откуда: Нижний Новгород
- Контактная информация:
Re: Посоветуйте/покритикуйте по шкафу станка ЧПУ
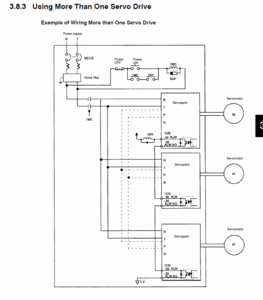
Я задавался таким вопросом ранее, набросалось вот такое. Правильность не гарантирую, так как до железа ещё не дошло.
-
Александр_
- Мастер
- Сообщения: 1743
- Зарегистрирован: 24 дек 2013, 17:47
- Репутация: 122
- Контактная информация:
Re: Посоветуйте/покритикуйте по шкафу станка ЧПУ
спасибо! сейчас посмотрю внимательно, разберусь.
остальные вопросы в силе
остальные вопросы в силе
Заходите в гости: www.pandicon.net www.graver36.ru
-
Александр_
- Мастер
- Сообщения: 1743
- Зарегистрирован: 24 дек 2013, 17:47
- Репутация: 122
- Контактная информация:
Re: Посоветуйте/покритикуйте по шкафу станка ЧПУ
разбираюсь в вашей схеме. не все пока понял, но по крайней мере вырисовывается полная картина.
на сколько ватт нужен блок питания на 24В для такой схемы?
странно - в мануале яскавы никаких номиналов нет - на какой ток пускатели, автоматы и прочее.
на сколько ватт нужен блок питания на 24В для такой схемы?
странно - в мануале яскавы никаких номиналов нет - на какой ток пускатели, автоматы и прочее.
Заходите в гости: www.pandicon.net www.graver36.ru
-
aftaev
- Зачётный участник

- Сообщения: 34042
- Зарегистрирован: 04 апр 2010, 19:22
- Репутация: 6194
- Откуда: Казахстан.
- Контактная информация:
Re: Посоветуйте/покритикуйте по шкафу станка ЧПУ
мож они еще должны были написать в каком магазине покупатьАлександр_ писал(а):в мануале яскавы никаких номиналов нет - на какой ток пускатели, автоматы и прочее.
Дилетанту сложные вещи кажутся очень простыми, и только профессионал понимает насколько сложна самая простая вещь
Кто хочет - ищет возможности, кто не хочет - ищет оправдание.
Найди работу по душе и тебе не придется работать.
Кто хочет - ищет возможности, кто не хочет - ищет оправдание.
Найди работу по душе и тебе не придется работать.
- alexg-nn
- Мастер
- Сообщения: 793
- Зарегистрирован: 08 фев 2015, 12:45
- Репутация: 127
- Настоящее имя: Алексей
- Откуда: Нижний Новгород
- Контактная информация:
Re: Посоветуйте/покритикуйте по шкафу станка ЧПУ
Если им не запитывать тормоз сервопривода, то хватит по идее любогоАлександр_ писал(а):на сколько ватт нужен блок питания на 24В для такой схемы?
Есть.Александр_ писал(а):странно - в мануале яскавы никаких номиналов нет - на какой ток пускатели, автоматы и прочее.
-
Александр_
- Мастер
- Сообщения: 1743
- Зарегистрирован: 24 дек 2013, 17:47
- Репутация: 122
- Контактная информация:
Re: Посоветуйте/покритикуйте по шкафу станка ЧПУ
чем больше читаю мануал и соседнюю тему про силовую обвязку тем больше голова кругом. и как у меня все работает на шаговиках, воткнутых в розетку уж сколько лет - непонятно.
все, что указано в мануале (супрессоры, реакторы) обязательно? или что-то имеет рекомендательный характер?
кстати - валеется у меня такой коробок от стойки ЧПУ 2м43-55: http://www.chipmaker.ru/index.php?app=c ... id=1073288
никак не сойдет за фильтр питания? вроде это он и есть по сути.
все, что указано в мануале (супрессоры, реакторы) обязательно? или что-то имеет рекомендательный характер?
кстати - валеется у меня такой коробок от стойки ЧПУ 2м43-55: http://www.chipmaker.ru/index.php?app=c ... id=1073288
никак не сойдет за фильтр питания? вроде это он и есть по сути.
Заходите в гости: www.pandicon.net www.graver36.ru
-
aftaev
- Зачётный участник

- Сообщения: 34042
- Зарегистрирован: 04 апр 2010, 19:22
- Репутация: 6194
- Откуда: Казахстан.
- Контактная информация:
Re: Посоветуйте/покритикуйте по шкафу станка ЧПУ
если почитать про грамотную обвязку шаговиков так же кругом головаАлександр_ писал(а):чем больше читаю мануал и соседнюю тему про силовую обвязку тем больше голова кругом.
серву так же можно воткнуть в розетку и будет пахать, и даже БП не нужен с разными демпферамиАлександр_ писал(а):и как у меня все работает на шаговиках, воткнутых в розетку уж сколько лет - непонятно.
будет работать, по монитору мож что нибудь будет бегать от помех.Александр_ писал(а):все, что указано в мануале (супрессоры, реакторы) обязательно?
Дилетанту сложные вещи кажутся очень простыми, и только профессионал понимает насколько сложна самая простая вещь
Кто хочет - ищет возможности, кто не хочет - ищет оправдание.
Найди работу по душе и тебе не придется работать.
Кто хочет - ищет возможности, кто не хочет - ищет оправдание.
Найди работу по душе и тебе не придется работать.
-
aftaev
- Зачётный участник

- Сообщения: 34042
- Зарегистрирован: 04 апр 2010, 19:22
- Репутация: 6194
- Откуда: Казахстан.
- Контактная информация:
Re: Посоветуйте/покритикуйте по шкафу станка ЧПУ
он и естьАлександр_ писал(а):никак не сойдет за фильтр питания? вроде это он и есть по сути.
Дилетанту сложные вещи кажутся очень простыми, и только профессионал понимает насколько сложна самая простая вещь
Кто хочет - ищет возможности, кто не хочет - ищет оправдание.
Найди работу по душе и тебе не придется работать.
Кто хочет - ищет возможности, кто не хочет - ищет оправдание.
Найди работу по душе и тебе не придется работать.
-
Александр_
- Мастер
- Сообщения: 1743
- Зарегистрирован: 24 дек 2013, 17:47
- Репутация: 122
- Контактная информация:
Re: Посоветуйте/покритикуйте по шкафу станка ЧПУ
вроде там стойка на 380В была, завтра повнимательнее рассмотрю - может, наконец пригодится.aftaev писал(а):он и есть
так изначально за базу брать эту схему из мануала, верно? и по ней уже сначала разбираться, а потом додумывать как все аварийные ситуации между собой увязать?
на сколько бы взять главный пускатель в моем случае (3 сервопривода по 100 Ватт, шпиндель 500-1500вт). Ампер 40 как я полагаю?
Заходите в гости: www.pandicon.net www.graver36.ru
-
Александр_
- Мастер
- Сообщения: 1743
- Зарегистрирован: 24 дек 2013, 17:47
- Репутация: 122
- Контактная информация:
Re: Посоветуйте/покритикуйте по шкафу станка ЧПУ
40А не слишком много на пускатель силы?
сервопаки 4х2,5А, шпиндель еще ампер 5. Помпа, моет что еще по мелочи. Может, логичнее 25-32А?
Я правильно понимаю, что в данном случае логично брать пускатель с катушкой на 24V DC а не на 220В? Раз уж все это заводить вместе с концевиками и е-стопом в одну цепочку?
Заехал в магазин - цены на БП в DIN-исполнении не порадовали. Как-то покупал на концевики БП от чего-то типа ноута за 50р - видимо, придется повторить.
сервопаки 4х2,5А, шпиндель еще ампер 5. Помпа, моет что еще по мелочи. Может, логичнее 25-32А?
Я правильно понимаю, что в данном случае логично брать пускатель с катушкой на 24V DC а не на 220В? Раз уж все это заводить вместе с концевиками и е-стопом в одну цепочку?
Заехал в магазин - цены на БП в DIN-исполнении не порадовали. Как-то покупал на концевики БП от чего-то типа ноута за 50р - видимо, придется повторить.
Заходите в гости: www.pandicon.net www.graver36.ru
- Predator
- Мастер
- Сообщения: 9583
- Зарегистрирован: 18 июл 2013, 18:26
- Репутация: 2531
- Контактная информация:
Re: Посоветуйте/покритикуйте по шкафу станка ЧПУ
Где-то тут на форуме недавно продавали на 24 В для DIN рейки БП, пойщи в продажах.Александр_ писал(а):цены на БП в DIN-исполнении не порадовали
-
Александр_
- Мастер
- Сообщения: 1743
- Зарегистрирован: 24 дек 2013, 17:47
- Репутация: 122
- Контактная информация:
Re: Посоветуйте/покритикуйте по шкафу станка ЧПУ
да, нашел в барахолке. в принципе, на авито такой же втрое дешевле - можно там взять, не проблема. или ноутбучный. с этим разберусь - в остальном пока пробелы в понимании.
Заходите в гости: www.pandicon.net www.graver36.ru
-
Александр_
- Мастер
- Сообщения: 1743
- Зарегистрирован: 24 дек 2013, 17:47
- Репутация: 122
- Контактная информация:
Re: Посоветуйте/покритикуйте по шкафу станка ЧПУ
посмотрел поближе ту коробку от чпу. как думаете - подойдет для подключение к комплекту из 4 100-ваттных сервопаков? не знаю, правда, как там рассчитывается по мощности - тут ничего не написано. и такое чувство, что этот фильтр под 3-фазный ток. можно как-то использовать в однофазной сети?
Заходите в гости: www.pandicon.net www.graver36.ru
- N1X
- Мастер
- Сообщения: 3653
- Зарегистрирован: 16 фев 2015, 21:19
- Репутация: 1646
- Настоящее имя: Владимир
- Откуда: Беларусь, Гомель
- Контактная информация:
Re: Посоветуйте/покритикуйте по шкафу станка ЧПУ
Без схемы точно не сказать, но скорее всего можно. Либо фазу пропустить через одну из фаз коробки, а ноль на ее корпус (черный провод), но это не очень правильно, если шкаф не занулен и без того, либо фазу и ноль пропустить через 2 фазы фильтра, а коробку заземлить... По моще правда хз, нужно смотреть каким проводом намотаны дросселя...
-
Александр_
- Мастер
- Сообщения: 1743
- Зарегистрирован: 24 дек 2013, 17:47
- Репутация: 122
- Контактная информация:
Re: Посоветуйте/покритикуйте по шкафу станка ЧПУ
детали на вид незнакомые (типа катушек каких-то), но на вид явно просматривается 3 канала под 3 фазы. логично было бы последовать совету выше. вот только в одной фазе 20В, а рассчитано на 380. или без разницы - что нужно отфильтрует?
коробок увесистый - внутрь не поместится. но выполнен брутально и в цвет попадает - уже нашел место снаружи станка.
коробок увесистый - внутрь не поместится. но выполнен брутально и в цвет попадает - уже нашел место снаружи станка.
Заходите в гости: www.pandicon.net www.graver36.ru