Ищу подрядчика (токарная работа)

Правила форума
Разрешается публиковать предложения по покупке/продаже как физическим лицам так и коммерческим организациям, при соблюдении следующих условий:
1. должны присутствовать характеристики товаров
2. должна присутствовать стоимость товара или услуги
3. должно присутствовать описание способов оплаты и доставки
4. один продавец - одна тема

Фотографии товаров приветствуются (фотографии должны быть вложениями к сообщениям).

Возможно размещение ссылки на свой сайт, с описанием товара, при обязательном соблюдении пунктов 1-3.

Администрация форума может удалить тему или сообщения из данного раздела, без объяснения причин!

Внимание, общий раздел закрыт для создания новых тем! Создавайте темы в профильных разделах (Куплю, Продам, Услуги)!
Featherknife
Новичок
Сообщения: 1
Зарегистрирован: 24 май 2015, 21:59
Репутация: 0
Настоящее имя: Михаил Николаевич
Контактная информация:

Ищу подрядчика (токарная работа)

Сообщение Featherknife »

Доброго дня всем.

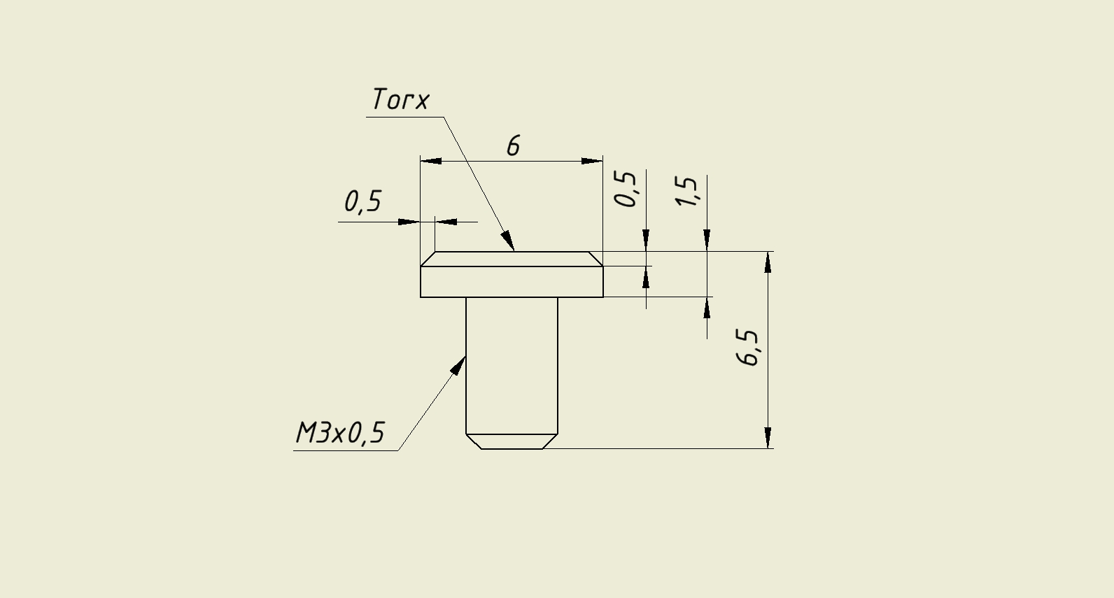
Необходимо изготовить некое количество точеных стальных болтов. Материал Ваш. В дальнейшем продолжить с большими количествами.

Деталь 1 - 80 шт
Деталь 2 - 20 шт
Деталь 3 - 20 шт
Деталь 4 - 40 шт
Деталь 5 - 20 шт

Не указанные размеры - произвольны. Чистота поверхности - чистовая.

Оплата - 8000 руб (БЕЗ ШЛИЦОВ под обозначенный Torx, просто болванки с резьбой)
Если есть мощности сделать шлицы (необходима секретка) - пишите на почту.

Москва. Возможны и регионы.

Все подробности, уточнения и свои предложения - пожалуйста на почту goodcmyk@gmail.com

Спасибо за внимание, удачного всем дня. Вот чертежи.
Вложения
Деталь 1 (2347 просмотров) <a class='original' href='./download/file.php?id=50935&mode=view' target=_blank>Загрузить оригинал (75.58 КБ)</a>
Деталь 1
Деталь 2 (2347 просмотров) <a class='original' href='./download/file.php?id=50936&mode=view' target=_blank>Загрузить оригинал (72.72 КБ)</a>
Деталь 2
Деталь 3 (2347 просмотров) <a class='original' href='./download/file.php?id=50937&mode=view' target=_blank>Загрузить оригинал (188.07 КБ)</a>
Деталь 3
Деталь 4 (2347 просмотров) <a class='original' href='./download/file.php?id=50938&mode=view' target=_blank>Загрузить оригинал (104.7 КБ)</a>
Деталь 4
Деталь 5 (2347 просмотров) <a class='original' href='./download/file.php?id=50939&mode=view' target=_blank>Загрузить оригинал (61.92 КБ)</a>
Деталь 5

Вернуться в «Предложения покупки/продажи/услуг»