Кто такой Molded-case curcuit breaker ? Это какой-то хитрый прибор контролирующий не ток, а напряжение ?
Noise filter в российских условиях какой можно найти-поставить ? Или тащить с ебея ?
Какова функция Magnetic Contactor ? Это просто реле ? Зачем оно там вообще ? Чтобы включать их по одному
на время заряда конденсаторов ? В случае безпроблемного старта всех сервопаков одновременно - нужен ?
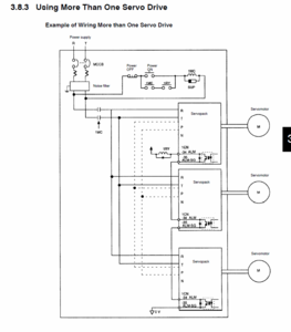
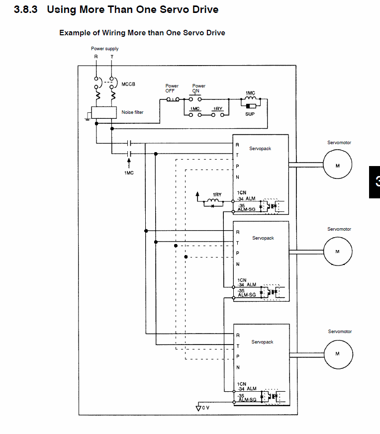
Не вполне понятно в случае наличия 3х сервопаков чего должно быть 3, а чего один
Просто соединить их параллельно после Magnetic Contactor, или к каждому надо свой набор устройств ?
Интересует как правильно, и почему...
Зы. Тормозные резисторы и reg. unit я так понимаю на такие номиналы не нужны ?
400вт в режиме старт-стоп будет использован. Это привод вращения небольшого шпинделя.
ЗЫЫ. Трансформаторы на 5-12-24в в DIN исполнении по 20-30$ - это норма, или я просто мест не знаю где брать ?
(или с ебея тащить). Нужен для энкодеров итп источник питания, хочется "цивильный" а не зарядку от мобильника.
