шпиндель коломбо colombo нужна помощь
шпиндель коломбо colombo нужна помощь
привет всем, нужна помощь хочу купить шпиндель коломбо,
Giordano Colombo RA110.22 Spindle, 460VAC, 5Hp
http://www.ebay.com/itm/171324391191?ss ... 1423.l2649
все вроде бы почти устраивает только вот одна проблема,
этот шпиндель на 460 вольт можно ли его переделать под 220 (240) вольт пожалуйста подскажите можно ли внутри обмотку мотора перемкнуть на 220 вольт,
к примеру если мотор внутри звезда и переключить его на дельта,
может кто-то сталкивался с коломбо моторами.
спасибо за помощь.
Giordano Colombo RA110.22 Spindle, 460VAC, 5Hp
http://www.ebay.com/itm/171324391191?ss ... 1423.l2649
все вроде бы почти устраивает только вот одна проблема,
этот шпиндель на 460 вольт можно ли его переделать под 220 (240) вольт пожалуйста подскажите можно ли внутри обмотку мотора перемкнуть на 220 вольт,
к примеру если мотор внутри звезда и переключить его на дельта,
может кто-то сталкивался с коломбо моторами.
спасибо за помощь.
-
aftaev
- Зачётный участник

- Сообщения: 34042
- Зарегистрирован: 04 апр 2010, 19:22
- Репутация: 6194
- Откуда: Казахстан.
- Контактная информация:
Re: шпиндель коломбо colombo нужна помощь
Миша, ты по чаще выкладывай ссылки на евау, так быстрее купят пока ты думаешь 

Как вариант перед частотником поставить повышающий транс 220v - 460v и повезет если частотник не будет видеть что одной фазы нет
Китайский частотник что выдает 220в скорее всего его раскрутит но мосЧи вааабще не будет
Без экспериментов никак, но за таку цену экспериментами заниматься
Не знаю можно перематывать или нет, но вот если разобрать то потом так уже не собирешь и балансировки не будет. Если разобрать новый шпиндель который тихо работал, разбираешь/собираешь и он уже вибрирует. Не советую его разбиратьS500 писал(а):этот шпиндель на 460 вольт можно ли его переделать под 220 (240) вольт пожалуйста подскажите можно ли внутри обмотку мотора перемкнуть на 220 вольт,
к примеру если мотор внутри звезда и переключить его на дельта,
Как вариант перед частотником поставить повышающий транс 220v - 460v и повезет если частотник не будет видеть что одной фазы нет
Китайский частотник что выдает 220в скорее всего его раскрутит но мосЧи вааабще не будет
Без экспериментов никак, но за таку цену экспериментами заниматься
Дилетанту сложные вещи кажутся очень простыми, и только профессионал понимает насколько сложна самая простая вещь
Кто хочет - ищет возможности, кто не хочет - ищет оправдание.
Найди работу по душе и тебе не придется работать.
Кто хочет - ищет возможности, кто не хочет - ищет оправдание.
Найди работу по душе и тебе не придется работать.
Re: шпиндель коломбо colombo нужна помощь
Cаша нормально пускай покупает кто хочет все равно у продавца их 5 штук кто-то купит попробует и нам расскажет, а может тот кто купит ему нужна пересылка и я могу помоч переслать по запчастям....
а когда подшипники меняют ты шпиндель разбираеш а потом собираеш назад и работает нормально.
вот посмотри что пишут в инструкции этого шпинделя.
Конические подшипники ABEC7 или ABEC9 (в т.ч. с керамическими шариками)
обеспечивают прочность, жесткость и скорости вращения до 40 000 об/мин.
Все вращающиеся детали прошли высокоточную динамическую балансировку.
Легкость обслуживания подшипников обеспечивается модульной конструкции,
благодаря которой вал можно извлечь в любой момент и без последствий.
а когда подшипники меняют ты шпиндель разбираеш а потом собираеш назад и работает нормально.
вот посмотри что пишут в инструкции этого шпинделя.
Конические подшипники ABEC7 или ABEC9 (в т.ч. с керамическими шариками)
обеспечивают прочность, жесткость и скорости вращения до 40 000 об/мин.
Все вращающиеся детали прошли высокоточную динамическую балансировку.
Легкость обслуживания подшипников обеспечивается модульной конструкции,
благодаря которой вал можно извлечь в любой момент и без последствий.
-
aftaev
- Зачётный участник

- Сообщения: 34042
- Зарегистрирован: 04 апр 2010, 19:22
- Репутация: 6194
- Откуда: Казахстан.
- Контактная информация:
Re: шпиндель коломбо colombo нужна помощь
но он не работает уже как новыйS500 писал(а):а когда подшипники меняют ты шпиндель разбираеш а потом собираеш назад и работает нормально.
Правильно. Шпиндель собрали, на стенд кинули и от балансировали. А когда шпиндель разобрал не так гайку затянул балансировки уже нет.S500 писал(а):Все вращающиеся детали прошли высокоточную динамическую балансировку.
Миша, найди мотор какой нибудь 3ф на 380в, возьми частотник на 380в и попробуй через трансформатор 220-380 подключить частотник
Дилетанту сложные вещи кажутся очень простыми, и только профессионал понимает насколько сложна самая простая вещь
Кто хочет - ищет возможности, кто не хочет - ищет оправдание.
Найди работу по душе и тебе не придется работать.
Кто хочет - ищет возможности, кто не хочет - ищет оправдание.
Найди работу по душе и тебе не придется работать.
Re: шпиндель коломбо colombo нужна помощь
да вроде как я понял в инструкции написано что этот шпиндель можно разбирать, (вал можно извлечь в любой момент и без последствий) хотелось бы услышать от людей кто разбирал такой шпиндель или наподобие коломбо шпиндель разбирал и что этот человек скажит.
Cаша только жена выделила деньги можно купить эту игрушку и ты весь апетит перебил.
ты знаешь что частотник в 3 фазы у меня нет проблем на любое
напряжение. и мощность.
проблема в трансформаторе где его взять и в добавок на холостом ходу он будет жрать напряжение.
я уже думал узнать где можно перемотать обмотку этого мотора под 220 вольт и сколько будет стоить это удовольствие.
может дешевле купить готовый мотор...
http://www.ebay.com/itm/ag-sc-PDS-5-5HP ... 20ea571169
Cаша только жена выделила деньги можно купить эту игрушку и ты весь апетит перебил.
ты знаешь что частотник в 3 фазы у меня нет проблем на любое
напряжение. и мощность.
проблема в трансформаторе где его взять и в добавок на холостом ходу он будет жрать напряжение.
я уже думал узнать где можно перемотать обмотку этого мотора под 220 вольт и сколько будет стоить это удовольствие.
может дешевле купить готовый мотор...
http://www.ebay.com/itm/ag-sc-PDS-5-5HP ... 20ea571169
Re: шпиндель коломбо colombo нужна помощь
Ну во первых первый шпиндель - это реально дорого, тем более с непонятной преспективой работы от 220.
Во вторых - торгуйся с ними! Вот этот шпиндель, который ты предложил за 4000$: http://www.ebay.com/itm/ag-sc-PDS-5-5HP ... 20ea571169
продавец мне на днях готов был отдать за 2200$, но меня смутили потертости на комплектной оправке - как будто в конусе проворачивало. Но если есть желание, дам тебе свой ник на ебее, скажешь что типо вот, я вместо этого перца хочу купить.
В третьих не выкладывай интересные лоты сюда, это тебе уже сказали)
Как пример, поторговавшись на ебее на днях взял БУ HSD 6.8кВт 24000об с автосменой за 2000$, и там вроде бы есть еще
Правда доставку все равно через посредников(используйте Mail Forwarding, так не надо платить процент), напрямую они не шлют. И главное вписаться в 32кг вроде, у меня впритык)
Во вторых - торгуйся с ними! Вот этот шпиндель, который ты предложил за 4000$: http://www.ebay.com/itm/ag-sc-PDS-5-5HP ... 20ea571169
продавец мне на днях готов был отдать за 2200$, но меня смутили потертости на комплектной оправке - как будто в конусе проворачивало. Но если есть желание, дам тебе свой ник на ебее, скажешь что типо вот, я вместо этого перца хочу купить.
В третьих не выкладывай интересные лоты сюда, это тебе уже сказали)
Как пример, поторговавшись на ебее на днях взял БУ HSD 6.8кВт 24000об с автосменой за 2000$, и там вроде бы есть еще
-
aftaev
- Зачётный участник

- Сообщения: 34042
- Зарегистрирован: 04 апр 2010, 19:22
- Репутация: 6194
- Откуда: Казахстан.
- Контактная информация:
Re: шпиндель коломбо colombo нужна помощь
Знаю. Потому давно бы через транс уже попробовал из 220 сделать 380 и подать на частотникS500 писал(а):ты знаешь что частотник в 3 фазы у меня нет проблем на любое напряжение. и мощность.
S500(Миша), из США и если что продавцы не отправляли, S500(Миша), разбирал и по кускам отправлял мне. Так с США покупал плазморезы весом под 50кгskyAlex писал(а): Правда доставку все равно через посредников(используйте Mail Forwarding, так не надо платить процент), напрямую они не шлют. И главное вписаться в 32кг вроде, у меня впритык
Дилетанту сложные вещи кажутся очень простыми, и только профессионал понимает насколько сложна самая простая вещь
Кто хочет - ищет возможности, кто не хочет - ищет оправдание.
Найди работу по душе и тебе не придется работать.
Кто хочет - ищет возможности, кто не хочет - ищет оправдание.
Найди работу по душе и тебе не придется работать.
- NightV
- Почётный участник

- Сообщения: 6611
- Зарегистрирован: 30 дек 2011, 09:14
- Репутация: 2279
- Настоящее имя: Владимир Айрапетян
- Откуда: Israel
- Контактная информация:
Re: шпиндель коломбо colombo нужна помощь
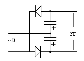
как запитать частотник 380 от сети 220aftaev писал(а):Потому давно бы через транс уже попробовал из 220 сделать 380 и подать на частотник
запитать его от удвоителя
взято здесь
просто ссылку потерял, щас посидел, погуглил.. нашел! года 3 назад, повторил эту схему, работает
ПС
Всё просто! если знаешь КАК!
- ukr-sasha
- Мастер
- Сообщения: 3401
- Зарегистрирован: 21 мар 2011, 07:47
- Репутация: 2181
- Настоящее имя: Украинец Александр Григорьевич
- Откуда: Киев, Украина
- Контактная информация:
Re: шпиндель коломбо colombo нужна помощь
Когда метры говорят, особо добавлять нечего.NightV писал(а):а ukr-sasha молчит как партизан
Только там далеко не 380В, а под 600В постоянки, как здесь предупредили:
П.С. Т.к. в такой схеме всё равно на выходе два провода, то было, что в частотник 220В подал эти 600В. Так бахнуло, что чуть не опозорился.NightV писал(а): ВНИМАНИЕ! на выходе, высокое напряжение
- NightV
- Почётный участник

- Сообщения: 6611
- Зарегистрирован: 30 дек 2011, 09:14
- Репутация: 2279
- Настоящее имя: Владимир Айрапетян
- Откуда: Israel
- Контактная информация:
Re: шпиндель коломбо colombo нужна помощь
так в чем и прикол,
в частотнике на входе стоит диодный мост и кондеры после него, и там же контроль напряжения.
мы вместо переменки 380 подсовываем ему 600 вольт постоянки, которая ему и нужна после своего моста.
единственное, кондеры такие тяжело достать, купить их конечно можно, а вот чтоб нахаляву... не на каждой свалке их найдешь
в частотнике на входе стоит диодный мост и кондеры после него, и там же контроль напряжения.
мы вместо переменки 380 подсовываем ему 600 вольт постоянки, которая ему и нужна после своего моста.
единственное, кондеры такие тяжело достать, купить их конечно можно, а вот чтоб нахаляву... не на каждой свалке их найдешь
Всё просто! если знаешь КАК!
-
aftaev
- Зачётный участник

- Сообщения: 34042
- Зарегистрирован: 04 апр 2010, 19:22
- Репутация: 6194
- Откуда: Казахстан.
- Контактная информация:
Re: шпиндель коломбо colombo нужна помощь
у Миши много частотников для экспериментов, он их пачками на мусорку складываетukr-sasha писал(а):Только там далеко не 380В, а под 600В постоянки, как здесь предупредили:
Миша их с частотников повыдергиваетNightV писал(а):единственное, кондеры такие тяжело достать, купить их конечно можно, а вот чтоб нахаляву... не на каждой свалке их найдешь
Дилетанту сложные вещи кажутся очень простыми, и только профессионал понимает насколько сложна самая простая вещь
Кто хочет - ищет возможности, кто не хочет - ищет оправдание.
Найди работу по душе и тебе не придется работать.
Кто хочет - ищет возможности, кто не хочет - ищет оправдание.
Найди работу по душе и тебе не придется работать.
- NightV
- Почётный участник

- Сообщения: 6611
- Зарегистрирован: 30 дек 2011, 09:14
- Репутация: 2279
- Настоящее имя: Владимир Айрапетян
- Откуда: Israel
- Контактная информация:
Re: шпиндель коломбо colombo нужна помощь
я с дохлого инверторного сварочника дернул 
Всё просто! если знаешь КАК!
Re: шпиндель коломбо colombo нужна помощь
спасибо всем за помощь,
мне очень понравилось про конденсаторы и диоды, да проблем нет с конденсаторами и диодами я могу их взять с другого частотника, к примеру у меня сейчас которые я могу пустить их на этот проект.
получается пока я не буду покупать этот шпиндель,
а попозже зимою когда делать нечего буду делать эксперименты с этими конденсаторами.
вот мои частотники которые я могу пустить на этот проект как вы думаете можно с них что-то взять
Mitsubishi FR-F740-01800-NA
Mitsubishi FR-A520-5.5K
я так понял что надо выдрать конденсаторы и диоды соединить их подключить на другой частотник, где постоянное напряжение можно подключить.
еще раз всем большое спасибо.
мне очень понравилось про конденсаторы и диоды, да проблем нет с конденсаторами и диодами я могу их взять с другого частотника, к примеру у меня сейчас которые я могу пустить их на этот проект.
получается пока я не буду покупать этот шпиндель,
а попозже зимою когда делать нечего буду делать эксперименты с этими конденсаторами.
вот мои частотники которые я могу пустить на этот проект как вы думаете можно с них что-то взять
Mitsubishi FR-F740-01800-NA
Mitsubishi FR-A520-5.5K
я так понял что надо выдрать конденсаторы и диоды соединить их подключить на другой частотник, где постоянное напряжение можно подключить.
еще раз всем большое спасибо.
-
aftaev
- Зачётный участник

- Сообщения: 34042
- Зарегистрирован: 04 апр 2010, 19:22
- Репутация: 6194
- Откуда: Казахстан.
- Контактная информация:
Re: шпиндель коломбо colombo нужна помощь
Яж говорю у Миши гора частотников. Щас он нормальные частотники на конденсаторы пустит 
Дилетанту сложные вещи кажутся очень простыми, и только профессионал понимает насколько сложна самая простая вещь
Кто хочет - ищет возможности, кто не хочет - ищет оправдание.
Найди работу по душе и тебе не придется работать.
Кто хочет - ищет возможности, кто не хочет - ищет оправдание.
Найди работу по душе и тебе не придется работать.
Re: шпиндель коломбо colombo нужна помощь
Cаша ну ты же не покупаешь эти частотники вот и получается их пустим на проект ничего страшного.
- mhael
- Мастер
- Сообщения: 2443
- Зарегистрирован: 09 мар 2013, 11:22
- Репутация: 769
- Настоящее имя: Ильдар
- Контактная информация:
Re: шпиндель коломбо colombo нужна помощь
aftaev, я ему пытался дать адресок, где принимают ненужные вещи. Миша говорит, что у него уже есть один, а второго ему не надо 
Re: шпиндель коломбо colombo нужна помощь
пожалуйста скажите,
у кого-нибудь есть любая информация как этот шпиндель (Colombo RA) устроен внутри.
любая информация фотографии электронной схемы видео что нибудь есть у кого нибудь.
спасибо.
у кого-нибудь есть любая информация как этот шпиндель (Colombo RA) устроен внутри.
любая информация фотографии электронной схемы видео что нибудь есть у кого нибудь.
спасибо.
-
aftaev
- Зачётный участник

- Сообщения: 34042
- Зарегистрирован: 04 апр 2010, 19:22
- Репутация: 6194
- Откуда: Казахстан.
- Контактная информация:
Re: шпиндель коломбо colombo нужна помощь
какая там электронная схема? Все что там если стоит это схема для индуктивных/емкосных датчиков (инструмент зажат/разжат)S500 писал(а):любая информация фотографии электронной схемы
Устройство будет примерно как у ELTE Разборка/Ремонт шпинделя ELTE #1
Номера подшипников можно запросить у производителя
Дилетанту сложные вещи кажутся очень простыми, и только профессионал понимает насколько сложна самая простая вещь
Кто хочет - ищет возможности, кто не хочет - ищет оправдание.
Найди работу по душе и тебе не придется работать.
Кто хочет - ищет возможности, кто не хочет - ищет оправдание.
Найди работу по душе и тебе не придется работать.
Re: шпиндель коломбо colombo нужна помощь
Похвастайтесь хоть, что купили то?S500 писал(а):у кого-нибудь есть любая информация как этот шпиндель (Colombo RA) устроен внутри.
любая информация фотографии электронной схемы видео что нибудь есть у кого нибудь.
Re: шпиндель коломбо colombo нужна помощь
нет покамись не купил но хочется, если быть уверен что можно обмотку мотора переключить треугольником. Купил бы нет проблем, а если надо и подшипники поменял бы.
интересно обмотку двигателя легко переключить или оно покрыто клей или бакситка.
интересно обмотку двигателя легко переключить или оно покрыто клей или бакситка.